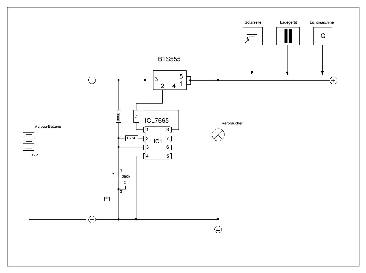
Hallo, nach vielen Jahren "Elektronik-Selbstbau-Abstinenz" möchte ich mich mal wieder an ein Projekt wagen. Der Grund ist ein im Wohnmobil wegen Tiefentladung "gestorbener" 110 AH Bleiakku. Nach intensiver Suche bin ich auf den PROFET BTS555 als Lastschalter gestoßen. Der passt genau zur KZF-Spannung, hat einen Ron von max. 2,5 mOhm und kann 320 A schalten. Für meinen Anwendungsfall reichen 40 A aus. Als Spannungswächter würde ich gerne den ICL7665 einsetzen. 4 Widerstände und 1 Blockkondensator am ICL7665 sowie der BTS555 auf einem Kühlkörper und fertig ist die Akkulebensversicherung. Aufgebaut hab ich's schon mal provisorisch und soweit funktioniert es auch. Hat der Akku weniger als 10,5 Volt trennt der Profet die Last vom Akku. Nur fehlt mir jetzt noch eine Idee wie man möglichst einfach den Profet dazu bringt, automatisch den Akku wieder zuzuschalten wenn z.B. die Solarzelle genügend "Saft" bringt ? Hat jemand eine Idee ? Und vielen Dank schon mal für hoffentlich viele hilfreiche Antworten. Dieter
> Hat jemand eine Idee ? Man betreibt weder Solarzelle noch Ladegerät noch Lichtmaschine an einem Verbraucher ohne einen spannungsstabilisierenden Akku. Daher benötigst du 2 Schaltungen: Tiefentladeschutz (hast du, trennt aber besser nur den Verbraucher ab) und Überladeschutz (fehlt dir, trennt zumindest die Solarzelle, da eine Lichtmaschine den Akku ja nicht überlädt, und vielleicht das Ladegerät (vor allem wenn das per Relais vom Netz getrennt werden sollte um keinen Strom mehr zu verbrauchen wenn der Akku voll ist)). http://www.dse-faq.elektronik-kompendium.de/dse-faq.htm#F.9.5
Hallo und schönen Dank für deine Antwort, ja du hast natürlich recht, wie konnte ich nur übersehen das die Eingänge der verschiedenen Ladequellen nicht auf der Verbraucherseite angeschlossen sein dürfen. Manchmal sieht man eben den Wald vor lauter Bäumen nicht. Das Solarpanel hat natürlich einen Laderegler und ein fest installiertes Ladegerät mit Temperaturfühler ist auch vorhanden. Also Ladequellen auf die "andere Seite" und schon gehts. Vielen Dank ! Werde das also jetzt 2 mal so aufbauen. Damit kann ich erstens die Last über den PROFET verteilen und habe weiterhin die Möglichkeit über verschiedene Abschaltspannungen die eher weniger wichtigen Verbraucher zuerst abzuschalten. Was mir noch ein wenig zu denken gibt, sind die doch eher dünnen Anschlussbeinchen am BTS555, welche ja bei mir immerhin ca. 40 A abkönnen sollen. Da müssen dann ja zwei Kabel mit 10qmm drangebracht werden. Wie sollte man das am besten mechanisch lösen ? Dieter
@ Dieter Eckhardt hast Du es geschafft, wäre an eine Lösung interessiert
Spendiere Deinem Wohnmobil ein Ladegerät und lass es über den Winter an der Erhaltungsladung. CTEK baut super Ladegeräte.
Die interessant frage dabei ist warum die Akkus tiefentladen wurden. Wenn das Womo im Winter in einer Halle oder unterm Carport steht, bringt die Solaranlage nichts zählbares zustande. Fast alle Ladegerät die ich kenne haben einen mehr als nennenswerten Rückstrom. Gemessen habe ich über 150mA bei einem LEAB, einem ähnlich teuren, 60mA bei einem CTEK und ähnlich Grausamkeiten. In vielen Lagerhallen ist ein dauerhafter Stromanschluss natürlich verboten, da einig Honks sich einen Heizlüfter mit Frostsicherung ins Wohnmobil oder Boot gestellt haben und damit schon mehrere Hallen abgefackelt haben. Die Versicherungen freuen sich dann nicht zahlen zu müssen wegen grober Fahrlässigkeit. mfg Michael
Michael_O schrieb: > 60mA bei einem CTEK Das deckt sich mit meinen Messungen. Wir haben hier 11 24V CTEKS bei diversen Wagen im Betrieb. Die hängen 24/7 am Netz, wenn die nicht unterwegs sind. Was spricht dagegen die Batterie auszubauen und zuhause im warmen an einem Ladegerät zu überwintern?
Hallo, habe seit Jahren einfach einen Hauptschalter eingebaut und nachladen musste ich noch Nie seit 8 Jahren. Steht von 1.11. bis 31.04. in einer Ungeheizten Halle https://www.real.de/product/316411868/?kwd=&source=pla&id_unit=381764197197&gclid=CKrn5ZzWstMCFasp0wodl9YHGQ sitzt bei mir einfach in der Minus Leitung Vorteil gleichzeitig ein schöner kleiner Diebstahlschutz. Susi
5 Monate Sulfatirung über 8Jahre mit einer Batterie würde mich interessieren wieviele Ah jetzt noch entnehmbar sind. Bei der letzten Messung einer 200Ah Bleigel waren unter solchen Bedingungen noch 15Ah bis zur 10V Grenze zu bekommen.
Hallo mag sein nur stimmt deine Rechnung nicht ganz im Betrieb wird ja auch wieder Desulfatiert durch Hochstromendnahme und ich geb zu gelegentliches Nachladen im Betrieb (Campingplatz) mit einem CTek. Aber Ich hab nur eine 56Ah Batterie für Wohnraum und Start also kann es im echten Womo Betrieb mit der Wohnraum Batterie schon Probleme geben die sich aber auch in den Griff bekommen lassen. Susi
Ich gebe zwar zu nur einen Wohnwagen zu haben, aber bei zwei mal 60Ah und überwiegend LED Beleuchtung muß ich die Hochstromentnahme schon mit einem 230V Wandler und z.B. der Heizung im Warmwasserboiler simulieren um am auf mehr als ein paar Ampere zu kommen. Im Schiff sieht dann etwas anders aus, da schaff ich mit Staubsauger, Herd, Waschmaschine oder Geschirrspüler schon einiges an Belastung über den 2kW Wandler. Beide werden aber von der Solaranlage fast immer über 13V gehalten. mfG Michael
Es ging darum den PROFET BTS555 als Trenn-Relais einzusetzen, nicht um Überwinterungs-Fragen, bitte beim Thema bleiben
Der TO will eine Schaltung bauen um die Tiefentladung eines Akkus zu verhindern. Wenn man dann nachfragt ob ein nicht abgeschalteten Verbraucher überhaupt ursächlich für den Akkutot ist, gehört das imho sehr wohl zum Thema. mfg Michael
war aber nicht die Frage von mir an den TO, als ich den Beitrag wieder hoch geholt habe ... Egal, da der TO eh nicht geantwortet hat, könnt Ihr ja euch noch weiter über tiefentladene Akkus auslassen
Ralf G. schrieb: > Egal, da der TO eh nicht geantwortet hat, Dann schreibe ihn doch direkt an. Eher selten das einer über mehrere Jahre auf Antworten in Foren wartet. Die Sache hat aber einen Haken damit das dem Akku zugute kommt braucht es einen Mindeststrom so etwa >= C/10, fällt der kleiner aus ist die Spannung mit 10,5V zu niedrig gewählt und der Akku ist komplett entladen bevor abgeschaltet wird.
Bitte melde dich an um einen Beitrag zu schreiben. Anmeldung ist kostenlos und dauert nur eine Minute.
Bestehender Account
Schon ein Account bei Google/GoogleMail? Keine Anmeldung erforderlich!
Mit Google-Account einloggen
Mit Google-Account einloggen
Noch kein Account? Hier anmelden.
