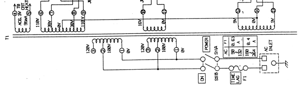
Guten Tag, ich habe hier ein amerikanisches Oszilloskop und ich will das mit 240V betreiben. Ein Auszug aus dem Powersupply ist angehängt. Im Gerät ist jeweils an Pins 3 der Primärseite die Phase und an den Pins 1 der Nullleiter. Ich wollte mich nur vergewissern, dass ich Pin 1 und 1 von den Primärspulen kurzschließen und an Pins 3 jeweils Phase und Null anlegen kann, ohne etwas in die Luft zu jagen. (Ich habe leider keine Lust das Ding komplett zu zerlegen und die Sekundärseite zu messen). Natürlich würde ich die Sicherung mit einer .4A tauschen, wie in der Zeichnung abgebildet. Danke und viele Grüße
So würden die Primärspulen vermutlich gegeneinander arbeiten, das willst Du nicht wirklich. ;-) Ich würde Pin 1 der rechten Primärspule auf "Nullleiter" lassen, dessen Pin 3 mit Pin 1 der linken Spule verbinden und mit dem Pin 3 der linken Spule auf "Phase" gehen. mfg
Dietrich Müller schrieb: > Guten Tag, > ich habe hier ein amerikanisches Oszilloskop und ich will das mit 240V > betreiben. > Ein Auszug aus dem Powersupply ist angehängt. > > Im Gerät ist jeweils an Pins 3 der Primärseite die Phase und an den Pins > 1 der Nullleiter. Ich wollte mich nur vergewissern, dass ich Pin 1 und 1 > von den Primärspulen kurzschließen und an Pins 3 jeweils Phase und Null > anlegen kann, ohne etwas in die Luft zu jagen. Nein, den Anschluss am unteren (1) lässt Du so wie er ist. Die Verbindung (1) (1) trennst Du auf. Dann verbindest Du den unteren (3) mit den oberen (1). Alle Anschlüsse an (2) entfernst Du. Als letztes verbindest Du den oberen (3) mit dem zweiten Pol des Schalters. Gruss Harald
Danke, funktioniert super. Angenommen ich hätte die Pins nach meiner Idee belegt. Was genau würde da "entgegenwirken"?
Dietrich Müller schrieb: > Angenommen ich hätte die Pins nach meiner Idee belegt. > Was genau würde da "entgegenwirken"? Naja, es hätte eine Art Wettrennen gegeben: Was brennt schneller durch, Dein Trafo oder die Sicherung? Gruss Harald
Dietrich Müller schrieb: > Danke, funktioniert super. > Angenommen ich hätte die Pins nach meiner Idee belegt. > Was genau würde da "entgegenwirken"? In dem von Dir angenommenen Fall: Der Trafokern wird schlicht in Sättigung magnetisiert, und damit steigt der Primärstrom sehr stark an. Die Sicherung (richtig dimensioniert) löst dann aus.
A.Max S. schrieb: > Der Trafokern wird schlicht in Sättigung magnetisiert, und damit steigt > > der Primärstrom sehr stark an. Es stimmt, daß der Primärstrom stark ansteigt. Das hängt aber nicht mit der Sättigung zusammen. Die Magnetfelder heben sich nämlich auf! Damit wirkt nur noch der ohmsche Widerstand der Wicklungen, und der ist sehr gering - im Vergleich zum induktiven Scheinwiderstand.
Bitte melde dich an um einen Beitrag zu schreiben. Anmeldung ist kostenlos und dauert nur eine Minute.
Bestehender Account
Schon ein Account bei Google/GoogleMail? Keine Anmeldung erforderlich!
Mit Google-Account einloggen
Mit Google-Account einloggen
Noch kein Account? Hier anmelden.
