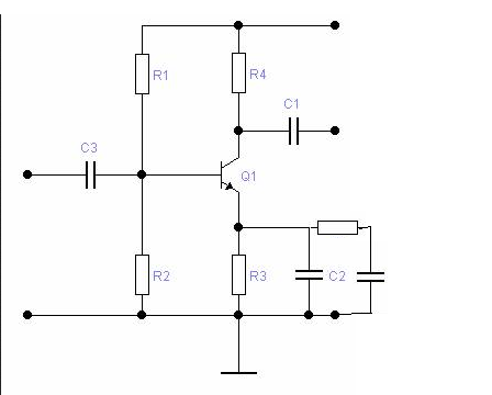
Tag Zusammen, Ich beschäftige mich momentan mit dem Transistor, da ab März mein Etechnikstudium beginnt und ich mich ein wenig vorbereiten will. Nun habe ich eine Frage. Ich habe als Anhang eine Emitterschaltung angehängt. Meine Frage bezieht sich auf den Emitter. Die Funktion von dem Widerstand und dem dazugehörigen parallelen C ist mir eigentlich klar. Das Potential des Emitters wird doch durch den Kondensator konstant gehalten, es kann Wechselsignale nicht folgen. Also das ist doch eine Stromgegenkopplung. m Endefekt sorgt doch der Widersand für eine kleinere Verstärkung. Stimmt doch alles oder?? Doch nun habe ich in der Literatur noch einen Widerstand und Kondensator in Reihe endeckt. Leider fehlte dazu eine Erklärung und ich kann mir beim besten willen die Funktion bzw. den Nutzen von den Widerstand und C in Reihe nicht erklären. Ist das für die Bandbreite?? Für die Spannungsverstärkung?? Ich hoffe mir kann geholfen werden. MFG Tanja
Stromgegenkopplung, ja. Kleinere Verstaerkung bei DC, ja. Diese wird bei AC mit zunehmender Frequenz aber aufgehoben. Weil der Emitterwiderstand kurzgeschlossen wird. Bei der Frequenz entsprechend RC.
Vor.Troll schrieb: > Stromgegenkopplung, ja. Kleinere Verstaerkung bei DC, ja. Diese wird bei > AC mit zunehmender Frequenz aber aufgehoben. Weil der Emitterwiderstand > kurzgeschlossen wird. Bei der Frequenz entsprechend RC. Und was macht dann der Widerstand und der Kondensator in Reihe noch dazu?? Verstärkt die diesen Effekt?? Die werden ja auch bei hohen Freuqenzn kurzgeschlossen, also versteh ich den sinn ned ganz dahinter??
> Und was macht dann der Widerstand und der Kondensator in Reihe noch > dazu?? Verstärkt die diesen Effekt?? Die werden ja auch bei hohen > Freuqenzn kurzgeschlossen, also versteh ich den sinn ned ganz dahinter?? Der Sinn dahinter ist, die Abnahme des Emitterwiderstandes mit der Frequenz auf den Wert R3//R5 zu begrenzen. Dies ist z.B. nötig um eine bestimmte Verstärkung oder Eingangssignalverträglichkeit einzustellen.
Ah ok ich verstehe. Vielen Dank. Aber einen Einfluß auf die Bandbreite hat der Kondensator dann nicht oder??? Zu welchen Werten wählt man diese dann?? Größer oder kleiner wie die Parallelschaltung??? MFG Tanja
Der Cap in Serie zum Widerstand ist groesser wie der alleinige Cap. Dann kriegt man zwei Knicke in der Uebertragunsgfunktion.
Ok danke für die Hilfe. Aber das mit der Übertragungsfunktion und 2 knicke geht zu weit für mich...
> Aber einen Einfluß auf die Bandbreite hat der Kondensator dann nicht > oder??? Der Begriff Bandbreite ist an der Stelle nicht gut. Der Kondensator beeinflusst die Frequenz, ab der die Parallelschaltung des RC-Gliedes zu R3 zu wirken beginnt. > Zu welchen Werten wählt man diese dann?? Größer oder kleiner wie die > Parallelschaltung??? Hängt davon ab was die Schaltung genau machen soll.
Hallo Tanja, so wirkt sich das ungefähr aus (vgl. Anlage): Ohne R5-C3 ist die Verstärkung zwischen ca. 50kHz - 10MHz bei ca. 40-44db Die Frequenzen darunter werden kaum verstärkt (ca. 4db) Schaltet man jetzt R5-C3 hinzu, ergibt sich der Frequenzverlauf wie abgebildet: Die Verstärkung für Frequenzen zwischen ca. 25Hz - 1kHz wird jetzt zusätzlich auf ca. 16db angehoben. Die Verhältnisse lassen sich je nach Wahl der Bauteile entsprechend anpassen. Versuchs doch auch mal mit LTSpice, der kostenlosen Simulationssoftware... mfG Ottmar
Wow vielen Dank für deine Mühen. Also wenn ich dich richtig verstanden habe, dann erreiche ich dadruch eine bessere untere Grenzfrequenz??? Bloß verstehe ich nicht was die ersten beiden Graphen jetzt genau aussagen?? Der blaue ist ja dann direkt am Ausgang und gibt den Frequenzgang wieder.
Bitte melde dich an um einen Beitrag zu schreiben. Anmeldung ist kostenlos und dauert nur eine Minute.
Bestehender Account
Schon ein Account bei Google/GoogleMail? Keine Anmeldung erforderlich!
Mit Google-Account einloggen
Mit Google-Account einloggen
Noch kein Account? Hier anmelden.

