Hat jemand eine Idee oder Erfahrungen mit der Erzeugung akustischer Breitband-Rauschsignale? Ich brauche eine Möglichkeit bis ca. 100KHz einen halbwegs abschätzbaren Pegel akustisch zu erzeugen, damit ich Sensoren vergleichen kann. Geht hauptsächlich um den Frequenzbereich ab 20KHz aufwärts. Genau da wo Lautsprecherhersteller auch nichts mehr angeben ;-) Erst dachte ich an einen Wasserfall, der ja ziemlich breitbandig Rauschen erzeugt. Ist aber umständlich. Dann kam ich auf einen Eimer, der von einem Motor angetrieben und mit Sand gefüllt ist. Man könnte den Sensor dann vor den Eimer positionieren. Aber wie sieht das Spektrum außerhalb des Hörbereichs aus? Eventuell ist dort nicht mehr viel zu finden. Bessere Ideen? Kann man z.B. bei der Sandgeschichte mathematisch das zu erwartende Spektrum bestimmen? Oder gibt es einen guten Breitband-Hochtonlautsprecher? Bei Tweetern findet man einfach nichts gescheites. Sind halt für Menschen gedacht. Klick-Impulse bis weit in den Ultraschallbereich kann man z.B. mit dem Fingernagel oder Schlüsselbund erzeugen. Vielleicht kennt jemand ne (herstellerunabhängige) Datenbank mit suchbaren Frequenzbereichen für Lautsprecher? Mal wieder ratlos - Abdul
>Erst dachte ich an einen Wasserfall, der ja ziemlich breitbandig >Rauschen erzeugt. Ist aber umständlich. >Dann kam ich auf einen Eimer, der von einem Motor angetrieben und mit >Sand gefüllt ist. Man könnte den Sensor dann vor den Eimer >positionieren. Grins... Abdul, gehts dir gut? Oder ist schon April?
http://de.wikipedia.org/wiki/Plasmahocht%C3%B6ner linear bis 100kHz :-) das Rauschen zu erzeugen ist eine einfache Übung, weisses, rosa oder sonst irgend eines.
Das Stichwort lautet "MLS", was für "Maximum Length Sequence" steht. Das ist ein Rauschsignal mit exakt definiertem 'Inhalt' (weißes Rauschen) und lässt sich digital erstellen (entsprechend langes Schieberegister mit EXOR-'Rückkopplung') und für den gewünschten Freq.-Bereich einfach per (analogem) Filter 'abschneiden'. Oder mit zusätzlichem -3dB/Oct.-Filter hat man ein Rosa-Rauschsignal. :-) Problematischer wird da schon die Abstrahlung in Deinem gewünschten Frequenzbereich mittels eines 'Lautsprechers'. Ich habe zwar so einen exzellenten (Bändchen-)Hochtöner, der immerhin für Ultraschallanwendungen bis 100kHz entwickelt wurde, aber aus laufender Produktion gibt es den heute nicht mehr (war schon weit vor der Jahrtausendwende abgekündigt, wenn ich mich recht erinnere). Es ist das legendäre Technics TH800, aber bei ebay kann man noch welche finden (gelegentlich für 300...400 Euro das Stück/Paar).
Also HIFI-Komponenten sind in aller Regel nicht auf lineare Frequenzgänge optimiert, sondern auf "guten Klang", was nicht immer das Gleiche sein muss. Die Frage ist, ob Du das Problem nicht auch anders lösen kannst. Was willst Du denn machen? Eine Sache die Du zum Beispiel machen könntest ist, Dir ein Messmikrophon besorgen/ausleihen (Kostenpunkt ab 300 Euro oder so, ggf. mehr für Deine Frequenzbereiche) und damit mal einen Piezo Hochtöner zu kalibrieren. Sprich Du nimmst den Frequenzgang auf, und verzerrst Dann Dein Rauschen entsprechend vor. In dem Frequenzbereich solltest Du Reflexionen schon ganz brauchbar mit Wandteppichen usw weg bekommen.
>...und lässt sich digital erstellen (entsprechend langes Schieberegister >mit EXOR-'Rückkopplung')... Die übliche Schaltung dazu mit dem CMOS4006 kann aber nicht völlig befriedigen, weil an einer Stelle der Sequenz ein kurzer Pfeifton hörbar wird. Ich erzeuge weißes Rauschen deshalb lieber mit einem hochohmigen Widerstand.
Raimund Rabe schrieb: > Das Stichwort lautet "MLS", was für "Maximum Length Sequence" steht. > Das ist ein Rauschsignal mit exakt definiertem 'Inhalt' (weißes > Rauschen) und lässt sich digital erstellen (entsprechend langes > Schieberegister mit EXOR-'Rückkopplung') und für den gewünschten > Freq.-Bereich einfach per (analogem) Filter 'abschneiden'. Oder mit > zusätzlichem -3dB/Oct.-Filter hat man ein Rosa-Rauschsignal. :-) > Ist mir alles klar. Es geht wirklich um den Wandler. > Problematischer wird da schon die Abstrahlung in Deinem gewünschten > Frequenzbereich mittels eines 'Lautsprechers'. > Ich habe zwar so einen exzellenten (Bändchen-)Hochtöner, der immerhin > für Ultraschallanwendungen bis 100kHz entwickelt wurde, aber aus > laufender Produktion gibt es den heute nicht mehr (war schon weit vor > der Jahrtausendwende abgekündigt, wenn ich mich recht erinnere). Es ist > das legendäre Technics TH800, aber bei ebay kann man noch welche finden > (gelegentlich für 300...400 Euro das Stück/Paar). Du wirst lachen, der schwirrt ganz hinten im Hirn rum. Muß ich vor langer Zeit mal drüber gelesen haben. Ist der echt so gut? Aber der Preis geht nicht! Gutes Mikro habe ich. Also, es nicht ein Aprilscherz. Beim googlen bin ich über Körperschallwandler gestolpert. Wäre das was?
Das ist alles nicht wirklich deterministisch. Man muss ewig lange messen und integrieren, bis man sicher sein kann, alle Frequenzen statistisch gleichwertig appliziert zu haben. Es gibt eigentlich nur 2 Möglichkeiten, das korrekt zu tun: 1) Alle Frequenzen nacheinander 2) Alle Frequenzen gleichzeitig 1 geht nicht weil man einen unendlich langen sweep braucht und 2 nicht, weil das ein Gleichstrom ist. Also: Gepulstes Signal mit definierter Bandbreite und die Ergebnisse überlagern. Beispiel: Stufenförmiger sweep mit prozentualem Inkrement und gfs einige Oberwellen. Das ganze einmal vorwärts, einmal rückwärts. Abdul K. schrieb: > Oder gibt es einen guten Breitband-Hochtonlautsprecher? Ich kenne da nichts. Im Audiobereich gehen Studiommonitore bis etwa 50kHz, aber der Frequenzgang ist jenseits der 30kHz abenteuerlich. Es führt nichts an einer Kombination von einzelnen ultraschalltauglichen Lautsprechern vorbei. Einmessen muss man sie auch.
Kai Klaas schrieb: >>...und lässt sich digital erstellen (entsprechend langes Schieberegister >>mit EXOR-'Rückkopplung')... > > Die übliche Schaltung dazu mit dem CMOS4006 kann aber nicht völlig > befriedigen, weil an einer Stelle der Sequenz ein kurzer Pfeifton hörbar > wird. Ich erzeuge weißes Rauschen deshalb lieber mit einem hochohmigen > Widerstand. Hmmmm, dann poste mal die Schaltung, sofern Du sie noch hast. Mit dem 4006 habe ich sie noch nicht aufgebaut, aber evtl. ist die 'Rückkopplung nicht richtig, weswegen sie an einer 'Stelle' zu 'pfeifen' scheint. Passt denn die Wiederholrate des Pfeifftons mit der errechneten Länge der MLS bei gegebener Taktrate überein?
Bosi schrieb: > Das ist alles nicht wirklich deterministisch. Man muss ewig lange messen > und integrieren, bis man sicher sein kann, alle Frequenzen statistisch > gleichwertig appliziert zu haben. > > Es gibt eigentlich nur 2 Möglichkeiten, das korrekt zu tun: > > 1) Alle Frequenzen nacheinander > 2) Alle Frequenzen gleichzeitig zu 2): Stichwort "Dirac-Impuls"!!! > Abdul K. schrieb: >> Oder gibt es einen guten Breitband-Hochtonlautsprecher? > Ich kenne da nichts. Im Audiobereich gehen Studiommonitore bis etwa > 50kHz, aber der Frequenzgang ist jenseits der 30kHz abenteuerlich. > > Es führt nichts an einer Kombination von einzelnen ultraschalltauglichen > Lautsprechern vorbei. Einmessen muss man sie auch. Der Technics TH800 ist ein Wandler der sehr linear (auf Achse) bis 100kHz geht. Ich kann mich noch an einen entsprechenden Meßschrieb erinnern, aber wie so oft mangelt es jetzt am Finden, sch... Umzug. :-( Da mache ich mir jetzt keine Hoffnungen mehr ihn in akzeptabler Zeit zu finden. Aber da er vmtl. eh wg. dem hohen Preis aus dem 'Raster' fällt ... A propos, von welcher abzustrahlenden Leistung reden wir dabei eigentlich, µW, mW, W, ...?
Wenn du den Frequenzgang von einem Hochtöner abschätzen willst dann stelle einfach mal zwei davon in 10cm Abstand gegenüber und außen herum ein wenig lockeren Stoff um die Reflektionen zu dämpfen. Ich habe das vorhin mal schnell an ein paar kleinen Kalotten aus der Bastelkiste ausprobiert, eigentlich alle gehen bis 30 oder 40kHz und manche auch locker bis 70kHz. Das größere Problem ist der enger werdende Abstrahlwinkel und bei den billigen Plastikmembranen massive Resonanzen (Chladnische Klangfiguren).
Was hälst du von ausströmender Druckluft? Durch ein dünnes kurzes Röhrchen, am besten mit überschallschneller Strömung. Sollte schon mit 6Bar zu machen sein.
Habe ich noch nie gehört! Kenne nur Lochsirenen. Was sind das für Kalottentypen?
>akustisches Rauschnormal >akustischer Breitband-Rauschsignale Erst sollte man Quellen haben und die vermessen koennen... Aber das wird wahrscheinlich die Anwendung sein. Quellen vergleichen zu koennen. So eine Rausch-Quelle sollte natuerlich stabil sein. Was ich einer Duese nicht zutrauen wuerde. Denn der Ultraschall wird kavitative Wirkung haben. Als Duese irgendwas zwischen einem offenen Ende und einer Laval.
маленький шумный зомби schrieb: >>akustisches Rauschnormal >>akustischer Breitband-Rauschsignale > > Erst sollte man Quellen haben und die vermessen koennen... Aber das wird > wahrscheinlich die Anwendung sein. Quellen vergleichen zu koennen. So > eine Rausch-Quelle sollte natuerlich stabil sein. Was ich einer Duese > nicht zutrauen wuerde. Denn der Ultraschall wird kavitative Wirkung > haben. > Ich hänge momentan immer noch an der Sand-Idee. Was besseres habe ich bislang nicht gehört, wenn man den Preis mit einbezieht. Möchte letztlich US-Konverter testen. Vermutlich am Ende selbstgebaut bzw. kaufbarer Lautsprecher als Sender/Empfänger mit einer mechanischen Restmimik verbinden. Zum Ausmessen reihen daher mW. > Als Duese irgendwas zwischen einem offenen Ende und einer Laval. Was soll das sein, ein Laval? Google bringt da nix gescheites. Hm. Also wenn man zwei gleichartige reziprok wirkende Lautsprecher in der Übertragungskette hat, wird doch die Übertragungsfunktion quadriert?? Macht es Sinn, sich die Thule-Dingens Parameter zu suchen? Wie konvertiert die man in SPICE, damit man eine optimale elektrische Anschaltung simulieren kann?
Christian Berger schrieb: > Also HIFI-Komponenten sind in aller Regel nicht auf lineare > Frequenzgänge optimiert, sondern auf "guten Klang", was nicht immer das > Gleiche sein muss. Da frage ich mich aber irritiert, was bei dir HiFi bedeutet... Logitech? Creative?
Bosi schrieb: > 2) Alle Frequenzen gleichzeitig > > 1 geht nicht weil man einen unendlich langen sweep braucht und 2 nicht, > weil das ein Gleichstrom ist. Das ist weißes Rauschen.
Abdul K. schrieb: > Macht es Sinn, sich die Thule-Dingens Parameter zu suchen? > Wie konvertiert die man in SPICE, damit man eine optimale elektrische > Anschaltung simulieren kann? Du meinst sicher Thiele-Small Parameter. ein SPICE Modell - bitteschön
Danke schön! Aber was soll ich mit einem 2-Pol? Sind die vier Parameter direkt mit den TS-Parametern gleichzusetzen oder muß man irgendwas umrechnen? Oder ein Scherz? April ist noch nicht da!! http://en.wikipedia.org/wiki/Admittance_parameters Hast du vielleicht eine Variante mit Parametern eines echten Lautsprechers?
Der 2-Pol ist ein Zweittor oder ein Vierpol ;-) Die vier Parameter sind natürlich nicht die TS-Parameter, sondern müssen umgerechnet werden. Y11 - mechanische Admittanz Y22 akustische Admittanz Y12=Y21 Kreuzkoeffizienten Beispiele dazu findest du u.a. hier: http://www.amazon.de/Electromechanical-Systems-Microtechnology-Mechatronics-Interactions/dp/3642108059/ref=sr_1_1?ie=UTF8&qid=1363172451&sr=8-1 http://www.oldenbourg-verlag.de/wissenschaftsverlag/verallgemeinerte-netzwerke-mechatronik/9783486712612
>> Als Duese irgendwas zwischen einem offenen Ende und einer Laval. >> >Was soll das sein, ein Laval? Google bringt da nix gescheites. http://de.wikipedia.org/wiki/Lavald%C3%BCse Ist im Wesentlichen adiabatische Dekompression. Hat gegenueber dem Sand eine andere Lautstaerke... Man will ja nicht gleich einen Kipper leeren.
PeterL schrieb: > http://de.wikipedia.org/wiki/Plasmahocht%C3%B6ner > > linear bis 100kHz :-) der isses doch. was dagegen?
Hi, Abdul,
> ...akustischer Breitband-Rauschsignale?
Bei Heinrich Hertz abgeschaut: Zwei Kugelelektroden unter Hochspannung,
bis es blitzt.
Zwar kein Rauschen, aber als kurzer Knack trotzdem brauchbar, weil
beständig, breitbandig - und weil die Amplitude physikalisch von der
Ladung her ableitbar sein muss, die im Blitz da ausgetauscht wird.
Ich habe in meiner Bastelkiste ein paar Piezo-Zünder für Ölbrenner.
Macht Spass, mit ein wenig Drücken, bis der interne Hammermechanismus
zuschlägt, mehrere cm Blitz zu ziehen.
Kugelelektrode gegen den Abbrand.
Ciao
Wolfgang Horn
Zwoelf von Neunzehn schrieb: >>> Als Duese irgendwas zwischen einem offenen Ende und einer Laval. >>> >>Was soll das sein, ein Laval? Google bringt da nix gescheites. > > > http://de.wikipedia.org/wiki/Lavald%C3%BCse > > Ist im Wesentlichen adiabatische Dekompression. Hat gegenueber dem Sand > eine andere Lautstaerke... Man will ja nicht gleich einen Kipper leeren. Aha. Klingt aber nicht gerade wie Rauschen, wenn ich an die Mondfahrt-Filme denke. Aber ein offener Pressluftschlauch schon eher.
Maus schrieb: > PeterL schrieb: >> http://de.wikipedia.org/wiki/Plasmahocht%C3%B6ner >> >> linear bis 100kHz :-) > > der isses doch. was dagegen? Nein, nur der Preis.
Joe G. schrieb: > Der 2-Pol ist ein Zweittor oder ein Vierpol ;-) Stimmt. > Die vier Parameter sind natürlich nicht die TS-Parameter, sondern müssen > umgerechnet werden. > Y11 - mechanische Admittanz > Y22 akustische Admittanz > Y12=Y21 Kreuzkoeffizienten > > Beispiele dazu findest du u.a. hier: > http://www.amazon.de/Electromechanical-Systems-Microtechnology-Mechatronics-Interactions/dp/3642108059/ref=sr_1_1?ie=UTF8&qid=1363172451&sr=8-1 > http://www.oldenbourg-verlag.de/wissenschaftsverlag/verallgemeinerte-netzwerke-mechatronik/9783486712612 Nicht schlecht für einen Feinmechaniker. Ungeahnte Ressourcen. Du beherrschst die Modellierung in SPICE von mechanischen Systemen? Ich vermute mal, ich komme da nicht weit. Was weiß ich wie sich Materialien bei Ultraschall verhalten und wie ich das in SPICE abbilde.
zu teuer? http://store.studentrnd.org/products/plasma-speaker oder komplett diy: http://www.plasmatweeter.de/
>>> linear bis 100kHz :-) >> >> der isses doch. was dagegen? > > Nein, nur der Preis. Papperlapapp Los, Abdul, ich bin auch für Plasma. Oder willst du etwa die größte Sanduhr der Welt bauen? ;-)
Ich schau mir das natürlich alles an, danke!! Aber Plasma vs. Sandeimer geht sicherlich erstmal eindeutig für den Eimer aus. Die letzte klassische Röhre habe ich vor über 30 Jahre betrieben und Ahnung hatte ich damals keine. Bei dem Link zu den Students fand ich die Aufbauanleitung nicht bzw. keinen Schaltplan. Bin ich zu doof?
Hier http://www.mh-audio.nl/Plasmaspeaker.asp wirds per PWM gemacht. Die Verschmelzung von D-Amp und Ionen-Tweeter. Hier http://www.ece.villanova.edu/~cdanjo/schematics.html und hier http://www.hardcoreaudio.de/plasmatweeter.htm mit EL/PL519 und BU208A
Rolf Schneider schrieb: > Hier > http://www.mh-audio.nl/Plasmaspeaker.asp > > wirds per PWM gemacht. > Die Verschmelzung von D-Amp und Ionen-Tweeter. > Klingt interessant, weil wirklich einfache Schaltung. Tote TVs habe ich auch rumliegen. Werde mir mal die Videos ansehen.
Bei D-Amps ist die Taktfrequenz ja mindestens 15x höher als die höchste zu übertragende Frequenz....
Abdul K. schrieb: > Vor 2 Jahren baute ich einen mit 3MHz. Cool. Läuft er noch? 3MHz ist viel! Die UcDs sollen super klingen und haben super Daten. Laufen mit ca. 350...400kHz. Selbstschwingend + post filter-feedback ist der "magic trick"...
War nur ne Studie und lief einige Monate am PC als Kopfhörerverstärker. Genau so hatte ich es gemacht und danach ging ich auf die Suche und fand auch den UcD ;-) Klang gut. Völlig ausreichend für MP3 192KHz. Vielleicht nicht High-End, aber eh nur Steckbrett und primitives 2-poliges Ausgangsfilter.
http://www.mh-audio.nl/Articles/SparkSpeaker.pdf sehe hier gerade: 741 im Signalzweig (der luftige Hochton-Bereich, wohlgemerkt), gefolgt von Komplementär-Emitterfolger mit direkt verbundenen Basen - hard core class B - und damit dann auf mehrere 2N3055 und dann auf KFZ-Zündspulen.... Oder träum ich schon? Das haut mich für heute doch glatt aus den Socken.....
Nein, ich meine das Bild direkt auf der Website mit dem TL494: http://www.mh-audio.nl/gif/plasma/arc-speaker_TL494.png Ultimativ wird das nicht sein, brauch ich aber auch nicht. Übernahmeverzerrungen im Basisband gibts bei Class-D ja schönerweise nicht.
Abdul K. schrieb: > Nein, ich meine das Bild direkt auf der Website mit dem TL494: Ist schon klar. Hier http://www.mh-audio.nl/Articles/SparkSpeaker.pdf geht es aber nicht um PWM, sondern analoge Verstärkung...
Bosi schrieb: > 1) Alle Frequenzen nacheinander > 2) Alle Frequenzen gleichzeitig > > 1 geht nicht weil man einen unendlich langen sweep braucht und 2 nicht, > weil das ein Gleichstrom ist. Es geht nicht um "alle Frequenzen", sondern um den Bereich 20..100kHz Da relativiert sicht die Länge von "unendlich" und der Gleichstrom wird zu unhörbar hohem Pfeifen ;-)
Da es ja um einen linearen Frequenzgang geht, stellt sich mir die Frage nach der Linearität des physikalischen Wandlerprinzips. Die NF-Modulation des Lichtbogens scheint mir eine Temperaturmodulation zu sein. Welchen Zusammenhang gibt es dort eigentlich und ist dieser Zusammenhang linear? Wie erfolgt die Wandlung der Temperaturänderung in Luftschall? Isobar, isochore, adiabatisch? Fragen über Fragen.
@Joe G. grob gesagt, ändert sich durch die Modulation die "Dicke" des Lichtbogens. er verdrängt also mehr oder weniger Luft.
PeterL schrieb: > grob gesagt, ändert sich durch die Modulation die "Dicke" des > Lichtbogens. Was führt dich zu dieser Annahme?
Meine naive Vorstellung sagt mir, dass der Lichtbogen (das ionisierte Gas oder Plasma) einen negativen differenziellen Widerstand hat. Damit fällt eine thermische Leistung am Widerstand (Lichtbogen) ab, der sich direkt in einer Temperaturerhöhung auswirkt. Moduliere ich nun den Lichtbogen, moduliere ich die thermische Leistung und damit die Temperatur des Lichtbogens.
Rolf Schneider schrieb: > Abdul K. schrieb: >> Nein, ich meine das Bild direkt auf der Website mit dem TL494: > > Ist schon klar. > > Hier > http://www.mh-audio.nl/Articles/SparkSpeaker.pdf > geht es aber nicht um PWM, sondern analoge Verstärkung... Hm. Sieht komisch aus und da es mit meinem Projekt wenig zu tun hat, habe ich das nicht näher gesichtet. Oder gibts da einen Zusammenhang zur TL494 Schaltung?
Joe G. schrieb: > Meine naive Vorstellung sagt mir, dass der Lichtbogen (das ionisierte > Gas oder Plasma) einen negativen differenziellen Widerstand hat. Damit > fällt eine thermische Leistung am Widerstand (Lichtbogen) ab, der sich Öh. Nein! Da Wärmeleistung abgegeben wird, kann der Widerstand nicht negativ sein - das wäre dann ein Generator!! Die Wärmeabgabe kommt von der Brennspannung von vielleicht 10V * Strom. Der negative differentielle Widerstand wirkt obendrauf im Sinne der Regelung. > direkt in einer Temperaturerhöhung auswirkt. Moduliere ich nun den > Lichtbogen, moduliere ich die thermische Leistung und damit die > Temperatur des Lichtbogens. Nun, der äußere Luftdruck wird das Gas wieder zusammenquetschen. Wie linear das ist, weiß ich nicht. Schaut man sich das erste Video auf der Seite an, klingt es aber nicht so schlecht. Oft beeinflussen die Aufnahmebedingungen stärker als das Target. Erstaunlicherweise ist der Lichtbogen sehr stabil. Hatte da mehr Rauschen oder 'Krächzen' erwartet. Wo ich noch ein Fragezeichen sehe: Xenon-Stroboskope lassen sich nicht so schnell modulieren. Das hatte ich vor langer Zeit getestet. Bei ca. 1KHz ist bei denen Schluß! Vielleicht liegt der Unterschied am Gasdruck? Ist allerdings bei einer solchen Röhre auch DC! Hm. Kerzenflammen leiten doch auch. Vielleicht reicht das.
Abdul K. schrieb: > Öh. Nein! Da Wärmeleistung abgegeben wird, kann der Widerstand nicht > negativ sein - das wäre dann ein Generator!! Ich sprach auch nicht von einem negativen Widerstand, sondern von einem negativen differenziellen Widerstand (!). Dabei bleibt die Verlustleistung immer noch das Produkt aus Strom und Spannung. Allerdings nimmt der Strom mit abnehmender Spannung zu. So wie ich mich erinnere, trifft das genau für einen Lichtbogen zu.
Abdul K. schrieb: > Oder gibts da einen Zusammenhang zur > TL494 Schaltung? Nein, nein, ich war die Nacht im Overview-Modus und hab nur etwas rum-geschmökert. Aber die PWM-Idee ist es wert, mal näher untersucht zu werden. Wie du ja selbst schon gesagt hast, ist die TL494 Schaltung, so wie sie ist, ungeeignet. Ich weiß ja nicht, was Onkel Shannon und seine Kumpels zu einer Schaltfrequenz ab 4,5kHz bei einer Signalfrequenz von bis zu 20kHz sagen würden... Kann es mir aber denken... Und jetzt geht es ja bis 100kHz...
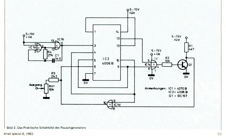
>Hmmmm, dann poste mal die Schaltung, sofern Du sie noch hast.
Es handelt sich um die Schaltung aus dem Anhang, die ich 1983 nachgebaut
habe. Die ELRAD hatte dazu auch ein Layout veröffentlicht, das man aus
heutiger Sicht nur als katastrophal bezeichnen kann: Keine durchgehende
Massefläche, gar keine Entkoppelcaps an den Chips und in der gesamten
Schaltung und dazu spindeldürre Massebahnen. Vor 30Jahren hatte ich
wenig Ahnung von guten Layouts und auch kein Oszi zur Hand. Also
verschwand die Schaltung, nachdem sie wieder mal nicht funktionierte, in
der Bastelkiste.
Ich habe die Schaltung jetzt mal, also nach 30 Jahren, ans Oszi gehängt
und sehe meine Befürchtungen bestätigt: Störimpulse ohne Ende. Kein
Wunder, daß die Schaltung nicht richtig funktioniert hat. Spendiert man
den beiden Chips aber 100n Entkoppelcaps, funktioniert sie! -> Keine
Pfeifgeräusche mehr...
In den Elektronikzeitschriften wimmelte es damals von solchen
unsäglichen elenden Schrottlayouts und Schrottschaltungen, die letztlich
den schlechten Ruf der Elektonikzeitschriften zu Recht begründet haben.
Für einen Anfänger, der es nicht besser weiß, eine unentrinnbare Falle.
Mein Gott, wie oft habe ich mit meinen Kumpels Schaltungen aus diesen
jämmerlichen Heftchen nachgebaut, die nie funktioniert haben...
Jammer nicht, war bei mir auch so. Die ganzen Effektgeräte hatten schlicht die falschen OpAmps. Deswegen wurden die dann auch selten fertig und noch seltener länger benutzt. Rauschen, Verzerrungen, Frequenzgang wie durch eine 10m lange Röhre, usw. Aber das sieht man ja vor allem bei Software heute wiederkehrend...
Rolf Schneider schrieb: > Abdul K. schrieb: >> Oder gibts da einen Zusammenhang zur >> TL494 Schaltung? > > Nein, nein, ich war die Nacht im Overview-Modus > und hab nur etwas rum-geschmökert. > Dann schreibs doch dazu! > Aber die PWM-Idee ist es wert, mal näher untersucht zu werden. > > Wie du ja selbst schon gesagt hast, > ist die TL494 Schaltung, so wie sie ist, ungeeignet. > > Ich weiß ja nicht, was Onkel Shannon und seine Kumpels Für Signale die nahe einem Sinus sind, reicht ein 5-faches Oversampling aus. Für die typischen Signalformen wie sie mit einem Scope gemessen werden, gehts bei 10x los. > Und jetzt geht es ja bis 100kHz... Der Haken ist nicht die PWM, sondern der Trafo! Man kann zwar einen alten PC-Monitor schlachten und ist dann bei 30-50KHz und nicht bei 16KHz wie beim TV, aber das reicht noch lange nicht!! Ein Trafo bei 3MHz laufend und mit einigen KV am Ausgang wird vermutlich schlicht nicht zu bauen sein.
>Jammer nicht, war bei mir auch so.
Ja, das trennt die Spreu vom Weizen, nicht wahr? Nur die, die von der
Elektronik besessen sind, machen am Ende weiter und lassen sich von den
vielen Rückschlägen nicht davon abbringen...
Abdul K. schrieb: > Ein Trafo bei 3MHz > laufend und mit einigen KV am Ausgang wird vermutlich schlicht nicht zu > bauen sein. Muß ja kein High-End Rauschgenerator werden. Preisfrage: Wieviel Klirrfaktor darf ein Rauschnormal denn haben?
Kai Klaas schrieb: >>Jammer nicht, war bei mir auch so. > > Ja, das trennt die Spreu vom Weizen, nicht wahr? Nur die, die von der > Elektronik besessen sind, machen am Ende weiter und lassen sich von den > vielen Rückschlägen nicht davon abbringen... Nach etwas Überlegen: Das sind dann keine Hobbyisten mehr, sondern Psychopathen. Sieht man ja an mir. Finanziell lohnt es sich auch nur für die wenigsten. Und der Kreis der möglichen Ehefrauen wird dadurch auch extremst eingeschränkt - genauso wie mögliche Freundeskreise. Nur der Teint bleibt meist wie der Hintern eines alten Mönchs ;-))
Rolf Schneider schrieb: > Abdul K. schrieb: >> Ein Trafo bei 3MHz >> laufend und mit einigen KV am Ausgang wird vermutlich schlicht nicht zu >> bauen sein. > > Muß ja kein High-End Rauschgenerator werden. > Wie gesagt, ich bin immer noch für Sand. > Preisfrage: > Wieviel Klirrfaktor darf ein Rauschnormal denn haben? Kann in meinem Fall hoch sein. Sagen wir mal 5%.
Abdul K. schrieb: > Wie gesagt, ich bin immer noch für Sand. Wo kippst du den Sand denn hin? Was machst du anschliessend mit dem hingekippten Sand? Wie stellst du sicher, daß Murphy's Gesetz nicht greift und der Sand kurz vor Ende der Messung alle ist? Fragen über Fragen... Ich sagte ja schon, das läuft auf die größte Sanduhr der Welt hinaus... ;-)
> Ich sagte ja schon, das läuft auf die größte Sanduhr der Welt hinaus...
Genau so ein Rauschnormal hatte ich vor 25 Jahren mal in der Hand. Da
fielen kleine Stahlkugeln aus einem Reservoir schräg gegen eine
metallische Membran und hinunter in einen Auffangbehälter. Das Ding
machte für ein paar Sekunden einen gleichbleibenden Lärm und war auch
geeicht (so etwa 100dB in 10cm Abstand). Das Spektrum war wohl auch
angegeben, habs aber vergessen. Das Gerät wurde in der Studiotechnik als
Normal verwendet.
Sieht man wieder, wozu alte Leute gut sind. Jede Idee war schonmal da. Der mechanische Aufbau ist doch einfach: Stell dir ne Waschmaschine mit Sand teilgefüllt vor. Ich dachte da an einen Plattenspieler-Motor, an dessen Welle ein Schraubglas angebracht ist und dieses ist offen und mit etwas Sand gefüllt. Das Mikrofon schaut in diese Öffnung. Die Achse des Ganzen ist so schräg gestellt, daß der Sand nicht rausrieselt. Genau so eine Vorrichtung kann man auch zum Entgraten von Kleinteilen benutzen. Daher fiel mir diese Lösung denn auch ein, denn vor längerer Zeit sah ich mal so eine Entgratungsmaschine im Web.
ArnoR schrieb: > Da > fielen kleine Stahlkugeln aus einem Reservoir schräg gegen eine > metallische Membran und hinunter in einen Auffangbehälter. Das Ding > machte für ein paar Sekunden einen gleichbleibenden Lärm und war auch > geeicht Interessant... Abdul K. schrieb: > Stell dir ne Waschmaschine mit Sand teilgefüllt vor. > Die Achse des Ganzen ist > so schräg gestellt, daß der Sand nicht rausrieselt. Gute Idee, Abdul Hast du Infos über den Frequenzbereich von rieseldem Sand?
Rolf Schneider schrieb: > Hast du Infos über den Frequenzbereich von rieseldem Sand? Nein! Das war doch meine Eingangsfrage! Oder im engeren Sinne denke ich, wird das ziemlich breitbandig sein mit einer klaren Tendenz zum Schwächerwerden bei höheren Frequenzen. Und es wundert mich, daß bislang niemand sowas berechnete. Bei einem Wasserfall wird es ähnlich sein. Mir fällt da nur die Geschichte mit dem EM-Grundrauschen in der Atmosphäre und deren Hauptquelle neben menschlichen Tun, die Blitze, ein. Von denen es weltweit ca. 100 pro Sekunde sind. Durch Laufzeitverzögerung und Dämpfung beim Umlaufen der Erde und dem Oberwellenspektrum wird daraus dann ein breitbandiges Rauschen. Sowas mathematisch zu betrachten, ist aber über meinem Horizont! Aber vielleicht hatte ich nur die falschen Suchbegriffe.
Mir fällt zum Thema ein Videoclip der fantastischen Vier ein, "unplugged" also nur mit akustischen Instrumenten. Statt des sehr elektronisch klingenden Rauschens im Original läßt Smudo hier irgendwas auf einem Trommelfell herumrieseln. War auf Youtube leicht zu finden.
>Statt des sehr elektronisch klingenden Rauschens im Original läßt Smudo >hier irgendwas auf einem Trommelfell herumrieseln. Ich habe so ein Teil mal als "Regenmaschine" geschenkt bekommen. Sind kleine rund schwarze afrikanische Beeren drin. Wenn du den Bogen raus hast (nicht einfach!), hört sich das wie Regen bzw. Meeresrauschen an.
Frequenzbereiche rieselder Sände http://www.vibrationdata.com/Newsletters/March2006_NL.pdf Zitate: > Desert sand dunes may emit roaring, booming, or singing sounds as the sand grains avalanche down a steep slope. ... The size and texture of the sand grains determine the frequency of the sound. Furthermore, the mechanisms may vary for desert sand dunes and sandy beaches, even though the grain size is similar in each case. Increasing the rate of shear seems to increase its frequency of emission. The oscillation amplitudes that grains in the shear plane experience during a booming event are nearly as large as the grains themselves. Booming sand has a spectrum from 50 to 400 Hz. Squeaking sand has a spectrum from 500 to 2500 Hz. Kotohiki beach in Kyoto, Japan emits a sound similar to the barking of a sea lion. Fig.2 Waterfall FFT Gobi Sand Dunes Acoustic Emission < http://www.sciencedirect.com/science/article/pii/S0032591004002943 Silo music and silo quake: granular flow-induced vibration Fig. 4. Typical power spectrum for 1 s of sound measurements during silo music when sand is discharged from an acrylic tube .... Fig. 10. Power spectra for 1 s of the measurements in Fig. 8. .....
Also Dein Aufbau mit dem Glas am Motor und Sand drinnen ist überhaupt gar nicht linear, weil das Glas ja ein Resonanzkörper ist und Frequenzen verstärkt. Genau das ist ja das tolle an dem Plasmadingsda. Da gibts eben keine klassische Membran oder Resonanzkörper. Sonst probiers doch einfach mal mit Vogelsand ... aber du wirst merken, dass der Sand auf verschiedenen untergründen unterschiedlich klingt. Ich erinner mich, dass die in der PTB auch ein geeichtes Rauschnormal oder sowas haben und das war ein Staubsauger oder eine Turbine oder so was, das sich dreht und richtig lärm macht. Allerdings heisst geeicht doch nur dass es genauestens vermessen wurde, oder? Klingt das normal?
> Stell dir ne Waschmaschine mit Sand teilgefüllt vor.
An sowas Ähnlichem hab ich mal mitgebaut (die Elektronik zur
Motorregelung). Es war ein Behälter mit Kugeln aus Siliziumkarbid oder
-nitrid (ist schon sehr lange her), in dem sich eine Welle drehte, die
radiale Finger aus eben solchem Material hatte. Darin sollte (und
konnte) fast jedes Material extrem fein zermahlen werden. Das Ding hat
mit Sicherheit genau das Spektrum (mit irre hohem Pegel) erzeugt, das du
brauchst. Das Ding hatte noch eine wassergekühlte doppelte Außenhaut und
trotzdem hat man den Lärm kaum ausgehalten.
ArnoR schrieb: > Das Ding hat > mit Sicherheit genau das Spektrum (mit irre hohem Pegel) erzeugt, das du > brauchst. woher weißt du das oder warum vermutest du das? > Das Ding hatte noch eine wassergekühlte doppelte Außenhaut na sowas filtert sicherlich hohe frequenzen ganz gut raus. breitbandiges Rauschen im Ultraschallbereich zu erzeugen ist sicherlich nicht so schwierig, aber Abdul K. schrieb: > Ich brauche eine Möglichkeit bis ca. 100KHz > einen halbwegs abschätzbaren Pegel akustisch zu erzeugen halbwegs abschätzbar würde ich nur das plasmadings nennen. oder du musst halt messen, dann kannst du aber nehemen was du willst und es normal nennen, schließlich magst du das ja auch nur haben, Abdul K. schrieb: > damit ich > Sensoren vergleichen kann.
> woher weißt du das oder warum vermutest du das?
Ja ist nur eine Vermutung, gemessen wurde da nichts. Aber das Kreischen
durch den doppelten Mantel war wirklich extrem.
Bitte melde dich an um einen Beitrag zu schreiben. Anmeldung ist kostenlos und dauert nur eine Minute.
Bestehender Account
Schon ein Account bei Google/GoogleMail? Keine Anmeldung erforderlich!
Mit Google-Account einloggen
Mit Google-Account einloggen
Noch kein Account? Hier anmelden.

