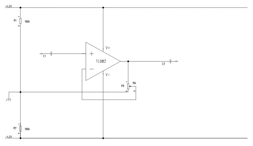
Ich habe einen einfachen nichtinvertierenden Verstärker mit einem TL082 OP-Amp aufgebaut. Der Verstärkungsfaktor sollte mit einem Potentiometer eingestellt werden können. Mein Eingangssignal ist eine Wechselspannung mit ca. 100mV Amplitude. Mein Problem ist, dass der Verstärker nicht verstärkt und das Signal stark verzerrt. Den OP-Amp habe ich schon ausgetauscht, dass hat aber leider nichts geholfen. Könnte mir jemand sagen ob ein Fehler in meiner Schaltung ist?
> Könnte mir jemand sagen ob ein Fehler in meiner Schaltung ist?
Ja, das ist der Fall. Mach einen hochohmigen Widerstand vom ni-Eingang
des OPV zu der virtuellen Masse.
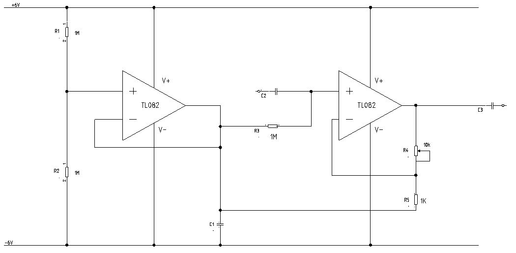
ziemlich merkwürdig aufgebaute Schaltung. Erstens fehlt ein Widerstand vom positiven Eingang gegen Masse. So kann es überhaupt nicht funktionieren. zweitens wenn das Poti mit dem Schleifer an Masse liegt, arbeitet der OP nur noch als Komperator. Dürfte ziemlich schauerlich klingen. Ralph Berres
Das der NI Eingang ein definiertes Potential hat. Der OP verstärkt im idealfalle die Differenz der beiden Eingänge unendlich hoch. Wenn ein Eingang kein definiertes Gleichspannungspotential hat , kann das nicht funktionieren. Ralph Berres
Reichen die +-4,5V Versorgungsspannung, da im Datenblatt etwas von +-15V steht oder sind die +-15V nur die maximale Versorgungsspannung?
+-4.5V könnten knapp reichen. Die maximal zulässige Betriebsspannung des TL081 sind +-18V. Normal werden solche ICs mit +-12bis 15V betrieben. Ralph Berres
Ich werde es mal mit einer höheren Versorgungsspannung probieren. Vielen Dank für eure Antworten!
und wenn du von deinem Poti die Masseverbindung wegnimmst, kannst du auch die Verstärkung von 1-fach bis x-fach regeln. In der jetzigen Schaltung könnte das zum teil zu deinem beobachteten Verzerren führen, wie von anderen schon bemerkt wurde: Ralph Berres schrieb: > zweitens wenn das Poti mit dem Schleifer an Masse liegt, arbeitet der OP > nur noch als Komperator. Dürfte ziemlich schauerlich klingen. _.-=: MFG :=-._
> und wenn du von deinem Poti die Masseverbindung wegnimmst, kannst du > auch die Verstärkung von 1-fach bis x-fach regeln. In der jetzigen > Schaltung könnte das zum teil zu deinem beobachteten Verzerren führen, > wie von anderen schon bemerkt wurde: Quatsch. Das eine Ende des Poti liegt ganz zu Recht an der virtuellen Masse. Das man es nicht auf 0 stellen sollte (=unendliche Verstärkung) hat Ralph richtig bemerkt. Trennt man die Verbindung zur virtuelln Masse, gibt es immer eine Verstärkung von 1, egal wie das Poti steht.
MaWin schrieb: > Das eine Ende des Poti liegt ganz zu Recht an der virtuellen Masse. > > > > Das man es nicht auf 0 stellen sollte (=unendliche Verstärkung) hat > > Ralph richtig bemerkt. Ich würde Masseseitig dem Poti wenigstens ein Festwiderstand in Reihe schalten, welches die maximale Verstärkung auf ein sinnvolles und gewünschtes Mass begrenzt. Markus ---- schrieb: > und wenn du von deinem Poti die Masseverbindung wegnimmst, kannst du > > auch die Verstärkung von 1-fach bis x-fach regeln. Wie Mawin schon richtig bemerkte ist das absoluter Quatsch. Die Verstärkung ist dann 1 unabhängig von der Schleiferstellung des Potis. Ralph Berres
Ups - Ich war in Gedanken beim invertierenden Verstärker. Bitte meine Aussage ignorieren... _.-=: MFG :=-._
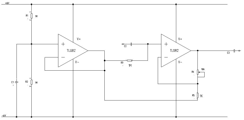
Apropos Masse: Ist die real (d.h. geht da wirklich eine 0V/Masse-Leitung zum Netzteil) oder nur virtuell? Falls real, warum dann die 2*100k? Falls nicht, werden die 100k gegenüber den 10k der Rückkopplung keine 0V mehr schaffen.
Gutes Argument Georg, entweder deutlich niederohmiger, oder mit Elko zumindest wechselspannungsmässig bis niedrige Frequenzen abgestützt, oder mit zweitem OpAmp aus dem TL082 als Buffer gepuffert. http://www.dse-faq.elektronik-kompendium.de/dse-faq.htm#F.9.2
Tobi schrieb: > Die Masse ist nur virtuell. Dann sollte der Spannungsteiler wesentlich niederohmiger sein, und obendrein mit Elcos überbrückt sein. Man kann aber auch hinter den jetztigen Spannungsteiler einen OP schalten, dessen -Eingang mit dem Ausgang verbunden ist. ( Spannungsfolger ). Der liefert dann eine schön niederohmige vertuelle Masse. GRRRR Mawin war schneller!! :-) Ralph Berres
Damit der Spannungsteiler niederohmiger wird. Ralph Berres schrieb: > Man kann aber auch hinter den jetztigen Spannungsteiler einen OP > schalten, dessen -Eingang mit dem Ausgang verbunden ist. ( > Spannungsfolger ). Der liefert dann eine schön niederohmige vertuelle > Masse.
> Warum nun plötzlich 2 Opamps? Der erste soll die virtuelle Masse belastbarer machen, damit du dort keine kleineren Widerstandswerte brauchst, ist aber mit C1 ungünstig belastet und könnte ins Schwingen kommen und dadurch alles versauen, es sei denn man nimmt einen OpAmp der bei kapazitiven Lasten noch stabil ist wie MC34071.
Bitte melde dich an um einen Beitrag zu schreiben. Anmeldung ist kostenlos und dauert nur eine Minute.
Bestehender Account
Schon ein Account bei Google/GoogleMail? Keine Anmeldung erforderlich!
Mit Google-Account einloggen
Mit Google-Account einloggen
Noch kein Account? Hier anmelden.




