Guten Tag, ich möchte gerne zwei Getriebemotoren mit dem L298 Baustein ansteuern und habe mir eine entsprechende Testanordnung auf dem Breadboard aufgebaut. Die Spannungsquellen habe ich wie im Datenblatt beschrieben mit den entsprechenden 100nF Kondensatoren ausgestattet. Vss = 5V --> Versorgung für Logik Vs = 12V --> Versorgung für Motoren Vi = 2.4V --> Steuersignale Die Logik funktioniert soweit, allerdings ist die Spannung, die ich an den Outputs für die Motoren messe fast um die Hälft kleiner und bricht schon bei dem kleinsten Verbraucher (getestet mit LED) schon zusammen. Weiß jemand, was ich falsch mache? Ich bin etwas Arduino verwöhnt, ich hoffe man verzeiht mir das. ;)
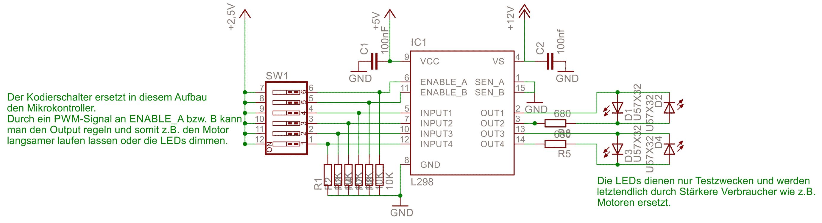
Also, im Anhang ist der Schaltplan. Zum Ansteuern habe ich einen Kodierschalter, als Verbraucher LEDs verwendet, erstmal nur zum Testen. An sich funktioniert das alles prima, allerdings messe ich an den Outputs nur noch ca 2V.
lukas o. schrieb: > Also, > im Anhang ist der Schaltplan. Zum Ansteuern habe ich einen > Kodierschalter, als Verbraucher LEDs verwendet, erstmal nur zum Testen. Sehr vernünftig. Endlich mal wer, der versteht, dass man die Dinge erst mal einzeln testet, ehe man Monsterschaltungen ungetestet aufbaut und dann geht nichts. > An sich funktioniert das alles prima, allerdings messe ich an den > Outputs nur noch ca 2V. Wo genau misst du? An den IC-Pins oder an den LED? Was macht deine +12V Versorgung, bricht die ebenfalls ein? Du hast keine Sense-Widerstände. Ich hab jetzt mal im Datenblatt nachgesehen, ob man die unbedingt braucht. Laut DB legt da der IC raus, welcher Strom gerade durch die Verbraucher rinnt. So gesehen schätze ich, müssten die Sense Widerstände nicht unbedingt notwendig sein. Ich würd sie aber trotzdem ranmachen.
lukas o. schrieb: > An sich funktioniert das alles prima, allerdings messe ich an den > Outputs nur noch ca 2V. Die Pins 1 und 15 (Sense) mußt du unbedingt mit Sense-Widerständen gegen GND legen. Oder direkt auf GND legen, wenn du keinen Strom messen willst. Die beiden Pins bilden die Masse an den Ausgangsstufen, daher geht ohne deren Beschaltung gar nichts, das heißt deine Ausgangsstufen haben keinen GND. Gruß Bernd
Mir fällt gerade noch was auf. Passt das mit den 2,5V an den DIL-Schaltern? Ich würde +5V und Pulldown-Widerstände anschließen, damit die Eingänge sicher auf die TTL-Pegel high und low gezogen werden. Wenn die Schalter jetzt offen sind, sind auch die IC-Eingänge offen. Könnte ins Auge gehen, ich schau aber nochmal ins Datenblatt.
Ja, ist wirklich so, der IC hat ganz normale Eingänge ohne Pullups oder Pulldowns. Also hast du 2 Möglichkeiten: Vom Eingang einen Widerstand gegen +5V (Pullup), somit ist bei offenem Schalter der Eingang auf "High". Der Schalter geht dann vom Eingang an GND. Wenn er geschlossen ist, hat der Eingang "Low". Oder eben genau andersrum, Widerstand an GND und Schalter an +5V. Dann ist geschlossen="High" und offen="Low". Zusammen mit den beiden Pins 1 und 15 müßte dann alles spielen.
Hier ist mal noch das Innenleben, da sieht man auch, daß die 1 und 15 beschaltet sein müssen. Die 8 ist nur GND für die Logik. Die 1 und 15 geben den Ausgangsstufen einen GND. Übrigens schließe ich mich Karl-Heinz an in Bezug auf deine Vorgehensweise. Erstmal Teilschaltungen zum Laufen bringen. Richtig so...
Bernd S. schrieb: > Die 1 und 15 geben den Ausgangsstufen einen GND. HÄ? Ich benutze den L298 mit dem Multiwatt 15 Gehäuse, da sind Pin 1 und 15 dafür dar, um den jeweiligen Strom der Outputs zu messen, nicht als GND, oder verstehe ich da was falsch? Das mit den Pulldownwiderständen ist eine gute Idee, hätte ich auch so drauf kommen müssen. Habs auch getestet, leider ohne Erfolg - kein Unterschied zu vorher... Karl Heinz Buchegger schrieb: > Wo genau misst du? > An den IC-Pins oder an den LED? > Was macht deine +12V Versorgung, bricht die ebenfalls ein? Ich messe an den IC-Pins. Nein, die Versorgungsspannung ist von dem Geschehen ganzlich unbeeindruckt. ;)
lukas o. schrieb: > HÄ? > Ich benutze den L298 mit dem Multiwatt 15 Gehäuse, da sind Pin 1 und 15 > dafür dar, um den jeweiligen Strom der Outputs zu messen, nicht als GND, > oder verstehe ich da was falsch? Ja, sicherlich. Schau dir doch mal das Blockschaltbild an. Wenn die Pins 1 und 15 offen sind, hängen die Emitter der beiden unteren Transistoren der Gegentakt-Endstufe in der Luft. Das kann doch nicht funktionieren. Also entweder über Sense-Widerstände zum Strommessen oder direkt an GND. Die Strommessung funktioniert ja so, daß der Strom der Endstufe über den Sense-Widerstand fließt, und du kannst dann den Spannungsabfall messen. Zusammen mit dem Widerstandswert hast du dann den Strom (I=U/R). Wenn du die Pins offen hast, fließt kein Strom. Wenn du Sense-Widerstände verwenden willst, müssen sie niederohmig sein (1 Ohm oder kleiner), und sie müssen die Leistung des Ausgangs aushalten (Spannungsabfall * Strom). Aber ohne Strommessung kannst du die Pins 1 und 15 auch direkt an GND legen.
Nochmal zur Erläuterung der Funktionsweise: Nehmen wir mal im Blockschaltbild die linke Endstufe (A). Durch die Ansteuerlogik sind der linke obere Transistor leitend und der rechte untere. Der Strom fließt jetzt: von +VS (4) zum linken oberen Transistor, dann über OUT1 (2) raus, über den Verbraucher (z.B. Motor), beim OUT2 (3) wieder rein, über den rechten unteren Transistor und dann sind wir am Anschluß Sense-A (1). Und da muß es als Gegenpol zum +VS einen GND geben, sonst fließt kein Strom. In diesem Beispiel ist an OUT1 der Pluspol und an OUT2 der Minuspol (GND). Jetzt kann auch Strom über den Motor fließen. Andersrum ist es, wenn der rechte obere und der linke untere Transistor leitend sind. Dann ist Plus an OUT2 und GND an OUT1. Jetzt fließt der Strom andersrum und der Motor dreht rückwärts. Jetzt klar, warum 1 und 15 mit GND beschaltet sein müssen? 1 für Endstufe "A" und 15 für Endstufe "B".
Danke Bernd S. Habe es gerade kurz entsprechend verkabelt und durchgemessen. Scheint so zu klappen. Macht im Nachhinein auch alles Sinn. Vielen Dank schon einmal ;)
Na prima, freut mich. Wenn man die Innenschaltung kennt, macht es vieles einfacher. Geht natürlich nur bei relativ einfachen IC's. Gern geschehen :-)
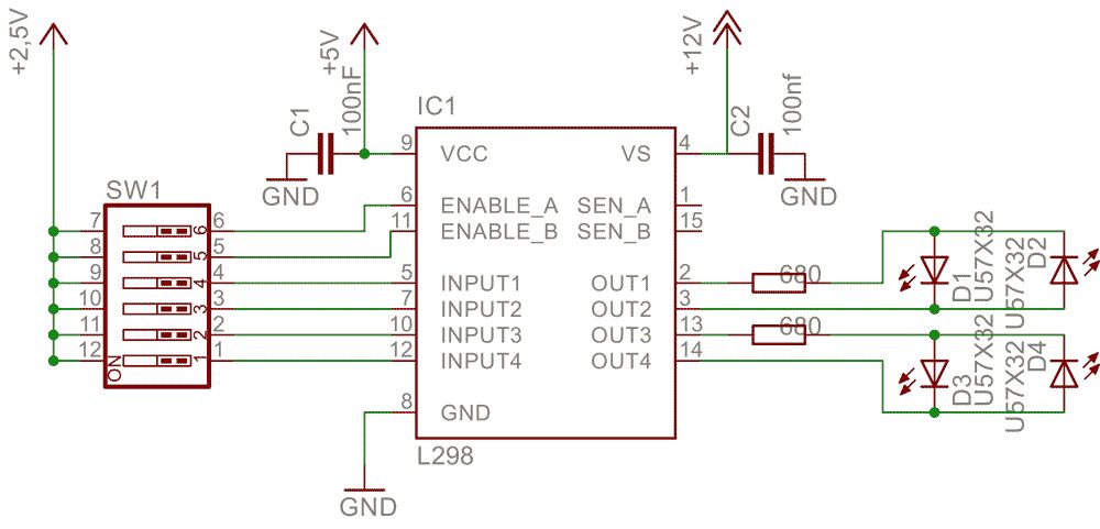
Also, hier ist nochmal die korrigierte und funktionsfähige Schaltung die ich mal der Allgemeinheit zur Verfügung stellen möchte.
Die DIL-Schalter kannst an +5V legen, da sparst du eine Spannung. Die 2,5V brauchst du nicht. Wenn du den L298 mit einem anderen IC ansteuerst (z.B. Mikrocontroller), kommen dort auch +5V und GND raus (TTL-Pegel). Sonst alles okay :-)
Ich habe die genau gleichen Spannungsverhältnisse. Also Vss = 5V --> Versorgung für Logik Vs = 12V --> Versorgung für Motoren Die PWM Signale an ENA (Pin 7 am Motordriver) und ENB (Pin 12 am Motordriver) sehen sehr sauber aus (OV resp 5V) aber an den Motor Pins ist das Signal bereits bei einer PWM Frequenz von 500 Hz völlig verzogen. Bei noch höheren Frequenzen werden die Motoren Outputs unbrauchbar. (Verifiziert mit einem Oszilloskop) Das rote Motor Driver Board (LN298N Dual Motor Controller) von JOY-it ist unbrauchbar mit einer PWM Geschwindigkeitskontrolle. Nur Full-Speed (ENA und ENB konstant auf 5 Volt gesetzt) läuft es gut.
HRO schrieb: > Ich habe die genau gleichen Spannungsverhältnisse. Und du meinst, dass das nach 9 Jahren noch irgend jemanden interessiert? Gibt es den L298 überhaupt noch, außer im Antiquariat?
HRO schrieb: > Die PWM Signale an ENA (Pin 7 am Motordriver) und ENB (Pin 12 am > Motordriver) sehen sehr sauber aus (OV resp 5V) aber an den Motor Pins > ist das Signal bereits bei einer PWM Frequenz von 500 Hz völlig > verzogen. Die enable inputs sind nicht für pwm gedacht. Nimm dafür die inputs. Dann klappts auch.
@Pepe: Das ist so pauschal nicht richtig. Ohne Schaltplan von HRO kann man dazu nichts sagen. Möglicherweise sind die falschen Dioden verbaut oder ein zu kleiner Elko oder... Gruß Tom
Pepe T. schrieb: > Die enable inputs sind nicht für pwm gedacht. Nimm dafür die inputs. > Dann klappts auch. Doch. Das geht. Damit kann man zwei verschiedene Freilaufvarianten benutzen, siehe Datenblatt. Das Problem von HRO ist vermutlich, daß er entweder die externen Freilaufdioden vergessen hat, denn der olle Treiber ist ein Bipolar-IC, der braucht die. Nur der kleine Bruder L293D hat die schon eingebaut! Oder der Motor ist kein reiner Motor, sondern er hat schon Entstörkondensatoren eingebaut. Dann kann man nur sehr niedrige PWM-Frequenzen nutzen, so um die 50-100Hz. Geht man höher, werden die mittleren Umladeströme der Entstörkondensstoren zu groß und der Treiber wird sehr heiß und bringt keine Leistung. Das hatten wir hier schon mehrfach.
Vielen Dank Falk B. für deine Antwort. Freilaufdioden sind auf dem Driver Board bereits vorhanden. Jedoch sind an den Motoren tatsächlich Entstörkondensatoren (Keramik / 100 nF) angebracht. Die könnten ev. das Problem verursachen. Ich werde diese bei Gelegenheit versuchshalber entfernen.
Bitte melde dich an um einen Beitrag zu schreiben. Anmeldung ist kostenlos und dauert nur eine Minute.
Bestehender Account
Schon ein Account bei Google/GoogleMail? Keine Anmeldung erforderlich!
Mit Google-Account einloggen
Mit Google-Account einloggen
Noch kein Account? Hier anmelden.


