Hallo, ich bin Morris, 21 Jahre alt und habe gerade meine Lehre als Elektroniker für Betriebstechnik fertig. Ein Kollege aus der Firma hat mir ein Labornetzteil von ELV mit der Bezeichnung: MRGN-900 mitgebracht, weil das erst laut gezirpt hätte und dann nach einer Weile nur noch 1,2 Volt Ausgangsspannung gebracht hat, aber keinen Strom mehr. Es ist wohl ein Schaltnetzteil und auf der Platine waren alle 6 Elko mit der Aufschrift "100V 1000µF 105°C" richtig schön rund und dick. Ich kann mir zwar unter ESR nur sehr wenig vorstellen, aber hier im Forum schreiben Alle davon, wenn es um Schaltnetzteile geht. Also habe ich für den 3-fachen Reichelt Preis welche mit dem Zusatz "Low ESR" bei HBE Shop bestellt. Nun ist das Zirpen weg, aber die Ausgangsspannung geht immer noch nicht über 1,2 Volt und belasten kann man die immer noch nicht. Bevor ich nun die beiden letzten Elko mit der Aufschrift "200V 1200µF 85°C" noch tausche, (Die kosten zusammen richtig Geld) mal eine Frage an euch: Wenn hinter dem Gleichrichter 312,8 Volt Gleichspannung zu messen sind, wo an den DSEK60-06A bzw. den IRFPS40 muß ich messen, um herauszubekommen, was da nicht läuft ? Einen Trenntrafo habe ich an meinem Arbeitsplatz und auch ein Oszilloskop (So ein Billigteil. Steht DS1052E vorne irgendwo drauf.) Ich bin erst seit Ende Februar fertig mit der Lehre und so viel haben wir in der Schule und während der Ausbildung noch nicht mit Schaltnetzteilen (Wenn das MRGN-900 denn eines ist.) gemacht. Morris
hast Du mal mit nem Energiekostenmssgerät gemessen was das Netzteil aufnimmt ohne Last? Also ob evtl am Ausgang eine Schutzdiode is die Kurzgeschlossen ist z.B. Je nach Spannungsbereich ist summen fiepen bei dem Teil völlig normal weil es mit 0-60V einen großen Spannungsbereich abdeckt bei bis zu 60A
So ein Stromwächter aus dem Baumarkt zeigt bei 225 V einen Strom von 0,1 A an. Das wären 22,5 VA und Das, egal wie ich an der Spannung- oder Stromeinstellung drehe. Was kann ich eigentlich daraus schließen? Ist Das ein Kurzschluss am Ausgang? Morris
Hmmmmmmmmmmmmmmmmmmmmmmmmmmmmmmmmmmmmmmmm... Hm hm hm. Schaltnetzteile sind alles andere als einfach, ganz besonders die Laborversionen. Gibt es in dem SNT einen kleineren Trafo, der Hilfsspgen zur Verfügung stellt? Sind die iO? Mach mal ein Foto vom Innenaufbau! Klaus.
Es ist definitiv ein Schaltnetzteil. Tu mir einen Gefallen und meld Dich bei mir bevor Du es auf den Schrott schmeißt oder ausschlachtest! Vermutlich ist durch die defekten Kondensatoren ein Halbleiter gestorben. Ohne Schaltplan ists aber echt schwer Dir zu sagen wo Du messen sollst... das müßte man vor sich liegen haben und selbst drin rumstochern können.
Hier wären Bilder. Krass luftiger & bodenständiger Aufbau, wenn ich das so mit meinem TTI vergleiche... http://www.extremecooling.de/forum/threads/2489-UnRockStars-Elektrische-Bastellein-D/page2 Klaus.
Ja, Klaus R. genau wie auf den Bildern aus dem Link sieht die Kiste von Innen aus. Nur das gelbliche Blech über der Platine ist bei dem hier nicht da. (Oder der Kollege hat Das schon ausgebaut). Ja, so wie es aussieht, kommt die ganze Ansteuerung von der kleinen Platine, die mit dem Extra Trafo versorgt wird. Ben _ , die Datenblätter zu der FET und diesen Dioden habe ich schon runtergeladen. Im Moment fällt es mir schwer einzuschätzen, wie die Ansteuerung der FET auf dem Schirm des Oszi aussehen sollen. Rechteck, etwa im Sekundentakt mit sehr runden Ecken sehe ich zwischen Source und Gate. Allerdings mal 12 V und mal eine Weile nur 5-7V. Werde morgen weitermachen. Danke schon mal Brn, Klaus und Kim. Morris
Klaus R. schrieb: > Hier wären Bilder. Na damit kann man ja schonmal anfangen. Die kleine auf den Boden geschraubte Platine sieht nach der Regler-Platine aus. Die wird von dem kleinen Trafo dahinter versorgt. Schau zuerst mal ob nach den Spannungsreglern realistische Spannungen anliegen. Das nächste wäre der gesockelte IC auf dieser Platine. Was ist das für einer? TL494? Such nach dem Datenblatt und such nach dem Ausgang / den Ausgängen. Da mal das Oszi ran - siehst Du da ne Frequenz, vermutlich irgendwo so zwischen 20 und 100 KHZ? Wenn wir Dir helfen sollen - mehr Fotos, auch von der Leistungsplatine rechts.
Morris P. schrieb: > Im Moment fällt es mir schwer einzuschätzen, wie die Ansteuerung der FET > auf dem Schirm des Oszi aussehen sollen. Rechteck, etwa im Sekundentakt > mit sehr runden Ecken sehe ich zwischen Source und Gate. > > Allerdings mal 12 V und mal eine Weile nur 5-7V. Sekundentakt? Da ist was faul. Ich würde so zwischen 20 und 100 Kilohertz erwarten. Vielleicht ist da eine Schutzschaltung aktiv: die probiert einmal die Sekunde das System zu aktiviern, stellt fest es ist immernoch kurzgeschlossen (oder anderer Fehler) und gibt dann wieder ne Sekunde Ruhe. Könnte aber auch nen Messfehler sein. Miss mal am Ausgang von dem Steuer-IC gegen dessen Masse, das ist vermutlich einfacher. Poste auch mal nen Screenshot von Deinem Oszi.
So, noch 10 Minuten Pause ... Dann muß ich wieder an die Arbeit. Der Schaltregler ist ein SG3525AN. Datenblatt habe ich online gefunden und werde mir Das heute mittag nach Feierabend mal runterladen. Dann sollte ich doch zwischen GND des IC und den beiden Ausgängen Etwas messen können ? Zuhause habe ich keinen Trenntrafo am Arbeitsplatz wie hier in der Firma und nur ein altes Hameg 20 MHz Oszi. (Leider musste ich auch das defekte Netzteil hier entfernen, weil mein Werkstattmeister mich angemacht hat. Also muss ich zuhause weitermachen.) Die Ansteuerung eines FET läuft doch zwischen Source und Drain, wie bei bei einem Transistor, oder ? Also muß ich beim Messen doch dafür sorgen, dass die Masse vom Tastkopf nicht mit Spannung im Inneren des Netzteil in Berührung kommt, weil ich doch sonst zwischen der Gleichspannung aus dem Netz und der geerdeten Tastkopfmasse einen Kurzschluß verursachen kann ? Bisher habe ich zuhause aus Vorsicht nie an Netzgespeisten Geräten ohne galvanische Trennung durch Trafo und so gemessen. Deshalb frage ich vorsichtshalber mal hier nach. Gruß Morris
Kurzer Zwischenbericht: Am Ausgang des SG3525AN zwischen PIN 12 (Masse) und PIN 11 sowie PIN 14 kann ich 12 V Pulse messen. Die Frequenz schwankt sehr stark (weil ich mit der Spitze des Tastkopfes nur sehr schwer an die Pins herankomme) liegt aber bei über 20 kHz. Was mir aber beim Messen und herumhantieren mit dem Netzteil aufgefallen ist: Die Kerne der Übertrager wackeln sehr stark. Nicht nur auf und ab, sondern auch in Richtung der Anschlüsse kann ich den kleineren zur Ausgangsseite hin bewegen. Ich werde also heute mal das Netzteil weiter zerlegen und die Wicklungen der Übertrager durchmessen. Ausserdem ist mir ein "bruzzelndes" Geräusch aufgefallen, so als wenn irgendwo niederfrequent auf der Platine mit dem Leistungsteil noch eine PWM laufen würde. Ich glaube, die Schaltnetzteiltechnik wird noch eine ganz schöne Herausforderung für mich. Ausserdem habe ich mal eine ganze Weile herumgegoogled und nirgendwo einen Schaltplan zu dem Teil gefunden. Dafür aber 9 verschiedene Gebrauchsanweisungen mit 5 verschiedenen Fußnoten, wer denn Importeur von dem Teil ist. Ausserdem scheinen das Gerät eine Reihe von Modellbauern zum Laden von Akkus zu verwenden und regelmäßig zu zerstören, wenn die Ihre Akkus anschließen, während das Netzteil noch Ausgeschaltet ist. Dann wird häufig von Ausfällen durch die Elkos berichtet, aber nie davon, ob nach einer Reparatur das Gerät wieder so funktioniert hat, wie vorher. Frohe Ostern. Morris.
Hallo! Ich kram das hier nochmal raus.... Mich würde interessieren ob das Netzteil nochmal zum Laufen gebracht wurde und was der Fehler war... Ich hab eins mit exakt demselben Problem. Danke vorab - Gruß Christian!
Vermutlich haben die Elkos Wechselspannung bekommen. Schau mal, ob die Gleichrichter davor noch in Ordnung sind.
Hallo! Auf der Leistungsplatine ist 1 Gleichrichter verbaut, der ist ok. Ich hab heute noch die 4 DSFK60-06A ausgelötet - die zeigen mit meinem Ohmmeter im Diodentest keine Auffälligkeiten (je 0,4 kOhm vom mittleren Pin mit - auf die 2 Äußeren, umgekehrt sperren sie) - interessant ist dass 2 davon im Mohm Messbereich nur 0,03 MOhm anzeigen (egal in welcher richtung gemessen...) - ich denke die habens wohl hinüber? Ich werde mir die mal besorgen und testen... Gruß Christian
Christian K. schrieb: > Ich hab heute noch die 4 DSFK60-06A ausgelötet - die zeigen mit meinem > Ohmmeter im Diodentest keine Auffälligkeiten (je 0,4 kOhm vom mittleren > Pin mit - auf die 2 Äußeren, umgekehrt sperren sie) - interessant ist > dass 2 davon im Mohm Messbereich nur 0,03 MOhm anzeigen (egal in welcher > richtung gemessen...) - ich denke die habens wohl hinüber? Da hast du mit Sicherheit nicht den Diodentest gewählt. Da wird nämlich VOLT angezeigt. Also noch mal von vorn.
Beginn dieses Threads war der 27. März 2013, letzter Eintrag am 30. März 2013... Morris P. schrieb: > Frohe Ostern. Ich denke, der TE hat das Problem längst gelöst...
Aber Autor: Christian Kopf (christian_k479) hatte jetzt das gleiche Problem.
Ist mir auch schon so gegangen, aber mit der Zeit schaut man auf das obige oder untere Datum...
@Michael: Mein Multimeter zeigt im Diodentest KOhm an...??? @Mannie: "Ich denke, der TE hat das Problem längst gelöst...": ... das ist Spekulation, von einer Lösung ist ja hier nichts zu finden, daher hab ich mir erlaubt nochmal zu fragen... LG Christian Kopf
Ich hatte das selbe Problem einer nicht belastbaren Spannung, allerdings bis 60V. Dies ist nachvollziehbar aufgetreten, nachdem ich das arme (nicht kurzschlussfeste) Netzteil häufig mit Kurzschlüssen belastet habe. Irgendwann gab es bei jedem Kurzschluss am Anfang ein Geräusch (Gong) aus dem Inneren, als würde etwas gegen das Gehäuse schlagen. Und nach vielen weiteren Kurzschlüssen trat das beschriebene Problem auf. Ich vermute, dass der Kern des Übertragers hinüber ist, evtl. gebrochen. Diese These habe ich allerdings nie überprüft.
Hier die Lösung: Wenn die Spannung niedrig und nicht belastbar ist, greift der überstromschutz auf der primärseite. Es gehen 2 lackdrähte in insolierschläuchen von eimem stromwandler zwischen den zwischenkreiselkos zu einem gleichrichter aus den 4 dioden D12 bis D15. Daneben Sitzt das Spindelpoti VR0B (100 Ohm), das durch die Stromspitzen von Kurzschlüssen hochohmig wird. Bei mir hat es gereicht, den Schraubenzieher anzusetzen und einmal 20 grad vor und zurückzudrehen. Nicht Verstellen! Natürlich geht das nicht immer, im zweifel bitte poti tauschen.
Die Lösung kann so einfach sein wenn man sie kennt...;-) Ich wollte das Teil schon zig mal in den Müll schmeißen - habs aber nicht ge tan! Jetzt läuft es wieder, 1x links/rechts am Spindelpoti gedreht.... Vielen Dank!!! LG Christian
Wow, lese erst jetzt, dass ich tatsächlich helfen konnte. Bin nochmals hier, um meine eigene Anleitung zu lesen, da es mir heute wieder den geist aufgegeben hat. werde jetzt das Poti gegen ein leistungsstärkeres oder gegen festwiderstände tauschen.
Super Fehler- und Lösungsbeschreibung! Unser Netzteil hat genau den gleichen Fehler gezeigt nach Rückspeisung in das Netzteil mit einem Motor. Die Elkos waren nicht kaputt, ob die beiden ICs LM324 (SMD) und KA3525A (Dip) defekt waren kann ich nicht sagen, da ich sie schon getauscht hatte bevor ich diesen Beitrag gefunden hatte. Das Poti (100R) ist fertig, Fehler tritt immer wieder auf, habe es jetzt gegen 62R fix getauscht. Netzteil läuft wieder perfekt. Ursache für den Fehler ist wohl auch, dass das Poti nur an zwei Pins angeschlossen ist und nicht an drei, so gibt es ne Unterbrechung wenn der Schleifer abhebt. Deswegen immer so machen :D _____ ---/-- | ---| / |---- -/---- Vielen Dank! Lg die KaTz
Jo D. schrieb: > habe es jetzt gegen 62R fix getauscht Edit: mit 62R habe ich das Netzteil auf rund 100W begrenzt :-( Widerstandsdekade ran --> Ergebnis: 4R7! Netzteil hat jetzt wieder 900W :D
Mittlerweile nennt sich das Teil PS900W oder Mc Power LBN-1990. Mir kommt das Teil ganz gut ausgelegt vor, evtl. Ist es ja möglich, mit dieser Stromeinstellung und Modifikation der Regelung ja mehr als nur 1kW aus dem Netzteil zu holen?
Jo D. schrieb: > Widerstandsdekade ran --> Ergebnis: 4R7! Naja, Rückspeisung mag das Netzteil natürlich immer noch nicht. Der Vorteil des Festwiderstands ist, dass er bei Rückspeisung nicht stirbt, allerdings bekommt dann das IC KA3525A (DIP16 im Sockel) was ab. Habe das IC gewechselt und das Netzteil verrichtet wieder seinen Dienst! Lg die KaTz
Jo D. schrieb: > Unser Netzteil hat genau den gleichen Fehler gezeigt nach Rückspeisung > in das Netzteil mit einem Motor. Die Elkos waren nicht kaputt mach Deinen eigenen neuen Thread auf und schreib nicht so ein Mist an alten Leichen. Du hast nicht denselben Fehler und keiner muß den langen Roman vom Vorgänger lesen!
Autor: Flip B. (frickelfreak) Datum: 15.06.2016 00:30 Hier die Lösung: ************************************************** Danke lieber Flip B., Danke daß es im Netz auch ernsthafte Antworten und Lösungen auf angefragte "Probleme" gibt. Habe heute erst diesen Beitrag gefunden und bin begeistert über die einfache Lösung Da bisher niemand ernsthaft helfen wollte oder konnte, wollte ich mein Netzgerät MRGN-900 "entsorgen", konnte es nun doch wieder in Betrieb setzen... Habe, falls es doch noch jemanden passiert, ein Foto mit den entsprechenden mit Beschreibung der Bauteile angehängt... Viel Spaß, Max G.
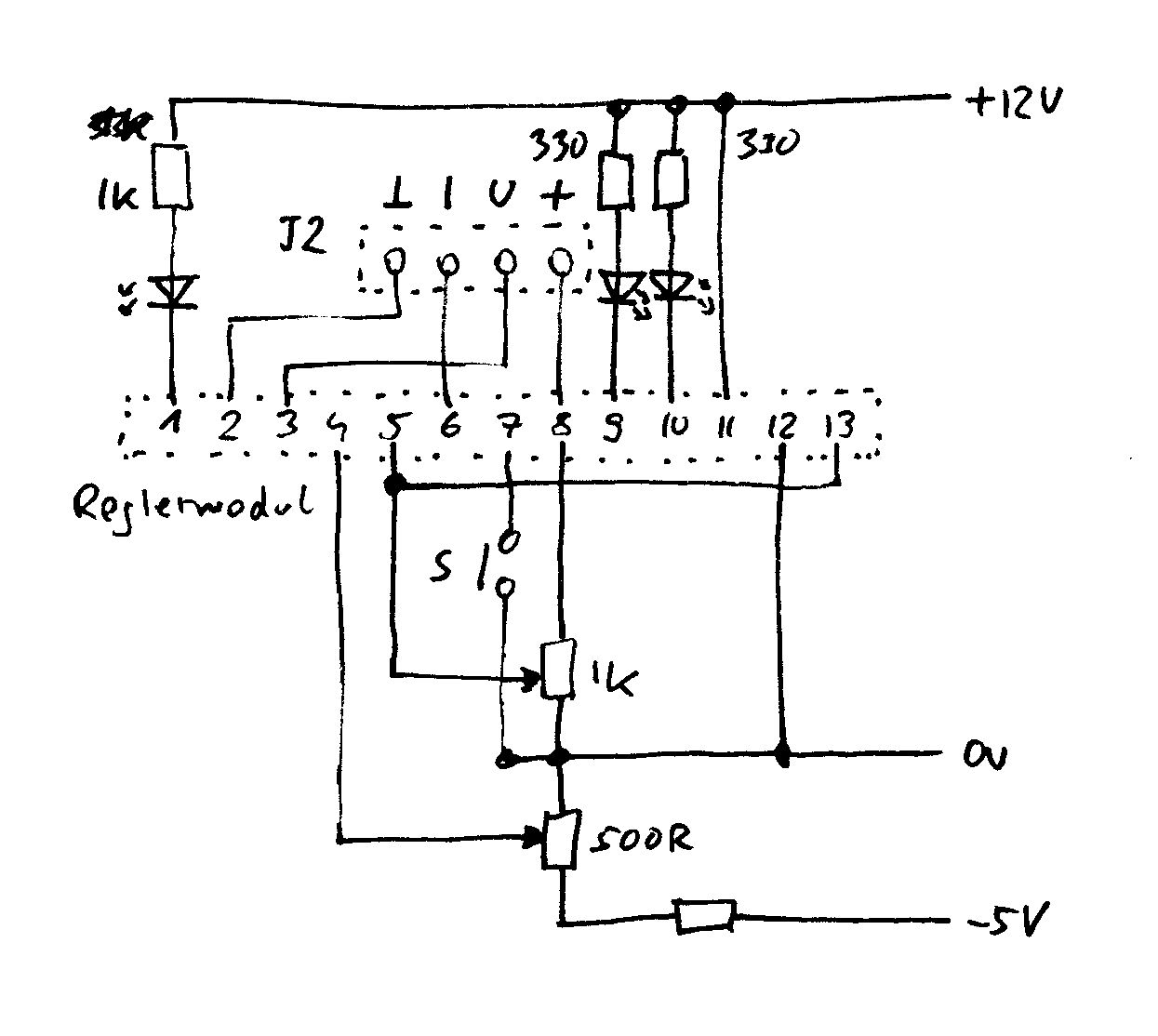
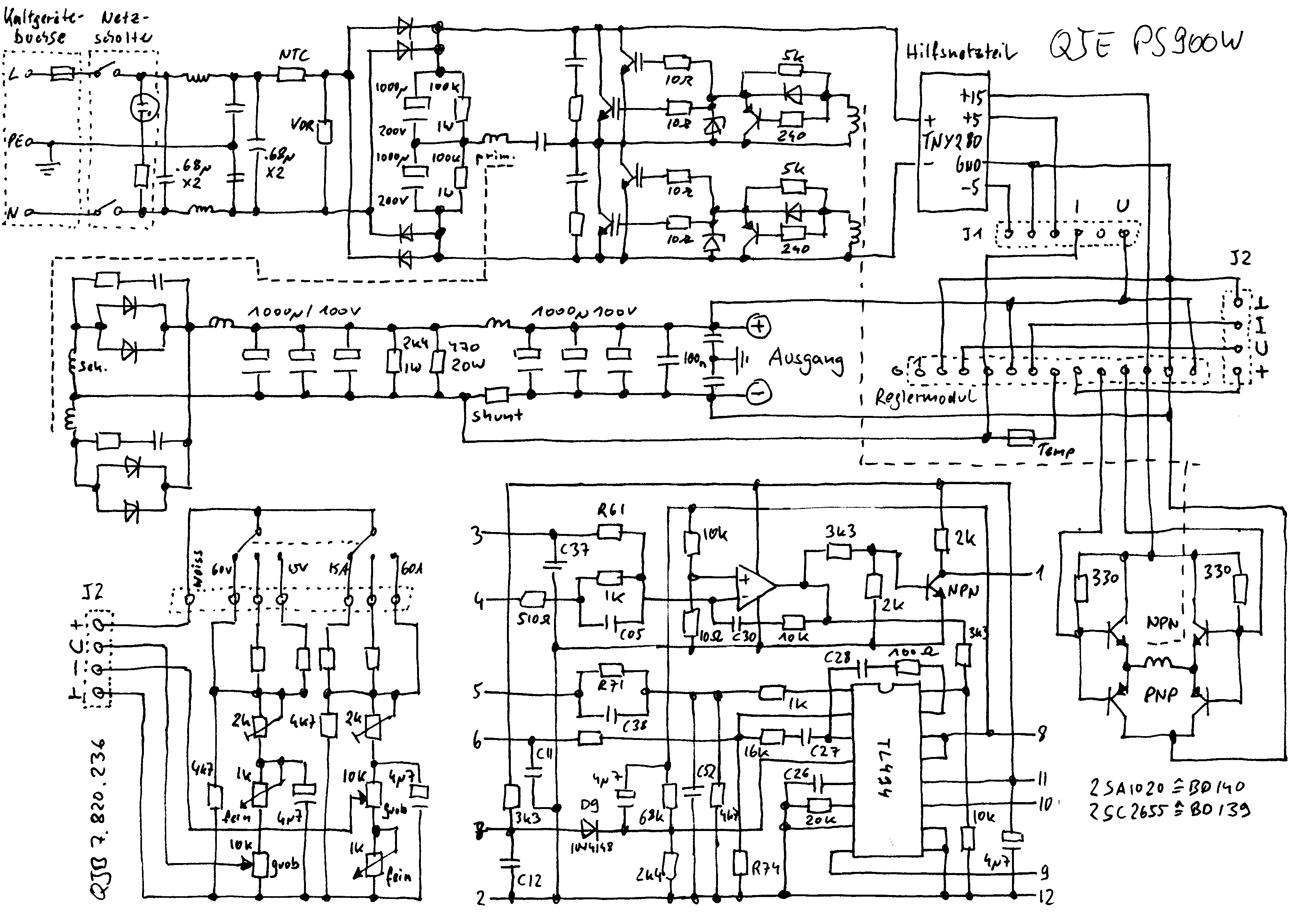
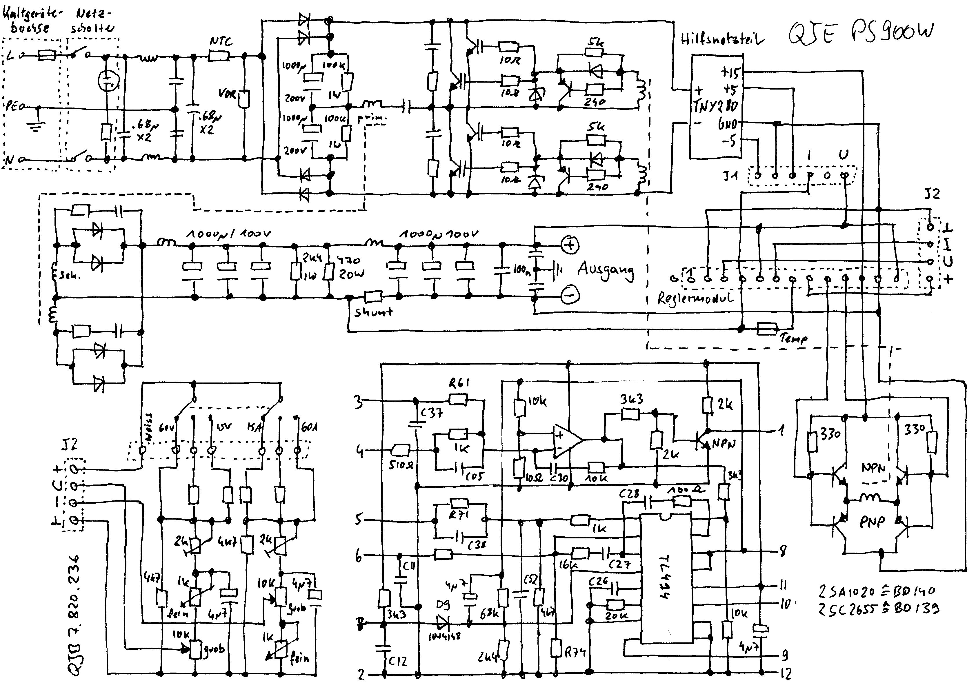
Flip B. schrieb: > Mittlerweile nennt sich das Teil PS900W Nein, das PS900W ist anders aufgebaut, mit einem TL494, wie ich sehen musste. Mir ist ein Komerci QJE PS900W zugeflogen, das alte Modell im 19" Gehäuse, natürlich defekt wie es nach Kurzschluss im Betrieb passierte. So was muss ein Labornetzteil eigentlich aushalten, das Gerät ist also grosser Mist. Ich habe mir mal die Mühe gemacht einen Schaltplan abzuzeichnen, ohne Hilfsnetzteil und LED-Displays mit zu erfassen. Recht simpel gebaut, und eben wenig Sicherheitsmassnahmen (z.B. keine Primärstrommessung und Begrenzung, keine IGBT Stromverteilung). Auf der Hauptplatine sitzt eine Steuerplatine, leider festgelötet, man baut besser eine Buchen- und Stiftleiste ein damit man sie testen kann, und um die zu testen habe ich eine Testschaltung aufgebaut. Dann sieht man per Oszilloskop ob es richtig taktet. Defekt war lediglich D9, also eine eher einfache Reparatur, der grösste Ärger war die Platine bei der sämtliche Durchkontaktierungen mit den zu entlötenden Bauteilen rausrutschen. Vielleicht hilft es, vielleicht benutzt das aktuell bei Komerci unter PS900W verkaufte Netzteil dieselbe Schaltung im billigeren kleineren Gehäuse.
Hat jemand ein Foto der Steuerlogik (kleine Platine) für das MRGN-900-Netzteil?
Hallo, auch wenn das schon veraltet ist Mein Netzteil genau das selbe, hatte genau dien selben Fehler. An Steuerplatine poti 20grad rechts+20grad Links gedreht (jedes Poti) und schwupps ging alles wieder nach dem einschalten. (Bitte bei ausgeschaltetem zustand und nach warte zeit für entladung der restspannung von elektrolyt kondensatoren das machen) nicht das da einer wie Zitterall rumzappelt und tot ist. Mfg waldi
Ich hatte das gleiche Problem, bei mir war es ebenfalls nur das Spindelpoti. Danke für den Tipp, Josef
Bitte melde dich an um einen Beitrag zu schreiben. Anmeldung ist kostenlos und dauert nur eine Minute.
Bestehender Account
Schon ein Account bei Google/GoogleMail? Keine Anmeldung erforderlich!
Mit Google-Account einloggen
Mit Google-Account einloggen
Noch kein Account? Hier anmelden.





