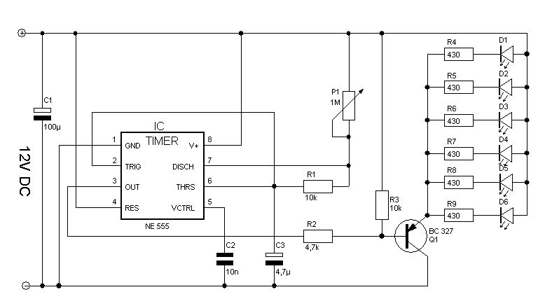
Hallo, Ich möchte mir ein kleines Stroboskop selber bauen. Da für hab ich folgenden schaltplan gefunden. Nur leider hab ich nur ein par grundkentnise über elekrotechnick. Darum sind mir einige sachen unklar. Also zu meine fragen: 1. Ist der Kondensator C1 eigentlich nicht überflüssig da er direkt an der Quellspannung angeschlossen ist und wenn nicht brauch ich nicht noch einen vorwiderstand für C1? 2. Die Widerstände R4-R9 muss ich dann auf die LED's anpassen die ich verwende. Kann ich das einfach so machen ohne das mein NE555 oder etwas Anderes dadurch Schaden nimmt abgesehen vom Netzteil oder Q1 (BC 327)? 3. Zuhause hab ich einen NE555N gibt es ein gravierend den Unterschied zwischen ihm und dem NE555? 4. Wie schnell werden meine LED ca. dann eigentlich maximal Blinken?
Timo F. schrieb: > 1. Ist der Kondensator C1 eigentlich nicht überflüssig da er direkt an > der Quellspannung angeschlossen ist und wenn nicht brauch ich nicht noch > einen vorwiderstand für C1? Nein ist er nicht, nein brauchst du nicht. Timo F. schrieb: > 2. Die Widerstände R4-R9 muss ich dann auf die LED's anpassen die ich > verwende. Kann ich das einfach so machen ohne das mein NE555 oder etwas > Anderes dadurch Schaden nimmt abgesehen vom Netzteil oder Q1 (BC 327)? Ja, rechne dir halt den Strom aus den die LEDs brauchen, danach wählst du dann die anderen Bauteile aus. Timo F. schrieb: > 3. Zuhause hab ich einen NE555N gibt es ein gravierend den Unterschied > zwischen ihm und dem NE555? Nein, aber ins Datenblatt schauen hilft oft weiter. Timo F. schrieb: > 4. Wie schnell werden meine LED ca. dann eigentlich maximal Blinken? Ich glaube es gibt tausende NE555 "Rechner" die dir da einen ungefähren Wert sagen können. Google mal :)
> 1. Ist der Kondensator C1 eigentlich nicht überflüssig da er direkt an > der Quellspannung angeschlossen ist und wenn nicht brauch ich nicht noch > einen vorwiderstand für C1? Welche Funktion könnte C1 haben? Welche Funktion hat ein (Vor)widerstand? > 2. Die Widerstände R4-R9 muss ich dann auf die LED's anpassen die ich > verwende. Kann ich das einfach so machen ohne das mein NE555 oder etwas > Anderes dadurch Schaden nimmt abgesehen vom Netzteil oder Q1 (BC 327)? Ja > 3. Zuhause hab ich einen NE555N gibt es ein gravierend den Unterschied > zwischen ihm und dem NE555? Dazu schaue mal einfach in ein Datenblatt. > 4. Wie schnell werden meine LED ca. dann eigentlich maximal Blinken? Von ganz langsam bis superschnell ;-)
Timo F. schrieb: > 1. Ist der Kondensator C1 eigentlich nicht überflüssig da er direkt an > der Quellspannung angeschlossen ist Überflüssig groß ist er. Die "Quellspannung" sollte Belastungsschwankungen relativ kurzfristig ausbügeln (das ist ihr Job) und ein kleiner Kondensator in der Schaltung am schaltenden Verbraucher, also an den LEDs mit Q1 puffert kurzzeitig starke Laständerungen weg, die die Versorgung wegen Leitungsinduktivitäten und Regelzeiten nicht so schnell ausgleichen kann.
Timo F. schrieb: > Hallo, > Ich möchte mir ein kleines Stroboskop selber bauen. Da für hab ich > folgenden schaltplan gefunden. Nur leider hab ich nur ein par > grundkentnise über elekrotechnick. Darum sind mir einige sachen unklar. > > Also zu meine fragen: > > 1. Ist der Kondensator C1 eigentlich nicht überflüssig da er direkt an > der Quellspannung angeschlossen ist und wenn nicht brauch ich nicht noch > einen vorwiderstand für C1? Ist nicht überflüssig. Im Moment des Umschaltens des Ausganges zieht der NE555 kurzzeitig viel Strom (einige hundert mA). Dies ist eine Designschwäche dieses Chips. Unter anderem deshalb nimmt man heute eher die CMOS Variante. > 2. Die Widerstände R4-R9 muss ich dann auf die LED's anpassen die ich > verwende. Kann ich das einfach so machen ohne das mein NE555 oder etwas > Anderes dadurch Schaden nimmt abgesehen vom Netzteil oder Q1 (BC 327)? Die Ausgangsstufe ist Murks. Ersetze Q1 durch einen npn Typ, tausche Kollektor und Emitter, R3 sollte unnötig sein (m.W. ist NE555 source/sink fähig). > 3. Zuhause hab ich einen NE555N gibt es ein gravierend den Unterschied > zwischen ihm und dem NE555? Grundsätzlich hat jeder Hersteller hat sein eigenes Bezeichnungsschema. Beim NE555 gibt es z.B. unterschiedliche Gehäusevarianten. Schau ins Datenblatt Deines Chips. > 4. Wie schnell werden meine LED ca. dann eigentlich maximal Blinken? Rechne es aus, ich bin zu faul, für Dich zu googeln ;-) Gruß, Bernhard
Bitte melde dich an um einen Beitrag zu schreiben. Anmeldung ist kostenlos und dauert nur eine Minute.
Bestehender Account
Schon ein Account bei Google/GoogleMail? Keine Anmeldung erforderlich!
Mit Google-Account einloggen
Mit Google-Account einloggen
Noch kein Account? Hier anmelden.
