Hallo, wir haben in der Schule das Projekt Lautstärkeampel und haben bereits die Idee gehabt dies mit dem Bauplan auf folgender Seite zu realisieren: http://www.pira.cz/enbar.htm . Nun ist aber das Problem aufgetreten, dass dieser nur einen Erkennungsbereich von 30 dB hat, auf einer anderen Seite haben wir gelesen, dass man dies in Reihe schalten kann und sich somit der Erkennungsbereich auf 90 dB vergrößert. Nun ist die Frage, wie können wir dies bewerkstelligen. In Anhang sind 2 Ideen von uns. Die Werte der Bauteile sind auf der Seite (http://www.pira.cz/enbar.htm) vorhanden. Wir würden uns über sinnvolle Hilfe freuen. Liebe Grüße.
Im Datenblatt des Chips befindet sich ein Schaltplan für dieden Anwendungsfall.
Ist es denn so interessant, die Lautstärke weit unterhalb des Werts zu beobachten? Reicht es nicht, anzuzeigen, dass die Lautstärke - im grünen/gelben/roten Bereich ist? Dafür reicht ein LM 3915. Die "poplige" Gleichrichtung in der Schaltung auf "http://www.pira.cz/enbar.htm" bringt NIEMALS 90 dB Dynamik!
Maximales Ausgaungssignal des LM386 < 12 Vpp Gleichgerichtet: < 6 Vp Schwellspannung des Gleichrichters (1N4148) = 0,6 V 6 V / 0,6 V = 10 Umgerechnet in dB: 20 * log(6/0,6) = 20 dB Damit ist schon EIN LM3915 unterfordert...
Vielleicht hilft das hier ein wenig weiter: http://www.eeweb.com/blog/circuit_projects/volume-unit-measurement-with-lm3915-and-lm3916
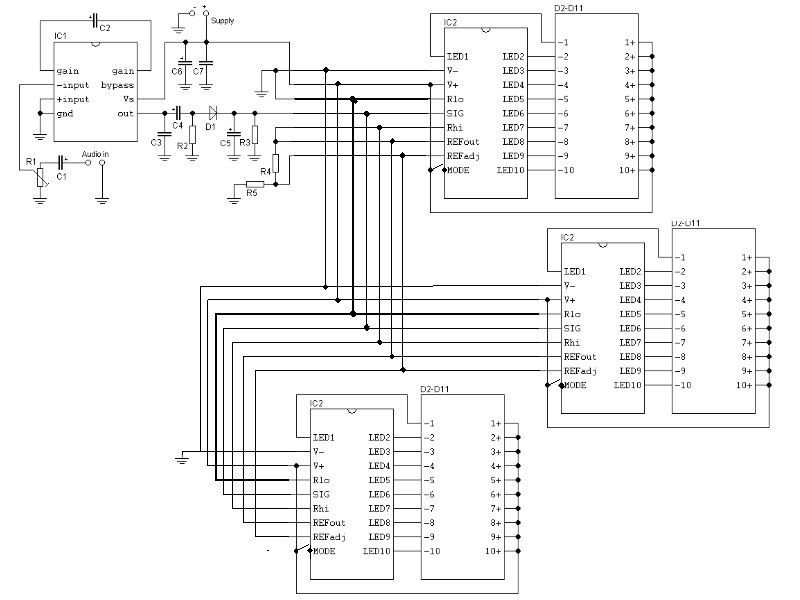
http://www.eeweb.com/blog/circuit_projects/volume-unit-measurement-with-lm3915-and-lm3916 Die funktion habe nicht so verstanden warum beide Chips benutzt werden. Sind das dann zwei unterschiedliche Anzeigen, oder warum werden zwei LM-ICs benutzt??
Max .x schrieb: > oder warum werden zwei > LM-ICs benutzt?? hat was mit der auflösung und dem anzeigeumfang zu tun. siehe hier... http://www.homepage-baukasten-dateien.de/prytek/47486-vu-meter-vu19.pdf
Max .x schrieb: > http://www.eeweb.com/blog/circuit_projects/volume-unit-measurement-with-lm3915-and-lm3916 > > Die funktion habe nicht so verstanden warum beide Chips benutzt werden. > Sind das dann zwei unterschiedliche Anzeigen, oder warum werden zwei > LM-ICs benutzt?? Von der eigentlichen Funktion, d.h. Ansteuerung der LEDs etc., sind sie identisch, aber schau Dir mal die dB-Skalierung bei beiden ICs genauer an. Dann sollte Dir ein kleiner aber feiner Unterschied auffallen. Diese 19-LED-Lösung halte ich vom Anzeigeumfang für die am Sinnvollsten. Werte kleiner -40dB hat man, sobald die 'Musik' einsetzt, eher sehr selten, es sei denn man hört Klassik mit z.B. sehr leisen Streicherpassagen. ;-) Es kursieren in Internet auch Lösungen mit Empfindlichkeiten ferner der -60dB, aber man wird dann sehen, dass sich fast alles bei Rock und Pop oberhalb von -10dB bewegt. Wozu dann also höhere Empfindlichkeiten - es sei denn man braucht eine 'LED-Beleuchtungsanlage' für's DJ-Mischpult sobald ein Musiksignal vorhanden ist. ;-)
d.h das eine IC zeigt dann den oberen Bereich an und das andere den unteren, der dann feiner aufgelöst ist?
Max .x schrieb: > d.h das eine IC zeigt dann den oberen Bereich an und das andere den > unteren, der dann feiner aufgelöst ist? Ola, der 'untere' Bereich ist eher der, der die niedrigerer Spannung hat, also der, der von -40dB bis -13dB in konstanten 3dB-Schritten geht - abgedeckt vom LM3915. Folglich ist dann der Bereich von -10dB bis +3dB der 'obere' Bereich, gestuft in 3dB|3dB|2dB|2dB|2dB|1dB|1dB|1dB|1dB - abgedeckt vom LM3916.
Danke für die Antworten, wenn wir weitere Fragen haben werden wir uns nochmal melden. Hilfsbereites Forum hier :D LG
Beim Input können wir ein normales (Elektret-)Kondensatormikro verwenden, oder?
dfbjo adkdwngp schrieb: > Beim Input können wir ein normales (Elektret-)Kondensatormikro > verwenden, oder? Nicht direkt! Solche Mikrofone liefern a) nur eine sehr geringe Spannung und bedürfen deshalb einer entsprechenden Verstärkung und b) auch einen entsprechenden Vorverstärker, der noch die Phantomspeisung für's Mikrofon beinhaltet. Ein dynamisches(!) Mikro (hat i.d.R. nur zwei Anschlüsse und ist im Prinzip wie ein dyn. Lautsprecher-Chassis aufgebaut - eine sich bewegende Schwingspule in einem homogenen Magnetfeld) benötigt z.B. nur einen 'normalen' Verstärker mit hoher Verstärkung. Elektret- und Kondensatormikrofone (können bis zu drei Anschlüsse haben) weisen einen eingebauten (FET-)Verstärker auf, der irgendwo seine Betriebsspannung her bekommen muss. Entweder indirekt (bei 2-poligen Mikrofonen) über einen Gleichstrompfad mit einem (Arbeits-)Widerstand zu einer positiven Betriebsspannung oder direkt (bei den 3-poligen Mikrofonen) über den dritten Anschluss. Aber allgemein gilt: Immer genau das Datenblatt des Mikrofons studieren.
So, wir hatten vor nun diesen Schaltplan zu verwenden (http://www.eeweb.com/blog/circuit_projects/volume-unit-measurement-with-lm3915-and-lm3916), beim input wollen wir dieses mikro ranhängen (http://www.conrad.de/ce/de/product/302104/Elektret-Mikrofonkapsel-MCE-101-Betriebsspannung1-10-VDC-Empfindlichkeit-46-dB-Frequenzbereich50-12-000-Hz/?ref=detview1&rt=detview1&rb=2). Nun ist eigentlich nur noch die Frage, ob ich den 3. Eingang an den Pluspol hängen muss?
>>Nun ist eigentlich nur noch die Frage
bei COnrad auf den Reiter "Datenblatt" klicken, da steht alles drin. Das
Mikro hat nur 2 Anschlüsse!
JJ
Hallo, ich habe den Schaltplan mal mit Eagle abgezeichnet. Vielleicht hat jemand Interesse. Ein Layout habe ich noch nicht fertig. Vielleicht könnte man das zusammen optimieren
Oooch, bitte - nicht jeder hat EAGLE, also mach bitte a) einen Screenshot vom Schaltplan und b) nimm für den TL072 bitte im Schaltplan nicht das 8-polige Gehäuse sondern das übliche OpAmp-Schaltbild, das erleichtert ungemein die Lesbarkeit. Bei den LM391x sei es mir (und vmtl. auch anderen) egal. Es fehlt weiterhin der DC-Pfad von der Versorgungsspannung zum Mikro (siehe DB vom Mikro, ganz unten rechts - was rechts von Terminal 1 u. 2 ist musst(!) DU noch in Deinen Schaltplan übernehmen) ohne das nichts laufen wird. Des weiteren fehlt noch der eigentliche Mikrofon-Vorverstärker der das maue Mikrofonsignal auf ein Maß verstärkt damit die LM391x überhaupt etwas anzeigen können. Da das Mikro nur eine Empfindlichkeit von -46dB hat (bezogen auf eine Referenz von 94dbSPL), was umgerechnet etwa 5mV/Pa sind, werden nur wenige müde Millivolt aus dem Mikro (auch bei Nahsprechen) rauskommen.
Dann tut es mir leid für die, die kein eagle haben. Es ging nur darum, dass ich es in eagle abgezeichnet habe und wenn es jemand interessiert kann er sich damit ein Layout machen. Nicht mehr nicht weniger. Ich wüsste nicht, wie man mit einem Screenshot die Platine routen soll. War nur gedacht für die, die es ggf gebrauchen können. In meinem Fall würde ich eine Linequelle anschließen.
max schrieb: > Dann tut es mir leid für die, die kein eagle haben. Es ging nur darum, > dass ich es in eagle abgezeichnet habe und wenn es jemand interessiert > kann er sich damit ein Layout machen. Nicht mehr nicht weniger. Akzeptiert. Aber dann akzeptiere auch Du, dass man in einem Schaltplan i.d.R. auch die entsprechende Symbolik benutzt, d.h. für einen OpAmp das übliche 'Dreieck' und nicht das (DIL-8-)Gehäuse - das kommt erst bei der Platine. > Ich wüsste nicht, wie man mit einem Screenshot die Platine routen soll. Geht das in EAGLE nicht? Ich habe mir nur mal den Viewer installiert wenn ich mich recht erinnere und mache mit EAGLE sonst nichts. > War nur gedacht für die, die es ggf gebrauchen können. Trotzdem - mir (und vmtl. auch vielen anderen) sind die Schaltbilder mit den blanken Gehäusen sicherlich ein Graus, insbesondere dann, wenn man nicht die Funktion der einzelnen Pins erkennen kann. Wenn sie wenigstens noch mit kurzen Labels versehen wären wie [+], [-], [OUT], usw. wäre es ggf noch zu 'ertragen'. ;-) > In meinem Fall würde ich eine Linequelle anschließen. Für den Anschluss eines LINE-Ausgangs vom Vorverstärker/Mischpult dürfte es wohl gehen, obwohl ich mir jetzt nicht im Detail die Ein-/Ausgänge des OpAmps im DIL-8 angeschaut habe.
Uups tut mir leid, da hab ich mich verguckt, da in dem Schaltbild 3 Anschlüsse gezeigt werden ( Output +Vs und Ground) ist das mikro geeignet? Wird es intern verstärkt? Das dachte ich ,weil ich das mit dem FET- Verstärker hier im forum gelesen habe Und danke nochmals für die AWs
Bitte melde dich an um einen Beitrag zu schreiben. Anmeldung ist kostenlos und dauert nur eine Minute.
Bestehender Account
Schon ein Account bei Google/GoogleMail? Keine Anmeldung erforderlich!
Mit Google-Account einloggen
Mit Google-Account einloggen
Noch kein Account? Hier anmelden.

