Guten tag, Ich habe eine frage und zwar gibt es ja überwiegend Boards mut Mikrocontrollern auf die man über USB mit strom versorgen kann. Diese haben aber meistens nur einen ausgang von maximal 5v an jdem pin. Gibt es mikrocontroler die mehr als 5 Volt ausgeben? wenn nein gibt es eventuell eine andere Lösung um auf mehr spannung zu kommen ohne auf relais zurückkommen zu müssen? Danke für antworten ;) lg
Ingo schrieb: > Fang am besten mit den Grundlagen an, nicht mit uC. Das beantwortet meine frage nun aber auch nicht
Wenn du nur höhere Spannungen schalten willst. --> Transistor Wenn du 5V in eine höhere Spannung wandeln willst. --> Step-Up-Converter
tim l. schrieb: > Ingo schrieb: >> Fang am besten mit den Grundlagen an, nicht mit uC. > Das beantwortet meine frage nun aber auch nicht Das nicht, aber du würdest die Antwort sowieso nicht begreifen, wenn du derartige Fragen stellst, aber Bitte: Transistor, Treiber, Pegelwandler um nur mal die einfachsten Lösungen zu nennen.
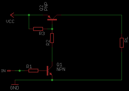
tim l. schrieb: > Guten tag, > Ich habe eine frage und zwar gibt es ja überwiegend Boards mut > Mikrocontrollern auf die man über USB mit strom versorgen kann. Diese > haben aber meistens nur einen ausgang von maximal 5v an jdem pin. Gibt > es mikrocontroler die mehr als 5 Volt ausgeben? nein. > wenn nein gibt es > eventuell eine andere Lösung um auf mehr spannung zu kommen ohne auf > relais zurückkommen zu müssen? Danke für antworten ;) z.B. mit zwei Transistoren wie im Bild gezeigt (Prinzipschaltung). RL ist dabei Dein Verbraucher, Vcc die Versorgungsspannung des Verbrauchers (die problemlos deutlich höher als die des Controllers sein kann), und IN ist der Eingang für das Steuersignal. Bleibt die Frage: woher bekommst Du die Versorgungsspannung für den zu schaltenden Verbraucher. In der Regel kannst Du den ohnehin nicht vom USB betreiben, daher nimm ein passendes Netzteil dafür. Mit dem kannst Du dann auch gleich den Rest der Schaltung versorgen. fchk
Vielen dank das war bisjetzt die hilfreichste Antwort :-) jetzt bin ich schonmal einen Grossen schritt weiter
Bitte melde dich an um einen Beitrag zu schreiben. Anmeldung ist kostenlos und dauert nur eine Minute.
Bestehender Account
Schon ein Account bei Google/GoogleMail? Keine Anmeldung erforderlich!
Mit Google-Account einloggen
Mit Google-Account einloggen
Noch kein Account? Hier anmelden.
