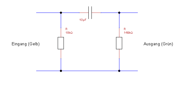
Hallo, ich hoffe ich werde nicht für den Betreff gelyncht. Ich habe euch mal einen Schaltplan und einen Screenshot aus meinem Oszi abgehangen. Wäre jmd. so nett und würde mir erklären wie das ganze funktioniert und wie man so eine Schaltung nennt? Für mich sieht es so aus wie ein Pass (RC-Glied) aber es entsteht eine Art "Nullpunkt" Verschiebung. Schaltung funktioniert tadellos und macht was sie soll, aber ich möchte sie verstehen. Die Schaltung macht aus dem 0 bis 5V Eingangssignal (Kommt aus einem DA-Wandler) -2.5 bis 2.5V am Ausgang. Danke und Gruß Fabian
Die Nullpunktverschiebung entstehet, weil der Kondensator die Gleichspannung sperrt und nur den AC-Teil durchlässt. Das wird ein einfacher RC Hochpass sein.
Aus dem Auf- und Entladestrom des Kondensators bei 0 bis 5V Eingangsspannung wird ein Umladestrom am Ausgang, welcher je nach Stromrichtung positiv oder negativ am Ausgangswiderstand erscheint. Der untere Anschluss des Ausgangswiderstandes bestimmt das neue Bezugspotential des Signales.
Danke für die schnelle Hilfe. Gibts da irgendein Stichwort das mir im Internet hilft das ganze noch genauer zu verstehen. Unter Umladstrom konnte ich nichts finden.
Da der Ausgang des DAC im Vergleich zum linken Widerstand der Schaltung (18 kΩ) offensichtlich niederohmig ist, hat dieser Widerstand keine Funktion (außer, dass er den DAC belastet). Lässt man ihn weg, bleibt ein gewöhnlicher RC-Hochpass übrig, über den du u.a. im Wikipedia mehr nachlesen kannst: http://de.wikipedia.org/wiki/Hochpass http://de.wikipedia.org/wiki/RC-Glied
Ich würde auf eine Gleichspannungssperre tippen. Ohne den Gesamtzusammenhang ist das aber schwer zu beurteilen.
Mit einem Hochpass kann ich auch sehr gut leben, aber diese vertikale Signalverschiebung verstehe ich noch nicht ganz.
Fabian O. schrieb: > aber diese vertikale > Signalverschiebung verstehe ich noch nicht ganz. Kein Eingangssignal: Spannung am Ausgang entspricht der am unteren Anschluss des Ausgangswiderstandes, da der Kondensator keine Gleichspannung durchlässt. Nun kommt ein Wechselsignal an den Eingang. Der Kondensator wird über den Widerstand am Ausgang auf den neuen Spannungswert geladen bzw. entladen, d.h. die abfallende Spannung am Ausgangswiderstand ändert die Polarität. Das ist der Wechselspannungsanteil der Eingangsspannung mit nun dem Bezugspunkt, welcher dem unteren Anschluss des Ausgangswiderstandes entspricht.
Oder, um es in Begriffen der Filtertechnik auszudrücken: Das Ganze ist ein Hochpass (das hast du ja schon akzeptiert). Der Gleichanteil eines Signals hat die Frequenz 0Hz und ist der zeitliche Mittelwert des Signals. Der Gleichanteil des Eingangssignals beträgt etwa 2,5V. Der Hochpass lässt seinem Namen entsprechend bevorzugt hohe Frequenzen durch. Bei der niedrigsten aller denkbaren Frequenzen, nämlich 0Hz, sperrt er vollständig. Damit entfernt der den Gleichanteil des Eingangssignals. Das Ausgangssignal hat also einen Gleichanteil von 0V, d.h. der zeitliche Mittelwert des Ausgangssignals ist ebenfalls 0V. Genau das zeigt auch der Oszi-Screenshot.
Bitte melde dich an um einen Beitrag zu schreiben. Anmeldung ist kostenlos und dauert nur eine Minute.
Bestehender Account
Schon ein Account bei Google/GoogleMail? Keine Anmeldung erforderlich!
Mit Google-Account einloggen
Mit Google-Account einloggen
Noch kein Account? Hier anmelden.

