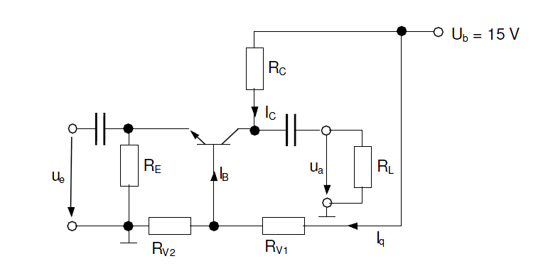
Hallo, ich frage mich in welcher Grundschaltung der Transistor hier betrieben wird. Zunächst dachte ich an eine Basisschaltung, da aber Ua und Ue beide über GND gemessen werden, glaube ich mittlerweile dass es eine Kollektorschaltung ist. Was ist richtig? Bitte wenn möglich mit Erklärung, danke!
Hans schrieb: > Was ist richtig? Es ist die Basisschaltung. Über den Spannungsteiler R1/R2 liegt die Basis auf einem festen Potential, das Signal wird in den Emitter eingespeist und der Ausgang ist der Kollektor.
Daumelregel: Der Anschluss mit fester Spannung bestimmt den Namen. Bei Basis- und Kollektorschaltung stimmt das ziemlich wörtlich, bei Emitterschaltung kann ein Rückkopplungswiderstand die Einschätzung erschweren.
Gestern hatte ich schon versucht zu antworten, aber das war mit meinem Handy etwas schwierig. Die gegebene Schaltung ist definitiv eine Basis-Schaltung (was noch besser zu sehen wäre, wenn parallel zu RV2 ein Kondensator angeschaltet wäre). Grundsätzlich zur Bezeichnungsweise der Transistorgrundschaltungen. Die Schaltung wird danach bezeichnet, wessen Anschluß wechselstrommäßig (also signalseitig) an Masse angeschaltet ist. Hier ist zu beachten, das Wecheselstromseitig die Betriebsspannung ein Kurzschluß gegen Masse ist (kann man sich leicht vorstellen wenn man weiß, dass über jeder Betriebsspannung ein "dicker" und ein "kleiner" Kondensator sitzt, der eventuelle Wechsel- und Brummspannungen kurzschließt). Für ein Wechselspannungssignal ist die Betriebsspannung also genauso Masse wie die Masse selbst. Bei einem Ersatzschaltbild zeichnet man die Betriebsspannung dann auch als "Kurzschluß", es gibt also nur eine Masseleitung. Zur gegebenen Schaltung: RV1 und RV2 bilden einen Spannungsteiler, die Spannung Basis-Masse ist annähernd konstant und wechselspannungsfrei (und wäre ein Kondensator angeschaltet wäre das besser). Wird am Emitter ein Signal eingespeist und steigt die Spannung am Emitter, so verringert sich die Ube des Transistors (weil ja U Basis-Masse konstant ist). Durch diese verringerte Ube verringert sich auch automatisch der Basisstrom und somit leitet der Transistor weniger (dynamischer Widerstand rce ist größer geworden). Das Ausgangssignal wird am Kollektor abgegriffen und liegt somit an der Reihenschaltung von rce und RE an. Da rce mit steigendem Eingangssignal gestiegen ist und am größeren Widerstand die größere Spannung anliegt, steigt die Spannung am Ausgang proportional zur Eingangsspannung (es liegt also keine Phasendrehung vor). -------------------------------------- Vorliegende Schaltung (wie alle Basisschaltungen) besitzt folgende Eigenschaften: - keine Phasenverschiebung - sehr kleiner Eingangswiderstand (maßgeblich in der Größe von RE) - relativ hoher Ausgangswiderstand - Stromverstärkung kleiner 1 - Spannungsverstärkung größer 1 Häufigster Einsatz: Antenneneingangsverstärker und in Kombination mit einer Kollektorschaltung als "Emittergekoppelter Spannungsverstärker ohne Phasendrehung"... Hoff ich, dass ich das so ohne Bildchen gut verständlich erklären konnte, Gruß, Ralph
Hallo, vielen Dank für die schnellen Antworten und die sehr ausführliche Antwort! Hat meinem Verständnis sehr geholfenen, Danke!
Bitte melde dich an um einen Beitrag zu schreiben. Anmeldung ist kostenlos und dauert nur eine Minute.
Bestehender Account
Schon ein Account bei Google/GoogleMail? Keine Anmeldung erforderlich!
Mit Google-Account einloggen
Mit Google-Account einloggen
Noch kein Account? Hier anmelden.
