Hallo, ich habe versucht einen Induktionsgeber an einen OpAmp anzuschließen, allerdings funktioniert das ganze nicht ganz so wie ich mir das vorstelle. Der Induktionsgeber ist vor einem Zahnrad befestigt, das sich dreht, und das Oszi gibt mir auch eine schöne Welle an. Jetzt möchte ich das ganze aber in einen µController schicken, und da ist einen schöne Rechteckswelle von Nöten. Also hab ich mir gedacht, ich schließe einfach die beiden enden des Induktionsgebers an die Eingänge an, und bekomme eine Rechteckswelle raus. Leider tut sich da gar nichts. Die Ausgangsspannung bleibt konstant 5V (OpAmp bekommt 5V an VDD und 0V an VSS) Also hab ich ein wenig rumgebastelt und bin fast verrückt geworden weil nichts so funktioniert hat, wie ich mir das gedacht habe. Irgendwann hab ich mal einen Eingang an VDD gelegt und den Induktionsgeber über VDD an den anderen Eingang (Invertiert oder nicht ist egal, würde ja meines wissens hier eh nur das Signal invertieren). Jetzt funktioniert das ganze, allerdings geht die Ausgangspannung nicht auf 0V, sondern auf etwa 2V herunter. Als Last hängt eine Diode mit Vorwiderstand am Ausgang. Wie kriege ich den bösen OpAmp dazu ein schönes Signal von 0V - 5V auszugeben? Ich bin am verzweifeln... Welche Teile das genau sind kann ich leider gerade nicht sagen. Der Aufbau ist auf einer Steckplatine in der Werkstatt und ich bin daheim und hab Grade etwas Zeitdruck. Schaltplan reich ich nach sobald ich ein wenig mehr Zeit habe. Danke schonmal für Ratschläge.
Benedikt W. schrieb: > Danke schonmal für Ratschläge. Dafür gibt es Komparatoren. Deine Beschreibung hört sich so an, als ob du auch keinen Rail-to-Rail OpAmp verwendest. Bei solchen Problemen ist ein Schaltplan mit den Typenbezeichnungen deutlich hilfreich und schneller zu überblicken, als ein langer Text.
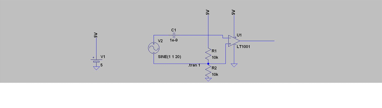
So, ich hab mal eben eine kleine Zeichnung gemacht. Datenblatt OpAmp: http://www.datasheetcatalog.org/datasheet/philips/MC1458.pdf
Ich sollte vielleicht noch mal genau erklären was ich genau bezwecken will. Ich bekomme aus dem Induktionsgeber ein Signal das einem Sinus sehr ähnlich ist. (Das graue Rad in der Zeichnung sollte eigentlich gleichmäßig bezahnt sein) Und ich will einfach nur wissen ob das Signal gerade positiv oder negativ ist, um einem µC zu füttern.
Ich verwende für solchwas Hallsensoren, welche bei N einschalten und erst bei S wieder abschalten.
Michael D. schrieb: > Ich verwende für solchwas Hallsensoren, welche bei N einschalten und > erst bei S wieder abschalten. Angenommen es MUSS ein Induktionsgeber sein. Mich interessiert eigentlich am meisten warum meine Schaltungen nicht funktionieren. Bzw warum sie so funktionieren wie sie es tun...
Benedikt W. schrieb: > Mich interessiert > eigentlich am meisten warum meine Schaltungen nicht funktionieren Die einstellung gefällt mir. Was passiert, wenn du + und - umdrehst? Wass passiert wenn du den einen Eingang mit einem kleinen C Gleichspannungsentkoppelst? |\ | \ ------+-------| +\ | | \ - | \ | | | \_____________ | | | / - | / | | | | / -| |--+-------| -/ | | | / |/
> Was passiert, wenn du + und - umdrehst? Es dreht sich halt um, ist mir im moment aber relativ egal :( > Wass passiert wenn du den einen Eingang mit einem kleinen C > Gleichspannungsentkoppelst? Hab ich probiert, habe aber immernoch das gleiche Problem. Habe das auch schon mit nem anderen OpAmp geprüft, also kaputt ist er nicht. Ich hab nochmal ne schönere Zeichnung gemacht, wies im Moment aussieht. (Das Oszi-Bild unten wäre vom Output (4) vom OpAmp auf Masse (3)) Bitte Hilfe, ich verzweifle langsam x.x
Ich hab jetzt noch ein wenig gebastelt, und es funktioniert jetzt auch genau so wie es soll, aber zufrieden bin ich immernoch nicht. Ich will wissen wie das NUR mit einem OpAmp geht, das MUSS doch gehen!
und warum verwendest du keinen Komparator? Die gibt es ja fix und fertig. So wie du den OP betreibst, liegt ja + permanent auf 5V und somit an der positiven Versorgung. Und da kann man nicht erwarten, dass der OP noch richtig funktioniert, außer es ist ein rail to rail Typ. Ich weiß nun nicht, was der OP in deinem Fall am Ausgang liefert (keine Zeit etc...), aber wenn du es so machst wie im Bild, liegen an den Eingängen 2.5V und das Betriebsverhalten sollte besser definiert sein. Ein Komparator ist aber denke ich, was du benötigst.
Benedikt W. schrieb: > Jetzt funktioniert das ganze, allerdings geht die Ausgangspannung nicht > > auf 0V, sondern auf etwa 2V herunter. Der MC1458 ist ein zweifach UA741. Das ist kein Rail-To-Rail Operationsverstärker. Der bleibt typischerweise - je nach Last - an seinem Ausgang 1-2V von den Versorgungsspannungsgrenzen weg. Zudem ist der auch nicht für eine unipolare Versorgung von 5V geeignet, da der Eingangsspannungsbereich 2-3V von den Grenzen der Versorgungsspannung wegbleiben muss. Also Eingangsspannungsbereich bei +5V-Versorgung Low: 2V und High: 3V Mit viel Pech: Low 3V, High 2V!
Du solltest dir dringend mal Grundschaltungen eines OPs anschauen. Ein operationsverstärker benutzt man nicht einfach so. Da seine Verstärkung extrem hoch und auch stark temperaturabhängig ist muss man ihn zwingend rückkoppeln, wo wir wieder bei OP Grundschltungen sind. Man lernt manchmal besser indem man ein gutes Buch liest.
Das Problem hatte ich schon öfter - das einfachste ist es, den 1458 rauszuziehen und einen LM393 reinzustecken. Jetzt noch ein paar Pullups an die Ausgänge und du hast ein sofort MC-kompatibles Signal ohne jeglich Klimmzüge.
> Ich hab jetzt noch ein wenig gebastelt, > und es funktioniert jetzt auch genau so wie es soll, Das wundert mich, denn der MC1458 hat gar keinen so grossen common mode input voltage Bereich, der misst gar keine 5V wenn er mit 5V versorgt wird. Der MC1458 ist auch überhaupt nicht für eine so niedrige Versorgungsspannung von +5V gemacht, er will wenigstens +/-5V, also 10V um dann bloss +/-2.5V, also 5V am Ausgang liefern zu können, bei 5V würde der also gar nichts mehr am Ausgang liefern, zumindest laut Datenblatt, Nimm mindestens eine single supply OpAmp wie LM358, doer besser einen Rail-To-Rail OpAmp wie TS922 für die Schaltung. Bau es so: +----------+------ +5V | | 10k | | | LM358 +---------|+\ LED | | >-- uC --1k--|<|-- +5V +--Spule--|-/ | | 10k | | | +----------+----- GND und noch besser ist es, wenn du eine kleine Hysterese einbaust +----------+------ +5V | | 10k +---(--100k--+ | | | | +--1k--+--|+\ | | | >------+-- uC +--Spule--|-/ | | 10k | | | +----------+----- GND
Bitte melde dich an um einen Beitrag zu schreiben. Anmeldung ist kostenlos und dauert nur eine Minute.
Bestehender Account
Schon ein Account bei Google/GoogleMail? Keine Anmeldung erforderlich!
Mit Google-Account einloggen
Mit Google-Account einloggen
Noch kein Account? Hier anmelden.



