Forum: Platinen KiCAD: ERC Problem


Announcement: there is an English version of this forum on EmbDev.net. Posts you create there will be displayed on Mikrocontroller.net and EmbDev.net.
von maria c. (czerny)


Angehängte Dateien:

Lesenswert?

Hallo,

ich bin KiCAD-Anfänger und kann das folgende Problem nicht richtig 
lösen:

Beim ERC bekomme ich folgende Fehlermeldung
1
ERC Bericht (03.06.2013 12:26:40)
2
3
***** Schaltplan /
4
ErrType(3): Pin ist mit anderen Pins verbunden, wird jedoch von keinem angesteuert
5
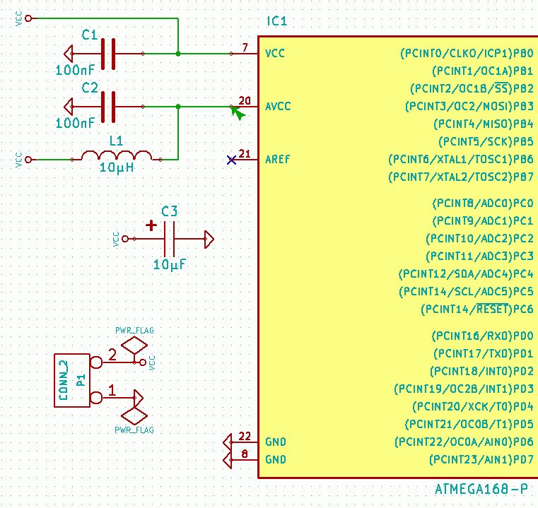
    @ (154,94 mm,74,93 mm): Pin 20 (power_in) von Bauteil IC1 wird nicht angesteuert (Netz 25).
6
7
 >> ERC Fehler: 0
siehe grüner Pfeil an PIN 20.

Wenn ich die Spule durch eine direkte Verbindung ersetze, ist alles ok.
Aber natürlich will ich meine Spule behalten.

Wenn ich den PIN 20, der jetzt ein Spann. Eingang ist, zu einem Eingang 
abändere, dann ist auch alles ok.
Aber der original PIN-Typ macht ja Sinn.

Wie löse ich dieses Problem richtig? Was habe ich falsch gemacht?

von Gebhard R. (Firma: Raich Gerätebau & Entwicklung) (geb)


Lesenswert?

Vermutlich hast du alle 2 Spulenanschlüsse auf input gesetzt. Gibt's im 
KICAD nicht auch allgemeine Pins, die sowohl als Ein als auch Ausgang 
fungieren können?

Grüsse

von hp-freund (Gast)


Lesenswert?

Spendier ihm noch ein PWR_FLAG

von maria c. (czerny)


Lesenswert?

Gebhard Raich schrieb:
> Vermutlich hast du alle 2 Spulenanschlüsse auf input gesetzt. Gibt's im
> KICAD nicht auch allgemeine Pins, die sowohl als Ein als auch Ausgang
> fungieren können?

Die beiden Spulenanschlüße sind tatsächlich auf 'Eingang' gesetzt. 
Allerdings
habe ich das gleiche Problem, wenn ich die Spule durch einen Widerstand 
ersetze und bei Widerständen sitzen die Anschlüße auf 'passiv'.

von maria c. (czerny)


Lesenswert?

hp-freund schrieb:
> Spendier ihm noch ein PWR_FLAG

Wie lautet Deine Begründung für ein drittes PWR_FLAG?

von Ich (Gast)


Lesenswert?

maria czerny schrieb:
> hp-freund schrieb:
>> Spendier ihm noch ein PWR_FLAG
>
> Wie lautet Deine Begründung für ein drittes PWR_FLAG?

KiCAD kann nicht wissen, dass sich hinter der Spule auch ein 
Versorgungs-Netz befindet - und genau das teilst du mit dem PWR_FLAG mit 
:-)

von maria c. (czerny)


Lesenswert?

Ich schrieb:
> maria czerny schrieb:
>> hp-freund schrieb:
>>> Spendier ihm noch ein PWR_FLAG
>>
>> Wie lautet Deine Begründung für ein drittes PWR_FLAG?
>
> KiCAD kann nicht wissen, dass sich hinter der Spule auch ein
> Versorgungs-Netz befindet - und genau das teilst du mit dem PWR_FLAG mit
> :-)

Die Probe bestätigt, was Du sagst! Vielen Dank!

Trotzdem verstehe ich das ganze noch nicht. Geht KiCAD grundsätzlich 
davon aus, daß ein Bauteil in einer Versorgungsleitung die 
Versorgungsspannung modifiziert? Daß sich hinter der Spule ein 
Versorgungsnetz befindet, sollte KiCAD wissen, schließlich habe ich 
alles schön über Vcc verknüpft.

von Bernd W. (berndwiebus) Benutzerseite


Lesenswert?

Hallo maria czerny.


>
> Trotzdem verstehe ich das ganze noch nicht. Geht KiCAD grundsätzlich
> davon aus, daß ein Bauteil in einer Versorgungsleitung die
> Versorgungsspannung modifiziert? Daß sich hinter der Spule ein
> Versorgungsnetz befindet, sollte KiCAD wissen, schließlich habe ich
> alles schön über Vcc verknüpft.

Du erwartest zu viel von "künstlicher intelligenz". ;O)

Kicad hat dort (vermutlich) einen recht einfachen Algorithmus. Z.B: : 
Schaue in jedem Netz mit mindestens einem  Eingang, ob es eventuell von 
einem anderen Ausgang angesteuert wird, oder ob es direkt an einer 
Spannungsquelle anliegt.
Es werden nur die Eigenschaften der direkt am Netz liegenden Pinne 
untersucht. Passive Bauteile, und dazu gehören eben auch 
Pullup/Pulldown-Widerstände, Entstördrosseln oder Sicherungen, haben 
passive Pinne.....und werden so nicht als "Ansteuerung" erkannt. 
Zumindes bis vor ca. 5 Jahren war das ein übliches Vorgehen, auch in 
anderen Programmen.

Wenn Du mehr willst, dann wird es sehr schnell sehr kompliziert. 
Ausserdem geht das über den
Zweck eines ERCs hinaus. Ein ERC soll schnell mit einfachen Algorithmen 
testen ob keine groben Fehler gemacht wurden, z.B. Anschlüsse vergessen 
oder der gleichen....um sinnvoll z.B. einen Pullup-Widerstand 
einschätzen zu können, müsste der Algorithmus auch Datenblätter lesen 
können und den Widerstand auf Plausibilität berechnen. ;O)

Aus dem Grunde halte ich es auch nicht für sinnvoll, den Widerstand auf 
einer Seite mit einem Powerflag zu versehen, nur damit die ERC Warnungen 
aufhören. Die Warnung ist wichtig, aber wenn Du erkannt hast, das sie im 
speziellen Fall überflüssig ist, einfach ignorieren. ;O)

Aber ein Powerflag, der in Wirklichkeit ein Widerstand ist, kann 
problematischere situationen verschleiern, wenn Du Ihn irgendwo 
einsetzt, weil dann keine Warnung kommt......

Mit freundlichem Gruß: Bernd Wiebus alias dl1eic
http://www.dl0dg.de

von hp-freund (Gast)


Lesenswert?

Na ja, beim AVCC des Atmega ist der Pin allerdings vom Typ 
Spannungseingang.
Deshalb braucht er meiner Meinung nach auch ein PWR_FLAG.
Was davor ist, oder evtl. eine extra Batterie oder sonst was sollte 
keine Rolle spielen.
Ist natürlich nur meine Meinung....

von maria c. (czerny)


Lesenswert?

Vielen Dank Bernd! Ich denke ich sehe jetzt klarer.

Bitte melde dich an um einen Beitrag zu schreiben. Anmeldung ist kostenlos und dauert nur eine Minute.
Bestehender Account
Schon ein Account bei Google/GoogleMail? Keine Anmeldung erforderlich!
Mit Google-Account einloggen
Noch kein Account? Hier anmelden.