Hi, ich baue für meine Regenzisterne (4M2 Regenwasser in Kunststoffzisterne, U-Boot Form) eine Füllstandsanzeige. Dazu verwende ich derzeit einen C-Control Micro (Anm: ab nächstem Projekt verwende ich nur mehr standard AVRs !), verschieden färbige LEDs zur Anzeige des Wasserstands und einen SRF02 (Ultraschall Sensor) mit I2C. Hat alles für 3 Tage super funktioniert. Leider ist der SRF02 jetzt verstorben. Ich vermute die hohe Luftfeuchtigkeit (obwohl die Elektronik in einem Minigehäuse mit Silikon geschützt ist) hat den SRF02 gekillt. Ich riskiere noch 1 Exemplar (hab noch 2 Stk vorrätig) und schau wie lang der hält. Ich hab jedoch einen "wetterfesten" Sensor I2CXL‑MaxSonar-WRC (MB7047) http://shop.boxtec.ch/i2cxl8209maxsonar-mb7047-p-41252.html (zum Horrorpreis von ca 100€) gefunden. Kennt den jemand? Wenn mein zweiter SRF02 verstirbt will ich mir den "Wetterfesten" gönnen. LG Kurt
Es gibt auch die US-Sensoren in wasserdichter Ausführung. Die sollte man problemlos gegen die auf der Platine austauschen können.
STK500-Besitzer schrieb: > Es gibt auch die US-Sensoren in wasserdichter Ausführung. > Die sollte man problemlos gegen die auf der Platine austauschen können. Auf die Idee bin ich gar nicht gekommen ..... Ich mach mich gleich auf die Suche, oder hast Du da einen link welchen "wasserdichten" Sensor ich in die SRF02 Platine stopfen kann? LG Kurt
Die in den Rückwärtfahr-Sensoren von Autos verbauten Dinger verwenden normal auch Ultraschall und sind an der Front natürlich wasserdicht, da sie ja in der Stoßstange sitzen. Hier ein paar Links wie man die Dinger nutzen kann: http://www.instructables.com/id/Hacking-Automotive-Ultrasonic-Sensors/ http://ph-elec.com/archives/ultrasonic-sensor-hacking-step-1/ Hab ich aber selbst noch nciht ausprobiert.
Gerd E. schrieb: > Die in den Rückwärtfahr-Sensoren von Autos verbauten Dinger verwenden > normal auch Ultraschall und sind an der Front natürlich wasserdicht, da > sie ja in der Stoßstange sitzen. > Hi Gerd, danke für die Info. Die Lösungen erscheinen mir machbar, für mich (newbie) aber doch ziemlich anspruchsvoll. Wo ich die Gesamtlösung (bis auf den funktionierenden Sensor) bereits fertig habe. Meine Wunschlösung wäre ein wasserdichter I2C fähiger US Sensor, damit ich meine Platine nicht neu bauen muss. Die SW ist schnell adaptiert ... LG Kurt
Ich habe so wasserfeste Dinger rumliegen. Das Problem ist, daß die lange nicht so empfindlich sind, wie die offenen... Ich konnte sie für meine Zwecke nicht sinnvoll einsetzen.
Bernd Rüter schrieb: > Ich habe so wasserfeste Dinger rumliegen. Das Problem ist, daß die lange > nicht so empfindlich sind, wie die offenen... > > Ich konnte sie für meine Zwecke nicht sinnvoll einsetzen. Was sind das für Sensoren? Hast Du ein Datenblatt oder link?
STK500-Besitzer schrieb: > Es gibt auch die US-Sensoren in wasserdichter Ausführung. > Die sollte man problemlos gegen die auf der Platine austauschen können. Hab verschiedene Foren durchsucht. Das haben schon einige probiert (steht auch in den FAQ von http://www.robot-electronics.co.uk/htm/sonar_faq.htm) und sind gescheitert. Da ich die Kennzahlen des originalen Sensors nicht kenne, fürchte ich, dass ich keinen kompatiblen wasserdichten Sensor finden kann.
Das sollen Murata s15e sein. Die normalen findest Du bei Reichelt als UST-40T und UST-40R. Da sieh Dir mal die dBs an...
Bernd Rüter schrieb: > Das sollen Murata s15e sein. > Die normalen findest Du bei Reichelt als UST-40T und UST-40R. > > Da sieh Dir mal die dBs an... Danke an Bernd für die Info. Hab mir die Datenblätter angesehen. Die Teile sind in der Tat wasserdicht. Aber leider nur die nakten Bauteile und ich hab nicht das Können daraus I2C fähige Bauteile zu stricken. (siehe meine Begründung 6 Antworten höher). LG
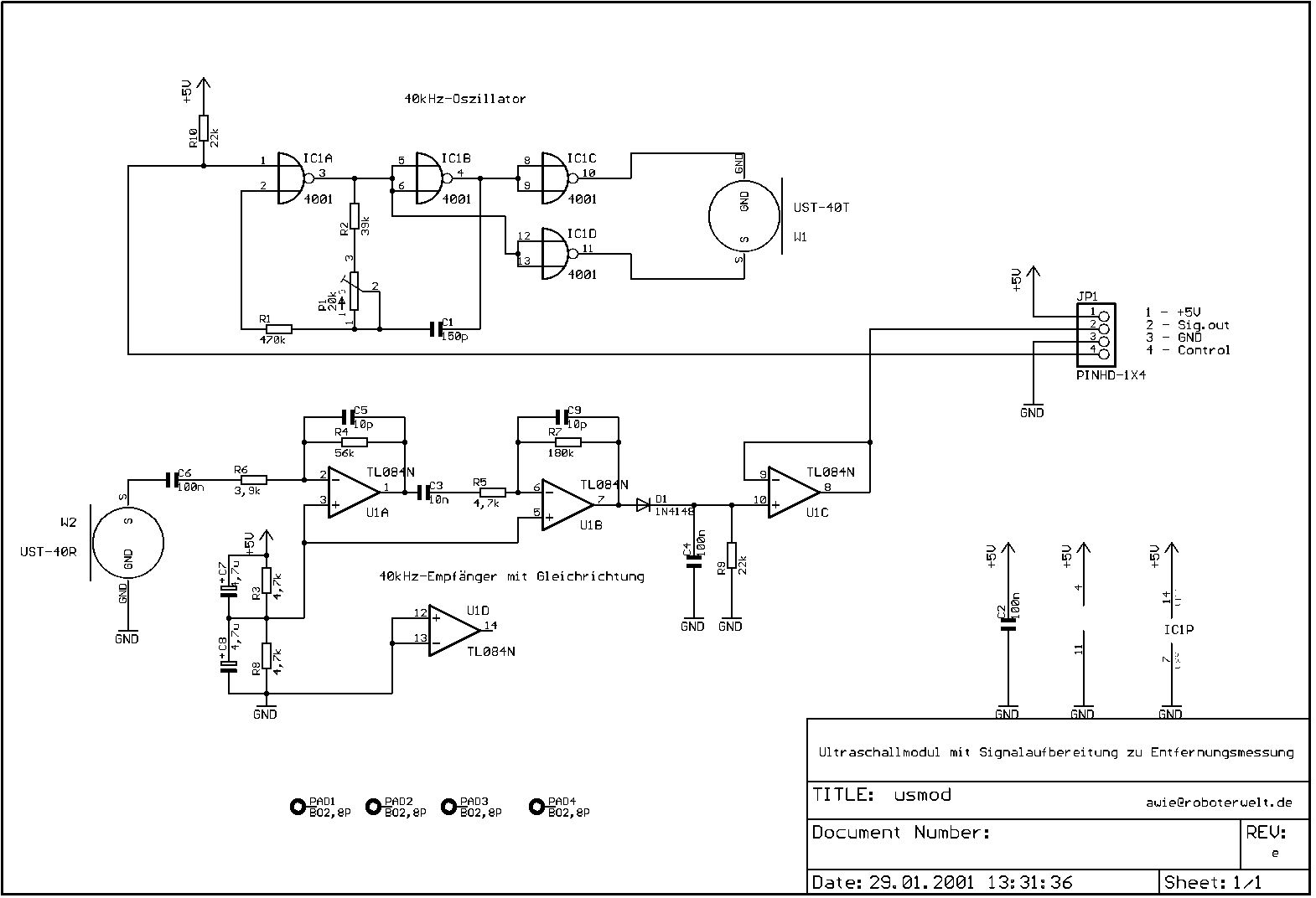
Kurt Burger schrieb: > Aber leider nur die nakten Bauteile > und ich hab nicht das Können daraus I2C fähige Bauteile zu stricken Wenn da sowieso schon 4 Leitungen (+,-,SDA und SCL) liegen, könntest du die auch für so ein Modul zweckentfremden, wie ichs mal angehängt habe. Ist nicht von mir, sondern von awie.
Ich habe folgende Vorgehensweise gewählt, nachdem ich die Phasen "Resignation und Frust" durchlebt habe: # Anstatt 2x 100€ für 2 wasserdichte US-Sensoren (1 Stk. spare) auszugeben hab ich das Geld lieber (mit einem kleinen Zuschuss) in ein DSO angelegt. Ich hab das RIGOL DS1052E beim Rekhirsch in Wien gekauft. # Ich pfeif auf die US-Lösung und bin auf die "kapazitätsmessungs Methode" umgstiegen. Ein verzinktes Eisenrohr in der richtigen Länge (1,6m) hatte ich in der Garage herumliegen, 1.5mm2 isolierter Kupferdraht war auch da. in 10 min war das Ding fertig. # Astabile Multivibrator Schaltung (was für ein toller Name :-) ) in ein Steckboard gebaut und mit Rohr verbunden. Das Ergebnis ist vielversprechend. # Heute teste ich das Rohr im Waser. Mal schauen wie gross die Messdifferenzen, verglichen mit dem trockenen Rohr, sind.
Zur Info, wenns interessiert ... Ich hab die "Astabile Multivibrator Schaltung" lt Datenblatt des 555-er dem Wasserrohrkondensator nachgeschalten. Umgebung: * Wasserrohr 1", 1,6m lang, standard verzinkt, Rohr hatte ich in Garage gefunden * 1,5mm2 Elektrodraht in Kupfer, standardmäßige Ummantelung, als Schlaufe im Zentrum des Rohrs geführt, mit Kabelbinder gespannt. * R1 und R2 (Positionen lt Datenblatt) je 4k7 Ohm Messergebnisse, gemessen an Pin 3 des 555-ers: # Rohr im Trockenen: Frequenz 224kHz, T(high) 3,7us, T(low) 800ns # Rohr 60 cm im Wasser: F 143kHz, Zeiten nicht aufgeschrieben :-) # Rohr 104 cm im Wasser: F 102 KHz, Th 6,7us, Tl 3,2us Daraus ergeben sich für das Rohr folgende Kapazitäten: zu 1. 456pF zu 2. 714pF zu 3. 1,0nF Hoffentlich hab ich mich nicht verrechnet ... :-) Als Referenzschwingkreis werde ich einen C von 470pF (hab ich zu Hause) versuchen. Mal schaun was ich da mit dem uC rausrechnen kann ...
Matthias Sch. schrieb: > Kurt Burger schrieb: >> Aber leider nur die nakten Bauteile >> und ich hab nicht das Können daraus I2C fähige Bauteile zu stricken > > Wenn da sowieso schon 4 Leitungen (+,-,SDA und SCL) liegen, könntest du > die auch für so ein Modul zweckentfremden, wie ichs mal angehängt habe. > Ist nicht von mir, sondern von awie. TL084 an 5V? Das soll wohl ein Witz sein?
Kurt Burger schrieb: > * 1,5mm2 Elektrodraht in Kupfer, standardmäßige Ummantelung, als > Schlaufe im Zentrum des Rohrs geführt, mit Kabelbinder gespannt. Die Isolierung des Drahts könnte mit der Zeit leiden. Ich würde mal nach silikonummanteltem Draht schauen. > # Rohr im Trockenen: Frequenz 224kHz, T(high) 3,7us, T(low) 800ns > # Rohr 60 cm im Wasser: F 143kHz, Zeiten nicht aufgeschrieben :-) > # Rohr 104 cm im Wasser: F 102 KHz, Th 6,7us, Tl 3,2us Na damit sollte sich doch was machen lassen... Noch ein Tipp falls der 555er und der µC weiter auseinander liegen: die Frequenz in 4-20mA Technik übermitteln. Mit Ausgang des 555ers über nen R 20mA verbraten. Am µC kannst Du dann über nen Komparator den Stromverbrauch messen und damit das Ausgangssignal rückgewinnen. Damit reichen 2 Drähte um den Sensor anzuschließen.
Bitte melde dich an um einen Beitrag zu schreiben. Anmeldung ist kostenlos und dauert nur eine Minute.
Bestehender Account
Schon ein Account bei Google/GoogleMail? Keine Anmeldung erforderlich!
Mit Google-Account einloggen
Mit Google-Account einloggen
Noch kein Account? Hier anmelden.
