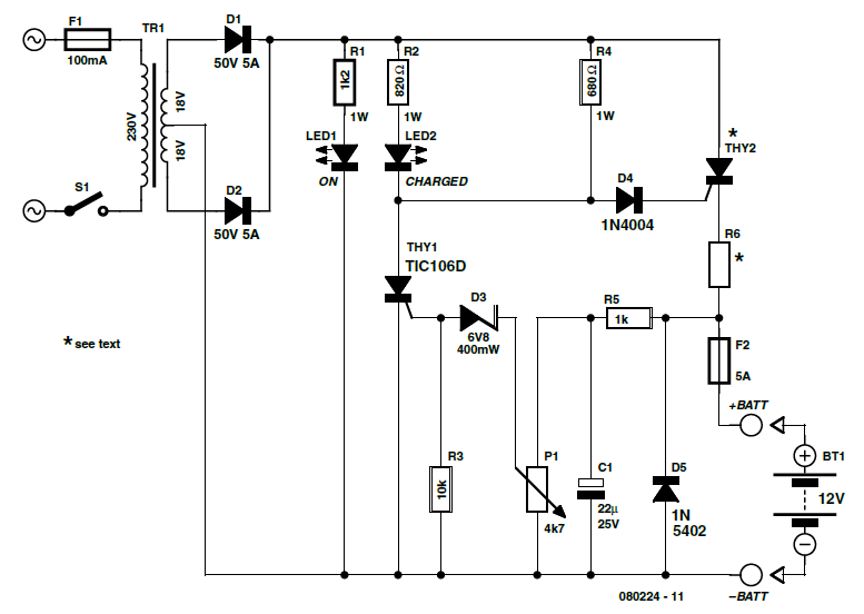
Ich möchte mir ein Auto-Batterie-Ladegerät aus der Elektor 7-8/2008 nachbauen. Schaltplan liegt vor. Drei Bauteile sollen allerdings danach ausgelegt werden wieviel Ladestrom man haben will. Bei Trafo und R6 ist mir das klar. Beim Thyristor (THY2) aber nicht. Es steht nur da er sollte ca. 100V haben und den doppelten Ladestrom. Also 100V ist klar, und wenn ich 1A will dann sollte THY2 2A vertragen. Soweit klar, aber welche Werte sind das? Die Datenblätter haben etliche V und A Daten. Noch eine Frage, kann ich einen zu 'zu grossen' THY2 verwenden? Falls ich doch später mal mit 4A laden will, einen Schalter einbaue für verschiedene Ladeströme. Dann also 100V >8A .
Ja, Du kannst einen Thyristor verwenden, der mehr Strom und/order Spannung veträgt. z.B. noch einen TIC106D.
Stefan Frings schrieb: > Ja, Du kannst einen Thyristor verwenden, der mehr Strom und/order > Spannung veträgt. > > z.B. noch einen TIC106D. Also 2mal den Gleichen. Super! Danke für die Hilfe!
Stefan Frings schrieb: > Ja, Du kannst einen Thyristor verwenden, der mehr Strom und/order > Spannung veträgt. > > z.B. noch einen TIC106D. Doh! Der TIC106D ist vom Markt. Geht auch BT151-650R oder MCR8N ? http://de.rs-online.com/web/p/thyristors/4854283/ http://de.rs-online.com/web/p/thyristors/5450220/ Ist vermutlich überdimensioniert und etwas teurer, aber ich brauch ja nur zwei und auf Lager sind die auch.
jan bader schrieb: > Ist vermutlich überdimensioniert und etwas teurer, aber ich brauch ja > nur zwei und auf Lager sind die auch. Kleiner Tipp, kauf beim Basteln immer ein/zwei als Reserve.
Udo Schmitt schrieb: > jan bader schrieb: >> Ist vermutlich überdimensioniert und etwas teurer, aber ich brauch ja >> nur zwei und auf Lager sind die auch. > > Kleiner Tipp, kauf beim Basteln immer ein/zwei als Reserve. Das ist bei RS ein Zwangstipp weil man oft 5 oder 10 kaufen muss.
Dass es den TIC106D nicht mehr geben soll, versetzt mich in Erstaunen. Reichelt hat ihn jedenfalls noch. Alternativ kannst Du auch einen mit mehr Spannungsfestigkeit nehmen, z.B. den TIC106M. Order irgendeinen anderen Thyristor, dessen Gehäuseform Dir zusagt und mindestens die erforderliche Spannung und Strom verträgt.
jan bader schrieb: > Doh! Der TIC106D ist vom Markt. Geht auch BT151-650R oder MCR8N ? Ich schlage die Daten jetzt nicht nach. Aber da wo in der Elektor-Schaltung der TIC106 sitzt, brauchst du einen Thyristor, der mit wenig Gatestrom triggert. Der TIC106 hat typisch 60µA (max. 200µA). Für den Last-Thyristor Th2 ist das egal. Da tut es jeder Typ, der mindestens 100V aushält und mindestens den angestrebten Ladestrom; wobei ich hier Faktor 2 überdimensionieren würde - ein 10A Thyristor wäre also gut bis 5A Ladestrom. XL
Axel Schwenke schrieb: >> Doh! Der TIC106D ist vom Markt. Geht auch BT151-650R oder MCR8N ? > > Ich schlage die Daten jetzt nicht nach. Aber da wo in der > Elektor-Schaltung der TIC106 sitzt, brauchst du einen Thyristor, der mit > wenig Gatestrom triggert. Der TIC106 hat typisch 60µA (max. 200µA). > > Für den Last-Thyristor Th2 ist das egal. Da tut es jeder Typ, der > mindestens 100V aushält und mindestens den angestrebten Ladestrom; wobei > ich hier Faktor 2 überdimensionieren würde - ein 10A Thyristor wäre also > gut bis 5A Ladestrom. Eine beliebige Überdimensionierung beim Strom könnte noch Probleme beim Haltestrom bringen; Das sollte man vielleicht noch überprüfen. Gruss Harald
Ich sehe gerade der TIC106M is noch lieferbar, ich werde den dann verwende. Danke für alle Antworten!
Bitte melde dich an um einen Beitrag zu schreiben. Anmeldung ist kostenlos und dauert nur eine Minute.
Bestehender Account
Schon ein Account bei Google/GoogleMail? Keine Anmeldung erforderlich!
Mit Google-Account einloggen
Mit Google-Account einloggen
Noch kein Account? Hier anmelden.
