Forum: Analoge Elektronik und Schaltungstechnik Ü.-funktion RCC Schaltung


von P. N. (beholder65)


Angehängte Dateien:

Lesenswert?

Hey,


ich sitze gerade an einer Übungsaufgabe die unser Prof uns gegeben hat, 
aber ich komme hier echt nicht weiter.


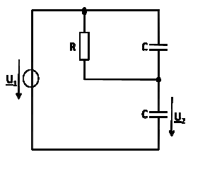
Die Schaltung hab ich im Anhang hinzugefügt.


Ich vermute mal das es ein Tiefpass sein wird, bin mir da aber auch 
nicht zu 100% sicher.


Bei der Aufgabe sollen wir die Übertragungsfunktion berechnen und 
normalisieren.


Mein Ansatz wäre:



Hoffe ihr könnt mir da helfen :)


Grüße :D

von Thomas (Gast)


Lesenswert?

Hey,

ja der Ansatz sieht doch gut aus. Denn Zähler und Nenner würde ich 
jeweils mit jwC multiplizieren.

Anschließend kannst du dann im Nenner noch den Bruch entfernen 
(ebenfalls durch eine entsprechende Multiplikation).

Grüße,
  Thomas

von Michael L. (eagle87)


Lesenswert?

Und nicht vergessen den Nenner real zu machen. Beim Ansatz fehlt nur ne 
Klammer.

von P. N. (beholder65)


Lesenswert?

Michael L. schrieb:
> Und nicht vergessen den Nenner real zu machen

Ich kenn das nur so, dass wir beim Tiefpass z.B.
 zu stehen haben, dann wäre der Nenner ja auch nicht real.


Ich hab das jetzt mal so gerechnet:

1. Den gesamten Ausdruck mit
multipliziet.

Daras ergibt sich dann:


2. Den im Nenner vorhandenen Doppelbruch ebenfalls mit
multipliziet

Daraus ergibt sich dann


Das wäre dann wie weiter oben erwähnt das klassische 
Übertragungsverhalten eines Tiefpasses. Was mich jedoch wundert ist, 
dass ich als Ergebnis letztendlich nur den recht simplen Term raus habe.


Kann das stimmen? Oder habe ich bei meiner Berechnung etwas falsch 
gemacht?

Muss ich die Kondensatoren als 2 seperate Bauteile betrachten? D.h. C1 
und C2?





von Michael L. (eagle87)


Lesenswert?

> Ich kenn das nur so, dass wir beim Tiefpass z.B.
>
> zu stehen haben, dann wäre der Nenner ja auch nicht real.
Ok, wenn ihrs in der Vorlesung nicht gemacht habt, dann brauchst ihn 
nicht real machen. Hängt auch davon ab was man danach damit machen will. 
Dein Therm ist aber falsch. Das R, das C und die Klammern fehlen.

> Ich hab das jetzt mal so gerechnet:
>
> 1. Den gesamten Ausdruck mit
>
> multipliziet.
>
> Daras ergibt sich dann:
>
Da hab ich schon was anderes. Und achte bitte auf die Klammersetzung.

> Muss ich die Kondensatoren als 2 seperate Bauteile betrachten? D.h. C1
> und C2?
Da beide Kondensatoren schon in der Aufgabe gleich benannt sind und 
somit den gleichen Wert haben, musst sie nicht mehr unterscheiden.

Übrigens:
wenn die Brüche mit \frac{Zähler}{Nenner} schreibst sind sie besser 
lesbar. Nebenbei hilft es auch gegen das Problem mit den Klammern ;)

von P. N. (beholder65)


Lesenswert?

Danke für die Antworten :)

Ich werde mich morgen nochmal ransetzen und das Problem angehen, kann ja 
nicht sein das ich daran scheiter.

Danke für den Tip mit den Bruch, hab mich mit LaTeX noch nicht 
auseinander gesetzt und kenn mich der Syntax noch nicht aus :P

von Helmut S. (helmuts)


Lesenswert?

Ua/Ue = (1/(jwC))/( 1/(jwC) + (R*(1/(jwC))/(R+1/(jwC))

Ua/Ue = (1/(jwC))/( 1/(jwC) + R/(1+jwRC))

Ua/Ue = 1/(1+jwRC/(1+jwRC))


Ua/Ue = (1+jwRC)/(1+j2wRC)

|Ua/Ue| = sqrt(1+(wRC)^2)/sqrt(1+(2wRC)^2)

phi = arctan(wRC) -arctan(2wRC)

von Michael A. (Gast)


Lesenswert?

P. N. schrieb:
> Ich vermute mal das es ein Tiefpass sein wird, bin mir da aber auch
> nicht zu 100% sicher.

Zu recht. Bei hohen Frequenzen ist das ein kapazitiver Spannungsteiler. 
Ein Tiefpass würde asympthotisch gegen 0 laufen, deine Schaltung tut das 
nicht.

von Michael A. (Gast)


Lesenswert?

P. N. schrieb:
> Ich kenn das nur so, dass wir beim Tiefpass z.B. zu stehen haben, dann
> wäre der Nenner ja auch nicht real.

Dann erweitere den Bruch mal mit dem konjugiert Komplexen des Nenners -
und oh Wunder - schon ist der Nenner reell. Real ist er sowieso, ob nun 
komplex oder nicht.

von P. N. (beholder65)


Lesenswert?

Danke für die Hilfe. Hab das hinbekommen :-)

Jetzt sehe ich auch, dass es eindeutig kein Tiefpass ist, sondern viel 
eher ein Hochpass.

D.h. der Hochpass wird gegen 1 laufen oder?


Grüße

von Helmut S. (helmuts)


Lesenswert?

Da ist doch niemals ein Hochpass.
Bei f->0 ist die Ü-Funktion 1 (100%). Das ist schon mal wie beim 
Tiefpass. Bei f->unendlich ist die Übertragung <1. Das ist auch wie beim 
Tiefpass. Je nach dem Verhältnis der Kapazitäten ist die Dämpfung bei 
f->unendlich halt besser oder schlechter.

Bitte melde dich an um einen Beitrag zu schreiben. Anmeldung ist kostenlos und dauert nur eine Minute.
Bestehender Account
Schon ein Account bei Google/GoogleMail? Keine Anmeldung erforderlich!
Mit Google-Account einloggen
Noch kein Account? Hier anmelden.