Hallo zusammen, ich habe einen alten Toroidal-Transformator, den ich anschließen möchte. Er hat zwei Sekundärspulen, an denen die gleiche Wechselstromspannung anliegt. Ich überlege, ob ich die jeweils an einen Gleichrichter anschließen und dann + und + sowie - und - der Gleichrichter zusammenklemmen kann oder ob das zu Problemen führt. Alternativ wäre es möglich die Spulen parallel an einen Gleichrichter anzuschließen, aber da ich im Moment kein Oszilloskop zur Verfügung habe würde ich auf diesen Weg gerne verzichten, da ich keinen Kurzschluss verursachen will. Hat jemand Erfahrung mit dieser Fragestellung? Grüße, Jan
Wenns ein Ringkerntrafo mit sekundär zwei Wicklungen ist: Beide Anfänge zusammen klemmen. Die Spannungsdifferenz zwischen den beiden Enden müsste möglichst Null sein. Wenn nicht, bei der Wicklung mit der höheren Spoannung ein - zwei - einige Windungen runterwickeln. Oder die Wicklung mit der kleineren Spannung durch ein paar zusätzliche Windungen auf gleiche Spannung bringen. Trotzdem die beiden Enden der Wicklungen möglichst nicht verbinden. Selbst bei 100mV Unterschied könnte da ein kräftiger Ausgleichsstrom fließen. Sondern an jede Wicklung einen eigenen Gleichrichter, erst die Gleichspannung danach parallel schalten.
Hallo Jan, um die Phasengleichheit der beiden Sekundärwicklungen festzustellen benötigst Du lediglich ein Multimeter das den Effektivwert der Spannung misst. Zum messen verbindest Du beide Spulen auf nur einer Seite miteinander. Zwischen den beiden offenen Enden misst Du mit dem Multimeter die Spannung. Ist die gemessene Spannung gleich 0 Volt, dann sind beide Wicklungen phasengleich und kannst Du die beiden noch offenen Enden problemlos miteinander verbinden. Ist die Spannung größer 0 Volt, dann sind beide Wicklungen phasenverschoben und beim verbinden der offenen Enden würde es einen Kurzschluss geben. Gruß Kioskman
Peter R. schrieb: > Sondern an jede Wicklung einen eigenen Gleichrichter, erst die > Gleichspannung danach parallel schalten. Aber auch das ist etwas problematisch: Die Last verteilt sich nicht unbedingt gleich auf die beiden Wicklungen, es ist etwa so "Pfui" wie das Parallelschalten von Dioden.
Vielen Dank für die schnelle Antwort. Also ist es möglich jede Wicklung mit einem eigenen Gleichrichter zu versehen. Ich habe diese Schaltung nirgendwo finden können, daher hatte ich da meine Zweifel. Was ist mit dem Ausgleichsstrom hinter den Gleichrichtern? Grüße, Jan
Kioskman schrieb: > Hallo Jan, > um die Phasengleichheit der beiden Sekundärwicklungen festzustellen > benötigst Du lediglich ein Multimeter das den Effektivwert der Spannung > misst. Zum messen verbindest Du beide Spulen auf nur einer Seite > miteinander. Zwischen den beiden offenen Enden misst Du mit dem > Multimeter die Spannung. Ist die gemessene Spannung gleich 0 Volt, dann > sind beide Wicklungen phasengleich und kannst Du die beiden noch offenen > Enden problemlos miteinander verbinden. Ist die Spannung größer 0 Volt, > dann sind beide Wicklungen phasenverschoben und beim verbinden der > offenen Enden würde es einen Kurzschluss geben. > > Gruß > Kioskman Danke für den Tip. 250~V 1 --| # |--- 4 | # |--- 5 ? 3 --| # | # |--- 6 0~V 2 --| # |--- 7 4 und 7 verbunden -> Spannung zwischen 5 und 6 ungleich Null.
Jan F. schrieb: > Also ist es möglich jede Wicklung > mit einem eigenen Gleichrichter zu versehen. Ich habe diese Schaltung > nirgendwo finden können, daher hatte ich da meine Zweifel. Was ist mit > dem Ausgleichsstrom hinter den Gleichrichtern? Wie soll da ein Ausgleichstrom fließen? Mal dir die Schaltung auf und überlege dir, in welcher Richtung ein Ausgleichstrom fließen würde. Und ob das zur Polung der Dioden paßt :) Peter R. schrieb: > das ist etwas problematisch: Die Last verteilt sich nicht > unbedingt gleich auf die beiden Wicklungen, es ist etwa so "Pfui" wie > das Parallelschalten von Dioden. Sowohl die Gleichrichter als auch die Wicklungen haben genug Innenwiderstand, um eine halbwegs passende Stromverteilung zu erreichen. Perfekt wird es sicher nicht, muß es aber auch nicht sein. XL
>Trotzdem die beiden Enden der Wicklungen möglichst nicht verbinden. >Selbst bei 100mV Unterschied könnte da ein kräftiger Ausgleichsstrom >fließen. > Wie soll da ein Ausgleichstrom fließen? Mal dir die Schaltung auf und > überlege dir, in welcher Richtung ein Ausgleichstrom fließen würde. Und > ob das zur Polung der Dioden paßt :) Dabei ging es um die Ungleichheit der Spannung vor dem Gleichrichter, welche hinterher immer noch besteht. Der Strom würde zwischen den + Polen der beiden fließen, oder nicht?
> Sowohl die Gleichrichter als auch die Wicklungen haben genug > Innenwiderstand, um eine halbwegs passende Stromverteilung zu erreichen. > Perfekt wird es sicher nicht, muß es aber auch nicht sein. Das ganze ist für die Stromversorgung einer CNC Fräse gedacht. Der Trafo soll hinterher ca. 40V bei 15-20 A liefern können. Die Gleichrichter schaffen 26A bei 400V jeweils.
Es käme halt nur zur ungleichmäßigen Stromverteilung. Der Wicklungswiderstand würde zwar für Gleichverteilung wirksam, es hängt halt von dem Leistungsbereich des Trafo ab, wie sehr. Je größer die Leistung, desto geringer der Wicklungswiderstand und desto unangenehmer die ungleiche Belastung. Es kommt halt auf den Versuch an. Probeweise: beide Enden (ohne Gleichrichter) verbinden, Stromaufnahme primärseitig messen: Um wieviel erhöht sich der Strom relativ zur Nennstromaufnahme des Trafo? btw: Wie groß ist übrigens das "ungleich Null?"
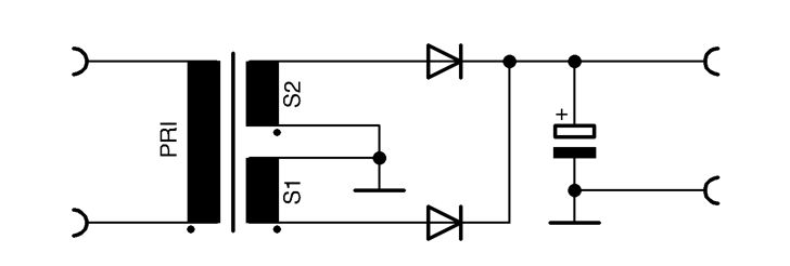
Hier fließen keine Ausgleichsströme und Du brauchst auch keine zwei Gleichrichter.
> btw: Wie groß ist übrigens das "ungleich Null?"
Oha, das habe ich schon vor längerer Zeit gemessen... Das müssen so
zwischen 50 - 70 V gewesen sein... Kann ich aber gerade nicht mehr genau
(gibt das 3.50€ Schätzeisen eh nicht her...) sagen. Sollte ich aber
wirklich nochmal messen; stimmt schon. Nachher kommt noch mehr raus als
nötig und grillt meine Treiber. Das sollte doch die doppelte
Sekundärspulenspannung gewesen sein?
John schrieb: > Hier fließen keine Ausgleichsströme und Du brauchst auch keine zwei > Gleichrichter. Danke für die Anregung, dann hab ich aber 6 Dioden über... Nein, Scherz bei Seite, denke morgen nochmal ernsthaft drüber nach. Die Idee ist gut. Ich bin erstaunt, wieviele brauchbare Kommentare und Vorschläge ich bekommen hab. Vielen Dank nochmal an alle!
John schrieb: > Hier fließen keine Ausgleichsströme und Du brauchst auch keine zwei > Gleichrichter. Diese Schaltung belastet den Trafo aber erheblich mehr als eine Brückenschaltung an jeder Einzelwicklung, die erst gleichspannungsseitig zusammengeführt werden. Bei Brücke fließt im Wickeldraht ein Wechselstrom ohne Gleichstromkomponente. Der bei Zweiweg nur halbwellenweise in den Teilwicklungen fließende Strom bringt etwa 30% geringere Belastbarkeit des Trafo.
Jan F. schrieb: >> btw: Wie groß ist übrigens das "ungleich Null?" > > Oha, das habe ich schon vor längerer Zeit gemessen... Das müssen so > zwischen 50 - 70 V gewesen sein... Diese Spannung ist nicht gemeint. sondern: beide Wicklungen mit Anfang auf Null ( 5 und 7 ?), ein Ende (4) liefert z.B. 27V, das andere (6) 28V. Die Differenz von 1V zeigt dann die Unsymmetrie der beiden Wicklungen, die Ursache für den Ausgleichstrom ist. Wenn beide Wicklungen gleich sind, wirds kleiner als 0,5V. Bei einer oder zwei Windungen Unterschied: dann >0,5V bis einige V. Bei kleiner als 0,5V dürfte es kein Problem mit dem Ausgleichstrom bringen.
Also 4 und 6 verbunden. Ergebnis: Schwankung von 0 bis 0.6 V zwischen 5 und 7. Sollte also Phasengleich sein, das Messgerät hat einen relativ großen Fehler (VOLTCRAFT-VC-11-Digital-Multimeter-DMM-2000-Counts-CAT-III-250-V). Sollte also kein Problem geben, wenn ich zwei Gleichrichter daran anschließe. Grüße, Jan
Die Spannung an den beiden sek. Spulen beträgt 32 V. Nach dem Gleichrichter (26MB40A) messe ich ca. 28 V. Forward Voltage Drop der Dioden in dem Ding ist 1.1 V. Kommt das ungefähr hin?
Wenn ich beide Gleichrichter zusammen anschließe erhalte ich 32V Gleichstrom an beiden. Bin mal gespannt, was passiert, wenn ich das morgen zusammen schalte.
> Wenn beide Wicklungen gleich sind, wirds kleiner als 0,5V. Bei einer > oder zwei Windungen Unterschied: dann >0,5V bis einige V. > Bei kleiner als 0,5V dürfte es kein Problem mit dem Ausgleichstrom > bringen. Kann ich das irgendwo nachlesen, oder ist das ein Erfahrungswert? Hängt das nicht auch stark von den verwendeten Spulen ab?
Das ist reine Abschätzung, so über den Daumen: Bei Vollast geht die Spannung so etwa 5V in die Knie, durch den Innenwiderstand des Trafos und der Gleichrichterschaltung. Damit hat man eine Vorstellung vom Innenwiderstand . Mit diesem abgeschätzten Innenwiderstand ergibt sich ein Stromkreis: 0,5V Spannungsdifferenz - Ri, der den Differenzstrom erzeugt. Der ist etwa 10% des Gesamtstromes und damit erträglich. anders gesagt: die Spannungsdifferenz, die den Unterschied von den beiden Lastströmen erzeugt, ist 1/10 des Spannungsverlusts bei Vollast, also unterscheiden sich auch die Lastströme um 10%. Da noch mit den Streuinduktivitäten und ihren Impedanzen zu rechnen, wird schwierig. Gottseidank haben Ringkerntrafos besonders niedrige Streuung.
So. Ich hab alles zusammengeklemmt. Funktioniert prima mit einem Gleichrichter und parallelen Spulen. Im Leerlauf weniger als 1 Watt Verbrauch. Leider ist die Spannung zu hoch. Ich müsste 4 Volt runter um meine Schrittmotortreiber nicht zu beschädigen. Also Sekundärspule abwickeln? Gibt es dabei was zu beachten? Wie ersetze ich hinterher die Plastikfolie, die jetzt zur Isolation um den Trafo gewickelt ist? Die wird ja dabei sicher zerstört werden... Grüße, Jan
@Jan F. (freeforest) >Verbrauch. Leider ist die Spannung zu hoch. Ich müsste 4 Volt runter um >meine Schrittmotortreiber nicht zu beschädigen. Wirklich? Ein gescheiter Schrittmotortreiber arbeitet mit Überspannung und Stromregelung (Chopper). > Also Sekundärspule >abwickeln? NEIN! Sowas macht man NIE!
Ja. Der Schrittmotortreiber hat einen erlaubten Spannungsbereich von 10-42 Volt. Das Netzteil liefert 44 V. Warum macht man das NIE? Die Spulen werden doch auch aufgewickelt. Grüße, Jan
> Der Schrittmotortreiber hat einen erlaubten Spannungsbereich > von 10-42 Volt. Das Netzteil liefert 44 V. Dann berücksichtige auch, dass die Netzspannung um +-10% schwanken darf. Du musst also bei 253V Netzspannung unter 42 V am C bleiben (im Leerlauf!). Die Frage ist, ob der Treiber bei 42,1V gleich kaputtgeht. Alternative: Gossen Netzkonstanter oder Block KH250 / BSD-Serie oder Zweipunktregelung (mit Relais Sekundärwicklung zu- oder abschalten) > Warum macht man das NIE? Die Spulen werden doch auch aufgewickelt. Weil es sein kann, dass der RKT nach dem Wickeln vergossen (imprägniert) wird. Nachteile: - Beim Abwickeln könnte die (Lack-)Isolierung beschädigt werden. - die "magnetische Last" ist nicht mehr gleichmäßig über den Kern verteilt. --> minimal erhöhte Streuung. Alternative (falls mechanisch möglich): ein paar Windungen isolierte Kupferlitze (gleichmäßig über den gesamten Umfang verteilt) um den Kern wickeln und so anklemmen (gegenphasig zur Sekundären), dass die Spannung subtrahiert wird. Nachteil: der Innenwiderstand wird weiter erhöht.
eProfi schrieb: > - Beim Abwickeln könnte die (Lack-)Isolierung beschädigt werden. > - die "magnetische Last" ist nicht mehr gleichmäßig über den Kern > verteilt. --> minimal erhöhte Streuung. Vielen Dank für die auführliche Antwort. Ich habe den Trafo gestern geöffnet. Gottseidank, denn eine der Sekundärspulen ist mechanisch beschädigt gewesen, was mir von außen nicht aufgefallen ist. Ich habe mir jetzt ein passendes Schaltnetzteil besorgt. Von den Trafos lass ich erstmal die Finger. Gelernt hab ich bei der ganzen Sache aber eine Menge, wofür ich mich bei Allen hier nochmal für die Beiträge bedanken möchte. Grüße, Jan
Bitte melde dich an um einen Beitrag zu schreiben. Anmeldung ist kostenlos und dauert nur eine Minute.
Bestehender Account
Schon ein Account bei Google/GoogleMail? Keine Anmeldung erforderlich!
Mit Google-Account einloggen
Mit Google-Account einloggen
Noch kein Account? Hier anmelden.
