Hallo liebe Forenmitglieder, ich betreibe eine Wetterstation und habe im Laufe der Jahre einige Erfahrungen in Sachen Messtechnik,Sensorik etc sammeln können. Ich wende mich mit einem Problemfall an Euch, der sich auf das Thema Frequenzmessung bezieht. Folgende Ausgangssituation: Ein Sensor für die Windgeschwindigkeit liefert eine Frequenz im Bereich 0...1050 Hz. Der High-Pegel des Sensors entspricht der Versorgungsspannung von 12VDC. Die Masse des Ausgangssignals des Sensors, ist die gleiche Masse wie die der Versorgungsspannung. Beide Leitungen ( Signal + Masse der Versorgungsspannung) gehen zu meinem Datenlogger an einen digitalen Eingang. Das Poblem ist nun folgendes: Der Digitaleingang des Datenloggers schaltet auf LOW bei Spannungen unter 0,7 V. Das LOW-Signal des Windgeschwindigkeitsgebers liegt aber bei 1V DC. Ich muss nun den LOW-Pegel um mindestens 0,3V absenken bzw auf GND ziehen. Wenn ich alles richtig verstanden habe, dann sollte dies mit einem Pull-Down-Widerstand funktionieren, der den LOW-Pegel des Sensors auf GND der Versorgung ziehen kann? Wenn ich das bisher alles richtig verstanden habe, wie bzw wo wird dann der Widerstand angeschlossen? Noch einmal zur Verdeutlichung: Vom Sensor kommen 2 Adern: Eine Signalleitung und zum anderen die Masse der Versorgung. Am Datenloggereingang gibt es zwei Anschlüsse, einmal für das I/O Signal und einmal 0V also Masse. Die Versorgungen des Datenloggers und des Sensors sind nicht identisch, falls dies von Belange sein sollte. Ich hoffe ihr könnt mir helfen. Vielen Dank und viele Grüße Michael
Nimm einfach einen Spannungsteiler 1k zu 470 Ohm. 470 Ohm parallel zum Eingang und 1k in Reihe zum Signal vom Sensor.
Am sichersten geht das mit einer einfachen Siliziumdiode. Wenn Dein Ausgang die 10k Ohm nicht treiben kann, kannst Du auch bis zu 470k Ohm als "Lastwiderstand" nehmen. Grüße Löti
Lothar S. schrieb: > Am sichersten geht das mit einer einfachen Siliziumdiode. > > Wenn Dein Ausgang die 10k Ohm nicht treiben kann, kannst Du auch bis zu > 470k Ohm als "Lastwiderstand" nehmen. > > Grüße Löti Könnte knapp werden mit einer Siliziumdiode, deshalb ist es besser eine Schottkydiode mit einer kleinen Durchlassspannung zu nehmen.
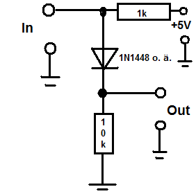
Hallo Löti, danke für die schnelle Antwort. Nur noch mal zum Verständnis, weil ich nicht wirklich ein Profi bin in Sachen Schaltplan-Lesen: Ich gehe mit meiner Signalleitung auf die Diode. In Reihe dazu ein Widerstand mit 10k der auf die Masseleitung geht. Vor diesem Widerstand greife ich das Signal ab und gehe in den Eingang des Datenloggers. Ist das so korrekt? :) Danke und liebe grüße
> Ist das so korrekt? Ja*. > Könnte knapp werden mit einer Siliziumdiode, deshalb ist es besser eine > Schottkydiode mit einer kleinen Durchlassspannung zu nehmen. Wieso? Das Signal soll doch < 0,7V werden. Mit einer Shottky-Diode kannst aus 1V nicht sicher 0,7V machen da die nur ca. 0,3V Flußspannung hat also aus 1V 0,7V +/- macht. Grüße * je nach FanIn Deines Loggers kann auch ein kleinerer Widerstand nötig werden oder ein größerer wenn Dein Ausgang die Last nicht treiben kann...
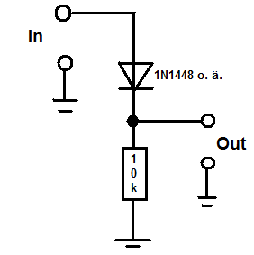
Michael Wertschütz schrieb: > Vom Sensor kommen 2 Adern: Eine Signalleitung und zum anderen die Masse > der Versorgung. Und wie wird der Sensor versorgt? Merke: nicht umsonst kommunizieren Elektriker und vor allem Elektroniker mit Bildern aka Schaltplänen... Seis drum: vermutlich hast du einen "Open Collektor Ausgang", der einen Lastwiderstand braucht. Und dann bist du mit dem Pulldown genau auf dem richtigen Weg. Schalte einfach mal 10kOhm zwischen das Sensorsignal und die Masse.
Michael Wertschütz schrieb: > Der High-Pegel des Sensors entspricht der > Versorgungsspannung von 12VDC. Sicher, daß der Datenlogger 12V verträgt? Ich würde nachschauen, welchen minimalen High-Pegel der Datenlogger braucht und dann einen Spannungsteiler nehmen.
> vermutlich hast du einen "Open Collektor Ausgang" > Und dann bist du mit dem Pulldown genau auf > dem richtigen Weg. Nein, dann benötigst Du einen Pullup, siehe Schaltplan*. Grüße Löti *Auch hier müssen die Widerstände eventuell angepasst werden.
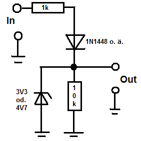
> Ich würde nachschauen, welchen minimalen High-Pegel der Datenlogger > braucht und dann einen Spannungsteiler nehmen. Das funktioniert aber nur bei hochohmigen Eingängen sicher. Besser ist die hier Verwendung einer zusätzlichen Zehnerdiode am Eingang der Folgeschaltung (Logger) da der FanIn nicht bekannt ist, siehe Bild. Grüße Löti
Lothar S. schrieb: > Das funktioniert aber nur bei hochohmigen Eingängen sicher. Darum nimmt man ja einen niederohmigen Spannungsteiler: siehe oben. Lothar S. schrieb: > Eventuell sieht man es jetzt. Viele Bauteile zu verlöten, scheint Dir ja richtig Spaß zu machen ;-) Allerdings eignet sich der 10k Widerstand nur bei hochohmigen Eingängen ...
Bitte melde dich an um einen Beitrag zu schreiben. Anmeldung ist kostenlos und dauert nur eine Minute.
Bestehender Account
Schon ein Account bei Google/GoogleMail? Keine Anmeldung erforderlich!
Mit Google-Account einloggen
Mit Google-Account einloggen
Noch kein Account? Hier anmelden.


