Hallo µC-Gemeinde, ich könnte freundlicherweise Eure Expertise gebrauchen. Ich will gerne mit 8 diskreten 24-V-Ausgängen einer SPS eine analoge Spannung in 256 Schritten erzeugen. Die Ausgangsspannung soll einen Bereich von 5 bis 15 V haben. Für Hinweise bin sehr dankbar, für fertige Schaltungen bin ich natürlich sehr empfänglich ;). Gruß Alan
Microchip MCP4728 hat 4 Kanäle, 12Bit Auflösung, nutzt I2C und kostet <2$ Das Ding speichert sogar die Einstellung permanent. Dann eine Umsetzung auf 24V dahinter. Die hängt natürlich stark vom maximal notwendigen Strom ab.
Alan schrieb: > Hallo µC-Gemeinde, ... > Ich will gerne mit 8 diskreten 24-V-Ausgängen einer SPS eine analoge > Spannung in 256 Schritten erzeugen. > > Die Ausgangsspannung soll einen Bereich von 5 bis 15 V haben. ... > Alan Willst Du selbst etwas bauen, dann tut es wohl ein einfacher paralleler DAC, oder auch ein R2R Netzwerk. Oder möchtest Du ein fertiges Teil kaufen und einsetzen. Wofür benötigst Du das Teil? Möchtest Du nur mal etwas ausprobieren, oder soll das Teil irgendwo dauerhaft eingesetzt werden? Wie groß dürfen die Fehler sein?
Bestudiere dir mal die Nanodac Familie von Analog Devices. Die haben auch viele Beispiel-schaltungen dabei mit Konkrete Schaltungen die man oft auf als Testboard kaufen kann. Erzahle bitte mehr ueber deine Anwendung zB : - Was wird angesteuert ? Motoren ? - Welches Strombereich ? - Welches Frequenzbereich ? - Welche Genauigkeit ? - Muszen die Ausgange auch Komplett abgeschaltet werden ? Patrick
DAC-ICs arbeiten üblicherweise nicht mit 24 Volt. Bei diesen Spannungen gibt es 2 Möglichkeiten: a) R-2R DAC aus Widerständen aufbauen, Ausgangsspannung ggf. mit Spannungsfolger puffern und durch Spannungsteiler auf 15V bringen b) Eingangsspannungen auf 5V herunterteilen, parallelen DAC (z.B. DAC0832) benutzen, dann Ausgangssignal mit Operationsverstärker dreifach verstärken, um auf 15V Vollausschlag zu kommen
Hallo. Schau doch mal hier nach! http://reviseomatic.org/help/2-adc_dac/DAC_Summing-Latch.gif&w=459&h=303&ei=1XUMUs7WC8307Abm04H4AQ&zoom=1&iact=rc&dur=741&page=1&tbnh=136&tbnw=206&start=0&ndsp=60&ved=1t:429,r:0,s:0,i:82&tx=52&ty=73 und dann unter: A2 Link einfach kopieren.
Wolfgang Heinemann schrieb: > Alan schrieb: >> Hallo µC-Gemeinde, > ... >> Ich will gerne mit 8 diskreten 24-V-Ausgängen einer SPS eine analoge >> Spannung in 256 Schritten erzeugen. >> >> Die Ausgangsspannung soll einen Bereich von 5 bis 15 V haben. > ... >> Alan > > Willst Du selbst etwas bauen, dann tut es wohl ein einfacher paralleler > DAC, oder auch ein R2R Netzwerk. > Oder möchtest Du ein fertiges Teil kaufen und einsetzen. > Wofür benötigst Du das Teil? Möchtest Du nur mal etwas ausprobieren, > oder soll das Teil irgendwo dauerhaft eingesetzt werden? Wie groß dürfen > die Fehler sein? Ich will bei einer Produktionsanlage einen automatisierten Test der Steuerung entwickeln. Ein Teil davon ist es, die analogen Eingänge für die Temperaturfühler (NTCs) zu stimulieren. Hinter den analogen Eingängen sitzt ein 8 Bit ADC, der die Temperatur je nach Spannung zw. 5 und 15 V in 256 Schritte einteilt. Genau diese Spannung will ich ihm vorgaukeln. Dieses Gerät ist Teil eines Prüfstandes. Als Bits will ich dazu 8 Ausgänge einer SPS benutzen, die ich auch fernsteuern kann. Sonst stehen als Versorgungsspannung nur noch 24 V zur Verfügung. Das Teil braucht keine schnelle, dynamische Konvertierung zu machen, von der Genauigkeit her will ich die Spannung, wenn möglich, bis zur zweiten Nachkommastelle genau haben.
Patrick C. schrieb: > Bestudiere dir mal die Nanodac Familie von Analog Devices. Die haben > auch viele Beispiel-schaltungen dabei mit Konkrete Schaltungen die man > oft auf als Testboard kaufen kann. > > Erzahle bitte mehr ueber deine Anwendung zB : > - Was wird angesteuert ? Motoren ? > - Welches Strombereich ? > - Welches Frequenzbereich ? > - Welche Genauigkeit ? > - Muszen die Ausgange auch Komplett abgeschaltet werden ? > > Patrick Angesteuert wird, wie mein Beitrag vorher beschreibt, ein ADC, dem eine Temperaturspannung vorgegaukelt werden soll. Der Eingangsstrom ist weniger als 30 mA. Die Frequenz ist sehr statisch, vielleicht einmal den ganzen Temperaturbereich abfahren. Für die Genauigkeit reicht die zweite Nachkommastelle. Die Ausgänge komplett abzuschalten wäre ganz gut, um einen Ausfall des Temperatursensors zu simulieren.
Sebastian schrieb: > DAC-ICs arbeiten üblicherweise nicht mit 24 Volt. > Bei diesen Spannungen gibt es 2 Möglichkeiten: > > a) R-2R DAC aus Widerständen aufbauen, Ausgangsspannung ggf. mit > Spannungsfolger puffern und durch Spannungsteiler auf 15V bringen > > b) Eingangsspannungen auf 5V herunterteilen, parallelen DAC (z.B. > DAC0832) benutzen, dann Ausgangssignal mit Operationsverstärker dreifach > verstärken, um auf 15V Vollausschlag zu kommen Ich habe mir die Schaltungen der DAC0832 angesehen, ich verstehe die leider nicht sofort. Ich bin nicht so sehr in IC-Schaltungen bewandert. Ich will schon ICs verbauen, um eine möglichst kompakte Platine zu haben, aber bitte etwas, was einfach und robust ist.
Physiker schrieb: > Hallo. Schau doch mal hier nach! > http://reviseomatic.org/help/2-adc_dac/DAC_Summing-Latch.gif&w=459&h=303&ei=1XUMUs7WC8307Abm04H4AQ&zoom=1&iact=rc&dur=741&page=1&tbnh=136&tbnw=206&start=0&ndsp=60&ved=1t:429,r:0,s:0,i:82&tx=52&ty=73 > > und dann unter: A2 > > Link einfach kopieren. Gute Seite, hat mir geholfen, nochmal einige Grundprinzipien zu verstehen.
Alan schrieb: > um eine möglichst kompakte Platine zu > haben, aber bitte etwas, was einfach und robust ist. Da dieses IC schon recht alt ist, ist es schon mit das einfachste, was man bekommen kann. Bei Deine recht hohen Genauigkeitsanforderungen wirst Du mit diskret aufgebauten 2R2 DAs nicht hinbekommen. Gruss Harald
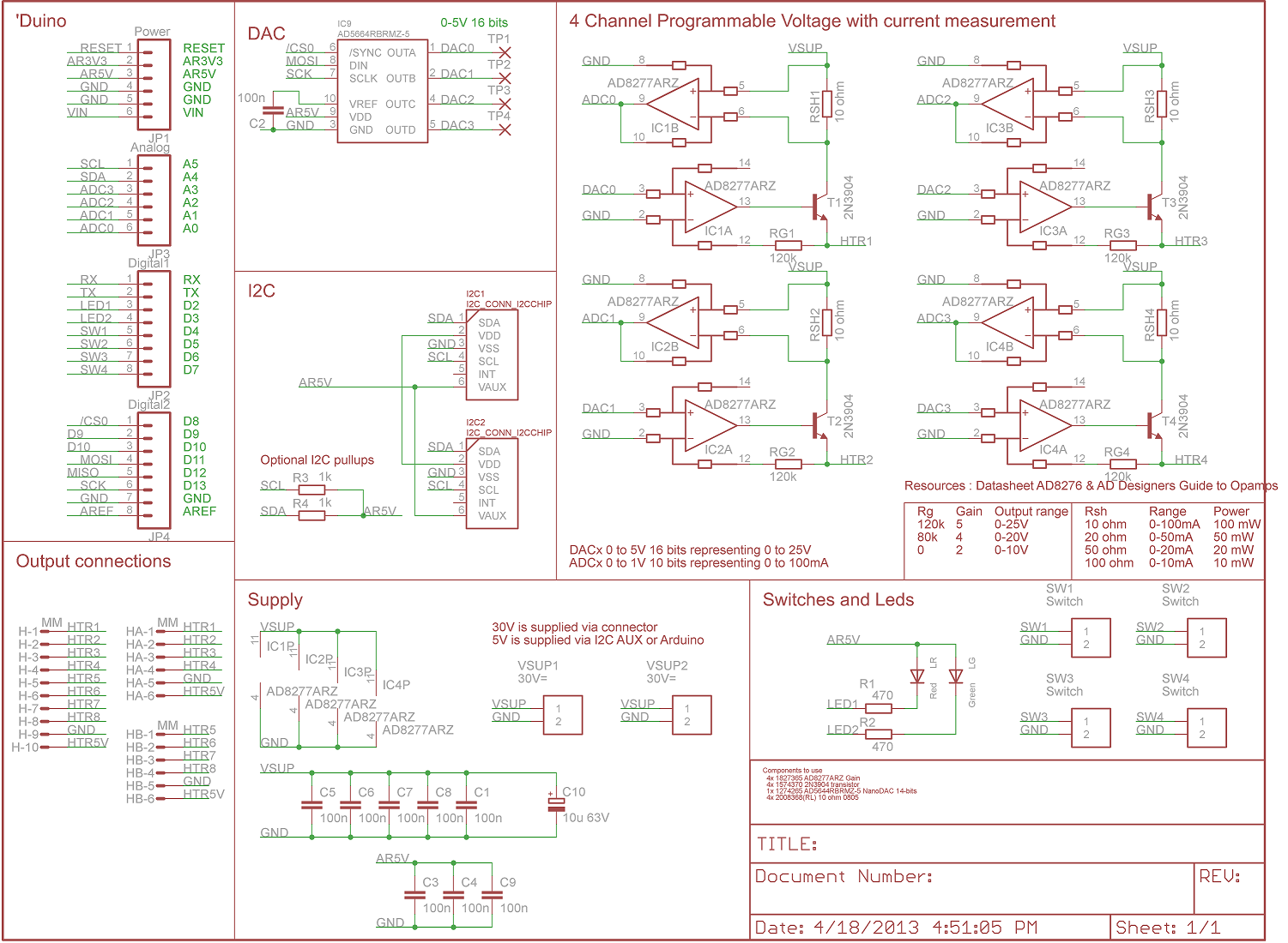
Beigelegt ein Diagram von ein meiner Produkten. Es ist ein Arduino-shield mit 4 ausgange 0-25V allen mit strom-messung. Die strom-messung brauchst du nicht, rest der Schaltung kannst du vielleicht benutzen. Es stehen auch noch einige links in Diagram, die basis vom Diagram kommt teilweise aus white papers von Analog Devices. Patrick
Bitte melde dich an um einen Beitrag zu schreiben. Anmeldung ist kostenlos und dauert nur eine Minute.
Bestehender Account
Schon ein Account bei Google/GoogleMail? Keine Anmeldung erforderlich!
Mit Google-Account einloggen
Mit Google-Account einloggen
Noch kein Account? Hier anmelden.
