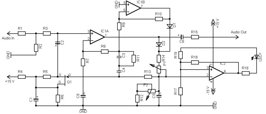
Hallo Leute, ich habe hier eine Schaltung im Internet gefunden für eine Spannungsbegrenzung. Kann mir jemand erklären, wie diese funktioniert? VG
Im Schaltplan fehlen zwei Verbindungen an Kreuzungspunkten (s. Anhang). IC1A fungiert als gewöhnlicher invertierender Verstärker. D1, D2 R14, P1, C5, P2 und R12 bilden einen Spitzenwertdetektor mit einstellbarer Anstiegs- (P1) und Abfallgeschwindigkeit (P2). Er erhält an seinen Eingängen sowohl das Ausgangssignal von IC1A (über D2) als auch das durch IC1B und R9=R10 invertierte Signal (über D1). Dadurch werden bei der Spitzenwertdetektion sowohl positive als auch negative Halbschwingungen berücksichtigt. Q1 bildet zusammen mit R4, R5, R6 und C1 einen steuerbaren Widerstand. Liefert der Spitzenwertdetektor eine höhere Spannung, singt der Wert dieses steuerbaren Widerstands. Da er zusammen mit R3 einen Spannungsteiler bildet, wird in diesem Fall das Eingangssignal abgeschwächt. Bei niedrigerem Spitzenwert steigt der Widerstand, so dass das Eingangssignal weniger abgeschwächt wird. Das Ganze ist also ein Verstärker mit automatischer Verstärkungseinstellung. IC2 bildet mit R6, R17 und R19 einen Schmitt-Trigger, der ab einem bestimmten Ausgangspegel (der durch die automatische Verstärkungsanpassung nicht mehr ausgeregelt wird) LED1 zum leuchten bringt.
Cool... Also eigentlich kenne ich mich ja auch ein wenig mit Schaltungen aus, aber wie hast du die Schaltung so schnell analysiert? Also ich wusste gar nicht wo ich anfangen sollte... Kennst du dich mit solchen Spannungsbegrenzerschaltungen besser aus? Eine Frage noch...Kann ich auch über einen Widerstand die Spannungshöhe einstellen, bei dem sich der Widerstand von Q1 verringert?
Interessierter schrieb: > Ist IC1A nicht ein NICHTinvertierender Verstärker? Ja, natürlich. Das wollte ich eigentlich auch schreiben, aber irgendwie hatte die "Nicht"-Taste ein Kontaktproblem ;-)
M. K. schrieb: > Kennst du dich mit solchen Spannungsbegrenzerschaltungen besser aus? Eigentlich überhaupt nicht. Es ist ja streng genommen auch kein Begrenzer, sondern ein variabler Verstärker. Ein Begrenzer würde das Signal bei einer bestimmten Spannung einfach kappen, was man bei Audioanwendungen natürlich nicht möchte. Den Trick mit der Verstärkungseinstellung über einen FET kenn ich vom Wien-Brücken-Oszillator, wo oft nach einem ähnlichen Prinzip die erforderliche Amplitudenregelung realisiert wird. > Eine Frage noch...Kann ich auch über einen Widerstand die Spannungshöhe > einstellen, bei dem sich der Widerstand von Q1 verringert? Prinzipiell bilden R14+P1 und R12+P2 einen Spannungsteiler, der bestimmt, welcher Anteil des Spitzenspannung als Steuersignal an den steuerbaren Widerstand gelangt. Allerdings verstellt man durch Drehen an P1 und P2 – wie oben geschrieben – auch die Zeitkonstanten für die Zunahme und Abnahme der Verstärkung. Man kann die von dir gewünschte Einstellung sicher auch am steuerbaren Widerstand selber vornehmen, dazu müsste man sich aber diesen Schaltungsteil näher ansehen. Wenn man da ohne Überlegung herummurkst, führt das garantiert zu zusätzlichen Verzerrungen. Mich würde sowieso interessieren wieviel Verzerrung man sich durch die variable Verstärkung einhandelt. Hast du vielleicht auch einen Schaltplan oder eine Tabelle mit den Bauteildaten?
Bitte melde dich an um einen Beitrag zu schreiben. Anmeldung ist kostenlos und dauert nur eine Minute.
Bestehender Account
Schon ein Account bei Google/GoogleMail? Keine Anmeldung erforderlich!
Mit Google-Account einloggen
Mit Google-Account einloggen
Noch kein Account? Hier anmelden.

