Hallo, ich komme eigentlich aus der Digitalelektronik-Ecke und bin noch ein ziemlicher Anfänger, was Analog-Elektronik betrifft. Nun möchte ich für ein Projekt eine Dreiecksspannung im Bereich von 50kHz erzeugen. Randbedingung ist, dass das ganze mit unipolarer Versorgungsspannung läuft. Im Internet finden sich ja zahlreiche Schaltungen, doch die funktionieren alle nur mit bipolarer Spannungsversorgung. Hat jemand eine Idee, wie das gehen könnte? Vielen Dank im Voraus!
Ich habe da doch noch was zusammen gefrickelt bekommen, was zumindest in der Simulation zu funktionieren scheint (siehe Anhang). Es ist allerdings weit davon entfernt perfekt zu sein. Das Minimum liegt leider ein ganzes Stück über 0V und die Spitzen wind ein wenig rund. Ansonsten scheint es aber ganz brauchbar, vorausgesetzt das funktioniert tatsächlich auch in der Realität. Was haltet ihr davon? Habt ihr irgendwelche Verbesserungsvorschläge?
Hmm, hat hier wirklich keiner Ahnung von diesem Kram? Ich weiß, diese Seite ist eher auf Digitalelektronik ausgerichtet, aber ich dachte eigentlich, dass sich in diesem Form auch ein paar Analog-Profis herum treiben würden. Falls nicht, kennt jemand ein Forum, in dem meine Frage eventuell besser aufgehoben wäre? Oder ist meine Schaltung etwa schon perfekt und deswegen hat niemand einen Verbesserungsvorschlag? Ich glaube eher nicht, dass ich so viel Anfängerglück habe. Oder habe ich bei meiner Frage irgendwelche formalen Fehler gemacht? Falls ja, bitte ich darum, mich darauf hin zu weisen. Und nein, das ist keine Hausaufgabe oder etwas ähnliches. Das ist ein reines privates just for fun Projekt um mal etwas Analog Technik zu lernen.
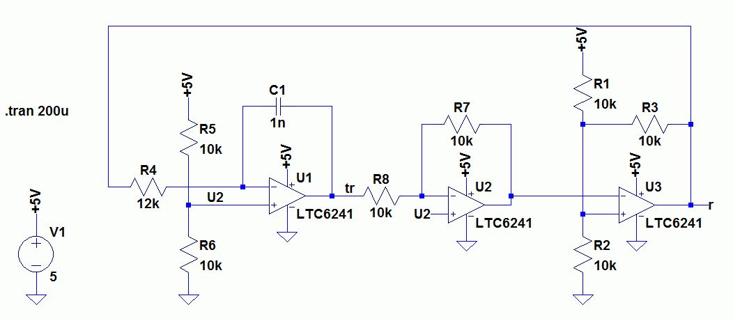
Hier mal ein Vorschlag mit Rail-to-Rail Verstärkern. Die .asc-Datei ist für LTspice.
Anon #36719 schrieb: > Hmm, hat hier wirklich keiner Ahnung von diesem Kram? Vielleicht weiß einfach keiner, in welchem Spannungsbereich sich deiner Dreieckspannung bewegen soll, was in Bezug auf die Randbedingung "unipolarer Versorgungsspannung" schon eine relevante Designinformation wäre.
Helmut S. schrieb: > Hier mal ein Vorschlag mit Rail-to-Rail Verstärkern. Die .asc-Datei ist > für LTspice. Das sieht sehr interessant aus! Vielen Dank! Die ersten beiden Op-Ams sind einfach zu verstehen. Ganz links ist ein Integrierer und in der Mitte ein Inverter. Doch mir ist nicht ganz klar, was der Op-Amp auf der rechten Seite tut. Es schein eine Art Komparator zu sein, die die negative Eingangsspannung mit einer verkleinerten Version der Ausgangsspannung vergleicht. Magst du das mal kurz genauer erklären? Mr. X schrieb: > Vielleicht weiß einfach keiner, in welchem Spannungsbereich sich deiner > Dreieckspannung bewegen soll, was in Bezug auf die Randbedingung > "unipolarer Versorgungsspannung" schon eine relevante Designinformation > wäre. Verständlich (BTW, Protipp: Nächste Mal früher fragen, wenn was unklar ist). Am liebsten wäre mir natürlich zwischen GND und VCC, aber so nah wie möglich reicht mir auch. ;)
Rechts ist der Komparator. Mittels R3 wird die Hysterese eingestellt. Je kleiner R3, um so größer wird die Hysterese und damit die Amplitude der Dreieckspannung. Man könnte den Opamp rechts durch einen Komparator ersetzen. Allerdings sollte der am Eingang und am Ausgang Rail-to-Rail sein. Da gibt es nicht viele Typen die da passen.
Anon #36719 schrieb: > Ich habe da doch noch was zusammen gefrickelt bekommen, was zumindest in > der Simulation zu funktionieren scheint. Simulationen sind Schall und Rauch. Wenn du etwas lernen willst, heiz den Lötkolben an und bau was auf. OK, ohne Oszilloskop lernst du so vermutlich nicht viel. > Es ist > allerdings weit davon entfernt perfekt zu sein. Das Minimum liegt leider > ein ganzes Stück über 0V und die Spitzen wind ein wenig rund. Deine Anforderungen sind unrealistisch. Kein OPV der Welt (auch nicht die sogenannten Rail-to-Rail-Typen) kommt mit dem Ausgang wirklich bis 0V. Schon gar nicht schafft er dann eine scharfe Spitze. Wenn du mit einer einzelnen 5V Versorgung auskommen willst, dann versuch doch erstmal einen Generator für ein Dreieck-Signal zu bauen, dessen untere Spitze bei 1V liegt und dessen obere Spitze bei 4V. Und wenn es wirkliche Spitzen sein sollen, dann brauchst du schnelle OPV. Mindestens 1MHz Bandbreite sollten es sein, besser 10MHz. > Was haltet ihr davon? Nix. Z.B. hast du einen Sägezahn-Generator gebaut und keinen für ein Dreieck. > Habt ihr irgendwelche Verbesserungsvorschläge? Klassisch baut man einen Dreieckgenerator aus einem Integrator und einem Schmitt-Trigger, die zu einer Schleife geschaltet sind. Eines der beiden Glieder muß dabei invertieren (typischerweise der Integrator). Die beiden Umschaltpunkte des Schmitt-Triggers ergeben dann die Spannung der jeweiligen Dreieckspitzen und die Integrator-Zeitkonstante die Frequenz. Sowohl Integrator als auch Schmitt-Trigger sind OPV-Grundschaltungen, die du kennen solltest (und in jedem besseren Buch findest). Die notwendige Zusatzbeschaltung für unipolare Versorgung ist ebenfalls Standard und OPV-Grundwissen. Also lies und lerne! Als Schmitt-Trigger würde sich auch ein 555 (in CMOS) eignen (der aller- dings selber invertiert). Und statt des Integrators könnte man eine geschaltete Stromquelle verwenden. etc. pp. XL
Axel Schwenke schrieb: > OK, ohne Oszilloskop lernst du so > vermutlich nicht viel. Das ist das Problem. ;) Axel Schwenke schrieb: > Z.B. hast du einen Sägezahn-Generator gebaut und keinen für ein > Dreieck. Das stimmt wohl. Wäre aber für meine Anwendung auch nicht so wichtig. ;) Axel Schwenke schrieb: > Sowohl Integrator als auch Schmitt-Trigger sind OPV-Grundschaltungen, > die du kennen solltest (und in jedem besseren Buch findest). > Die notwendige Zusatzbeschaltung für unipolare Versorgung ist ebenfalls > Standard und OPV-Grundwissen. Also lies und lerne! Gerne, gerne! Hast du konkrete Buchempfehlungen, die nicht zu teuer sind (<50€). Deutsch oder Englisch ist egal.
Anon #36719 schrieb: > Hast du konkrete Buchempfehlungen, die nicht zu teuer sind > (<50€). Deutsch oder Englisch ist egal. Das steht in jedem Operationsverstärker Tutorial. Ansonsten kauf dir den Tietze und Schenk Anon #36719 schrieb: > Das stimmt wohl. Wäre aber für meine Anwendung auch nicht so wichtig. ;) Dann sag doch endlich was wichtig ist. Wahrscheinlich gehts nur um eine Pulsbreiten steuerung. Wenn nur nur 5V hast und auf 0V kommen musst, dann nimm einen ICL 7660 oder ähnlich und mach damit eine -5V Hilfsversorgung.
Falls zu Zugang zu SpringerLink hast, ist auch das Buch "Operationsverstärker" von Joachim Federau lesenswert. Dort wird auch genau dein Problem angesprochen.
Bitte melde dich an um einen Beitrag zu schreiben. Anmeldung ist kostenlos und dauert nur eine Minute.
Bestehender Account
Schon ein Account bei Google/GoogleMail? Keine Anmeldung erforderlich!
Mit Google-Account einloggen
Mit Google-Account einloggen
Noch kein Account? Hier anmelden.

