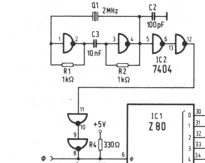
bin gerade auf dem Z80 Trip - ich weiss, manche werden sagen "hoffnungslos veraltet", aber zum Lernen ist es meiner Meinung nach ein tolles System. Ich hab mir dazu ein Buch aus den 1980ern beschafft: "Klein, Microcomputer selbstgebaut und programmiert". Wirklich ein gutes, praxisnahes Buch wie ich finde. Der Autor hat tiefgründige Kenntnis der Materie und kann gut erklären. Eine im Buch abgebildete Schaltung gibt mir allerdings Rätsel auf (Anlage): da sind nach der Oszillatorschaltung 4 Inverter in Reihe geschaltet. Der Zweck ist mir schleierhaft. Hab schon mal einen Bekannten mit guten Grundlagenkenntnissen gefragt - der meinte ein Inverter macht Sinn weil es die Flanken des Taktsignals steiler macht und verhindert dass der Oszillator überlastet wird. Die 4 Inverter in Reihe konnte er sich auch nicht erklären.
Ein Inverter reicht zur Impulsformung. Vielleicht mussten die anderen einfach vertan werden ...
Micha schrieb: > bin gerade auf dem Z80 Trip - ich weiss, manche werden sagen .... > und verhindert dass der Oszillator überlastet wird. Die 4 Inverter in > Reihe konnte er sich auch nicht erklären. Gelegengheit macht Liebe, sechs Stueck im Gehaeuse. Bot sich wohl einfach an, da nicht an anderer Stelle benoetigt. datasheet frame 7404 Fairchild Semiconductor Hex Inverting Gates
Ist eine Standardschaltung aus der Steinzeit. Die Dimensionierung ist für TTL. Mit modernen Invertern musst du deutlich hochohmiger sein. Die Inverter 1-2 und 3-4 arbeiten durch die Widerstände als halbwegs analoge Verstärker und bilden den Oszillator. C2 soll verhindern, dass der Kram sehr hochfrequent schwingt. Die Inverter 5-6 und 13-12 machen dann aus dem Signal ein Rechteck.
4 sind überflüssig, 1 reicht, aber was machst du sonst mit den 3 übrigen im Gehäuse ?
Micha schrieb: > "Klein, Microcomputer selbstgebaut und programmiert" jaja der Herr Klein Erfinder zahlreicher nicht funktionierender Schaltungen.......
Immerhin hatte der Herr Klein eine aüßerst coole Frisur in den 80ern ....
Bitte melde dich an um einen Beitrag zu schreiben. Anmeldung ist kostenlos und dauert nur eine Minute.
Bestehender Account
Schon ein Account bei Google/GoogleMail? Keine Anmeldung erforderlich!
Mit Google-Account einloggen
Mit Google-Account einloggen
Noch kein Account? Hier anmelden.
