Hallo, Ich möchte ein Signal 3MHz mit einem BC547B verstärken. Dafür habe ich mit LTSpice eine Schaltung gezeichnet, doch noch nicht alle Parameter bestimmt. Nun Soll also mein Signal durch die Kapazität (Impedanz etwa 0.05 Ohm) eingekoppelt, durch den Transistor verstärkt und wieder durch eine Kapazität an meinen Lastwiderstand R=32Ohm ausgekoppelt werden. Der Verstärkungsfaktor A_V soll 10 betragen. Meine Fragen sind nun: 1.) Kann ich bei 3Mhz den BC547B durch ein kleinsignal ESB ersetzen? 2.) Soll ich die Koppelkapazitäten geringer wählen um noch eine kleinere Impedanz zu erzielen? 3.) Ist eine Emitterschaltung überhaupt geeignet oder sollte ich eine Basisschaltung wählen? 4.) Wie soll ich meinen Strom I_E wählen? Ich will ja möglichst wenig Strom durch meinen Transistor und ein stabiles Ausgangssignal mit einer Verstärkung von 10? 5.) Den Widerstand R_4 muss dient doch als Stabilisierung für Temperaturschwankungen und der Gleichstromspannungsabfall muss etwa 1V betragen?
Anfängerfrage von mir: Was tut der C3, wofür braucht es den?
Hallo, der C3 dient zum Kurzschliessen der Wechselspannung am Emitter. Die Invertierung ist egal. Gruss Bernd
Conny G. schrieb: > Anfängerfrage von mir: > Was tut der C3, wofür braucht es den? Du sollst keine fremden Threads kapern... :-P http://www.elektronik-kompendium.de/sites/slt/0204134.htm
Ich ändere ja (hoffentlich) nicht das Thread-Thema, möcht nur kurz was wissen :-)
.. ist doch 'ne Kollektorschaltung und keine Emitterschaltung, oder?
Ich denke schon das dass eine Emitterschaltung ist, der Ausgang ist doch am Kollektor?
Sicher ist das eine Emitterschaltung! Mal wieder: http://www.elektronik-kompendium.de/sites/slt/0203111.htm Gruß Dennis
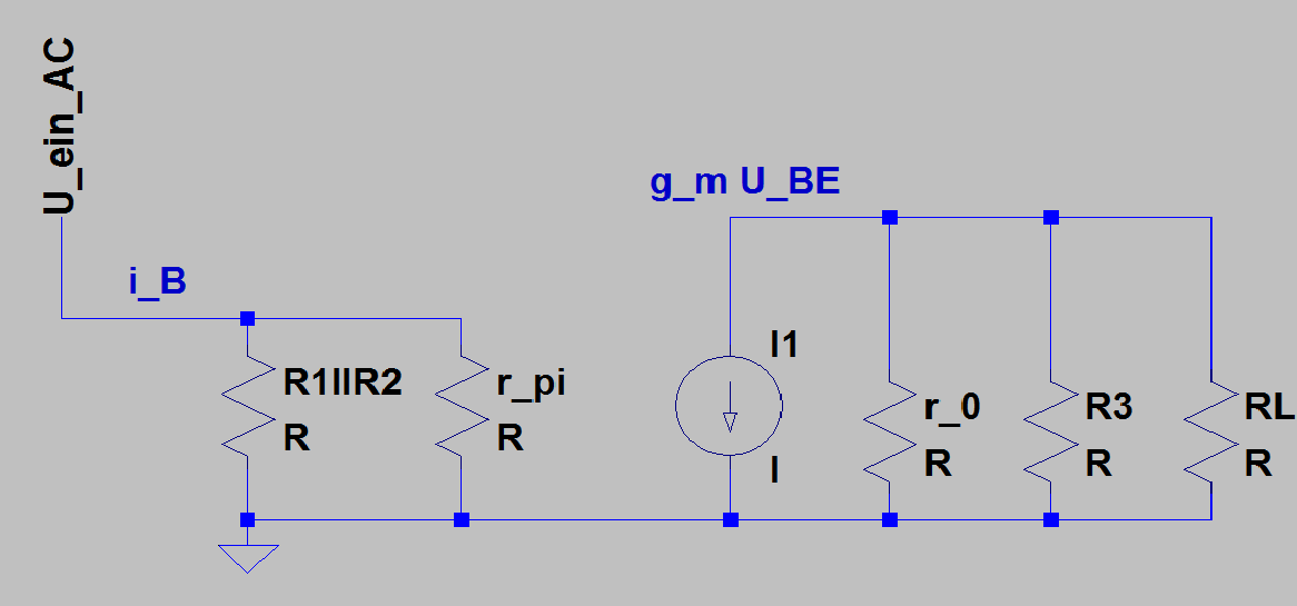
Ich habe mal das Wechselsignal ESB (C = kzschl.) gezeichnet und den Transistor durch sein kleinsignal ESB ersetzt. Zur Notation:
Die Spannungsverstärkung wäre dann doch:
Da R_L viel kleiner als r_0 und R_3 Kann ich g_m einfach als
wählen? Kann ich bei 3MHz die Transistorkapazitäten des BC547B vernachlässigen? Gruss Bernd
Das Verhältnis von R3 zu R4 bestimmt den Verstärkungsfaktor. Zum Beispiel R3=1000 Ohm und R4=100 Ohm. C3 sollte gar nicht vorhanden sein, denn er würde bewirken, dass die Verstärkung Frequenzabhängig ist. In realen Schaltungen findet man gelegentlich C3, um die Verstärkung für hohe Frequenzen anzuheben, um andere nicht-linearitäten auszugleichen. Aber das sind dann wenige pF, nicht 1µF. Die Last wirkt parallel zu R3. In der Unterhaltungselektronik wählt man den Ausgangswiderstand (R3) möglichst klein (z.B. wenige hundert ohm) während die Last hochohmig ist (z.B. 50 Ohm). So verändert die Last den Verstärkungsfaktor nur minimal. Es gilt annäherungsweise:
1 | V=R3/R4 |
2 | [c/code] |
3 | |
4 | Aber bei hochfrequenteren Systemen, z.B. TV/Video Signalen muss der Ausgangswiderstand dem Eingangswiderstand der Last entsprechen. Also 75 Ohm Ausgangswiderstand und 75 Ohm Eingangswiderstand bei der Last. Macht zusammen (parallel gerechnet) 37,5 Ohm. Die Last muss bei der Berechnung des Verhältnisses unbedingt mit einbezogen werden, denn sie belastet den Verstärker maßgeblich: |
5 | [code] |
6 | V= 1/(1/R3+1/Rlast)/R4 |
Sorry war verwirrt. Liegt bei mir daran, dass der Emitterfolger auch Kollektorschaltung genannt wird. Ganz klar richtig, die Schaltung ist das was in deutsch Emitterschaltung genannt wird.
> Kann ich bei 3MHz die Transistorkapazitäten des BC547B vernachlässigen?
Ich kann zumindest mit Sicherheit sagen, dass sie bei 15Mhz Nutzsignal
nicht vernachlässigbar sind. Für TV/Video Signale nutze ich C3, um das
zu kompensieren. Der Transistor an sich ist schon Ok.
@Stefan, danke erstmal. Ich bin ein bisschen verwirrt bei der Spannungsverstärkung: Wann ist die Spannungsverstärkung
und wann ist sie
Gruss Bernd
Soll ich eine zweit Stufe (Kollektorschaltung) dranhängen (hohe Eingangsimpedanz, niedrige Ausgangsimpedanz) um eine Verstärkung von 10 zu bekommen?
Kann es sein, dass die Spannungsverstärkung vom Kondensator C3 abhängt: Wenn C3 vorhanden folgt: Wechselspannungskurzschluss und es gilgt: V_u = -g_m *R_L Falls C3 nicht vorhanden: V_u = R_C / R_E
Bernd schrieb: > Soll ich eine zweit Stufe (Kollektorschaltung) dranhängen Bei 32 Ohm Lastwiderstand ist ein Emitterfolger sehr empfehlenswert. Als Hausnummer hat er einen Ausgangswiderstand von "Widerstand im Emitter / Stromverstärkung"
Conny G. schrieb: > warum das? Was genau ist dir unklar? Dass ein Verstärker in der skizzierten Form für 32Ohm Last viel zu hochohmig ist? Dass der Kondensator über dem Emitterwiderstand sinnvoll ist? Dass ein Emitterfolger niederohmig im Ausgang ist? Oder, dass man das alles in Spice hervorragend simulieren kann?
Georg G. schrieb: > Bernd schrieb: >> Soll ich eine zweit Stufe (Kollektorschaltung) dranhängen > > Bei 32 Ohm Lastwiderstand ist ein Emitterfolger sehr empfehlenswert. Als > Hausnummer hat er einen Ausgangswiderstand von "Widerstand im Emitter / > Stromverstärkung" Sorry, stimmt, war mehrdeutig. Dies meinte ich.
Bitte melde dich an um einen Beitrag zu schreiben. Anmeldung ist kostenlos und dauert nur eine Minute.
Bestehender Account
Schon ein Account bei Google/GoogleMail? Keine Anmeldung erforderlich!
Mit Google-Account einloggen
Mit Google-Account einloggen
Noch kein Account? Hier anmelden.

