Hallo Allerseits, ich suche Hilfe bei der Berechnung/Schaltung eines einfachen Shuntreglers. Meine Elektronikkenntnisse sind leider schon sehr eingerostet. Vorhaben: meine PV-Solarmodule haben eine Leerlaufspannung von ~29V (im Winter ev.33V) der Wechselrichter hat aber eine Obergrenze von 28V. Darüber läuft er nicht an und nimmt keine Leistung ab. Im laufenden Betrieb liegt die Spannung bei ca. 23V und die Schaltung ist ausser Betrieb. Mein vorhaben ist nun bei >27V die Solarzellen mit Strom zu belasten (verbraten) damit die Spannung nicht weiter als auf 27V Steigen kann bis der Wechselrichter die Leistung abnimmt. Der Kurzschlussstrom der Module liegt bei ca. 22A, bei Pmax (23V) sind es 19A. Ich weis noch nicht auf welchen Strom ich T2 auslegen soll aber ein MJ11016G (30A) sollte reichen. Z-Diode mit ~24V ist auch klar, kann ich ja noch feinabstimmen. Bei der restlichen Auslegung der Schaltung bin ich leider überfordert. Vielleicht könnte jemand helfen. Besten Dank, Stefan
Sach mal Stefan, findest du deine Idee eigendlich schön? Ich bin ja eher ein Freund von Effizienz... Nun zu deiner Sache, der Transistor darf 200W maximal wandeln bei 25°C Wie lange liegen deine 400W-500W denn an? Du musst damit der Transistor nie über 200W verheizt die übrige Leistung in einen widerstand abführen, eigendlich eine Schande... Ich hätte da schon echt Angst bei solchen basteleien, nachher fackelt die Bude ab und und du sagst "naja, ich dachte ein 30A Transistor reicht" Ich Sage mal jetzt das der Wechselrichter Kacke ist, wieso holst du dir nicht einen der dafür ausgelegt ist?
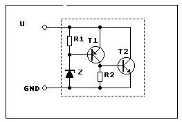
Für die Schaltungauslegung wäre eine Kennlinie der Module gut. Daraus ablesen, wieviel Strom bei voller Bestrahlung und 27V höchstens fließt. Das ist die Berechnungsgrundlage. Angehängte Schaltung ist für dauerhaft 33V berechnet und macht ca 6A nieder. Damit dürftest du das Modul vermutlich in den Arbeitsbereich deines Umrichters runterziehen können. Vergleiche das mit der Kennlinie deiner Module. Vorsicht zusammen max. 165W braucht ordentlich Kühlung!
Martin D. schrieb: > Sach mal Stefan, findest du deine Idee eigendlich schön? > Ich bin ja eher ein Freund von Effizienz... > > Nun zu deiner Sache, der Transistor darf 200W maximal wandeln bei 25°C > Wie lange liegen deine 400W-500W denn an? > Du musst damit der Transistor nie über 200W verheizt die übrige Leistung > in einen widerstand abführen, eigendlich eine Schande... > Ich hätte da schon echt Angst bei solchen basteleien, nachher fackelt > die Bude ab und und du sagst "naja, ich dachte ein 30A Transistor > reicht" > > Ich Sage mal jetzt das der Wechselrichter Kacke ist, wieso holst du dir > nicht einen der dafür ausgelegt ist? Hallo Martin, schön nicht, aber leider notwendig. Ich will auch Effizienz, darum kommt auch ein Längsregler eigentlich nicht in Frage. Das Problem liegt eher an den Zellen, mir ist kein Wechselrichter bekannt der dazu passt. Meiner geht von 12-28V der nächste von 24-50. Damit bin ich aber ausserhalb von Pmax der Zellen (~23V). Auch eine andere Verschaltung der Module funktioniert nicht. Ein WR wo der Arbeitspunkt passt kann max. 90V Eingangsspannung, ich habe aber evtl. bis zu 100V. Ausreichende Kühlung (mittels Lüfter) Temperaturüberwachung und evtl. Lastabwurf sind selbstverständlich (auch bei Stromausfall). Dafür habe ich fertige Module. Sobald der WR die Module ausreichend mit Strom belastet (10-15sec.) bricht die Spannung sowieso auf <24V zusammen und somit habe ich durch die Schaltung keine Verluste mehr. @besupreme hier mal die Kennlinien, wenn ich sie richtig lese kann es vorkommen dass ich wirklich bis zu 20A verheizen muss (Modul kalt und max Einstrahlung). Kommt eigentlich nicht vor, aber die Schaltung sollte dafür ausgelegt sein. Für welche Spannung muss ich die Schaltung auslegen - eigentlich doch 27V - dann sollte sie ja gegensteuern damit die Spannung nicht weiter steigt. Beste Grüße Stefan
Hi, da es ausreicht die Spannung zwischen 12 und 28V zu halten, würde ich keine Leistung in einem Transistor verbraten. Einfach mit einem FET Lastwiderstände einschalten und fertig. Die Schaltung im Anhang ist, in dieser Dimensionierung, aber nicht praxiserprobt, deshalb keine Garantie für Rauch und Gestank. Grüße
@Krangel ein sehr interessanter Ansatz, so würde es auch gehen, mittels Spannungsüberwachungsrelais und Lastwiderständen habe ich es auch schon versucht, allerdings war die "Regelung" natürlich viel zu langsam und hat die Spannung zu weit einbrechen lassen. Deinen Vorschlag werde ich mal überdenken und einen Versuch starten. Besten Dank - natürlich auch an alle Anderen. Gruss Stefan
Hallo, es müsste doch reichen, sicherheitshalber die Last nur für ein paar Sekunden einzuschalten, dann läuft dein Wandler an oder es ist eh was kaputt. Dann musst du nicht für hunderte Watt Dauerbelastung auslegen. Was ich nicht verstehe: wenn dein Wandler läuft, ist ja alles ok, nur der Start ist ein Problem - aber wie kommen deine Module plötzlich von Null auf Hundert? Hast du einen Sonnen-Switch? Gruss Reinhard
Martin D. schrieb: > Ich bin ja eher ein Freund von Effizienz... Solange die Sonne keine Rechnung schickt ist Effizienz im Leerlauf wenig relevant.
HI, Stefan schrieb: > mittels > Spannungsüberwachungsrelais und Lastwiderständen habe ich es > auch schon versucht, vermutlich waren die Schaltschwellen falsch gewählt. Der Lastwiderstand muss so gewählt werden, dass die Spannung bei allen Betriebsbedingungen zwischen der Hysterese liegt. Der Wechselrichter muss die Spannung unter die untere Schaltschwelle ziehen. Tut er es nicht, läuft der Shunt parallel zum Wechselrichter. Zieht der Lastwiderstand die Spannung unter die untere Schwelle schwingt der Shunt und wird abrauchen. Grüße
@Krangel das mit den Lastwiderständen wird sich nicht machen lassen, wenn sie Schaltung nicht "takten" darf wird das nicht funktionieren. Solarmodule haben die Eigenschaft bereits bei wenig Licht volle Spannung aber nur wenig Strom zu liefern. Dann bin ich wohl wieder am Anfang mitm Transistor welcher regelt. @Reinhard ich hatte heute zum ersten Mal die Möglichkeit den WR bei sehr guter Sonne zu beobachten. Wenn er startet dauert es doch 10-20 Sekunden bis er den Strom so weit steigt dass die Spannung einbricht. Die Wechselrichter haben die Eigenart manchmal die Last abzuwerfen und dann die Regelung von neuem zu starten. Wenn dies bei Sonne max passiert habe ich viel Strom zu vernichten bis die Spannung auf <27V fällt. @Julian dann brauche ich einen neuen Wechselrichter der mit ~100V Leerlaufspannung und Pmax Bereich 50-80V klarkommt, es gibt eine Firma der fast passt aber nur 90V Leerlauf abkann. Sonst hätt ich diese Möglichkeit schon in Betracht gezogen. Beste Grüße Stefan
Ich schmeiße auch mal ne Schaltung auf den Markt. R6 und M1 müssen noch bezüglich der Leisung angepasst werden. Damit werden die PV-Module ab 27V belastet damit die Ausgangsspannung nicht weiter ansteigt. Unter dem Wert findet keine Belastung statt. Vieleicht hilfts ja weiter.
Hab grad nachgelesen, da sind ja die Kennlinien. Also im Winter wäre die höchstmögliche Belastung der Shunt - Schaltung bei konstanter Sonneneinstrahlung. Da vor einiger Zeit in einem anderen Forum das Thema MPP bei verschiedenen Jahreszeiten durchgekaut wurde, hier mal Wikipedia: http://de.wikipedia.org/wiki/Sonnenschein und zum Vergleich: Damals wurde gemessen südlich von München: Sommer max. 900W/m², Winter unter 650W/m². Mit diesen Werten und der Kennlinie ergibt sich, daß du vermutlich doch nicht ganz so viel Leistung verbraten mußt, wie die Maximalwerte hergeben. Außer die Anlage steht viel weiter südlich oder sehr hoch. Trotzdem ist es natürlich notwendig, daß dein Regler notfalls diese theoretische Maximalleistung verträgt. Man weiß ja nie. Zu den Reglern, die hier vorgeschlagen wurden: Mir persönlich gefällt die Schaltregler-Idee von Krangel sehr gut. Allerdings muß bei allen schaltenden Reglern 'irgendwo' vor der Schaltung eine Pufferkapazität vorhanden sein. Ich hab vorhin mal ein wenig mit einer Zweipunktregler - Simulation herumprobiert, bei 20A halte ich da mindestens 2000uF für sinnvoll. Ein Teil dieser Kapazität kann allerdings schon durch deine Anlage gegeben sein, da sowohl die Solarmodule eine Eigenkapazität aufweisen als auch dein Wandler Kapazitäten verbaut hat.
Stefan schrieb: > Die Wechselrichter haben die Eigenart manchmal die Last abzuwerfen Und das soll die Zukunft der Stromversorgung Deutschlands sein? Sowas würde ich weder zur eigenen Versorgung verwenden noch ans Netz anschliessen. Gruss Reinhard
Hallo an alle, ich denke das Thema hat sich erledigt, ich werde mich zwar noch etwas damit beschäftigen aber DER Wechselrichter hat sich für mich erledigt - zu unstabil (ist zwar ein deutsches Modell - aber doch eher Chinasch...) Ich habe jetzt doch noch einen WR gefunden welcher mit meiner Spannung harmoniert - kostet nur etwas mehr. Dennoch herzlichen Dank für die vielen Tipps und Gedanken. Beste Grüße Stefan
Bitte melde dich an um einen Beitrag zu schreiben. Anmeldung ist kostenlos und dauert nur eine Minute.
Bestehender Account
Schon ein Account bei Google/GoogleMail? Keine Anmeldung erforderlich!
Mit Google-Account einloggen
Mit Google-Account einloggen
Noch kein Account? Hier anmelden.






