Hallo, mein Name ist Kim. Ich bin 17 Jahre alt und habe vor ein paar Wochen meine Ausbildung als Elektroniker begonnen. Da ich mir einen neuen PC gekauft habe will ich nun ein Gerät bauen welches mir die Reaktionszeit meines Displays misst. Ich habe schon einiges bei Google gefunden und meinen Bruder gefragt aber mache Fragen habe ich trotzdem noch=) Also ich will das alles in ein Gehäuse bauen. Entweder eine alte Filmdose oder im Internet eins bestellen. Dort dann ein Loch rein wo die Fotodiode von innen dagegen kommt. Das alles soll mit einer Batterie betrieben werden. Also in dem Gehäuse soll eine Platine sein mit einer Fotodiode drauf und mit einem Transimpedanzverstärker (TIA) drauf. Das Ausgangssignal will ich mir am Oszilloskop meines Bruder anschauen können. Ausgegeben werden soll 0V - 5V. Nun ist jedoch die Frage wie ich die Bauteile berechne. Ich zeig euch mal was ich rausgesucht habe. Als Fotodiode habe ich folgende rausgesucht bei Farnell: SILONEX - SLSD-71N200 - PHOTODIODE, FLACH Bestellnummer: 1218994 http://de.farnell.com/silonex/slsd-71n200/photodiode-flach/dp/1218994?Ntt=1218994 Als Operationsverstärker hab ich denda rausgesucht: TEXAS INSTRUMENTS - OPA380AIDG4 - AMP TRANSIMPEDANCE, SMD, SOIC8, 380 Bestellnummer: 1180147 http://de.farnell.com/texas-instruments/opa380aidg4/amp-transimpedance-smd-soic8-380/dp/1180147 Nun hab ich einige Fragen. Und zwar: - Ist die Diode schnell genug für mein PC-Bilderschirm? (Er hat 2ms) Und wie finde ich das raus oder berechne ich das? - Muss ich Diode "vorspannen"? Oder wie in Wikipedia steht im "Quasi-Kurzschluss" betreiben? - An der Diode ist auf manchen Zeichnungen auch parallel ein Kondensator gezeichnet. Brauch ich den auch und für was ist er manchmal da? - Wie berechne ich den Widerstand "über" dem TIA? (Also auf dem Schaltplan von google ist er über dem TIA gezeichnet :P ) Manchmal ist da auch parallel ein Kondensator eingezeichnet. Für was ist diese? Brauch ich die? - Der TIA kann nur 5,5V verkraften aber meine Batterie hat 9V. Muss ich ein Spannungsteiler bauen oder so ein Bauteil einbauen oder gibt es ein Bauteil das aus irgendeiner höheren Spannung immer 5,5V macht? Ich hoffe ich hab nichts vergessen und mir kann jemand Helfen :) Bitte nicht nur fertige Lösungen oder Ergebnisse sondern auch einen Rechenweg und Erklärungen damit ich es für die Zunkunft auch weiß :) Danke schonmal im Vorraus :)
Betreib die Diode im 'quasi Kurzschluß'. Damit senkst du die doch recht hohe Kapazität von 700pF. Dein OP braucht zur Versorgung einen Spannungsregler, 9V draufhalten ist da nichts. Du hättest dann einen anderen nehmen müssen. Den Feedbackwiderstand mußt du selber ermitteln. Er hängt letztendlich von der Beleuchtungsstärke ab und von der Ausgangsspannung. 100k...1M sind ein brauchbarer Startwert zum experimentieren.
testtest schrieb: > Betreib die Diode im 'quasi Kurzschluß'. Damit senkst du die doch recht > hohe Kapazität von 700pF. Durch Kurzschlußbetrieb wird die Sperrschichtkapazität der Diode nicht gesenkt, sondern nur schneller umgeladen. Um die Kapazität zu senken, kann man eine rel. hohe Spannung in Sperrrichtung anlegen.
> - Ist die Diode schnell genug für mein PC-Bilderschirm? (Er hat 2ms) > Und wie finde ich das raus oder berechne ich das? Die Diode ist nicht optimal, sie ist gross (700pF) und ohne Linse. Nimm lieber eine PIN-01CLSL (21pF) oder ähnlich. > - Muss ich Diode "vorspannen"? Oder wie in Wikipedia steht im > "Quasi-Kurzschluss" betreiben? Wie im Datenblatt des OPA380 > - An der Diode ist auf manchen Zeichnungen auch parallel ein Kondensator > gezeichnet. Brauch ich den auch und für was ist er manchmal da? Er macht es langsamer, asl weglassen, das wird auch nur der maximale erlaubte intrisische Kapazität der Photodiode sein, bis zu der der OpAmp noch stabil ist. > - Wie berechne ich den Widerstand "über" dem TIA? Wenn du weisst, wie hell dein Bildschirm ist... (also ausprobieren). > - Der TIA kann nur 5,5V verkraften aber meine Batterie hat 9V. Muss ich > ein Spannungsteiler bauen oder so ein Bauteil einbauen > oder gibt es ein Bauteil das aus irgendeiner höheren Spannung immer > 5,5V macht? Ein Spannungsregler, ein 5V Spannungsregler, so was wie LM2950-5, man muss ja nicht auf das zehntel Volt an die absolute maximale Obergrenze gehen.
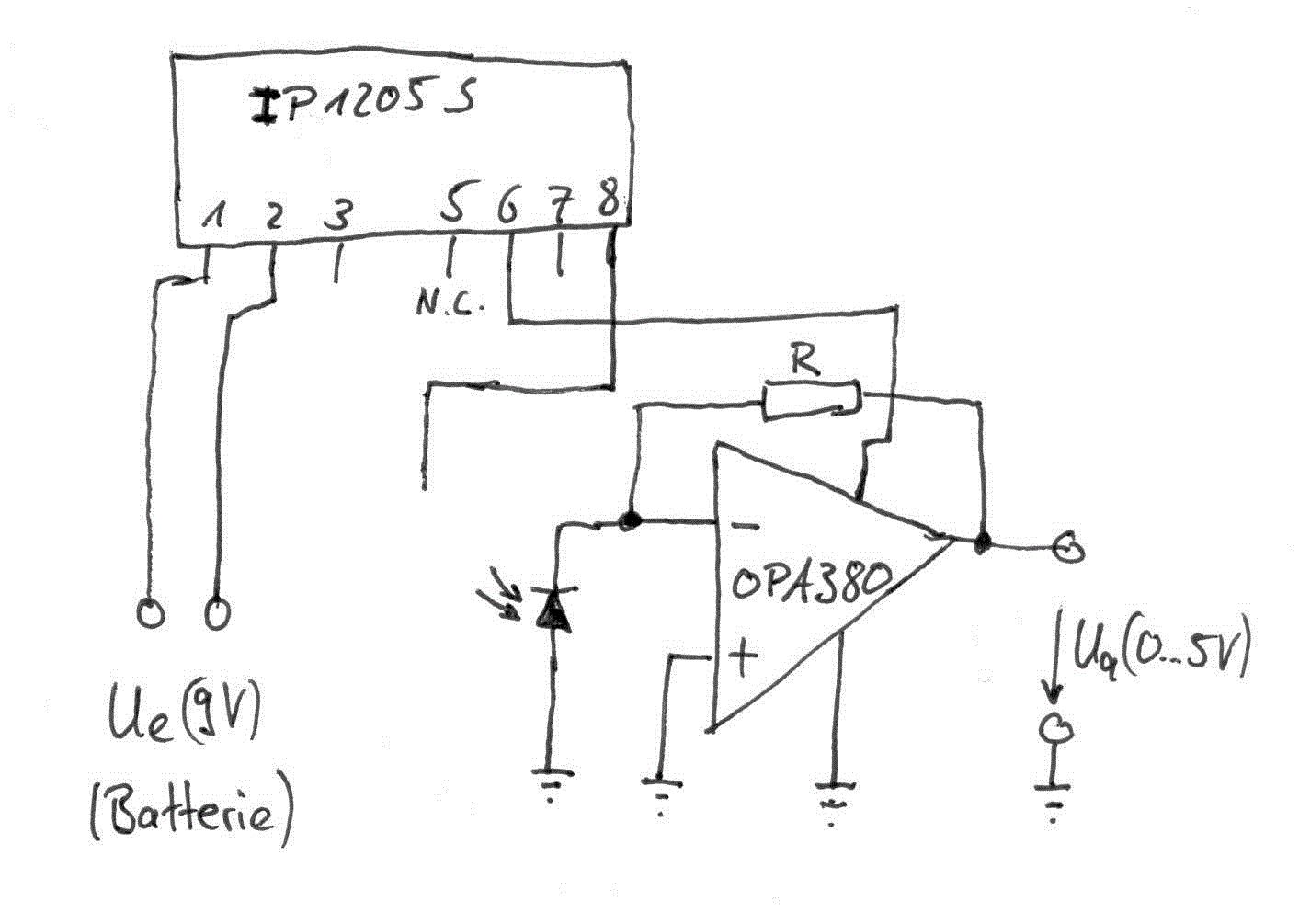
Also erstmal vielen Dank für die Antworten! :) Die Bauteile die ihr mir vorgeschlagen habt gibt es allerding bei Farnell.com nicht =( Und ich kann da kostenlos über meinen Bruder bestellen:) Ich dachte meine Diode ist gut weil sie eine große Fläche hat, ist das nicht so? Also ich hab jetzt neue Bauteile rausgesucht. Sind die in Ordnung soweit? Diode: 1. Die Fotodiode muss ich ja laut Datenblatt des OPA380 nicht einer Vorspannung betreiben. Allerdings hab ich jetzt gelesen das eine Vorspannung die Kapazität senkt. Deshalb auch ein Spannungsregler mit +/- 5Volt. 2. Was soll ich am besten bei "Wavelength of Peak Sensitivity" aussuchen? Eher hoch oder niedrig? Wenn ich nachher von schwarz zu weiß messen will, mess ich ja einmal eine hohe und einmal eine niedrige Wellenlänge.. Deshalb denke ich es ist wohl ein Mittelwert am besten, oder? Ich habe jetzt die hier gesucht & gefunden :) Wäre die was? Hab das eben mit dem kleiner oder großer Fläche noch nicht kapiert. Also was da besser ist. http://de.farnell.com/vishay/bpw21r/foto-diode-560nm/dp/1045427 Spannungsregler: Als Spannungsregler habe ich jetzt den hier genommen, da er einmal +5 Volt und einmal -5V liefert. Mit den -5 Volt kann ich die Diode unter Vorspannung betreiben und mit den +5 Volt kann ich meinen Operationsverstärker betreiben. Das mit dem Widerstand "über" dem Regler hab ich noch nicht kapiert mit dem Durchprobieren. Also mein Display hat 250cd laut Datenblatt und ich will 0 Volt - 5 Volt am Ausgang meiner Schaltung. http://de.farnell.com/xp-power/ip1205s/dc-dc-wandler-3w-4-1-i-p5v-o-p/dp/1859155 Operationsverstärker: Er verträgt doch nur 5V laut Datenblatt. Keine 5,5V wie auf farnell.com steht. Passt ja aber mit meinem Spannungsregler. http://de.farnell.com/texas-instruments/opa380aidg4/amp-transimpedance-smd-soic8-380/dp/1180147?ref=lookahead Hab noch meine Zeichnung angehängt. So sollte es dann aussehen. Nur wo muss Pin 8 von dem Spannungsregler an die Diode angeschlossen werden damit sie mit den -5 Volt betrieben wird?
Kim Flink schrieb: > 2. Was soll ich am besten bei "Wavelength of Peak Sensitivity" > aussuchen? > Eher hoch oder niedrig? Wenn ich nachher von schwarz zu weiß messen > will, mess ich ja einmal eine hohe und einmal eine niedrige > Wellenlänge.. Schwarz und Weiß sind keine Farben und schon gar keine Spektralfarben. Was du messen möchtest, ist die Helligkeit. Mit einer Änderung der Wellenlänge hat das nichts zu tun. Das Spektrum, deines Displays hängt von der angezeigten Farbe ab. Bei Weiß ist das eine Mischung von Rot, Grün und Blau, die für dein Auge idealerweise genauso aussieht, wie ein Glühspektrum (z.B. Sonnenlicht, wenn man mal von Frauenhofer-Linien und sonstigen Absorptionsbanden absieht) und im Detail vom Aufbau deines Displays abhängt.
> Das mit dem Widerstand "über" dem Regler hab ich noch nicht kapiert mit > dem Durchprobieren. Also mein Display hat 250cd laut Datenblatt und ich > will 0 Volt - 5 Volt am Ausgang meiner Schaltung. Da dein Display bei 250cd die Photodiode mit 250lux bescheint, und diese bei 1000 lux laut Datenblatt zwischen 4.5uA und 9uA erzeugt, wird sie nun maximal 2.25uA erzeugen die durch einen 2.2MOhm Widerstand zu 5V werden. Für sinnvoll halte ich es nicht, die teuersten Baueile einzukaufen, die es gibt, aber es wird mit ihnen gehen.
Wolfgang schrieb: > Kim Flink schrieb: >> 2. Was soll ich am besten bei "Wavelength of Peak Sensitivity" >> aussuchen? >> Eher hoch oder niedrig? Wenn ich nachher von schwarz zu weiß messen >> will, mess ich ja einmal eine hohe und einmal eine niedrige >> Wellenlänge.. > > Schwarz und Weiß sind keine Farben und schon gar keine Spektralfarben. > Was du messen möchtest, ist die Helligkeit. Mit einer Änderung der > Wellenlänge hat das nichts zu tun. Das Spektrum, deines Displays hängt > von der angezeigten Farbe ab. Bei Weiß ist das eine Mischung von Rot, > Grün und Blau, die für dein Auge idealerweise genauso aussieht, wie ein > Glühspektrum (z.B. Sonnenlicht, wenn man mal von Frauenhofer-Linien und > sonstigen Absorptionsbanden absieht) und im Detail vom Aufbau deines > Displays abhängt. Was ist dann ein guter Wert für "Wavelength of Peak Sensitivity" ? Ich kann mir gerade garnichts drunter vorstellen :(
MaWin schrieb: >> Das mit dem Widerstand "über" dem Regler hab ich noch nicht > kapiert mit >> dem Durchprobieren. Also mein Display hat 250cd laut Datenblatt und ich >> will 0 Volt - 5 Volt am Ausgang meiner Schaltung. > > Da dein Display bei 250cd die Photodiode mit 250lux bescheint, und diese > bei 1000 lux laut Datenblatt zwischen 4.5uA und 9uA erzeugt, wird sie > nun maximal 2.25uA erzeugen die durch einen 2.2MOhm Widerstand zu 5V > werden. > > Für sinnvoll halte ich es nicht, die teuersten Baueile einzukaufen, die > es gibt, aber es wird mit ihnen gehen. Ich habe die Bauteile leider nicht viel günstiger gefunden bei farnell. Weißt du wie ich die negative Spannung des Spannungsreglers an die Diodo anschliessen muss? Oder benötige ich das nicht?
> Was ist dann ein guter Wert für "Wavelength of Peak Sensitivity" ? Bei welcher Wellenlänge es am empfindlichsten ist. Unser Auge bei 555nm grün. > Ich habe die Bauteile leider nicht viel günstiger gefunden bei farnell*. TEMD7000X01, MCP6491, LP2950ACDT-5.0G tut's auch, ganz ohne negative Vorspannung.
> Weißt du wie ich die negative Spannung des Spannungsreglers an die Diodo > anschliessen muss? Oder benötige ich das nicht? http://ww1.microchip.com/downloads/en/AppNotes/01494A.pdf
MaWin schrieb: > MCP6491 Feine Sachen kennst du. Gleich mal gemerkt (und hoffentlich behalte ich das auch). Der muss unbedingt mit in meine Sammlung. Vor allem wegen dem "These devices operate with a single-supply voltage as low as 2.4V,"
Na ja, so doll ist der nicht, der billigste Photodiodenopamp (low bias currenr) bei Farnell halt. OpAmps die mit 1.1V auskommen gibt es schon seit 1974 (LM10), heute 0.8V (TS1003).
MaWin schrieb: > Na ja, so doll ist der nicht, der billigste Photodiodenopamp (low bias > currenr) bei Farnell halt. > OpAmps die mit 1.1V auskommen gibt es schon seit 1974 (LM10), heute 0.8V > (TS1003). Für solche Infos bin ich immer besonders dankbar. Habe mal etwas mit den OAmps "gespielt", nach dem ich dieses Heft vom Elektronikkompendium bekommen habe. Habe da die gängigen von den "Standardbauteilen" bestellt gehabt. Für die Bereiche die ich so machen will, scheinen mir diese Typen viel besser geeignet. Vielen Dank auch für die weiteren Infos.
Also vielen Dank euch!! Eine Frage hab ich noch: Muss ich die Diode nun mit einer negativen Vorspannung betreiben oder nicht? Wenn ja, warum? und wenn nein, warum? Schönes Wochenende! :)
Nein, du musst nicht, deine Millisekunden schaltet man auch so, sieheAppNote.
MaWin schrieb: > Nein, du musst nicht, deine Millisekunden schaltet man auch so, > sieheAppNote. Aber all diese Appnotes zu finden, auf die man achten sollte, ist im Anfang auch nicht so leicht. Der Junge ist 17. Vor allem, man muss sie ja auch noch lesen. MaWin, für so alte Hasen ist das alles selbstverständlich, aber man steht da vor einem riesigem Wald und soll genau dieses eine Stückchen Holz aus dem Unterholz holen. Ich weiß mittlerweile ungefähr wo und nach was ich suchen muss, aber am Anfang hab ich auch nur Bahnhof verstanden. Da kommen dann schon mal so blöd wirkende Fragen oder Fragen die schon tausende Male beantwortet wurden. Dann wäre es doch schon, wenn du das entsprechende Appnote gleich verlinken könntest.
F. Fo schrieb: > MaWin schrieb: >> Nein, du musst nicht, deine Millisekunden schaltet man auch so, >> sieheAppNote. > > Aber all diese Appnotes zu finden, auf die man achten sollte, ist im > Anfang auch nicht so leicht. > Der Junge ist 17. > Vor allem, man muss sie ja auch noch lesen. > > MaWin, für so alte Hasen ist das alles selbstverständlich, aber man > steht da vor einem riesigem Wald und soll genau dieses eine Stückchen > Holz aus dem Unterholz holen. > > Ich weiß mittlerweile ungefähr wo und nach was ich suchen muss, aber am > Anfang hab ich auch nur Bahnhof verstanden. > Da kommen dann schon mal so blöd wirkende Fragen oder Fragen die schon > tausende Male beantwortet wurden. > > Dann wäre es doch schon, wenn du das entsprechende Appnote gleich > verlinken könntest. Ja so komm ich mir hier vor. Wie n dummer Mensch :( Ich würde es gern verstehn warum die doch in einer Millisekunde schaltet. Oder wo ich danach schauen muss im Datenblatt. Sorry.
Ich klink mich mal ganu kurz mit einer kleinen Fage dazwischen: http://www.conrad.de/ce/de/product/180381/ Dieser preiswerte RGB-Farbsensor hat die drei Dioden genau "verpolt", also gmeinsame Kathode. Wenn man drei Kanäle aufbauen wöllte, wei schließt man die einzelnen Sensoren an die TIAs? Einfach umpolen und die gemeinsame Kathode auf V/2 legen? Danke und Gruß Axelr.
> Wenn man drei Kanäle aufbauen wöllte, wei schließt man die einzelnen > Sensoren an die TIAs? Einfach umpolen und die gemeinsame Kathode auf V/2 > legen? Einfach umpolen und die gemeinsame Kathode auf Vref legen, also die Maximalspannung die der A/D-Wandler einlesen kann, so daß bei steigender Helligkeit die Eingangsspannung sinkt (bis 0V).
alles klar, danke! im Moment sind die tatsächlich auf V/2 gelegt. Die Spannung geht dann von 1.5 gegen Null. Mit einem weiteren "Gatter" des TS914 habe ich hintendrann einen "Aufholverstärker", der dann wieder 0-3V draus macht. Ich war mit den RailtoRail Grenzen des Eingangs nicht so ganz sicher. So könnte ich den Differenzverstärker weglassen und den Sensor(die Sensoren) mal direkt an Vref legen. Bin ich gar nicht drauf gekommen, das mal zu probieren. So ist das, wenn man allein seine Projekte verwirklicht... Danke Axelr.
F. Fo schrieb: > MaWin schrieb: >> Nein, du musst nicht, deine Millisekunden schaltet man auch so, >> sieheAppNote. > > Aber all diese Appnotes zu finden, auf die man achten sollte, ist im > Anfang auch nicht so leicht. > Der Junge ist 17. > Vor allem, man muss sie ja auch noch lesen. > > MaWin, für so alte Hasen ist das alles selbstverständlich, aber man > steht da vor einem riesigem Wald und soll genau dieses eine Stückchen > Holz aus dem Unterholz holen. > > Ich weiß mittlerweile ungefähr wo und nach was ich suchen muss, aber am > Anfang hab ich auch nur Bahnhof verstanden. > Da kommen dann schon mal so blöd wirkende Fragen oder Fragen die schon > tausende Male beantwortet wurden. > > Dann wäre es doch schon, wenn du das entsprechende Appnote gleich > verlinken könntest. Woran erkenne ich denn nun das sie meine Millisekunden schaltet? Und brauch ich die negative Vorspannung der Diode oder nicht? Grüße
> Woran erkenne ich denn nun das sie meine Millisekunden schaltet? Siehe Diagram in der AppNote, ganz ohne Vorspannung. > Dann wäre es doch schon, wenn du das entsprechende Appnote gleich > verlinken könntest. Es wäre schön, wenn du den Thread auch mal lesen würdest, auf den du meckern tust. Denn die AppNote ist schon längst verlinkt.
Diese Appnote ist doch von keinem meiner Bauteile? Oder sehe ich das falsch? Ausserdem weiß ich garnicht wie und aus welchem Diagramm genau ich das rauslesen kann/soll.
MaWin schrieb: > Es wäre schön, wenn du den Thread auch mal lesen würdest, auf den du > meckern tust. Denn die AppNote ist schon längst verlinkt. Jau, ich Dösel! :-) Hattest du ja schon Porre ... äh ... sorry.
Bitte melde dich an um einen Beitrag zu schreiben. Anmeldung ist kostenlos und dauert nur eine Minute.
Bestehender Account
Schon ein Account bei Google/GoogleMail? Keine Anmeldung erforderlich!
Mit Google-Account einloggen
Mit Google-Account einloggen
Noch kein Account? Hier anmelden.
