Hallo gemeinde :) Ich würde gerne meinen im Titel genannten HT46R232 auslesen, habe aber keine ahnung wie und womit. Habe bisher nur Tiny 13 per LPT port beschrieben - mit fertigen scripten :D Mir sind die Grundlagen also halbwegs bekannt, löten kann ich alles was zu Löten ist, so sollte auch ein Programmer kein problem darstellen. Ich hoffe das die Screenshot's aus der PDF okay sind, weis sonst nicht wo ich es hochladen soll. //edit irgendwie läd er hier keine bilder hoch daher als link http://www.ld-host.de/uploads/images/025b4d046396cae5d0dd2f03b46ef16e.jpg http://www.ld-host.de/uploads/images/0aa343a0060d332ca985d716b702b072.jpg Würde mich freuen wenn man mir Hilfestellung geben würde. Gruß
Karsten B. schrieb: > Ich würde gerne meinen im Titel genannten HT46R232 auslesen, habe aber > keine ahnung wie und womit. Das wird - wenn man mal die für den Praktiker wohl nicht vertretbaren Methoden die spezialisierte Reverse-Engineering-Dienstleister bieten ausschleißt - ein eher aussichtsloses Unterfangen, denn das Datenblatt sagt bereits auf Seite 1, daß es sich um einen OTP-Baustein handelt. > Mir sind die Grundlagen also halbwegs bekannt, löten kann ich alles was > zu Löten ist, so sollte auch ein Programmer kein problem darstellen. In der Tat, das Programmieren so eines Bauteils sollte recht einfach mit einem (möglicher Weise selbst zusammengeschusterten - müsste man sich eben mal erkundigen ob sich der Aufwand lohnt) Programmiergerät zu bewerkstelligen sein. Um Grunde sind das ja nur bessere EPROM-Brenner. Damit könntest Du dann "leere" HT46R232 programmieren (falls Du die überhaupt bekommst und die passende Software - also in der Regel den Assembler - beherrschen würdest). Allerdings wolltest Du ja etwas auslesen... Also kurze Antwort: * Programmieren von Leerchips warscheinlich einfach möglich * Auslesen gebrannter Chips mit vertretbarem Aufwand kaum möglich. LG, NOR
Norbert M. schrieb: > Das wird (...) ein eher aussichtsloses Unterfangen, denn das Datenblatt > sagt bereits auf Seite 1, daß es sich um einen OTP-Baustein handelt. > * Auslesen gebrannter Chips mit vertretbarem Aufwand kaum möglich. Das hat mit OTP aber rein gar nichts zu tun. OTP-Bausteine lassen sich ganz vorzüglich auslesen, wie jedes 27C64 im Plastikgehäuse beweist.
Rufus Τ. Firefly schrieb: > Norbert M. schrieb: >> Das wird (...) ein eher aussichtsloses Unterfangen, denn das Datenblatt >> sagt bereits auf Seite 1, daß es sich um einen OTP-Baustein handelt. > > Das hat mit OTP aber rein gar nichts zu tun. OTP-Bausteine lassen sich > ganz vorzüglich auslesen, wie jedes 27C64 im Plastikgehäuse beweist. Und, was willst Du mir damit sagen? Welche OTP-*Mikrocontroller* kennst Du, die sich "vorzüglich" auslesen lassen? Man sollte Birnen nicht mit Zitronen vergleichen.
Oha, das klingt alles recht haarig. Also der HT ist auf einem Digitalen Roller Tacho welches einen KM stand von 6,2KM aufweist, ca 11.1179km weniger als mein Roller mit Analogem Tacho gelaufen hat. Möchte ich gerne anpassen. Neben ihm sind noch 2 Displaytreiber an Board (da das Tacho 2 Seperate Displays hat) und ein, ich vermute mal, isp anschluss vorhanden mit folgender Belegung, steht ja daneben: - Reset - GND - A_CLR - H_O - L_O - SCL Ob das bei H_O und L_O ein O oder eine Null ist kann ich nicht sagen. Ich hätte einen Arduino pro mini (3,3v) und einen USB <-> Serial Adapter zur verfügung (mit FTDI chip drin) Beim arduino bekomme ich immerhin eine LED zum blinken.
Norbert M. schrieb: > Und, was willst Du mir damit sagen? Daß Du vielleicht "OTP" und "µC mit Ausleseschutz" durcheinanderbringst?
Wo kann ich denn rausfinden wozu der anschluss gut ist und wie man ihn nutzen kann ?
Rufus Τ. Firefly schrieb: > Norbert M. schrieb: >> Und, was willst Du mir damit sagen? > Daß Du vielleicht "OTP" und "µC mit Ausleseschutz" durcheinanderbringst? Das tue ich nicht und darauf habe ich Dich auch schon hingewiesen. Fakt ist, daß sich das Programm eines OTP-Mikrocontrollers in der Regel nicht auslesen lässt. Meine Frage nach einem Gegenbeispiel - täte mich nämlich interessieren - hast Du ja geflissentlich ignoriert. Und selbst wenn's sowas geben würde, dann lies mal das bitte Subject, es ging um den HT46R232 von Holtek, und der lässt sich nicht auslesen. Deswegen habe ich auch den Vergleich mit dem OTP-PROM bemängelt, er passt hier einfach nicht. Das wäre so, wie wenn ich jemandem raten würde, er solle sich davor hüten, unter einer Kokospalme zu schlafen, da er von herabfallenden Steinfrüchten erschlagen werden könnte. Und dann kommst Du und kritisierst mich dafür, weil Du schon mehrmals unter einem Kirschbaum genächtigt hast, und bis jetzt immer ohne blaue Flecke "davongekommen" bist, die Warnung vor herabfallenden Steinfrüchten also Blödsinn sei. Von einem Moderator hätte ich schon erwartet, daß er über ein Mindestmaß an der Fähigkeit verfügt, Texte in ihrem Kontext zu lesen und zu verstehen. Ich will mich nicht mit Dir streiten, von mir aus hast Du Recht und ich habe dann eben Unrecht. Von mir aus kann jeder versuchen, beliebige OTP-ICs (egal ob PROM oder Controller) auszulesen. Genausowenig verbiete ich irgendjendmanden, unter Gewächsen, welche beliebig-kalibrige Steinfrüchte tragen mögen, zu verweilen. Ich wünsche einen schönen Start in die neue Woche, NOR
Norbert M. schrieb: > Rufus Τ. Firefly schrieb: >> Norbert M. schrieb: >>> Und, was willst Du mir damit sagen? >> Daß Du vielleicht "OTP" und "µC mit Ausleseschutz" durcheinanderbringst? > > Das tue ich nicht und darauf habe ich Dich auch schon hingewiesen. > Fakt ist, daß sich das Programm eines OTP-Mikrocontrollers in der Regel > nicht auslesen lässt. Meine Frage nach einem Gegenbeispiel - täte mich > nämlich interessieren - hast Du ja geflissentlich ignoriert. Hmmm, es würde mich jetzt auch mal interessieren bei welchem OTP Controller per se ein Leseschutz aktiv ist. Bei PIC16C/18C und den mir bekannten 8051 Derivaten muss der Leseschutz in den Config-Bits erst gezielt aktiviert werden.
Ihr versteht euch soweit ? Hier mal das was ich rausgefunden habe: Links die Stiftleiste, Rechts die Pin's vom HT46, orientiert am Bild welches am ersten Posting ist: Reset - ? GND 11 VSS A_CLR 14 PC2 H_O 15 PC3 L_O 16 PC4 SCL 23 SCL SDA 24 SDA Reset, kein plan, wird mit 2 wiederständen auf GND geleitet. Kann nicht durchmessen ob Reset auch an pin 19 vom HT46 anliegt.
Karsten B. schrieb: > SCL 23 SCL > SDA 24 SDA Wenn ich es recht verstanden habe, möchtest du den Kilometerstand anpassen, das eigentliche Programm des MC interessiert dich im Grunde gar nicht? Dann check doch erstmal, ob sich an den o.a. Anschlüssen evtl. ein EEPROM befindet, meistens ein kleiner 8-poliger Baustein. Oft werden da 24C02 o.ä. verbaut. Im Zweifel mach doch mal ein Foto der Platine und zeig es uns. Wenn alles nichts hilft, kannst du immer noch die gefahrene Strecke über einen Pulsgenerator am Tachosensor simulieren und den Kilometerzähler so hochdrehen. Das kann ne Weile dauern, sollte über Nacht aber schon ordentlich hochzählen.
Stimmt, die beiden habe ich total ignoriert und mich auf den HT fixiert. Hab aktuell nur mein Handy als Cam zur hand und werde gleich mal versuchen zu lesen was auf den 2 kleinen 8 pin "mopped's" steht. Das Dicke kabel ist übrigens für diesen Handy blinker. Kennt man eventuell von diesen Schlüsselanhängern die Blinken wenn man angerufen wird.
Der erste (24C02) ist ein serielles EEPROM mit 2 kiBit (256 Byte) Speicherkapazität.
wie lese ich den kumpel aus ? wie gesagt, habe ein arduino pro mini 3,3v hier und eben den usb seriell adapter (eigentlich ein billiges KFZ OBD kabel)
Karsten B. schrieb: > wie lese ich den kumpel aus ? Mit I2C :-) Mit Sicherheit gibt es für so etwas ein Arduino Sketch, der Haken ist, das du den Moppel auslöten musst, um ihn an den Arduino anzuschliessen. Besorg dir von dem Chip noch einen und kopier den originalen auf den neuen. Dann kannst du in dem neuen rumschreiben ohne den alten zu gefährden.
Matthias Sch. schrieb: > Mit I2C :-) öhm, keine ahnung was das ist :D Auslöten ist kein ding, 2 Lötstationen und eine Reflow Station nenne ich mein eigen :)
> Mit I2C :-) >öhm, keine ahnung was das ist :D Meinste der Km-Stand steht im Klartext in dem 24c02?
nö aber das wird sich ja rausfinden lassen wenn ich weis wie ich den auslesen kann
Karsten B. schrieb: > Matthias Sch. schrieb: >> Mit I2C :-) > > öhm, keine ahnung was das ist :D I2C ist ein 2-Draht Bus mit den Signalen SDA und SCL, die ich oben schon erwähnt hatte. Lies dich da mal ein und schau bei den Arduino Jungs, was sie schon an Sketchen für I2C EEPROMs gebastelt haben. http://www.arduino.cc Edit: Das hier sieht gar nicht schlecht aus: http://playground.arduino.cc//Main/InterfacingWithHardware#Storage Notier dir genau den Kilometerstand und lies dann das EEPROM aus. Dabei solltest du einen 'Hexdump' erhalten, denn du * Hier postest * auf das neue EEPROM kopierst Wenn dir das alles zu kompliziert ist, folge dem Tipp mit dem Impulsgenerator am Tachogeber. So ist es auch möglich, den Tacho hochzudrehen. Runter geht aber vermutlich nicht, scheinst du aber auch nicht zu brauchen. Karsten B. schrieb: > Auslöten ist kein ding, 2 Lötstationen und eine Reflow Station nenne ich > mein eigen :) Eine Station reicht schon, Hauptsache, du kannst damit umgehen. Eine Seite (4 pins) erhitzen und leicht anheben, dann die andere Seite.
Matthias Sch. schrieb: > Wenn dir das alles zu kompliziert ist, folge dem Tipp mit dem > Impulsgenerator am Tachogeber. Kompliziert finde ich einen Impulsgenerator, interesannt die aktion mit dem arduino. Wovon ich allerdings keine ahnung habe, ich weis nicht welchen sketch ich nutzen soll, wie man ihn anpasst weis ich absolut nicht. Dementsprechend weis ich nichtmal wonach ich suchen muss außer i2c. Ist es egal welchen 24C02 ich in der bucht kaufe ? Artikelnummer 360588773212 gefällt mir recht gut, sofern das passt ?
Karsten B. schrieb: > Artikelnummer 360588773212 gefällt mir recht gut Viel zu teuer und hat das falsche Gehäuse. Du brauchst ja die SMD Variante. Bei anderen Anbietern kostet das Ding nur 50c: http://www.segor.de/#M%3D1%26Q%3D24C02 Ist übrigens auch in jedem Schnurlostelefon verbaut, du hast ja ne schöne Entlöte :-) Karsten B. schrieb: > Wovon ich allerdings keine ahnung habe, ich weis nicht welchen sketch > ich nutzen soll, wie man ihn anpasst weis ich absolut nicht. Auf der Seite, die ich gepostet habe, ist doch beim Runterrollen was mit EEPROMs dabei. Es kann dir hier niemand abnehmen, dich mit der Materie zu beschäftigen und damit zu arbeiten, du hast dir immerhin vorgenommen, einen Teil des Tachos zu 're-engineeren', das ist nun mal nicht so einfach. Karsten B. schrieb: > Kompliziert finde ich einen Impulsgenerator, interesannt die aktion mit > dem arduino. Es hindert dich ja niemand, den Impulsgenerator mit dem Arduino zu bauen, das ist mal ein schönes kleines Projekt.
ich habe den arduino schon über 1 jahr rum liegen da ich es einfach nicht versteh. eine led bekomme ich zum blinken, allerdings nur mit dem vorgefertigten sketch. Auf der Seite war ich eben noch mal, für mich steht da nur unverständliches. da steht ja nicht mal an welchem pin am arduino ich was anklemmen muss. da verliere ich direkt agressiv die lust an der ganzen sache... ich verstehe den kram absolut nicht absolut null plan und war schon mehrfach kurz davor das ding durchzubrechen und wegzuwerfen. auf der seite steht sehr viel, da komme ich mir vor wie eine technikfremde blondine :(
Achtung: Der FM24C02 kann auch ein FRAM (Ferroelectric Nonvolatile RAM) sein. Da es üblicherweise teurer ist als ein Standard-24C02 EEPROM, kann ich mir vorstellen, dass der Entwickler sich was dabei gedacht hat dieses einzusetzten, z.B. schnelle Zugriffs- und Schreibzeiten, extrem häufiges schreiben etc. Also bitte nicht irgendein 24C02 nehmen.
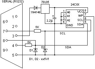
kann ich da nicht einfach den alten weiter benutzen ? hab mir grade mal plan c ergoogelt (das alphabet ist ja lang genug) und ich glaub ich löte mit einem com programmer zusammen. habe grade eine alte verstaubte soundkarte entdeckt mit einem 78L05 drauf...
Besserwisser schrieb: > Achtung: Der FM24C02 kann auch ein FRAM (Ferroelectric Nonvolatile RAM) > sein. Was lässt Dich zu dieser Annahme kommen? http://www.fmsh.com/english/products/FM24C02-04-08-16_ds_eng.pdf Und das hier ist von Fairchild. http://pdf1.alldatasheet.com/datasheet-pdf/view/51917/FAIRCHILD/FM24C02/+_1828UwYhRDpKxHelTzDLzE+/datasheet.pdf
Rufus Τ. Firefly schrieb: > Was lässt Dich zu dieser Annahme kommen? Du hast natürlich Recht, deshalb liegt die Betonung auf kann. Die Bilder bzw Informationen sind nicht ausreichend genug um diese Vermutung zu beweisen.
Karsten B. schrieb: > kann ich da nicht einfach den alten weiter benutzen ? Wenn du da aus Versehen was falsches programmierst, kann es sein, das der Tacho nicht wieder hinzukiegen ist. Es muss nicht, aber es kann sein, das neben dem Kilometerstand * eine Prüfsumme * Kalibrierungswerte * Zustände gespeichert sind. Wenn du partout keine 50ct ausgeben willst, speicher wenigstens als erstes den Originalinhalt auf den Rechner. Du musst dir das Datenblatt des 78L05 besorgen, die Belegung ist genau andersrum als beim 'grossen' 7805. Im Plan fehlen auch die beiden Abblockkondensatoren direkt am Regler. Nimm die von der Soundkarte...
Ja, ich hole mir dann mal einen rom für 50 cent. Matthias Sch. schrieb: > Im Plan fehlen auch die beiden > Abblockkondensatoren direkt am Regler. wo pack ich die denn dann hin ?
Karsten B. schrieb: > wo pack ich die denn dann hin ? So wie auf der Soundkarte: Vom Eingang des Reglers nach Masse und vom Ausgang des Reglers nach Masse. Praktisch liegen sie also zwischen den Pins aussen und dem Pin in der Mitte. Ich weiss nicht, wer das Datenblatt des 78L05 hier im Forum zermanscht hat, aber hier ist es: http://datasheetcatalog.com/datasheets_pdf/L/M/7/8/LM78L05.shtml
ah okay, dann werde ich das auch so machen :) Danke dir. werde mich nachher mal dran machen den adapter zu löten und einen pc zusammen zu bauen. am lappi hab ich leider kein com
Bitte melde dich an um einen Beitrag zu schreiben. Anmeldung ist kostenlos und dauert nur eine Minute.
Bestehender Account
Schon ein Account bei Google/GoogleMail? Keine Anmeldung erforderlich!
Mit Google-Account einloggen
Mit Google-Account einloggen
Noch kein Account? Hier anmelden.




