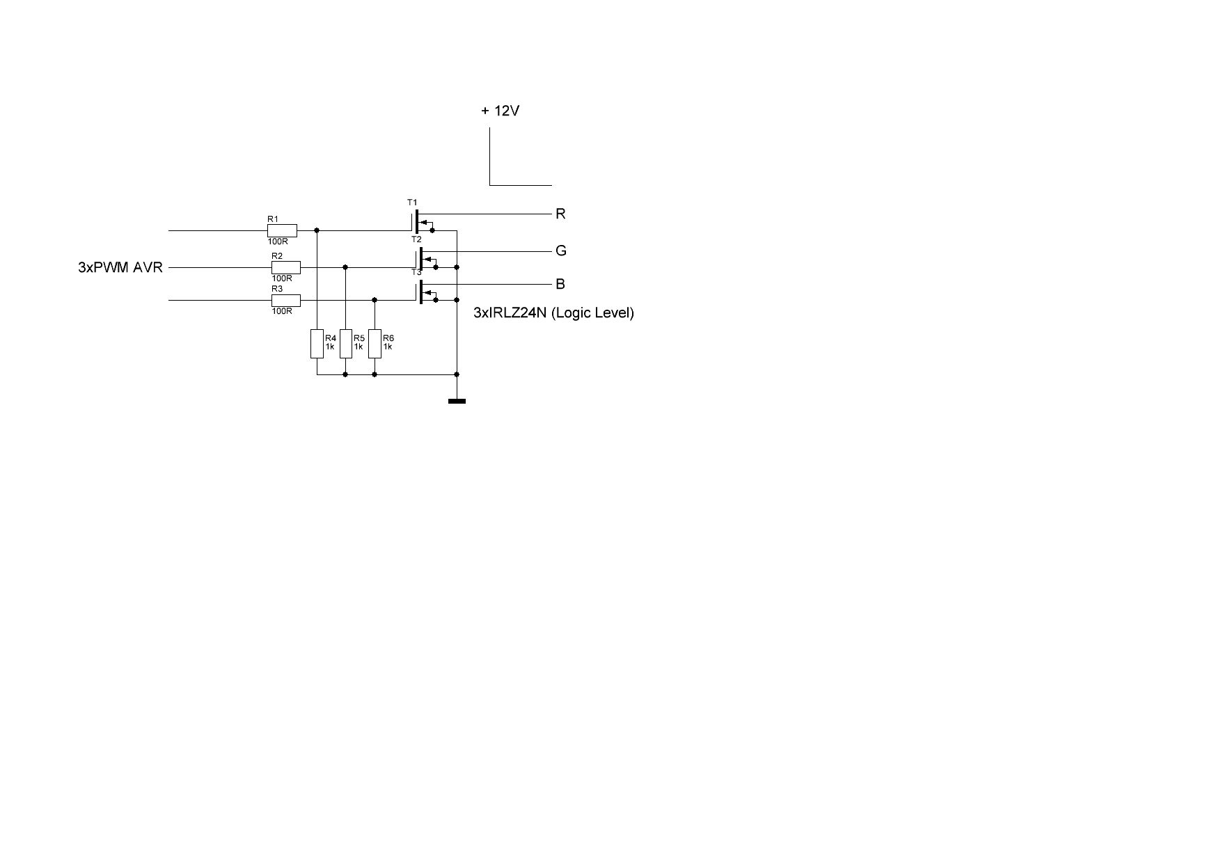
Hallo, ich plane gerade eine einfache RGB-Stripe Steuerung mit einem Mega88. Als Treiber wollte ich einen Fet des Typs IRLZ24N einsetzen. Im Anhang ist ein Entwurf der Treiber. Würde das so gehen? MfG Andi
Andi schrieb: > Würde das so gehen? Das kommmt drauf an, wie dein LED-Stripe gesteuert werden möchte. Den FETs könnte man am Gate noch Pull-Downs gönnen.
Der Stripe hat einen gem. Pluspol, die Farben werden gegen Masse angesteuert...
Kann man so machen nimm als Pulldown aber lieber 100k oder so. Die sind nur für denn Fall das der Controller im Reset ist.
Ich nehme als standard immer den IRLZ34N...auch ohne Gatewiderstand..geht wunderbar.
Thomas der Bastler schrieb: > Ich nehme als standard immer den IRLZ34N...auch ohne > Gatewiderstand..geht wunderbar. Das sind schließlich nur 4nF, die da bei jedem Schaltvorgang schlagartig umgeladen werden und die µC Ausgangsstufe stressen.
Andi schrieb: > Der Stripe hat einen gem. Pluspol, die Farben werden gegen Masse > angesteuert... Jein, hab hier zwei Sorten rumliegen, einmal mit gemeinsamer Vcc und einmal mit gemeinsamer Masse...
Bitte melde dich an um einen Beitrag zu schreiben. Anmeldung ist kostenlos und dauert nur eine Minute.
Bestehender Account
Schon ein Account bei Google/GoogleMail? Keine Anmeldung erforderlich!
Mit Google-Account einloggen
Mit Google-Account einloggen
Noch kein Account? Hier anmelden.

