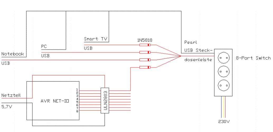
Hallo, bin in Sachen Elektronik blutiger Anfänger und hoffe, ich bin im richtigen Forum. Ich schalte mit einer USB Master-Slave Steckdosenleiste zus. Computerperipheriegeräte ein, wobei der USB Anschluss für das Relais in der Steckdosenleiste am Notebook angeschlossen ist. Nun hätte ich gerne, dass das Relais der Steckdosenleiste auch geschaltet wird, wenn ich den PC oder den Smart TV einschalte. Habe ein bisschen recherchiert und gedacht, ich hätte mit einem Or Gatter IC die Lösung gefunden, ein sehr freundlicher und noch geduldigerer Elektronik-Fachmann hat mich dann jedoch aufgeklärt, dass das mit Schottky-Dioden in Serienschaltung wesentlich einfacher zu lösen geht. Damit ich ihn mit meinen banalen Fragen nicht noch einmal bemühen muss, erbitte ich hiemit um Klärung. Bin morgen in der Nähe einer Conrad Filiale und hätte diese Schottky Dioden gerne gleich besorgt. Eine Verfügbarkeitsabfrage lieferte mir jedoch nur 2 in dieser Filiale verfügbar Artikel: 1. Schottky-Diode Vishay SB130 = SB140 Gehäuseart DO-41 I(F) 1 A 2. Schottky-Diode STMicroelectronics BAT46 Gehäuseart DO-35 I(F) 0.15 A Spannung (U) 100 V Ist eine dieser Dioden geeignet und falls beide, welche wäre geeigneter. Der einzige Verbraucher ist wie o.b. ein 5V Relais, dass die Steckdosen der Steckdosenleiste einschaltet. Vielen Dank für alle Antworten Matthias
Matthias Günther schrieb: > Habe ein bisschen recherchiert und > gedacht, ich hätte mit einem Or Gatter die Lösung gefunden Damit liegst Du richtig. Nun kann man Oder-Gatter auf verschiedene Art und Weise aufbauen. Eine davon siehst Du hier: http://www.eseo.de/or.htm Welche Dioden Du da nimmst, bleibt sich ziemlich egal. Je nach dem was Du gerade in Deiner Bastelkiste liegen hast. Gruss Harald
Hallo Harald, danke für die Antwort Harald Wilhelms schrieb: > Eine davon siehst Du hier: http://www.eseo.de/or.htm Da ist win Widerstand vorgesehen, wenn ich den auch benötige (s. Anhang), wie gross muss der sein? Grüsse Matthias
Matthias Günther schrieb: > Da ist win Widerstand vorgesehen, Anstatt des Widerstands setzt Du Dein Relais ein. Gruss Harald
Bitte melde dich an um einen Beitrag zu schreiben. Anmeldung ist kostenlos und dauert nur eine Minute.
Bestehender Account
Schon ein Account bei Google/GoogleMail? Keine Anmeldung erforderlich!
Mit Google-Account einloggen
Mit Google-Account einloggen
Noch kein Account? Hier anmelden.
