Hallo Leute,
ich habe bisher noch nicht viel mit Trafos gearbeitet und bei der
Suchfunktion habe ich immer nur Probleme beim Einschalten des Trafos
gefunden. Mein Problem sieht aber folgendermaßen aus:
Ich habe gestern einen Trafo (pri: 230V/50Hz, sec: 55V/25VA {2x}, Fuße:
0,45AT) so umgebaut, dass die beiden Sekundärwicklungen in Reihe
geschalten eine gleichgerichtete Leerlaufspannung von knapp 100V
schaffen. Soweit alles gut. Auch mit Belastung.
Dann habe ich das gute Stück in das selbst entwickelte Netzteil
eingebaut. Hinter dem Gleichrichter und einem 1,5mF 100V Elko sitzt ein
TL783, dessen Ausgangsspannung mittels Trimmer zwischen 64V und 80V
einstellbar ist.
Als ich dann das Netzteil testen wollte, war zunächst alles gut.
Multimeter sagte 66V und Oszi sagte keine Restwelligkeit. Dann habe ich
es ausgeschaltet und mit einem Jumper den nächsten Spannungsbereich
gewählt. Eingeschaltet und ... nichts.
Dann habe ich die verbaute 0,4A T Sicherung ausgebaut. Kaputt. Neue
eingesetzt. Eingeschaltet, alles wunderbar. Ausgeschaltet: Sicherung
kaputt.
Kann es sein das beim Ausschalten ein zu großer Strom induziert wird,
wenn ja wie kann ich den verhindern?
Gruß, M.W.
M. W. schrieb: > dass die beiden Sekundärwicklungen in Reihe > geschalten eine gleichgerichtete Leerlaufspannung von knapp 100V > schaffen. Hast du die auch phasenrichtig hintereinander geschaltet? Wenn du eine Wicklung umpolst kommt dann weniger raus? Wenn die beiden Wicklungen nicht gut symmetrisch gewickelt sind, ist es evtl. besser, beide getrennt gleichzurichten und erst dann aufeinander zu stapeln. > und einem 1,5mF 100V Elko Das ist verdammt knapp - der Elko sollte besser eine Spannungsfestigkeit von min. 160V haben. Oder du folgst meinem oberen Tipp und nimmst zwei Stück 100V Elko, für jeden Kreis extra.
Schaltplan? Sicherung primär oder sekundär? Glaskugeln sind zur Zeit ausverkauft.
M. W. schrieb: > ... so umgebaut, dass die beiden Sekundärwicklungen 55V in Reihe und: > .. Hinter dem Gleichrichter und einem 1,5mF 100V Elko sitzt ein Da fängt der Ärger bereits an. 55V in Rehe bedeutet 110v AC, was am elko ungefähr 150 V bedeutet. Im Leerlauf eher 180V, da die 55V etwas höher sind. denn die Trafo angabe gilt ja unter Nennlast. Also ein 200v Elko ist so das, was man hier einbaut. Der Rest Deiner Probleme wird dann später gelöst.
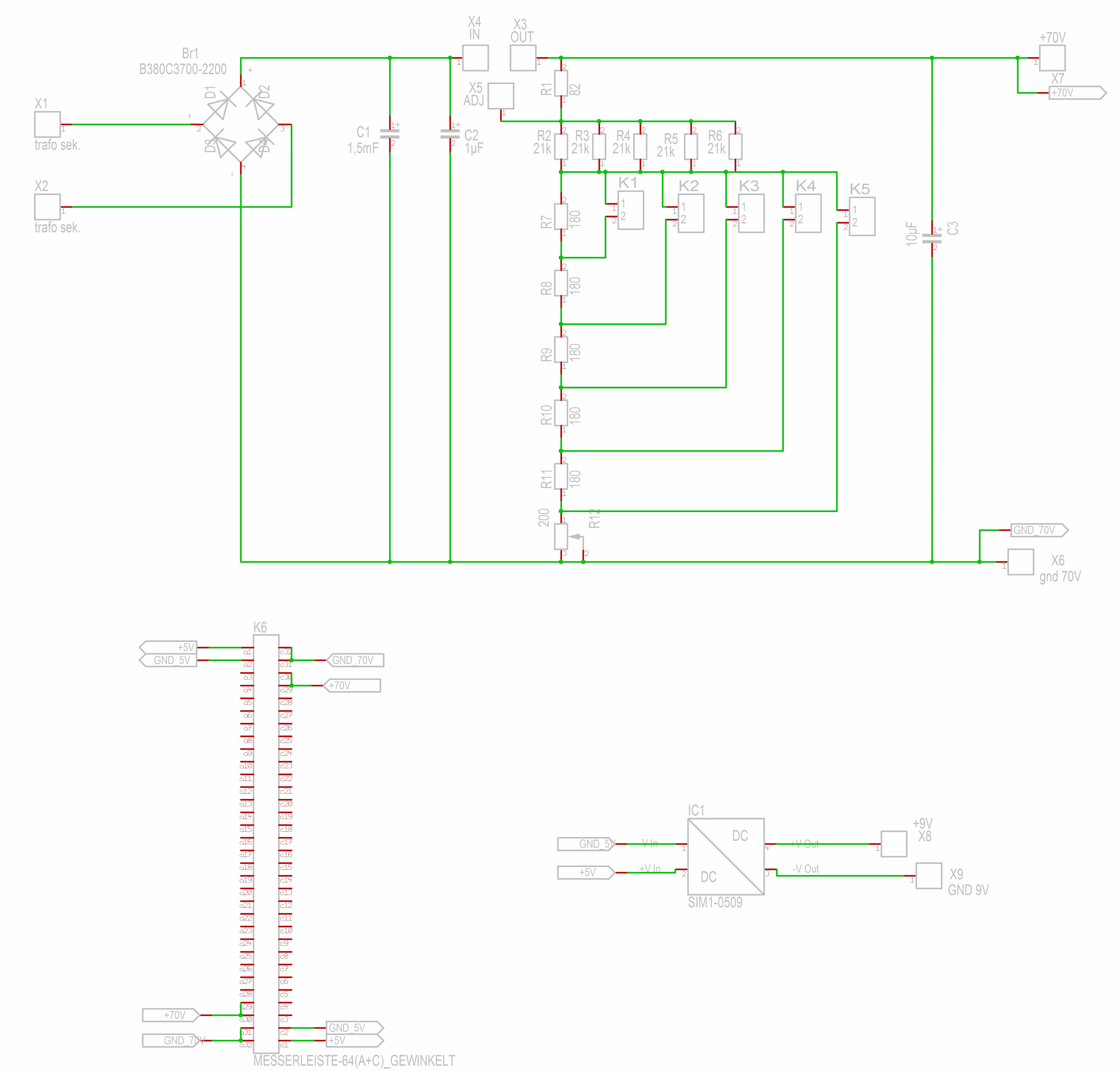
Andrew Taylor schrieb: > Da fängt der Ärger bereits an. Fängt er nicht den wie bereits geschrieben, habe ich den Trafo modifiziert, sodass er sekundärseitig nur noch eine Leerlaufspannung von knapp unter 100V liefert Matthias Sch. schrieb: > Das ist verdammt knapp Ja, etwas knapp das weiß ich aber das Netzteil soll im späteren Projekt auch nicht im Leerlauf laufen. Kevin schrieb: > Schaltplan? > Sicherung primär oder sekundär? Schaltplan im Anhang. Die Sicherung ist zwar nicht eingezeichnet, befindet sich aber auf der Sekundärseite Zum Schaltplan: Mit den Jumpern kann mein einen Spannungsbereich wählen mit dem Trimmer dann genau einstellen. Die 21k Ohm Widerstände mussten parallel, damit die maximale Verlustleistung an diesen eingehalten werden konnte. An IN, OUT und ADJ hängt der TL783
M. W. schrieb: > Andrew Taylor schrieb: >> Da fängt der Ärger bereits an. > > Fängt er nicht den wie bereits geschrieben, habe ich den Trafo > modifiziert, sodass er sekundärseitig nur noch eine Leerlaufspannung von > knapp unter 100V liefert d'accord. > > > > Schaltplan im Anhang. Die Sicherung ist zwar nicht eingezeichnet, > befindet sich aber auf der Sekundärseite > Schön. du hast also eine 50VA Trafo, der sekundärseitig ca. 70V AC hat nach Deienr Modifikation, und 50VA liefern kann (Siehe Daten erstes Posting), eine 0,45A Sicherung sekundär, die ab ca. 35 VA in dne Bereich der Nennbelastugn kommt und ab 50VA auslsöen sollte (Faktor 1,69. so mal ganz grob abgeschätzt. Passt das in etwa mit dem was du vorliegen hast?
was hast du denn an dem Trafo modifiziert? Die knapp 100V DC im Leerlauf wären etwa das, was aus einer der 55V Wicklungen rauskommt.
M. W. schrieb: > sodass er sekundärseitig nur noch eine Leerlaufspannung von > knapp unter 100V liefert Ein Trafo liefert AC. Das sind immer noch etwa 140V DC auf den sich der Elko auflädt. Oder du hast wie oben bereits vermutet nur etwa 70V AC. Aber da du uns im Unklaren lassen willst genau wie mit dem Schaltplan in dem das hier Wesentliche -nämlich die Sicherung- fehlt, und die fehlende Angabe der Belastung. :-( Also musst du dein Problem selber finden.
Bitte melde dich an um einen Beitrag zu schreiben. Anmeldung ist kostenlos und dauert nur eine Minute.
Bestehender Account
Schon ein Account bei Google/GoogleMail? Keine Anmeldung erforderlich!
Mit Google-Account einloggen
Mit Google-Account einloggen
Noch kein Account? Hier anmelden.
