Forum: Mikrocontroller und Digitale Elektronik nRF24L01 gibt falschen Pegel an µC


von David (Gast)


Angehängte Dateien:

Lesenswert?

Hallo,

ich versuche mit einem ATmega8 ein nRF24L01 Funkmodul 
(http://www.robotshop.com/ca/en/spark-fun-transceiver-mirf-v2-rp-sma.html) 
über SPI anzusteuern (Funkmodul als Slave und ATmega als Master). Wenn 
ich mit dem µC Register aus dem Funkmodul auslese bekomme ich immer 0xff 
zurück. Also habe ich einmal sowohl MOSI als auch MISO mit dem Oszi 
überprüft (siehe Anhang) und dabei festgestellt, dass der niedrige Pegel 
von MISO zu hoch ist. Er dürfte bei einer Versorgungsspannung von 3,3 
Volt bei maximal 0,66 Volt liegen, ist aber bei etwa 1,4 Volt. Ich habe 
die Vermutung, dass in meiner Schaltung etwas nicht stimmt, kann aber 
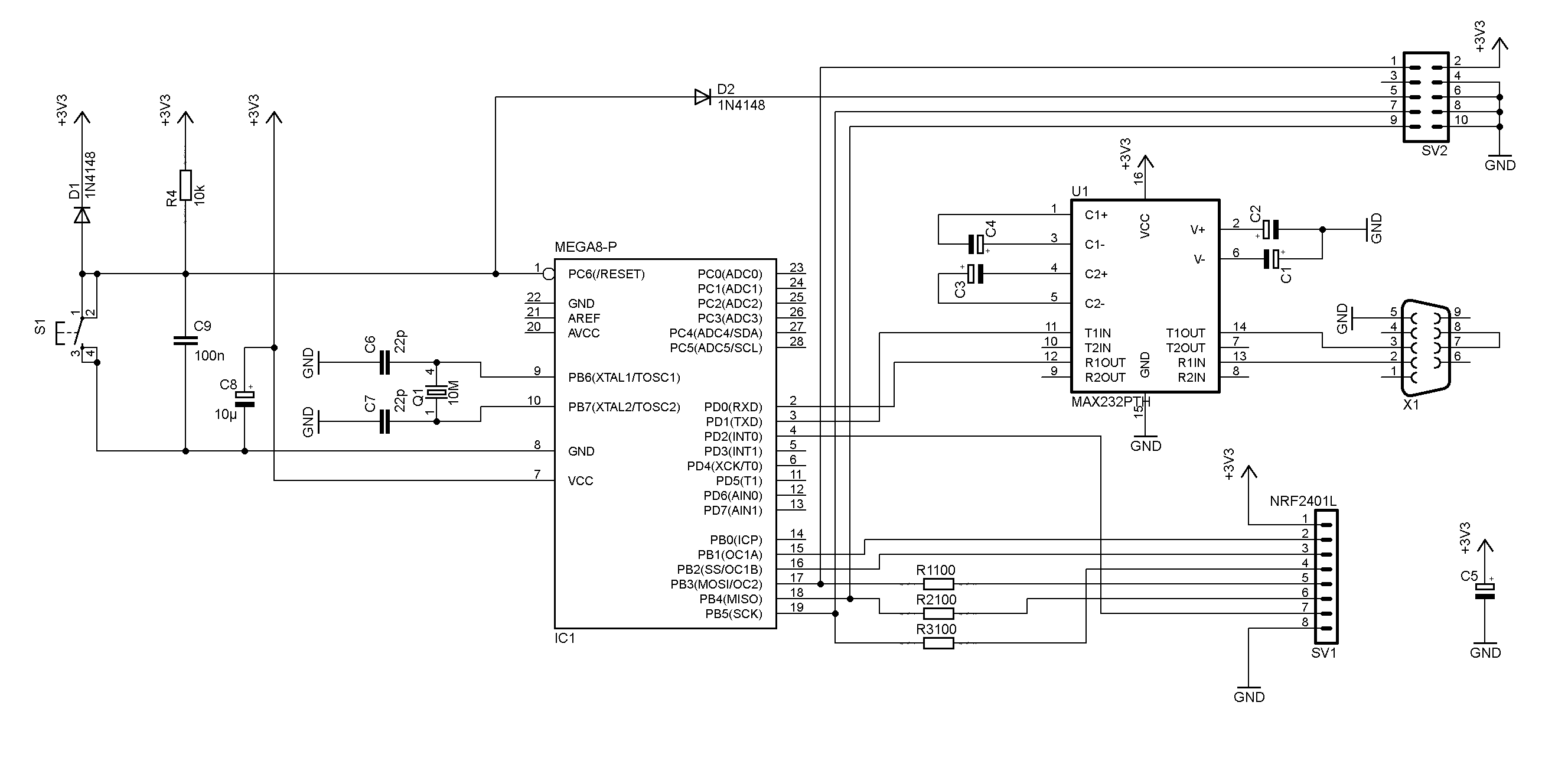
den Fehler nicht finden. Ich habe daher den Schaltplan in den Anhang 
gepackt (SV1 = Funkmodul, SV2 = ISP).

Kann der Fehler vielleicht noch an anderer Stelle liegen, z.B. ein 
defektes Funkmodul oder kann das Problem mit dem ISP zusammenhängen?

Gruß David

von Achim M. (minifloat)


Lesenswert?

David schrieb:
> kann das Problem mit dem ISP zusammenhängen?

Ja, schon mal abgezogen den Programmieradapter?

von David (Gast)


Lesenswert?

Da das gleichzeitig meine Spannungsversorgung ist habe ich das nicht 
probiert. Hab jetzt keine 3,3 Volt Spannungsquelle hier. Ließe sich aber 
vielleicht irgendwie besorgen.

Bitte melde dich an um einen Beitrag zu schreiben. Anmeldung ist kostenlos und dauert nur eine Minute.
Bestehender Account
Schon ein Account bei Google/GoogleMail? Keine Anmeldung erforderlich!
Mit Google-Account einloggen
Noch kein Account? Hier anmelden.