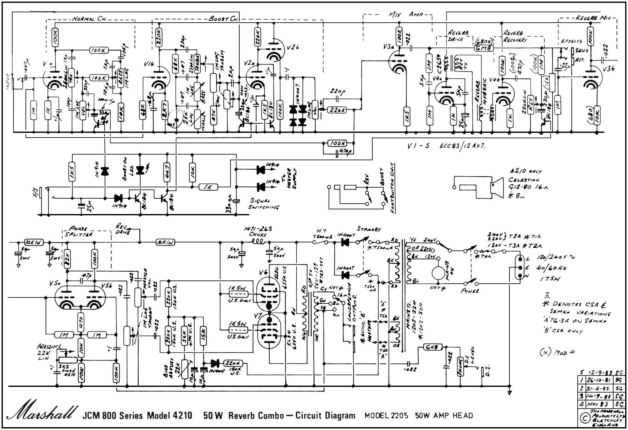
Hallo Gemeinde, ich benötige Starthilfe bei der angehangenen Schaltung. Dort werden an V1a und V2a die Signale mit Hilfe von mehreren BC 184 umgeschaltet. Mir leuchtet das Funktionsprinzip einfach nicht ein. Funktionieren muss es, da diese Schaltung sonst nicht gebaut worden wäre. Kann mir jemand erläutern wie das Eingangsaudiosignal auf die beiden Schaltungen intern umgeschaltet wird? Gruss Baum Bart
Die beiden Transistoren oben schliessen die jeweiligen Kanäle wechselspannungsmässig kurz. Angesteuert wird der linke direkt, der rechte über einen Inverter, folglich ist entweder der linke oder der rechte Kanal kurzgeschlossen.
das wars also. der kleine kondensator direkt am BC ist dann dafür entscheident? der Wechselspannungsanteil entfällt über den Transistor und für die Röhre bleibt die durch die Class A eingestellte Spannung erhalten und die Röhre wird nicht kurzgeschlossen. Da war mein Problem, denn eine Röhre kurzschliessen kann ja nicht gut gehen ;-) Allerdings müsste doch dadurch, dass der Kollektor-Emmitterwiderstand des Transistors nicht null ist die Kanaltrennung nicht 100% sein oder?
Baum Bart schrieb: > Allerdings müsste doch dadurch, dass der Kollektor-Emmitterwiderstand > des Transistors nicht null ist die Kanaltrennung nicht 100% sein oder? Ja. Aber was ist schon 100%ig? In der Mathematik kommst Du auf 100%, in der realen Physik kannst Du 100% Kanaltrennung nie erreichen. Du kommst höchsten auf 99,...% Also ist alles eine Frage, wie viel Aufwand man für welches Ergebnis treiben will. Gruß Dietrich
Bitte melde dich an um einen Beitrag zu schreiben. Anmeldung ist kostenlos und dauert nur eine Minute.
Bestehender Account
Schon ein Account bei Google/GoogleMail? Keine Anmeldung erforderlich!
Mit Google-Account einloggen
Mit Google-Account einloggen
Noch kein Account? Hier anmelden.
