Hallo, ich bin nach längerer Suche im Netz leider nicht fündig geworden. Ich suche eine einfache Schaltung (gern auch mit AVR), mit der ich die Gleisspannung meiner Modelbahn überwachen kann. Die Schaltung sollte einen Schaltausgang besitzen mit dem ich ein Relais ansteuern kann, das sofort die Zuleitung zu den Gleisen Allpolig trennt. Vielleicht hat jemand eine Idee oder hat einen Tip zum Suchen. Vielleicht suche ich auch unter den Falschen Begriff. MFG blutengel
Miss doch einfach die Spannung die zum Gleis geht über einem Shunt. Steigt die Spannung über einen zulässigen Wert, schalte das Relais. Warte 10 Sekunden und versuche einen Neustart. Liegt der Kurzschluss immer noch an, trenne das Gleis wieder. Alternativ: Lege eine (oder 2) rückstellbare Sicherungen (Polyfuse) in die Gleisspeisung.
Hi, blutengel schrieb: > Die Schaltung sollte > einen Schaltausgang besitzen mit dem ich ein Relais ansteuern kann, das > sofort die Zuleitung zu den Gleisen Allpolig trennt. Vielleicht hat > jemand eine Idee oder hat einen Tip zum Suchen. Vielleicht suche ich > auch unter den Falschen Begriff. Je nachdem was du genau möchtest ist dein Anliegen ganz einfach mit einem Komparator zu lösen. Der Komparator vergleicht zwei Spannungen und liefert abhängig an welchen Anschluss die höhere Spannung liegt ein LO oder HI. Das ganze dann auf einen Universaltransistor (kleiner MOSFET wie 2n7000 bzw 2N7002 oder NPN wie BC547/BC847 der das Relais Schaltet. Problematisch ist aber das du ja nicht wirklich die reine Fahrspannung überwachen kannst. Denn die kann ja auch mal selbst auf NULL eingestellt sein - wenn dann die Schutzschaltung zuschlägt ist es schlecht. (oder hast du eine rein Digitale Steuerung und immer volle Fahrspannung? Dann geht das natürlich! ICh kenne jetzt deine Bahn nicht. Wie gesagt wenn du eine Digitale Steuerung hast und immer volle Fahrspannung anliegt geht das mit nur wenigen Bauteilen... Dann ist nicht einmal ein Komparator nötig. Einfach einen die Fahrspannung über ausreichenden Widerstand auf die Basis bzw. das GATE des Transistors geben. Die Fahrspannung musst du dabei über die im ANGEZOGENEN Zustand geschlossenen Kontakte führen. Der Basis/Gateanschluss muss seine Spannung HINTER dem Relais bekommen. Dann fehlt dir nur noch die Freilaufdiode und ein Taster zum Überbrücken des Relais (Einschalten) Der Vorgang ist dann so: Nach einschalten der Anlage ist der transistor gesperrt da keine Spannung am Gate/Basis. Durch Drücken des Überbrückungstasters wird kurzzeitig Spannung auf die Anlage und damit auch auf das Gate des Schalttransistors gelegt. In diesem Moment schaltet das Relais ein und die Anlage steht dauerhaft unter Spannung, der Taster kann losgelassen werden. Kommt es nun zum Kurzschluss bricht die Spannung zusammen und das Relais fällt ab, was den Stromfluss unterbricht. Damit ist die Anlage sofort Stromlos und bleibt es auch bis zum Wiedereinschalten mit dem Taster. Ist es eine Digitale Bahn mit Wechselstrombetrieb (Märklin??? Oder ist deren Digitalsignal auch schon Gleichstrom) musst du noch eine Diode zum Gleichrichten und einen Kondensator zum Glätten Parallel zum Gate schalten. Allerdings darf hier jetzt keinesfalls vergessen werden einen Entladewiderstand zum Kondensator parallel zu schalten damit sich der Kondensator im Kurzschlussfall entladen kann. Durch die Diode würde sonst die Spannung lange gehalten. Hast du allerdings eine Bahn mit Manueller Steuerung geht es nicht ohne Komparator. Da die Fahrspannung aber auch selbst Null stellen kannst ist die Überwachung der reinen Spannung keine Lösung. Es bietet sich dann an wie weiter oben geschrieben den Strom über einen Niederohmigen Shunt zu leiten und ggf. die Abfallende Spannung zu verstärken. Falls die Bahn dann noch eine Positive UND Negative Fahrspannung haben (richtungswahl) ist leider noch etwas mehr aufwand nötig. Zumindest muss die Erkennungsschaltung dann eine komplett eigene Stromversorgung haben und kann nicht ohne weiteres aus dem Festspannungsanschluss des Modelbahntrafos versorgt werden. Gruß Carsten
Carsten schrieb: > ICh kenne jetzt deine Bahn nicht. Wie gesagt wenn du eine Digitale > Steuerung hast und immer volle Fahrspannung anliegt geht das mit nur > wenigen Bauteilen... Dann ist nicht einmal ein Komparator nötig. Einfach > die Fahrspannung über ausreichenden Widerstand auf die Basis bzw. > das GATE des Transistors geben . > Die Fahrspannung musst du dabei über die im ANGEZOGENEN Zustand > geschlossenen Kontakte führen. Ups, da fehlt was: der das Relais schaltet die Fahrspannung über ausreichenden Widerstand auf die Basis bzw. das GATE zum Transistor geben der das Relais schalten soll. ^^^^^^^^^^^^^^^^^^^^^^^^^^^^ Die Fahrspannung musst du dabei über die im ANGEZOGENEN Zustand geschlossenen Kontakte führen. (Ich muss echt mal meine Anmeldedaten wiederfinden...) Gruß Carsten
blutengel schrieb: > Vielleicht hat jemand eine Idee Mach es so wie die grossen Hersteller: Nimm einen kurzschlussfesten Trafo. Gruss Harald
Erstmal Danke für die vielen Antworten. Erstmal zur Fahrspannung. Ja es ist Digital. Die Idee mit dem Komparator hört sich gut an. ich Habe eine NOT - AUS Kette in der gesamten Anlage in die ich dann das Relais einbinden möchte. Zusätzlich habe ich Taster mit Relaisschaltung und Selbsthaltung. Durch drücken des Tasters zieht dann das Relais an.In der Zuleitung der Selbsthaltung ist ein weiteres Relais geschaltet. Wird ein NOT - AUS betätigt, wird dann halt die Selbsthaltung unterbrochen, und kann auch erst nach der Fehlerbeseitigung freigeschaltet werden. Leider ist es schon ein paar Jahre her wo ich mich in der Schule mit Opamps beschäftig habe. Hat vielleicht jemand da eine Schaltung zu. Die Fahrspannung beträgt 18 V. MFG blutengel
Ich würde vlt. eher den Strom überwachen (am besten direkt am Netzteil, dann wird auch ein defekter Regler und Beleuchtung abgeworfen). Am Trafo hat man dann einen Shunt, einen Komparator, einen Latch und ein Relais. Wenn der Trafo angeschaltet wird ist das Ganze erstmal passiv, das Relais ist aus und lässt über die NC-Kontakte den Strom durch. Wenn jetzt der Strom übermäßig ansteigt (durch Überlast oder Kurzschluss) dann schlägt der Komparator an weil über dem Shunt zu viel Spannung stehen bleibt. Der Latch wird aktiviert und das Relais zieht an und öffnet so die Kontakte. Das ganze bleibt so lange zu bis man das NT ausschaltet und wieder einschaltet.
Direkt am Netzteil würde das nicht bringen. Das gibt es sogesehen auch nicht. Die Digitalzentrale liefert direkt die Fahrspannung. Die Zentrale selber wird nur über ein Steckernetzteil versorgt. Der Kurzschluss wäre hier gar nicht erkennbar. Genauso würde das mit der Strommessung nicht funktionieren, da je nach Anzahl der Lok´s der Strom unterschiedlich groß ist.Nur die Spannung ist immer konstant.
Kleine Ergänzung. Die Beleuchtung läuft über einen seperaten Kreis mit eigenem Netzteil
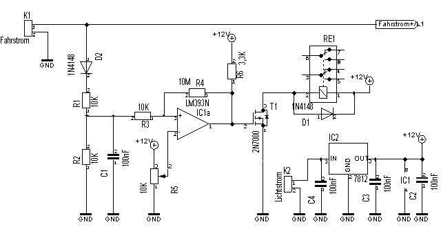
Hi, blutengel schrieb: > Zusätzlich habe ich Taster > mit Relaisschaltung und Selbsthaltung. Durch drücken des Tasters zieht > dann das Relais an.In der Zuleitung der Selbsthaltung ist ein weiteres > Relais geschaltet. Wird ein NOT - AUS betätigt, wird dann halt die > Selbsthaltung unterbrochen, und kann auch erst nach der > Fehlerbeseitigung freigeschaltet werden. Du hast jetzt noch nicht damit rausgerückt ob du ein Gleich- oder Wechselstromsystem hast. Ich habe dir aber schnell mal zwei Varianten in der "Allstromtauglichen" Fassung hingeschmiert. Die funktionieren also in einer Gleich- und Wechselstromanlage gleichermaßen. Lediglich bei zweiten Versorgungsspannung müsstest du noch einen Gleichrichter zwischenschalten falls dieses eine Wechselstromquelle ist. Die erste ist die oben von mir beschriebene Variante ohne Komparator würde sich beispielsweise als ganz simple Erweiterung deiner von dir beschriebenen und schon vorhandenen Selbsthaltung anbieten. Man könnte sogar die zweite Stromquelle einsparen falls man die von mir angedeutete Brücke zwischen den jeweiligen Klemmen 1 von K1 & K2 einsetzt. Die Auslöseschwelle wird durch das Verhältniss der Widerstände R1 & R2 bestimmt, die Schwelle kann aber nur recht Grob eingestellt werden, das ist der Nachteil. Wenn bei einem Kurzschluss in der Anlage auf grund der Leitungswiderstände die Spannung nicht deutlich an allen Stellen - auch nahe der Trafos- absinkt so würde ich davon abstand nehmen. Sinkt die jedoch sehr deutlich, so kann man diese Problemlos verwenden. Auf jeden Fall ist die Auslöseschwelle besser Steuerbar als ein Relais in Selbsthaltung alleine... Bei Gleichstrombetrieb könntest du sogar noch weitere Bauteile einsparen, R2 und C1 beispielsweise. Auch D1 wird nicht zwingend benötigt. Wobei andererseits hast du eine Anlage mit lauter kleinen, mäßig Entstörten Induktiven Verbrauchern die Technologiebedingt auch mal kurze Versorgungsunterbrechungen usw. haben können. Da könnten die zusätzlichen Bauteile auch bei einem Gleichstromsystem Sinn machen. (Verhindert Negative Spannungsspitzen und gleicht ganz kurze Spannungsspitzen und Spannungseinbrüche aus.) Die Werte sind nur geschätzt, ggf. müsste man mit der Dimensionierung von C1 und R2 etwas spielen. Bei einem Wechselstromsystem wohl zumindest R2 sicher noch einmal etwas vergrößern... Die zweite Variante ist die Version mit dem Komparator... Grundsätzlich würde das sogar mit einer nichtstabilisierten Versorgungsspannung am Komparator und bei einem Gleichstromsystem sogar mit einem direkten Anschluss des Komparators an den Fahrstrom funktionieren. Aber dann hat man auch hier keine wirklich sauberen Schwellen. Ich habe deshalb mal einen 12V Regler mit eingeplant. Wenn du ein eigenes geregeltes Netzteil verwendest könnte man - abhängig von der Qualität der Regelung- vielleicht auf den Linearregler verzichten. Das musst du aber selbst bewerten. Da die auszuwertende Spannung die Versorgungsspannung nicht überschreiten sollte wird hier mit einem simplen Spannungsteiler der Betrag halbiert. Im Normalbetrieb würden also 9 Volt am Komparator anliegen. Mit dem Poti kann man dann die Auslöseschwelle einstellen. Ist die Fahrspannung höher als die Auslöseschwelle so zieht das Relais an (der Komp gibt ein HI aus) sinkt die unter die eingestellte Schwelle so fällt das Relais ab. Das Relais ist hier ansonsten Unbeschaltet, über die Klemmen kannst du legen was du möchtest... Die Versorgungsspannung kann auch niedriger als 12V sein, bis hinunter zu 5V würde auch noch gehen wenn du keine Spannung zur Verfügung hast die hoch genug ist. In beiden Fällen müssen die Relais natürlich auch zur Schaltspannung passen, ggf. müsste ansosnten noch ein weiterer Vorwiderstand in Reihe geschaltet werden. Gruß Carsten
Hallo, mir ist aus meiner Eisenbahn-Zeit keine kommerziell vertriebene Digitalsteuerung bekannt, die nicht bei Kurzschluss abschaltet. Hast Du eigene Booster im Einsatz, die keine Abschaltung haben? Wenn Du die Endstufen der Booster absichern willst, musst Du schon ziemlich schnell schalten. Schau mal, ob Tams da etwas im Programm hat. Zur Relaissteuerung: Vor dem Gate sollte eine Diode liegen und danach ein Glättungskondensator. Je nach System liegt eine Impulsspannung mit positivem und negativem Anteil am Gleis. Nur bei Märklin Digital (alt) muss man die Polarität ausprobieren. Am besten wäre an dieser Stelle ein Optokoppler, was aber wieder eine Versorgung des Relais-Kreises erfordern würde. Die gleichgerichtete Spannung muss auf jeden Fall noch geglättet werden. Bei DCC bzw. Selectrix sollte der Gleichrichter schnell sein, um nicht die Impulse zu verfälschen. Grüße, Kurt
Nochmal eine Frage zu dem Komparator. Brauchte ein OP nicht eine negative Spannung ?
Kurt Harders schrieb: > mir ist aus meiner Eisenbahn-Zeit keine kommerziell vertriebene > Digitalsteuerung bekannt, die nicht bei Kurzschluss abschaltet. Man kann zum Beispiel eine Lenz-Zentrale mit einem Roco-Verstaerker kombinieren. Dann hat man erfolgreich den Kurzschlussschutz ausgehebelt. Aber dann ist man auch selbst schuld...
Als ich noch mit Modelleisenbahnen gespielt hatte, da enthielt der Transformator einen thermischen Bimetall schalter. Bei Kurzschluss oder Überlast hatte dieser den Strom für einige Sekunden unterbrochen. Diese Schalter gibt's doch sicher immer noch zu kaufen, oder etwa nicht?
Hallo Stefan, wenn man eine Transistorendstufe, die bei Digitalsystemen gerne mal >10A abgeben kann, damit absichern könnte... Grüße, Kurt
stefan us schrieb: > Als ich noch mit Modelleisenbahnen gespielt hatte, da enthielt der > Transformator einen thermischen Bimetall schalter. Bei Kurzschluss oder > Überlast hatte dieser den Strom für einige Sekunden unterbrochen. > > Diese Schalter gibt's doch sicher immer noch zu kaufen, oder etwa nicht? Ja, heißt jetzt Polyfuse und ist eine PTC-Sicherung. Zum Rückstellen einfach den Strom kurz abschalten.
Hallo, habe hier noch diesen OP http://www.datasheetcatalog.net/de/datasheets_pdf/U/A/7/4/UA741CN.shtml könnte ich den auch nehmen?
Bitte melde dich an um einen Beitrag zu schreiben. Anmeldung ist kostenlos und dauert nur eine Minute.
Bestehender Account
Schon ein Account bei Google/GoogleMail? Keine Anmeldung erforderlich!
Mit Google-Account einloggen
Mit Google-Account einloggen
Noch kein Account? Hier anmelden.

