Hallo zusammen, Nachdem ich schon vielfach hier im forum mitgelesen und auch viele gute Ideen gefunden habe, habe ich mich nun hier angemeldet. Seit geraumer Zeit baue ich an meinem neuen Wohnmobil. Nun habe ich ein Elektrisches/elektronisches Problem wo ich nicht mehr weiterkomme, aber ich denke für die Cracks hier wird das keine grosse Sache. Im Wohnmobil ist/wird ein Gerät verbaut (ETA Powerplex) welches unter anderem Ausgänge zur verfügung stellt, an denen man LED direkt ohne Vorwiderstand anschliessen kann. Der Hersteller schreibt dazu: Zitat: The modules' signal outputs type L1/LR, L2/LR ... are provided with an internal resistance of 150 Ω and a protection diode with 0.5 V forward voltage, both connected in series with the output signal. The ON voltage is 5 V. Zitat Ende. Nun möchte ich an solche Ausgänge zum Teil auch mehr als eine LED, also mehr Last anschliessen. Meistens werden es 2-3 LED, an einzelnen Ausgängen möchte ich bis max 6 LED anschliessen können. Das geht natürlich nicht ohne Beigemüse. Der Hersteller schreibt man könne das mittels eines Phoenix (Optokoppler?)-Relais PLC-OSC-5DC/24DC/2ACT erreichen. Der ist aber imo für 2 bis 6 LED leicht überdimensioniert und auch preislich dürfte es da eine mir sympathischere Lösung geben ;-) Ich stellte das so vor: Vom LED-Ausgang gehe ich auf ein Transistor welcher mir die +12V (ca 11-15V) auf die LED schaltet welche jeweils mit entsprechendem Vorwiderstand verschaltet sind. Dazu möchte ich im Ground von den LED zurück noch einen Poti einbauen um die Lichtstärke der gesammten entsprechenden LED-Gruppe noch etwas anpassen zu können. Funktioniert das so? Als Besonderheit kann man die LED Ausgänge in der Nacht auf einen vorher festgelegten tieferen Wert Dimmen (also z.B 50%). Andere Lastausgänge am Gerät werden mittels PWM 100hz gedimmt, daher gehe ich davon aus dass auch die LED-Ausgänge mit dieser PWM-Frequenz gedimmt werden. Sehe ich es richtig dass wenn ich das über einen entsprechenden Transistor ansteuere auch die Gruppen mit mehreren LED gleich gedimmt werden wie wenn Sie direkt am Ausgang hängen würden? Nun kommt noch ein kleines Problem dazu: Die LED Ausgänge können nur entweder alle oder keine gedimmt werden. Einige dieser Ausgänge möchte ich aber zum Schalten von Relais (pot freie Kontakte usw an welchen PWM nicht erwünscht ist). Gibt es eine einfache Möglichkeit ein Relais daran dauerhaft einzuschalten, egal ob das PWM-Signal am LED Ausgang bei 100% oder z.B 50% (oder gar noch tiefer?) steht. Wenn zu aufwendig lassen wir das dimmen der LED halt. Soweit zu meinen bescheidenen Kenntnissen und Vorgaben. Kann anhand der Infos nun jemand einen konkreten Vorschlag machen welche Bauteile ich zum realisieren dieser Schaltung am bessten nehme (konkreter Typ am bessten mit Schaltplan)? Vielen Dank Urs
Urs C. schrieb: > Soweit zu meinen bescheidenen Kenntnissen und Vorgaben. Kann anhand der > Infos nun jemand einen konkreten Vorschlag machen welche Bauteile ich > zum realisieren dieser Schaltung am bessten nehme (konkreter Typ am > bessten mit Schaltplan)? Ich glaube hier wirst Du etwas finden. http://www.ti.com/ww/de/analog/webench/led.html?sp_rid_pod4=ODM5MTgwMzQwMwS2&sp_mid_pod4=44503447&spMailingID=44503447&spUserID=ODM5MTgwMzQwMwS2&spJobID=217512065&spReportId=MjE3NTEyMDY1S0 Etwas direkter: http://www.ti.com/lit/sg/sszc003e/sszc003e.pdf Siehe Seite 6: Special Functions,LED Driver Gruss Klaus.
Hallo Klaus, Vielen dank für die Links. Ich hätte vielleicht noch erwähnen sollen dass ich zwar die Grundlagen der Stromtechnik ganz gut kenne. Also ich weiss im Grundsatz was ein Transistor, eine Diode, ein Widerstand usw machen. Leider hab ich keine Erfahrung wie eine solche Schaltung zu berechnen ist. Aus dem Grund sind die Links welche Du mir geschickt hast etwas zu hoch für mich. Bin mir auch nicht sicher ob der angegebene Chip nicht doch etwas zuviel Aufwand bedeuten...ich lese da von I2C usw... Hab mal kurz aufgezeichnet wie ich mir das vorgestellt habe (bitte nicht hauen wegen der ausgesuchten Typen, hab jeweils den Erstbessten in Eagle genommen). Leider hab ich keine Ahnung welchen Optokopler, Transistor und Widerstand da geeignet wären und ob das so überhaupt funktionieren würde. LED Vorwiderstände sind klar. Die "+12V" können theoretisch von 10-15.5V sein, in der Praxis wohl zwischen 11.5 und 14.8V. Nur noch der Vollständigkeit halber: LED sind in Tastern verbaut, 2.2V 20mA, wobei da eher 10-15mA angepeilt werden. Vielen Dank und Gruss Urs
Urs C. schrieb: > Leider hab ich keine Ahnung welchen Optokopler, Transistor > und Widerstand da geeignet wären und ob das so überhaupt funktionieren > würde. Nein, deine Schaltung funkioniert so nicht. Das geht einfacher mit einem N FET. Das Gate gibst du direkt auf den LED Ausgang. Die LEDs gehen mit den einzelnen Vorwiderständen an Plus, die Kathoden der LEDs gehen auf den Drain des FETs, Masse kommt direkt an Source. Das geht aber nur, wenn die Massen gleich sind. Lg.
Vielen Dank, Hat blos 2 Haken. Die Masse vom Signal und vom Ausgang sind nicht gleich (darum der Optokoppler) und die LED müssen Plus-geschaltet sein. Danke und Gruss Urs
ich seh bei denen zwar kein Modul mit 'nur-LED' Ausgängen, aber das hier kommt deiner Problembeschreibung nahe.
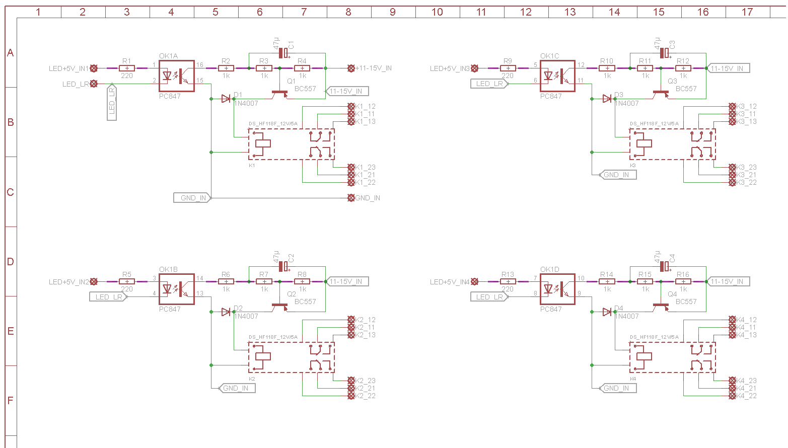
Hallo Helge, Hey super, das ist ja genau was ich brauche. Hast Du das jetzt so schnell hingezaubert? Welche Transistoren und Optokoppler würdest Du da nehmen? Optokoppler könnten auch 4 in einem Gehäuse sein, ich brauche unter dem strich ca. 18 oder 19 Ausgänge. (Bitte keine SMD) Helge A. schrieb: > ich seh bei denen zwar kein Modul mit 'nur-LED' Ausgängen, Meinst Du damit die ETA Powerplex? Wenn ja da hast Du recht. Die haben auch Lastausgänge (1A, 8A und 25A) aber diese sind schon alle durch andere Funktionen belegt. Daher die Krücke mit über den LED Ausgängen Relais schalten usw. Vielen Dank und Gruss Urs
Ah, verstehe. Optokoppler langt das billigste, was du bekommen kannst. Der Strom durch die Sendeseite der Optokoppler dürfte sich bei grob 10mA einstellen. Damit dürften selbst die schlechtestmöglichen Teile ausreichen zum Ansteuern der Transistoren. Für die PNP-Transistoren such dir welche raus, die auch deine Relais schalten können. Beispiel BC557, BC327, 2SA1020, (MPSA42).
Hallo, Jetzt hab ich mal was zusammengebastelt. Optokoppler werde ich aber warscheinlich doch noch durch Typen mit ein oder 2 Kanal ändern, ist für das Board Layout etwas übersichtlicher. Helge, Du hast für die LED auch 1K vorwiderstände drin. Ich messe bei knapp 13V mit 680 ohm gerade mal 12-14mA (je nach LED). Verbaut werden grüne LED mit 2.8V (im Taster integriert), und Grüne LED mit 2.0V. Ich dachte daran 560 oder 620 ohm dafür zu verbauen. Mache ich einen Denkfehler? Beim LED-Board möchte ich noch je einen Poti pro Kanal einbauen sodass die Lichtstärke der verschiedenen LED einander angepasst werden kann. Würde es funktionieren wenn ich R3 durch 2K ersetze und paralell dazu einen 2K Poti anschliesse? Oder besser den Poti paralell zum R4? Oder gibt es eine bessere Lösung? Vielen Dank und gute Nacht
Hallo zusammen, In der Zwischenzeit habe ich die Schaltung auf dem Testboard aufgebaut. Bei der Schaltung vom Helge A weiter oben welche ich ja übernommen habe stellt sich mir nur noch eine Frage: Wofür ist der Widerstand vom + zur Basis vom Transistor? Hatte diesen durch einen 1k Poti ersetzt um die LED Helligkeit zu dimmen. Dabei zeigte sich dass da gar nichts passiert. Hab in meiner Schaltung den dann probehalber weggelassen und konnte keinerlei Auswirkungen sehen (Strom an der Basis vom Transistor als auch am Ausgang für die LED bleibt gleich). Die LED Helligkeit regle ich mit einem Poti paralell bzw anstatt des Kondensators. Funktioniert nach Anpassung des Vorwiderstands am Optokoppler prima. Danke und Gruss Urs
Bitte melde dich an um einen Beitrag zu schreiben. Anmeldung ist kostenlos und dauert nur eine Minute.
Bestehender Account
Schon ein Account bei Google/GoogleMail? Keine Anmeldung erforderlich!
Mit Google-Account einloggen
Mit Google-Account einloggen
Noch kein Account? Hier anmelden.


