Ich betreibe ein R2R Netzwerk (8 Elemente) an einem Arduino als simplen Funktionsgenerator. Das ganze funktioniert wunderbar, ich kann mit dem Oszi am Ausgang die entsprechenden Signale sehen. Ich würde am Ausgang nun gerne noch einen Tiefpassfilter (ca. 50kHz cutoff) einschleifen, um die Kurven vielleicht noch etwas glatter zu bekommen. Versuchsweise habe ich dazu einen 330R und einen 0.1uF tantal C als RC Glied dahinter geschalten (Testfrequenz war hier natürlich entsprechend niedriger). So bald ich den Kondensator anschließe habe ich zwischen R und C keinerlei Signal mehr auf dem Oszi, da der Kondensator ja gegen Masse kurzschließt. Wo habe ich also den Denkfehler gemacht, bzw. Konkreter: wie baue ich einen RC Filter ein so dass ich hinten dann auch nochnein Ausgangssignal habe? Schaltbild: R2Rout-----R330-------C0.1uF-----GND Vielen Dank
Mike schrieb: > Wo habe ich also den Denkfehler gemacht Du hast den Ausgangswiderstand Deines R2R-Netzwerks vernachlässigt. Damit ist die Spannung über dem C kleiner als erwartet. Gruß Jobst
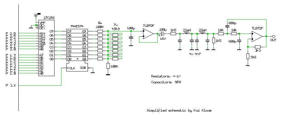
>Du hast den Ausgangswiderstand Deines R2R-Netzwerks vernachlässigt. Genau. Wenn du beispielsweise eine 100k/50k Leiter verwendest, dann hat deine Mimik bereits einen Ausgangswiderstand von 50k. Für ein RC-Filter existiert also schon ein R von 50k... >Wo habe ich also den Denkfehler gemacht, bzw. Konkreter: wie baue ich >einen RC Filter ein so dass ich hinten dann auch nochnein Ausgangssignal >habe? Ich habe das mal so wie im Anhang gemacht. Aber es gibt natürlich unzählige andere Möglichkeiten.
Bitte melde dich an um einen Beitrag zu schreiben. Anmeldung ist kostenlos und dauert nur eine Minute.
Bestehender Account
Schon ein Account bei Google/GoogleMail? Keine Anmeldung erforderlich!
Mit Google-Account einloggen
Mit Google-Account einloggen
Noch kein Account? Hier anmelden.
