Hallo Leute, kleine Frage. Ich bin auf der Suche nach einen Glühlampen-Blinkgeber mit Fading-Effekt für 9-16V Versorgungsspannung für die Modellbahn. Ideal wäre ein Blinkgeber mit dem NE555 auf der Basis dieses Schaltplans, da ich n Haufen dieser ICs noch in der Grabbelkiste habe. Wie müsste man jetzt die Schaltung ändern, um ein Fade-In und Fade-Out hinzukriegen? Blinkfrequenz sollte ca. 1Hz betragen. Als Last kommen 16V-Glühlampen mit ~50mA zum Einsatz. MFG Andy
Dein NE555-Ausgangssignal geht an eine RC-Kombination, und dann an einen PWM Dimmer NE555---100k----+--------+ | | 1uF | | | GND | | +-----------------------(---+---+-----+-- +U | | | | | 10k +---10k--+ | | | Motor oder Glühlampe | | | | | | | +--+--|+\ | | | +-|<|-+ Freilaufdiode | | >--+ | | | | +--|-/ 10k +--|+\ | | | | | >--Rv--|< NPN oder NMOSFET | +--------+--------------|-/ |E oder S 10k | | | | 100nF | | | | | | +-----------+---------------+---------+-- GND einfacher, weil mit weniger ICs, geht es wenn man den NE555 wegschmeisst und gegen einen weiteren OpAmp aus dem LM324 ersetzt: +---------------------- +U | 10k +---10k--+ | | | +--+--|+\ | | | >--+ | +--|-/ 47k | | | | +--------+-----------+ 10k | | | 1uF | | | | +-----------+-----------(-- GND | +-----------------------(---+---+-----+-- +U | | | | | 10k +---100k-+ | | | Motor oder Glühlampe | | | | | | | +--+--|+\ | | | +-|<|-+ Freilaufdiode | | >--+ | | | | +--|-/ 10k +--|+\ | | | | | >--Rv--|< NPN oder NMOSFET | +--------+--------------|-/ |E oder S 10k | | LM324 | | 100nF | | | | | | +-----------+---------------+---------+-- GND
MaWin schrieb: > einfacher, weil mit weniger ICs, geht es wenn man den NE555 > wegschmeisst und gegen einen weiteren OpAmp aus dem LM324 ersetzt Wenn ich mir da die Gesamtanzahl der Bauteile so ansehe, ist der Siegeszug der kleinen µC mehr als verständlich.
andere Möglichkeit wäre auch ein Transistor (Mosfet) mit C in Rückkopplung und recht hochohmiger Ansteuerung.
du kannst natürlich den 555 als kippstufe heben und den integrationskondensator abgreifen und analog verstärken. Da genügt ein FET Gate an C+ (6/2) und und die last zwischen + und Drain source an GND
Beschalte mal einen 555 so, dass er mit der Hälfte der gewünschten Frequenz taktet. An den output pin schliesse deine Glühbirne an, in Serie dazu einen Elko und den (bei Bedarf über einen Widerstand) an Masse. Was passiert? Bei jedem Potentialwechsel am 555 output wird der Elko seinen Ladezustand von geladen auf entladen oder umgekehrt wechseln, mit anfangs hohem Strom, der dann abfällt. Wie genau der Helligkeitverlauf ist, hängt von der Betriebsspannung, der Lampe, dem Elko und einem evtl noch in Serie liegenden Widerstand ab. Da heisst es. EXPERIMENTIEREN Ach ja, alles unter der Annahme dass die Glühlampe den 555 nicht überfordert. Denke daran, den Kaltwiderstand des Glühfadens zu berücksichtigen. Die Gegentaktendstufe des 555 verträgt 200 mA.
Da er ja 555 in Massen hat, würde ich zwei davon hintereinander schalten und den Sekunden- Takt "modulieren". Etwa so wie hier: http://home.cogeco.ca/~rpaisley4/LM555.html#18
Schöner Thread. Gefällt mir. Man sieht so schön den Vorteil von Mikrocontrollern.
Also an die Idee von Ernst mit dem Elko hatte ich auch schon gedacht. Simpel und Effektiv. Frage ist, ob der Gesamtstrom nicht den 555er killt. Wie sähe es aus, wenn man an den Ausgang nen BC160 als Schaltverstärker (Last gegen Masse) hängt, und dessen Basisstrom langsam über nen Elko steigen und fallen lässt? Ich vermute, so einfach wie ich mir das vorstelle, gehts wieder nicht.... @ Hojo, die Schaltung aus deinem Link ist durchaus interessant, zumal auch ettliche 556er hier verrotten. Frage wäre, wie die Schaltung zu ändern wäre, um auf ca. 1Hz zu kommen den als Sirene werden da sicher andere Frquenzen arbeiten?!?! @ Davis, wenn man die Ahnung vom programmieren und kompilieren hat, und die entsprechende Hardware zur Verfügung steht, kann man mit µC arbeiten. Wenn nich, muss man analog arbeiten. MFG Andy
Newman Andy schrieb: > Also an die Idee von Ernst mit dem Elko hatte ich auch schon gedacht. > Simpel und Effektiv. Frage ist, ob der Gesamtstrom nicht den 555er > killt. Nachdem der Strom nicht höher als der Lampenstrom sein kann, ~50mA, kann da nichts passieren. Nur der Effekt ist umgekehrt von dem den du möchtest. Die Lampe leuchtet hell auf und wird dann dunkler, egal ob du den Elko auflädst oder entlädst. Du bringst also nur die Übergänge hell dimmen nach dunkel, aber nicht die Übergänge dunkel dimmen nach hell zusammen.
Hab das ganze eben mal auf nem Steckbrett zusammen genagelt und getestet. Ergebniss war: Sowie ein Elko am Ausgang des 555er hängt, bleibt die Lampe aus. Hab nen 1µF und nen 0,47µF getestet. Kleinere Werte hab ich nicht da, größere sah ich keine Notwendigkeit zu testen. MFG Andy
Newman Andy schrieb: > größere sah ich keine Notwendigkeit zu testen Wird aber erst so ab 100µ anfangen.
Auch getestet... 100, 220, 470µF....keine sichtbare Änderung. Größere Werte habsch im Moment nicht da..
Ich habe vor ~10 Jahren mal diese Schaltung zusammengebastelt. Auch wenn das ganze auf der Seite nicht unbedingt professionell aussieht, und ich auch das Casemodding mittlerweile unter Jugendsünden abgehakt habe, funktioniert das ganze sehr gut. Den transistor hatte ich damals nicht da, habe einen BC547 genommen, funktioniert genauso. http://www.moddingtech.de/tutorials/44-lichteffekte/66-led-fader LG, Björn
Hallo Andy, weiter oben auf der Seite von meinem Link ist ein kleiner Online- Rechner, wo Du Deine Zeiten eingeben und die dazugehörigen Widerstände/Kondensatoren ablesen kannst.
BC548: Basis mit an den Pin2/6 vom 555er, Kollektor an die 12 Volt und Emitter über die Lampe an GND. Das ist schon alles. Die Lampe leuchtet dann von 1/3tel VCC bis 2/3tel VCC minus 0.7V. Den Kondensator etwas größer wählen, wegen dem Basisstrom.
Newman Andy schrieb: > Auch getestet... 100, 220, 470µF....keine sichtbare Änderung. Größere > Werte habsch im Moment nicht da.. Dann ist die Glühbirne für diese Übung wohl nicht die richtige. Mit zwei antiparallelen LEDs sollte es aber gehen.
Axel, du meintest definitiv Pin2/6? Weil Ausgang des ICs is ja eigentlich Pin3?!?! @ Ernst...ne Sorry, es geht hier definitiv um Glühlampen mit 16V, 50mA. KEINE LEDs! MFG Andy
an 2/6 liegt genau der Krvenverlauf an, den Du haben möchtest. Leider nicht in vollem Umfang (1/3tel min. und 2/3tel max.) und nicht belastbar. Sollte aber ansatzweise gehen.
AR schrieb: > an 2/6 liegt genau der Krvenverlauf an, den Du haben möchtest. Leider > nicht in vollem Umfang (1/3tel min. und 2/3tel max.) und nicht > belastbar. > Sollte aber ansatzweise gehen. Das gleiche kann man aber auch mit einem beliebigen Komparator, notfalls sogar aus der 4000er Serie aufbauen. Der grösste Teil des 555 liegt bei einer solchen Verwendung brach. Gruss Harald
Ohne Frage, klar kann man mit'm 4093 ebenso am C abgreifen. Die Amplitude dort ist aber nocheinmal um Längen kleiner ( Abhängig von der Hysterese des CMOS Trigger-Bausteins ) Die Dinger hat er auch nicht zu Hauf rumliegen. Die 555er schon, wie er oben schrieb. Gruß AR http://homepages.internet.lu/absolute3/tronic/digosz1.htm FIG.13 http://homepages.internet.lu/absolute3/tronic/sz.htm Abb.6
http://www.ne555.at/timer-ic-ne555/grundschaltungen/154-ne555-als-dreieck-generator.html Hier steht dit nochma allet
http://3.bp.blogspot.com/-8dh2sGOARuM/TqAbenpiOnI/AAAAAAAABEA/mZ70J74VUXI/s1600/fading+led.jpg sieht dann so aus: http://www.youtube.com/watch?v=qLAi7hkDuYw
Bin z.Z. sehr eingespannt. Hab frühstens morgen Zeit, mir das ganze genauer anzusehn, und zu testen.... Trotzdem THX schon mal bis hier her an alle... MFG Andy
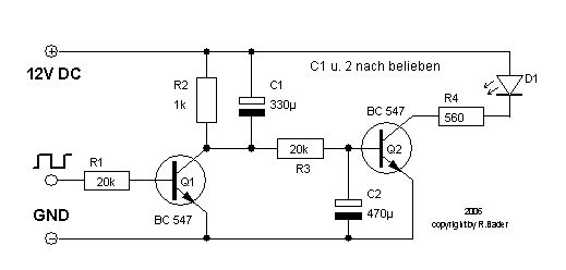
Vielen Dank nochmals an alle, die sich hier tatkräftig beteiligt und mich unterstützt haben. Ich war allerdings auch nicht ganz Faul und hab parallel nen bissl gesucht....und bin sogar fündig geworden. Hab den Fader aus zwei Transistoren aufgebaut, nach anhänglichen Schaltplan. (Fanden sich in der Grabbelkiste.) Hab das ganze mal aufgebaut und getestet. Funktioniert ganz gut, und lässt sich mit entsprechenden Elkos den eigenen Wünschen nach gut anpassen. MDF Andy
du kannst zusätzlich auch noch probieren, R1, Q1, R2 und C1 wegzulassen, und den Ausgang des 555 direkt an R3 anzuschließen.
hilfreich ist es vielleicht zu erwähnen, das die Last im Emitter genau den gleichen Spannungsverlauf "sieht", wie am Eingang des Transistors anliegt, weil die Spannungsverstärkung dann kleiner eins ist. Liegt die Lampe im Kollektor, sieht das wieder anders aus...
und du kannst noch eine Reihenschaltung einer Diode und eines Widerstands parallel zu R3 legen. Dann kannst du das Heller- und das Dunklerwerden getrennt beeinflussen.
man kann den (dann viel kleineren) Elko auch zwischen Kollektor und Basis packen... hier gibt es soo viele Möglichkeiten.
Soooo, war eben mal wieder am Testbrett.... Last an Emitter legen, passt.... Kleineren Elko zwischen C und B legen kommt mir auch sehr entgegen. Will Platz sparen. R1, Q1, R2 und C1 weglassen funzt auch, ABER...Damit hab ich nurnoch ein FadeIN, und kein FadeOUT mehr. Zumindest verlischt die Lampe sehr schnell! >...du kannst noch eine Reihenschaltung einer Diode und eines >Widerstands parallel zu R3 legen. Dann kannst du das Heller- und das >Dunklerwerden getrennt beeinflussen. Hab ich versucht...brachte KEINE Veränderung?!?! Zumindest nicht beim FadeOUT. MFG Andy
wie rum hast du die Diode drin? mach zuerst mal nur die Reihenschaltung von Widerstand und Diode rein. Mit der Kathode Richtung Transistor. Dann kannst du mit den Werten des Kondensators und der Widerstände rumspielen.
Hab beide Richtungen getestet. Diode + 10K parallel zum 20K. Kathode Richtung Q brachte nur ein schnelleres FadeIN. Das FadeOUT entspricht nach wie vor dem "normalem" verlöschen der Glühlampe bei Stromlosigkeit. Also quasi nicht vorhanden. EDITH: Also nicht vorhandenes FadeOUT stimmt nicht... es ist eins da, aber nur ein sehr kurzes. Die Verweilzeit des FadeOUT lässt sich durch ändern von R/C/D nicht beeinflussen!!!
ich meinte nur mit Diode und Widerstand, ohne den 20k Widerstand. Und Lampe am Emitter.
>...und du kannst noch eine Reihenschaltung einer Diode und eines >Widerstands parallel zu R3 legen. Steht hier aber anders... Werd ich heut Abend aber mal checken.
Andy übt :) Versuch doch mal die Augen zu schliessen und Dir vorzustellen, WO der Strom überall lang muss und wo er lang kommt und wie dolle ;)
Newman Andy schrieb: >>...und du kannst noch eine Reihenschaltung einer Diode und eines >>Widerstands parallel zu R3 legen. > > Steht hier aber anders... so hab ich's am Anfang auch gemeint. Nachdem du geschrieben hast, dass es nicht funktioniert, solltest du zum testen den einen Widerstand erstmal weglassen und dann mit verschiedenen Werten probieren. Um Missverständnisse zu vermeiden, habe ich dir noch Bilder angehängt. Bei Bild 1 kannst du den Lade- und Entladestrom getrennt einstellen. Je nach dem, welche Widerstandswerte du brauchst, kannst du dann eine von den anderen Schaltungen einsetzen. falls du noch ein paar Darlingtontransistoren rumliegen hast, kannst du die anstelle des BC547 verwenden, dann wird der Einfluss des Basisstroms auf das RC-Glied kleiner. viel Erfolg
Bitte melde dich an um einen Beitrag zu schreiben. Anmeldung ist kostenlos und dauert nur eine Minute.
Bestehender Account
Schon ein Account bei Google/GoogleMail? Keine Anmeldung erforderlich!
Mit Google-Account einloggen
Mit Google-Account einloggen
Noch kein Account? Hier anmelden.


