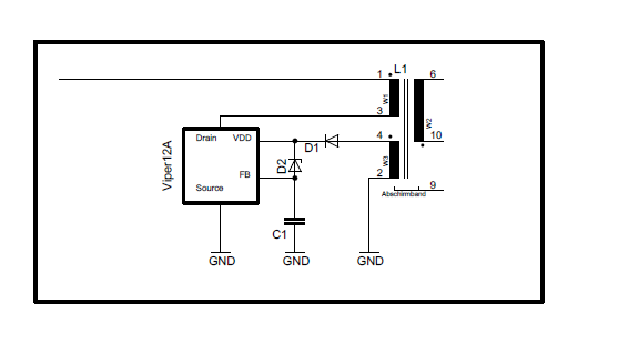
Seit Jahren verwende ich für ein Gerät ein etwas umgebautes Handy-Netzteil von Ericson, gibts nun endgültíg nicht mehr. Jetzt muss Ersatz her. Spannung soll 7,2V betragen, 500-600mA. Stückzahlen sind gering, etwa 30...40 pro Jahr, da lachen die Hersteller nur, wenn man eine spezielle Spannung will. Unter 1000 Stk geht da gar nicht. Jetzt habe ich endlich eins gefunden, welches in etwa passt (Original 9V/600mA) und sich vor allem zerstörungsfrei öffnen lässt und wieder korrekt verschliessen lässt. (NL090P066P/GS/6XC) Nun das Problem: die Regelung ist billigst ausgeführt (Bild), was aber in meinem Fall sogar vorteilhaft ist (Akkus laden), die Ausgangsspannung ist rel. weich, 10,2V im Leerlauf und ziemlich genau 9V bei Nennlast. In keiner Applikationen des Viper12 habe ich eine derartige Schaltung gefunden, nur die üblichen mit Optokoppler. http://www.st.com/st-web-ui/static/active/en/resource/technical/document/datasheet/CD00084384.pdf So, und nun muss die Sekundärspannung ca. 3V runter. Eine Z-Diode mit kleinerer Z-Spannung parallel brachte zwar den gewünschten Effekt, allerdings lief dann das Netzteil nicht mehr an :-) Frage: kennt sich einer mit dem IC aus? Ich durchschaue die feedback-Schaltung nicht so richtig. Alternativ: kennt jemand ein Steckernetzteil der 5/6W-Klasse, welches verschraubt und nicht verklebt ist?
Welche Spannung hat D2? Nach meinem Verständnis eine mit kleinerer Z-Spannung nehmen.
Ich verwende oft Netzteile a 'la http://www.conrad.at/ce/de/product/514219/ Da ist auch ein Viper12A drinnen & es ist nicht verschweißt. Es hat 2 Sicherheits-Schlitzschrauben (welche in der Mitte eine Erhebung haben) R5 & R6 sind der Spannungsteiler für die Regelung. Was ist Eure Meinung zu den Netzteilen? Schaut das auch nach billiger China-Ware aus, wie gerade in einem andren Thread zu Netzkabeln usw. diskutiert wird?
Kommt ein Universal-Steckernetzteil in Frage, ggf. mit fixierter (verklebter) Spannungseinstellung und fest angeschlossenem Ausgangssteckverbinder? www.ebay.de/itm/291035250994 (Netzteil Canon-Kamera) ist wahrscheinlich zu teuer Falls 7,5V auch ok sind: Digikey hat eine gewisse Auswahl: http://www.digikey.de/product-search/de/power-supplies-external-internal-off-board/ac-dc-desktop-wall-adapters/589898 Ansonsten haben viele Universalnetzteile zum Einstellen der Spannung ein normales Poti, die Rastung ist oft nur extern realisiert. Damit ließen sich die 7,2 Volt vielleicht auch exakt einstellen. http://de.farnell.com/externe-schaltnetzteile gibt es auch noch
Na, da kommt ja einiges :-) 7,5V gehen nicht, es hängen 5 NiMH Zellen direkt dran, das tut denen auf Dauer nicht gut. Mit den 7,2V laufen die jahrelang, und auf der Akku-Seite kann ich nichts ändern. Diese hier habe ich bis jetzt benutzt, mal bei Pollin 200 Stk für 1,50€/Stk gekauft: http://www.ebay.de/itm/Ericsson-Lader-Ladegeraet-Adaptor-BML-162-085-R1D-Type-402-0036-BV-B-/261358754493?nma=true&si=uH5talayNI6WjCRYZr01vFtOHUY%253D&orig_cvip=true&rt=nc&_trksid=p2047675.l2557 Die hatten die übliche Regelung drin, aber zusätzlich 3*1R 1206 in der Masseleitung, so hat sich die gewünschte Spannung/Strom-Kennlinie ergeben. Nur einen SMD-Widerstand dazugelötet und dann hat es gepasst. D2 hat 15V, mit einer 12V-Z-Diode passte die Spannung, allerdings lief es dann nicht mehr an (VDD start-up threshold typ 14,5V, gerade gesehen im Datenblatt :-) Ich will natürlich so wenig wie möglich umbauen, allzuviel Platz ist auch nicht.
> So, und nun muss die Sekundärspannung ca. 3V runter.
Dann wickel halt ein bischen von der Sekundärwicklung ab.
Es gibt jede Menge sogenannte Universalnetzteile, bei denen man die Ausgangsspannung einstellen kann. Für die DAUs einen Tropfen Kleber auf den Auswahlschalter. Bei Reichelt gibt’s (APS 300) so etwas für 7 €uronen. In der Bucht wohl noch billiger.
Jo, das scheint die einzigste Lösung mit diesem Design zu sein..., natürlich nicht praktikabel Dann werde ich mal weitersuchen. Schade, im Prinzip wäre es perfekt gewesen. Die mit "richtiger" Regelung muss ich dann erst wieder künstlich weich machen (Akkugerät schaltet sich bei 5,5V ab. Wenn man die dann ansteckt, quittieren das die Netzteile mit Überlastabschaltung. Werde mir mal das Conradteil besorgen und mal schauen, was sich damit machen lässt. Danke schon mal bis hierher.
Daniel M. schrieb: > Ich verwende oft Netzteile a 'la > http://www.conrad.at/ce/de/product/514219/ > Was ist Eure Meinung zu den Netzteilen? Schaut das auch nach billiger > China-Ware aus, wie gerade in einem andren Thread zu Netzkabeln usw. > diskutiert wird? Naja, kein Netzfilter und was die Elkos taugen kann man leider nicht sehen.
H.Joachim Seifert schrieb: > @Daniel: die sehen sich aber verdammt ähnlich :-) Na servas. Gleichgerichtete Netzspannung mit 0,5mm (oder noch weniger?) Leiterbahnabstand? Nicht übel der fernöstliche Fatalismus.... Ich frag mich wieso diese Dinger immer noch hier in der EU verscherbelt werden. Grüße MiWi
Dann werde ich mir mal das hier besorgen: http://www.conrad.at/ce/de/product/514217/VOLTCRAFT-FPPS-6-3W-Steckernetzteil-Steckernetzgeraet-Schaltnetzteil-6-VDC-500-mA-3-Watt-Festspannung?ref=searchDetail Den Optokoppler rausschmeissen und ne passende Z-Diode rein. Dann sollte das perfekt passen und der Aufwand hält sich in Grenzen. Steht da auch ne echte Herstellerbezeichnung drauf? Ich bestelle prinzipiell nur äusserst ungern bei Conrad :-)
H.Joachim Seifert schrieb: > Seit Jahren verwende ich für ein Gerät ein etwas umgebautes > Handy-Netzteil von Ericson, gibts nun endgültíg nicht mehr. Jetzt muss > Ersatz her. Spannung soll 7,2V betragen, 500-600mA. Was ist das für eines? Bei Pollin hab ich vor kurzen SonyE. Z600 NT billig gekauft. H.Joachim Seifert schrieb: > 7,5V gehen nicht, es hängen 5 NiMH Zellen direkt dran, das tut denen auf > Dauer nicht gut. Mit den 7,2V laufen die jahrelang, und auf der > Akku-Seite kann ich nichts ändern. Wenn es nur zum Laden sein soll, warum stellst du den Ladestrom nicht mit einem zusätzlichen Widerstand ein? Für die Akkus wäre es sogar besser. 7,5V und 7,2V, den Unterschied kannst du doch vergessen. Hast du den Strom verglichen? Und warum hältst du nicht Ausschau nach einem Ladegerät für 5 Zellen? Vielleicht hat Pollin sowas.
7,2V oder 7,5V machen einen erheblichen Unterschied. Blöderweise sinkt nach richtig voll die Zellenspannung wieder etwas. Mit dauerhaft 7,5V werden die Zellen warm und köcheln leise weinend dem Tod entgegen. Die Vorgehensweise der Leute ist folgende: Gerät wird benutzt, bis es anzeigt, dass es nicht mehr lange macht. Dann wird es ans Ladegerät gesteckt. Auch Freitag abend. Und dort bleibt es dann bis Montag morgen. Falls gerade Urlaub ist auch 14 Tage lang. Und ich habe noch kein spez. Ladegerät gefunden für einen Akkupack mit 5 Zellen. So, wie es bisher war ist es einfach gut. Die Akkus (Sanyo) halten 4 Jahre bei ungefähr alle 2 Tage einen kompletten Entlade/Ladezyklus, alle sind zufrieden. Bei 7,2V geht der Ladestrom gegen 0 und bleibt auch da.
7,5V und Schottkydiode in Serie? Verhindert gleichzeitig Rückstrom...
Warum nimmst Du nicht einfach so etwas? http://www.conrad.de/ce/de/product/269198/Graupner-6424-230-V-Ladegeraet-Minilader-3-fuer-NiCd-NiMH-Akkus-Ladestrom-max800-mAh?ref=list Da kannst Du dann auch deine Akkus dauerhaft dranlassen.
H.Joachim Seifert schrieb: > Steht da auch ne echte Herstellerbezeichnung drauf? Ich bestelle > prinzipiell nur äusserst ungern bei Conrad :-) Nein, leider nicht, nur die "Voltcraft"-Eigenmarke. Naja, bei meinem sind es ein paar mm mehr auf der 325V DC-Seite, aber man weiß ja (noch) nicht, wie die Leiterbahnführung unterhalb der linkesten Diode aussieht. :D Wobei man ja schon froh sein kann, dass da nicht nur Einweggleichgerichtet wird. Einstweilen läuft so ein Netzteil bei mir schon 2 Jahre bei 12V & 250mA.
Bitte melde dich an um einen Beitrag zu schreiben. Anmeldung ist kostenlos und dauert nur eine Minute.
Bestehender Account
Schon ein Account bei Google/GoogleMail? Keine Anmeldung erforderlich!
Mit Google-Account einloggen
Mit Google-Account einloggen
Noch kein Account? Hier anmelden.







