Das Problem: Eine Modelllokomotive ( Spur 1, fast 2 Kilo schwer ) stoppt bei Stromausfall sehr brutal. Das liegt am verbauten Schneckengetriebe. Für eine mechanische Schwungmasse ist kein Platz. Bleibt eine elektronische. Aber auch hier wird es eng. Mit Goldcaps lässt sich da schon einiges machen. Aber, wieso eigentlich 2 Pakete ? ( Für Vor und Rücklauf jeweils eins ) http://alte-modellbahnen.xobor.de/t19675f15-quot-Elektronische-Schwungmassen-quot-mit-Hilfe-von-Elektrolyt-Kondensatoren.html Könnte man nicht eine Art bistabiles Relais dazwischen setzen und die Hälfte der Kondensatoren einsparen. Das würde das Platzproblem lösen. So ein Motor beginnt bei 1,5 V mit seiner Arbeit. Maximum sind 16 V. Grüße Bernd
Bernd Funk schrieb: > stoppt bei Stromausfall sehr brutal. warum pufferst Du nicht die Spannungsversorgung? Stefan
Nico ... schrieb: > @Stefan: Genau das hat er vor! Nicht in der Lok ... die Spannungsversorgung! Stefan
In der Spannungsversorgung bringt das nichts. Die Lok fährt ja über ein verschmutztes Gleis, eine Weiche usw: Die elektronische Schwungmasse muss in der Lok sein. Bei Spur 1 ( 1: 32 ) sollten 5 cm Gleis ohne Strom noch überfahren werden. Das Teil ( Lok) ist ja 30 cm lang. Im Moment blockieren die Räder in Millisekunden. Die Geräusche vom Getriebe sind auch eher unanständig. :) Das mit den Goldcaps ist ja schon eine bewährte Sache. Blöd finde ich, das man für beide Fahrtrichtungen ein Paket C's braucht. Die müssen ja auch möglichst unsichtbar ihren Platz finden. Grüße Bernd
Kann man nicht die Ursache für den Stromausfall beheben? Fährst du Digital oder Analog?
Goldcaps haben einen zuhohen Innenwiderstand. Schau mal nach Maxwell. Nur als Beispiel: http://www.ebay.com/itm/MAXWELL-ULTRACAPACITOR-BOOSTCAP-BCAP3000-2-7V-10pcs-/221296870189 Ist dann schon fast ne kleine Notstromversorgung ;)
Wie groß sind die Kondensatoren jetzt, damit das einigermaßen funktioniert? Welcher Ströme fließen bei Spur 1? Mit welchen Spannungen wird gearbeitet?
Slow Mo schrieb: > Kann man nicht die Ursache für den Stromausfall beheben? Fährst du > Digital oder Analog? Kleine Ausfälle sind Systembedingt und nicht zu vermeiden. Das geht völlig analog über einen Gleichstromtrafo 1-16V. Wenn es irgendwie geht, kriegt der Motor eine Schwungmasse angeflanscht, und gut ist. Hier ist ein extremes Platzproblem. Schwungmasse am Motor geht nicht. Im Lokkessel wäre noch 25mm Durchmesser und 60 mm lang frei, da wäre halt noch Platz für die Goldcaps. Das mit den Pufferkondensatoren ist ja ein bewährtes Mittel, um dieses Problem zu lösen. Ich frag mich ja nur, ob man durch eine trickreiche Schaltung mit einer Kondensatorbatterie nicht beide Fahrtrichtungen bedienen könnte. Grüße Bernd
Vieleicht so, allerdings gibt das Probleme beim schnellen Fahrrichtungswechsel.
Bernd Funk schrieb: > Ich frag mich ja nur, ob man durch eine trickreiche Schaltung > mit einer Kondensatorbatterie nicht beide Fahrtrichtungen > bedienen könnte. geht sicher. Sind ja hier genug "Pfiffige" Leute unterwegs. Kannst Du uns mal ein multimeter in die Stromversorgung legen und über den üblichen Fahrstrom berichten, bitte?
Axel R. schrieb: > Wie groß sind die Kondensatoren jetzt, damit das einigermaßen > funktioniert? > Welcher Ströme fließen bei Spur 1? Mit welchen Spannungen wird > gearbeitet? Bisher gibt es keine Pufferkondensatoren. Morgen bau ich das mal zusammen und messe. Der kleine Faulhabermotor bewegt die Lok ab 1,5 V, bei 14 V ist die Höchstgeschwindigkeit erreicht. Aber, morgen messe ich auch mal die Aufnahme. Obwohl bei Spur 1 Alles drastisch größer ist als bei H0, so sind die Motoren kaum leistungsfähiger. Der Rollwiderstand auf Gleis ist minimal.
Bernd Funk schrieb: > Obwohl bei Spur 1 Alles drastisch größer ist als bei H0, > so sind die Motoren kaum leistungsfähiger. ich dachte, es wäre fast schon "Gartenbahn" Dimension. reichen 50mF ? die gibt es auch ungepolt und Stromtragfähig, also niederohmig. machen auch bis 16V, ich habe bisher nur die 5Volt-Typen in Arbeit. google --> avx bestcap http://www.avx.com/docs/catalogs/bestcap.pdf
Eine Alternative könnte auch sein, in die Speiseseite (beim Trafo-Ausgang) eine große Induktivität in Serie zu schalten. Wenn der Kontaktwiderstand der Räder zunimmt, treibt die den Strom noch weiter... Da wär dann das Platzproblem auch gegessen.
Und wenn man auf die Geise greift, wenn der Zug ein Kontaktproblem hat, dann merkt man das auch :-)
Ich würde Akku nehmen. Den lädst du whärend der Fahrt und beim bremsen per PWM den Motor abbremsen. Könnte evtl. Klappen. Da könnte eine Zelle reichen.
unipolarer Zwischenkreis, den Motor in eine H-Brücke, die Polarität der Gleisspannung dient nun nur noch der Richtungsinfromation. So in der Art. Ist aber sicher wieder zu hoch gegriffen, oder?
alex schrieb: > Eine Alternative könnte auch sein, in die Speiseseite (beim > Trafo-Ausgang) eine große Induktivität in Serie zu schalten. Nein, in die Lok! Parallel zu den Abnehmern noch einen Kondensator, los gehts ... Gruß Jobst
Hi, tja ist leider nicht so einfach. Das Einfachste Lösung ist die, mit den von Axel R. empfohlenen avx Bestcap. Da es die aber nur bis 12V gibt, müssen zwei in Reihe, und zur Sicherheit gegen Überspannung braucht es noch ein paar Schutzdioden. Wenn du die Bestcap bekommst, bist du mit ca. 100,-€ pro Lok dabei. Bei der Schaltung mit dem Relais muss die Motor- und Kondensatorspannung um den Betrag der Relaisspannung vermindert werden. Die max. Fahrspannung am Motor wäre dann 16V minus Relaisspannung, also nur noch für Bummelzüge. Die H-Brücke müsste analog von 1,6 bis 16V Volt arbeiten und den letzten Zustand bei Stromausfall beibehalten. Auch keine Standardschaltung. Grüße
Das Gute an den Dingern ist der geringe Innenwiderstand und das sie
ungepolt sind. Parallel zur Reihenschaltung lässt sich ja jeweils eine
bidirektionale TVS schalten. Viel Platz ist ja wohl nicht in der Lok.
Kann man mal ein Foto vom Aufbau haben, bitte?
>...Stromausfall beibehalten. Auch keine Standardschaltung.
Es muss keine Standardschaltung sein, für zwei, drei Hunderter kann man
sich schon mal austoben ;)
edit: dann kann man sich aber auch gleich nen teuren Motor oder was fertiges (gibt es da schon was fertiges?) kaufen. Sollte also nicht soo teuer werden, oder?
Auf dem Teppich bleiben, bitte! Die Digitalmodellbahner haben da wenig Probleme: http://zoffi.net/MOBAZI/tipps/pufferelko/pufferelko.htm Wenn man aber so wie, ich alte Schule fährt. ( Also nur ein Trafo mit Regelung und Vor- und Zurückfahrt, wird die Nutzung modernster Kondensatoren schwieriger. Das Problem ist immer der Platzbedarf. Die einzig sinnvolle Stelle in so einem Modell, wird von Motor und Getriebe beansprucht. Hier hätte ich noch ein wenig Platz im vorderen Teil des Kessels. Grüße Bernd
Hi, ja stimmt, zu viel Dioden. Vier Zenerdioden oder zwei TVS reichen. Grüße
Hallo, ich habe noch eine andere Idee. Die Lok fährt doch sicher nicht immer allein durch die Gegend. Vieleicht haben die Kondensatoren in einem Wagen dahinter Platz?
Das ist eine " Rangierlok ", die fährt ganz oft einsam und alleine :( Grüße Bernd
Low-tech-ohne-ELektronik-Ansatz: im Kessel hast du ja Platz. Was spricht dagegen dort einen zweiten Motor + Schwungmasse einzubauen?
>>Hier hätte ich noch ein wenig Platz im vorderen Teil des Kessels. >>Hier sieht man es etwas besser. Da kann man nicht besser sehen wieviel Platz noch ist - falsches Bild hochgeladen !? lock ist ja geschlossen... Gruß, JJ
Bernd Funk schrieb: > Das ist eine " Rangierlok ", die fährt ganz oft einsam > und alleine :( Eine Rangierlok, die nur alleine fährt, gehört auf's Abstellgleis und der Lokführer entlassen. ;-))
Das grundsätzliche Problem ist der Antrieb. Heutzutage verwendet man Schneckengetriebe. Damit erledigt man zwei Probleme sehr einfach. 1. Die 90 Grad Umlenkung zwischen Motor und Fahrwerk. 2. Eine möglichst große Untersetzung für vorbildgerechte Langsamfahrt. Das hat aber auch seinen Nachteil: Schneckengetriebe sind fast immer selbsthemmend. Das heißt: kriegt der Motor auch nur kurzfristig keinen " Saft" , stoppt die Sache sehr brutal. Der Lösungsweg ist die " Schwungmasse " am Motor.
Dann mach einen zweiten Motor mit Schwungmasse in den Kessel, mechanisch werden die Motoren nicht gekoppelt, nur elektrisch. Bei Stromausfall arbeitet der zweite Motor als Generator. Wie viel man damit rausholt weiß ich aber auch nicht, wird nicht die Menge sein aber vielleicht reicht es zum sanft bremsen. Motor und Schwungmasse lässt sich zumindest im Kessel platzieren, ob das reicht lässt sich leichter probieren als theoretisch erörtern.
Jürgen schrieb: >>>Hier hätte ich noch ein wenig Platz im vorderen Teil des Kessels. > >>>Hier sieht man es etwas besser. > > Da kann man nicht besser sehen wieviel Platz noch ist - falsches Bild > hochgeladen !? lock ist ja geschlossen... > > Gruß, > JJ Hmm, ganz am Anfang schrieb ich: 25 mm Durchmesser und 60 mm lang. das wäre noch an Platz verfügbar. ( 26 oder 27 Durchmesser geht bestimmt auch noch ) Ich muss mich also vielmals entschuldigen, dass ich keine präzise Zeichnung ( DWG ) des Raumangebotes zur Verfügung gestellt habe. Das liegt auch daran, dass es sich hier um ein Modell handelt, das um 1946 begonnen wurde, und jetzt von mir beendet wird. ( Ich nehme einfach mal an, das der erste Erbauer gestorben ist ) Grüße Bernd :- )
Bernd Funk schrieb: > Ich muss mich also vielmals entschuldigen, dass ich keine > präzise Zeichnung ( DWG ) des Raumangebotes zur Verfügung gestellt habe. Gut. Wann kommst du nach Hamburg zu Besuch des Elektronensynchrotons aka Masse eines Elektrons? Btw. was mach dein Oerlikon-Schweißgerät? Schon Schnee von gestern?
einen Daumen oder Zeigefinger als Maßstab wäre nicht schlecht gewesen. BTW: Was kostet so ein Lokdecoder?
Axel R. schrieb: > einen Daumen oder Zeigefinger als Maßstab wäre nicht schlecht gewesen. > > BTW: Was kostet so ein Lokdecoder? Größe hat er doch gesagt: Spur I Für Spur 1 muss man so mit 50..100 Euroni rechnen.
Also meiner Erfahrung nach sind die einfachen Lösungen meist die besten. Was ist also gegen die Induktivität in der Zuleitung einzuwenden? Ist leicht auszuprobieren, z.B. mit einer Vorschalt-Drossel von einer Leuchtstofflampe.
Hi, Stefan schrieb: > Was ist also gegen die Induktivität in der Zuleitung einzuwenden? wie soll das den funktionieren? Willst du durch den Induktionsfunken den Schmutz von den Gleisen brennen? Das wird die Räder an den Gleisen festschweißen. Grüße
Bernd Funk schrieb: > Bleibt eine elektronische. Ein Akku mit Ladeschaltung, ein bistabiles Relais und eine Schaltung die das ganze verzögert runterfährt (uC, 555 mit PWM und Mosfet ...) gehen nicht?
ich wür auch nen SI5515 als H-Brücke einsetzen und nen Tiny10 als Prozessor. Sollte ja wohl reinpassen, oder? Software muss man sich dann mal ausdenken... Wenn man dem ungepolten Cap umpolt, fährt da erstma garnichts :) Der muss ja umgeladen werden. edit zu früh gedrückt. Somit sind zwei getrennte Caps keine schlechte Idee.
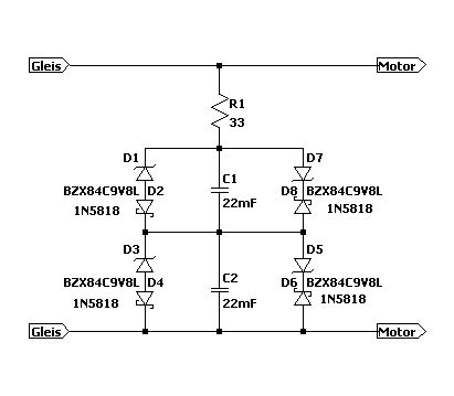
Die Lösung mit 2 getrennten Caps gibt es seit 20 Jahren. Meine Frage ist: Kann man durch eine trickreiche Schaltung mit einer Kondensatorbatterie auskommen? Die könnte dann natürlich recht groß sein. Im digitalen Modellbahnbereich geht das längst. Analog ( Steinzeit ) wird genau das schwierig. Die Schaltung müsste sich die Polung " merken", und bis zur Entladung der Kondensatoren beibehalten. Grüße Bernd
Was spricht den gegen die Variante mit dem zweiten Motor mit Schwungmasse, die Vorteile für dich wären: - kostet fast nichts, nur ein zweiter Motor mit Schwungmasse - keine Elektronik, beide Motoren werden lediglich mit ein Stück Draht parallel geschaltet - kein Programmieren - Platzsparende Lösung, Motor und Schwungmasse sind rund und passen perfekt in den Kessel Die Drehrichtung des Motors mit der Schwungmasse läuft automatisch in die richtige Richtung. Fällt der Strom aus, arbeitet der Motor mit Schwungmasse als Generator und treibt den Fahrmotor an. Fertig.
Schwungmasse am 2. Motor dürfte die einfachste und kostengünstigste Lösung sein. Faszinierend die AVR Kondensatoren. Dabei ist einer 0.12F/16V. Wer vertreibt die Dinger?
Die trickreiche Schaltung ist der Lockprozessor statt des Lockdekoders. Der interpretiert dann das analoge Eingangssignal und erkennt ob abgeschaltet oder unterbrochen wurde. Bei der Abschaltung ist das Gleis kurzgeschlossen bei der unterbrechung hochohmig. So weis er ob sofort anzuhalten oder auszurollen ist. Gefahren wird aus dem Pufferakku welcher mit Wechselspannung über einen Gleichrichter geladen werden kann. das anliegen einer wechselspannung am Gleis signalisiert dem Prozessor die Ladeprozedur bei stillstehender Maschine. Fahrtrichtungssignal und Geschwindigkeit gibt das Gleis vor. Bei Voller Spannung kann gleichzeitig der Akku während der Fahrt geladen werden. Der Prozessor muss freilich auch kontinuierlich versorgt werden. ;)
Michael H. schrieb: > Goldcaps haben einen zuhohen Innenwiderstand. Die GoldCaps mit dem niedrigen Innenwiderstand heißen meist SuperCap. Da gibt es durchaus z.B. 1F mit 35mΩ (BZ125A105ZAB von AVX). http://www.avx.com/docs/Catalogs/bestcap.pdf
Bitte melde dich an um einen Beitrag zu schreiben. Anmeldung ist kostenlos und dauert nur eine Minute.
Bestehender Account
Schon ein Account bei Google/GoogleMail? Keine Anmeldung erforderlich!
Mit Google-Account einloggen
Mit Google-Account einloggen
Noch kein Account? Hier anmelden.



