Hallo, Ich habe mit einem Printtrafo und einem Gleichrichter eine symmetrische Spannungsquelle gebaut. Nun habe ich am positiven und negativen Ausgang Elkos gesetzt. Der am negativen hat sich aufgebläht!!! Kann der jetzt platzen? Soll ich den draußen und in Schutzkleidung rausmachen?? Bitte um schnelle Antwort Lukas B.
Wie rum hast du den Elko eingelötet bzw. wie hast du diesen überhaupt verschaltet? Sollange er nicht geplatzt ist brauchst nicht rausgehen. Vorsichtig auslöten und entsorgen.
Lukas B. schrieb: > Bitte um schnelle Antwort Für die negative Spannung brauchst du keinen negativ Kondensator.
Poste doch mal die Schaltung.. Ein Elko am "negativen Ausgang" hört sich komisch an..
Ja ich hab ihn ausversehen an masse gelötet. Kann also nicht platzen beim auslöten? Ich denke ich mach das Ganze dann mal ohne Elkos...
Lukas B. schrieb: > Ja ich hab ihn ausversehen an masse gelötet. Kann also nicht platzen > beim auslöten? Ich denke ich mach das Ganze dann mal ohne Elkos... Es genügt den neuen Elko richtig herum einzulöten.
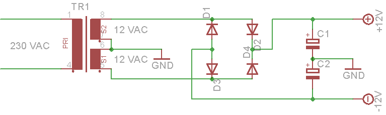
Ok, danke für die Hilfe. Ich werds dann mal andersrum machen, also so.
Plus von C2 muss an +12V, Minus an GND. Plus von C1 muss an GND, Minus an -12V.
Ich würde eher sagen der Elko gehört mit + an +12V und mit - an -12V Aber ich kann mich auch täuschen :)
Lukas B. schrieb: > Wie dann? Naja genau anderes herum: +12V an die "+ Seite" des Kondensators und beim anderen die -12V an die "- Seite". Plus und minus erkennst du bei fast allesn Elkos durch den Aufdruck, idr. ist die negative Seite entsprechend beschriftet. Gruß deathfun
deathfun schrieb: > Lukas B. schrieb: >> Wie dann? > > Naja genau anderes herum: +12V an die "+ Seite" des Kondensators und > beim anderen die -12V an die "- Seite". > > Plus und minus erkennst du bei fast allesn Elkos durch den Aufdruck, > idr. ist die negative Seite entsprechend beschriftet. > > Gruß > deathfun Und was soll der Elko zwischen GND und -12V bringen?
An dieser Stelle wuerde mich interessieren was genau de TO mit "GND" meint.
Mladen G. schrieb: > An dieser Stelle wuerde mich interessieren was genau de TO mit "GND" > meint. Na wahrscheinlich hat er irgendwo gelesen, dass die mit minus gekennzeichnete Seite des Elkos immer an GND muss. Das findet sich so formuliert bestimmt an vielen Stellen im Internet und ist natürlich quatsch. Kurze Erklärung für den OP: Die Minus Seite des des Elkos muss immer an die niedrigere Spannung. Ist -12V kleiner als GND (=0V) ? Ja, ist es. Also die minus Seite des Kondensator als an -12V und die plus Seite an GND.
Nach wie vor bin ich der Meinung, dass er nur einen Elko braucht und zwar zwischen +12V und -12V.
kif schrieb: > Nach wie vor bin ich der Meinung, dass er nur einen Elko braucht und > zwar zwischen +12V und -12V. dann kann sich aber der GND verschieben. Damit hat man dann +14V und -10V
Also mach ich einfach einen Elko zwischen +12V und 0V und den anderen lass ich weg?
Lukas B. schrieb: > Also mach ich einfach einen Elko zwischen +12V und 0V und den anderen > lass ich weg? Ne, du machst einen zwischen +12V und 0V und einen zwischen 0V und -12V.
Lukas B. schrieb: > Also mach ich einfach einen Elko zwischen +12V und 0V und den anderen > lass ich weg? nein, du machst 2 Stück rein und jeden schließt sie aber richtig rum an.
kif schrieb: > Und was soll der Elko zwischen GND und -12V bringen? Das ganze ist eine übliche Schaltung für symmetrische Betriebsspannung. Der GND kommt von der Mittelanzapfung des Trafos. Alles ganz koscher - wenn doch nur die Elkos richtig gepolt sind.
- ist +12 größer als 0 : ja also + an +12 - ist 0 größer als -12 : ja also + an 0
du nimmst zwei elkos: den ersten mit pluspol an +12v und minuspol an GND den zweiten mit pluspol an GND und minuspol an -12v das gibt dann symetrische 12 V (ich denk mal es kommt ein opamp oder dgl. da ran)
Ich würde es auch so machen wie Daniel. Daniel H. schrieb: > Plus von C2 muss an +12V, Minus an GND. > Plus von C1 muss an GND, Minus an -12V. Wenn du den einen Kondensator weglässt, hast du an der Minusspannung keine Stützfunktion mehr. Eine andere Möglichkeit wäre, nicht polarisierte Kondensatoren zu benützen(z.B. Keramikkondensator), damit du diese nicht falsch anschliessen kannst. Jedoch sind Keramikkondensatoren nur bis ca. 10uF erhältlich, bei höheren Werten musst du auf Elektrolyt-Kondensatoren wechseln und die sind polarisiert. Freundlich grüsst p_richner
irgndwie ist da noch ne diode falsch rum drinne oder hab ich nen knickt in der kennlinie?
So, wir haben jetzt fast alle Kombinationen durch, dann noch ein Wort zu dem Aufblähen. Wenn der 'bläht' ist schon alles vorbei, da platzt nix. Alle Elkos haben Sollbruchstellen damit der Druck entweichen kann. Das Elektrolyt ist auch eher ein schlecht riechendes Ärgernis. Das wischt man weg, tauscht den Elko, wäscht die Hände und gut ist. Kein Draussen, kein Vollschutz, keine Dekontamination, auch die Ausgangssperre in Deinem Landkreis kann aufgehoben werden. Um es einfacher zu machen gilt in Deinem Fall: Sofern eine Diode an den Elko geht, geht die Kathode, das ist die Seite mit dem Strich, an den Plusspol des Elkos. Geht die Diode mit ihrer Annode an einen Elko, so muss das der Minus des Elkos sein. Kopf hoch, so haben wir alle mal angefangen, selbst die größten Künstler und Halbleiterversteher.
Philipp Richner schrieb: > Ich würde es auch so machen wie Daniel. Ich hab ja eigentlich gar nichts gemacht, ich hab lediglich gesagt wie er seine bereits vorhandenen Elkos drehen muss damit sie ihm nicht platzen ;)
chris schrieb: > irgndwie ist da noch ne diode falsch rum drinne oder hab ich nen knickt > in der kennlinie? Klarer Knick-Fall. Das passt schon so, wenn denn beide Elkos gedreht werden
Um Himmels willen! Wende die Katastrophe ab, so lange es noch geht: Nimm bipolare Elkos!
chris schrieb: > irgndwie ist da noch ne diode falsch rum drinne oder hab ich nen knickt > in der kennlinie? Ein? Alle vier sind falschrum drin. Dafür stimmt die Polung der Kondensatoren ;-)
So viele Lösungen von Experten, hier mal die von meiner Liebsten zum Thema Blähungen (ich schließe mich ihr an): Mit Lefax ist es kein Problem, macht kleine Bläschen zu einer großen, kann besser abgepupst werden. Als Alternative ist auch Fencheltee möglich.
..und das sind die Programmierer der Zukunft. ;-) Keine Ahnung von Hardware. gebückt davonlaufend und nie etwas gesagt-habend
...leider ist 'gebückt' auch nicht ganz normal… …eine Elektronenfolterkammer ist , was hier läuft !
Arsenico schrieb: > …eine Elektronenfolterkammer ist , was hier läuft ! Nö, ist doch üblich hier. Je trivialer das Thema um so breiter der Kreis derer die auch endlich mal was dazu sagen können. Wenn man als Anfänger, der wir alle mal waren, so durch den Kakao gezogen wurde hat man die Lektion gelernt. Fragen werden hier nur Anonym gestellt sofern die Komplexität der Frage nicht schon die Genialität des Fragenden unterstreicht. > Ich werds dann mal andersrum machen, also so. Sehr gut. Nicht von den Witzbolden entmutigen lassen. Die tun nichts, die wollen nur spielen.
Ich will ja nicht sagen, aber du weist hoffentlich schon etwas von Elektronik oder?
Sven schrieb: > Ich will ja nicht sagen, aber du weist hoffentlich schon etwas von > Elektronik oder? Er weiß zumindest schon mal, das Kondensatoren unter Blähungen leiden und stinken können. Dass es mit seiner Masse zwischen den Kondensatoren so nicht klappen kann, wird er auch noch lernen. Achso, jetzt sehe ich gerade, Wolfgang will die Masse zwischen den Kondensatoren mit der Mittelanzapfung verbinden. Das sollte wohl gehen, allerdings ist die Symmetrie stark von der Belastung abhängig.
Bitte melde dich an um einen Beitrag zu schreiben. Anmeldung ist kostenlos und dauert nur eine Minute.
Bestehender Account
Schon ein Account bei Google/GoogleMail? Keine Anmeldung erforderlich!
Mit Google-Account einloggen
Mit Google-Account einloggen
Noch kein Account? Hier anmelden.

