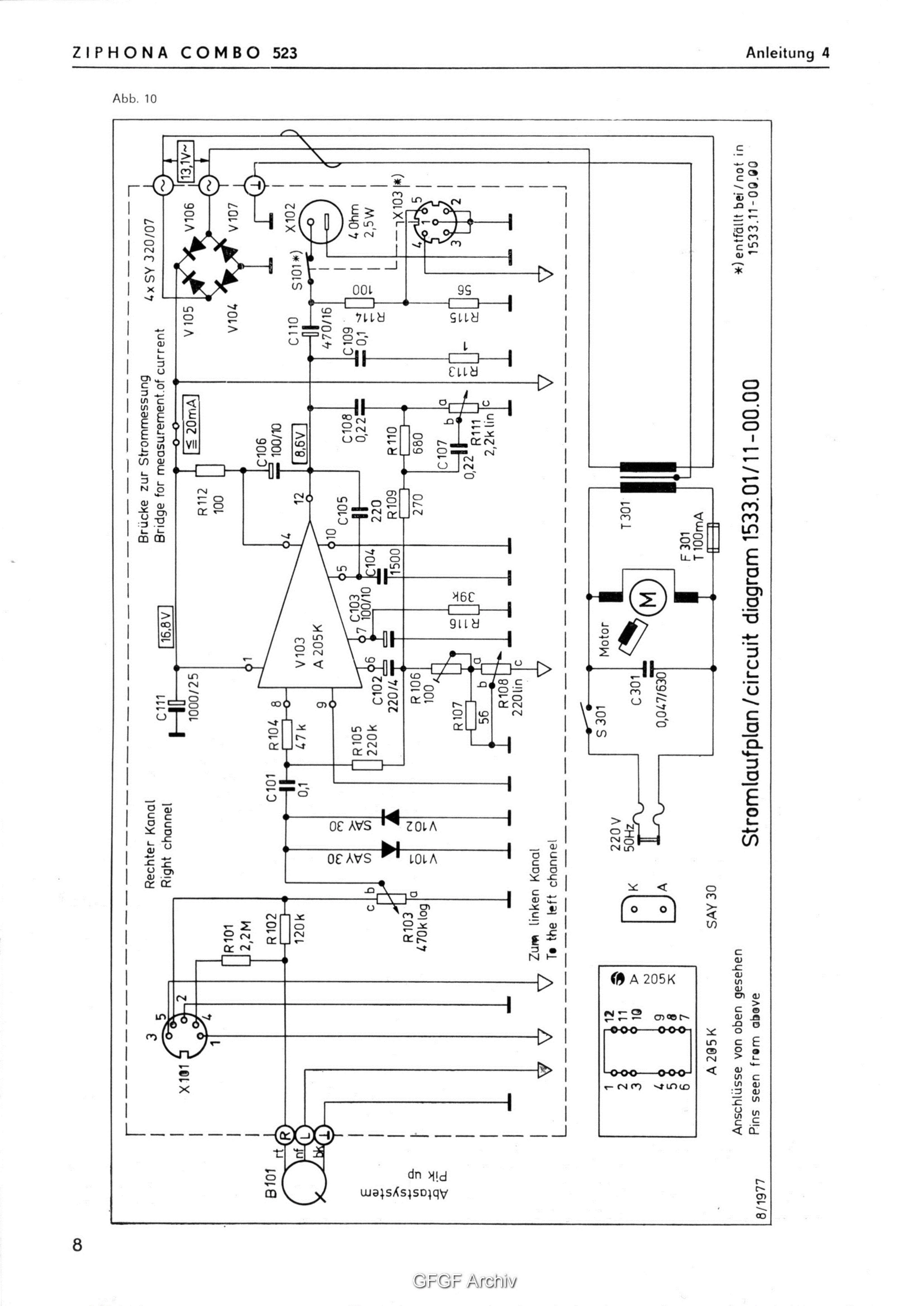
Die Angaben sind ohne Maßeinheiten. Schwierigkeiten bereiten Kondensatoren. Bei Vergleich Schaltplan - Bestückung der Platine war zumindest für C 101 (Wert im Plan 0,1)- Bezeichnung auf Polystyrol-Kondensator 100n, also 0,1 µF, eine Logik zu erkennen. Jedoch ist diese bei den anderen Kondensatoren nicht der Fall. Da das Gerät bereits durch mehrere (Bastler-)Hände gegangen sein muß (erkennbar an ausgetauschten Elkos neuerer Bauart), kann es natürlich sein, daß andere Werte verwandt wurden, als laut Schaltplan vorgegeben. So fehlen außerdem die Dioden V101,V102,V201,V202 gänzlich. Gäbe es denn für die vorgenannten Dioden äquivalente, noch in Produktion befindliche Typen?
Die SAY30 war eine 25V, 30mA Siliziumdiode, für die du z.B. die 1N4148 einbauen könntest. Nötig ist das allerdings nicht, das sind Dioden zur Spannungsbegrenzung in diesem Plattenspieler. Der kann auch gut ohne diese leben. Peter Kanzler schrieb: > V201,V202 Die sehe ich im Plan gar nicht. C104 und C105 z.B. sind in pF angegeben, alle gepolten C und die mit Komma sind in µF. Ein Wert von z.B. 100/4 bedeutet 100µF 4 Volt.
Diese Dioden sind zur Begrenzung des Signals da. Du kannst sie durch 1N4148 ersetzen. Unbedingt notwendig sind sie für die Funktion nicht. Die Werte der Kondensatoren erscheinen mir gut erkennbar. Um welche handelt es sich, die Du nicht deuten kannst? Was ist denn der Fehler, den Du beheben willst? MfG Paul
Kondensatoren mit 0,xx-Angabe: hier sind µF gemeint, 0,22 also 220 nF, andere Werte in pF, 1500 sind alsao 1,5 nF. Für die SAY 30 kannst du 1N4148 nehmen.
Vielen Dank für die rasche Hilfe zu meinen Fragen. Der Schaltplan zeigt nur einen Kanal (100er-Teile), Teile für den anderen Kanal sind 200er. C 104(204) lt. Plan 1,5 nF ist eingebaut mit Aufschrift 3300 K (3,3 nF?) C 105(205) lt. Plan 0,22 nF ist eingebaut mit Aufschrift 680 K (0,68 nF?) Das Gerät gibt nur ein leises Brummen aus den Lautsprechern von sich (bei voll eingestellter Lautstärke. Bei Veränderung von Balance und Höhen/Tiefen verändert sich das Brummen entsprechend. Der Tonabnehmer liefert Signale zur Platine. Bei C 205 konnte ich (nach dem Ausbau) Kurzschluß feststellen. Bei C 105 bekomme ich keine verwertbare Anzeige (Werte schwanken breit). Da ich nun zumindest weiß, welche Werte ursprünglich für die vakanten Kondensatoren vorgesehen sind, würde ich zunächst diese ersetzen. Ich hoffe, die beiden IC (mit Kühlkörper) sind noch heil... Oder sollte ich gleich nach Ersatz dafür suchen?
>Ich hoffe, die beiden IC (mit Kühlkörper) sind noch heil... >Oder sollte ich gleich nach Ersatz dafür suchen? Ach was -speise doch erst mal ein Signal ein -und zwar direkt am Lautstärkepotentiometer. Höre, was dann hinten herauskommt. Deine Beschreibung oben liest sich aber so, als ob der (die) Verstärker noch funktionieren, aber das Signal vom Tonabnehmer doch nicht so toll ist. MfG Paul
Peter Kanzler schrieb: > C 104(204) lt. Plan 1,5 nF ist eingebaut mit Aufschrift 3300 K (3,3 > nF?) Ja. > C 105(205) lt. Plan 0,22 nF ist eingebaut mit Aufschrift 680 K (0,68 > nF?) Ja. Das K steht daberi für 10% Toleranz. C104/105 sind die Frequenzkompensation des A205/210, Werte sind nicht besonders kritisch. Zu große Werte senken die obere Grenzfrequenz etwas, was im Plattenspieler egal sein dürfte. 3.3nF und 680pF stehen hier sogar als Nennwerte in einem Schaltplan. > Das Gerät gibt nur ein leises Brummen aus den Lautsprechern von sich > (bei voll eingestellter Lautstärke. Auf beiden Kanälen? Betriebsspannung geprüft? Ruhespannung am Verstärkerausgang geprüft? Nach so langer Zeit können Elkos taub sein und Potis Wackelkontakte haben. > Bei Veränderung von Balance und > Höhen/Tiefen verändert sich das Brummen entsprechend. > > Der Tonabnehmer liefert Signale zur Platine. > > Bei C 205 konnte ich (nach dem Ausbau) Kurzschluß feststellen. > Bei C 105 bekomme ich keine verwertbare Anzeige (Werte schwanken breit). Kurzschluß ist schon mal schlecht. Aber auch relativ unwahrscheinlich. Was ist das für ein Kondensator? Vermutlich Polyester (Wickel, Typ KS oder KT)? > Da ich nun zumindest weiß, welche Werte ursprünglich für die vakanten > Kondensatoren vorgesehen sind, würde ich zunächst diese ersetzen. Im Zweifelsfall ersetzen mit etwas aus der Bastelkiste. Genauer Wert ist wie gesagt unkritisch. Von 50% bis 500% des Nennwerts ist alles erstmal ok. Spannung über C102 (der an Pin 6 liegt und nicht wie gezeichnet Pin 5) und C103 (an Pin 7) prüfen. Sollte jeweils ca. halbe Betriebsspannung sein. Falls diese Elkos lecken (Spannung zu gering) ersetzen. C101 (100nF, sicher ein stehender Wickel?) könnte hochohmig sein. Besonders die Wickel mit beiden Anschlüssen auf einer Seite neigten zu Kontaktproblemen. "Brummprobe" machen. Lautstärkepoti ca. auf Mitte, Finger an den Eingang (einmal vor, einmal nach dem Koppelkondensator). Man sollte einen deutlichen 50Hz Brumm im Lautsprecher hören. > Ich hoffe, die beiden IC (mit Kühlkörper) sind noch heil... > Oder sollte ich gleich nach Ersatz dafür suchen? Pollin vertickt Platinen mit A210K drauf. Die sind direkt kompatibel zum A205. XL
Nachdem ich die (auf der Platine vorgefundenen) Kondensatoren C 105/C205 neu beschafft und eingebaut hatte, ging ich so vor, wie Ihr mir geraten habt: Am Ende hat sich die Vermutung von Paul bestätigt, das Signal vom Tonabnehmer war zu schlecht. Nachdem die Kontakte am Tonarm gesäubert und gerichtet waren, spielt das Gerät wieder in Zimmerlautstärke, wobei ein Kanal etwas schwächer ist. Recht vielen Dank für Eure Hilfe! Mit freundlichen Grüßen Peter
Du kannst mit dem R106 Trimmpoti die Verstärkung noch einjustieren. Dann sollte es dir gelingen, beide Kanäle ungefähr gleich laut zu bekommen.
Bürovorsteher schrieb: > andere Werte in pF, 1500 sind alsao 1,5 nF. Das ist keinesfalls durchgängig so! 1000/25 und 220/4 sind in jedem Fall in µ angegeben. Ich konnte nur C104 und C105 finden, die vermutlich abweichend in pF angegeben sind.
Bitte melde dich an um einen Beitrag zu schreiben. Anmeldung ist kostenlos und dauert nur eine Minute.
Bestehender Account
Schon ein Account bei Google/GoogleMail? Keine Anmeldung erforderlich!
Mit Google-Account einloggen
Mit Google-Account einloggen
Noch kein Account? Hier anmelden.
