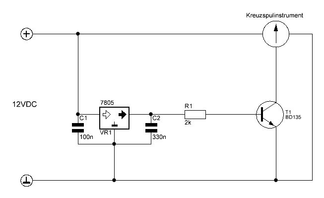
Der Vorteil eines Kreuzspulinstruments ist, daß es trotz schwankender Betriebsspannung stabil anzeigt. In der Schaltung mit Poti (siehe Anhang) funktioniert das auch ganz gut. In einem weiteren Versuchsaufbau habe ich den Poti durch einen Transistor ersetzt und mußte dann feststellen, daß sich die Nadel bei Schwankungen (+/- 2V) der 12V-Quelle deutlich mitbewegt, obwohl dies doch eigentlich durch die Ansteuerung des Transitors über den 7805 nicht sein sollte. Was mach ich falsch bzw. was kann ich dagegen tun?
Die Antwort hast Du Dir eigentlich schon selber gegeben. Mit dem Transistor gibst Du einen stabilisierten Strom auf die eine Spule, die andere Spule bekommt die schwankende Versorgungsspannung ab. Das Kreuzspulinstrument zeigt genau das was Du ihm vorgibst :-) Gruß, Micha
Eigentlich logisch, jetzt wo Du es sagst... Da ich die Versorgungspannung des Instruments nicht stabilisieren will, werde ich wohl eine Korrektur in die Ansteuerung des Transistors einfließen lasssen müssen. Der Festpannungsregler ist ja hier eh nur stellvertretend für ein Signal, daß später mal aus einem Picaxe kommen soll... Danke vorerst! :-)
Achim K. schrieb: > Da ich die Versorgungspannung des Instruments nicht stabilisieren will, > werde ich wohl eine Korrektur in die Ansteuerung des Transistors > einfließen lasssen müssen. Das ist an der Stelle falsch. Der Punkt bei einem Kreuzspulinstrument ist ja, dass die Betriebsspannung NICHT stabilisiert werden muss. Also entweder die Spannung (also damit die Stroeme durch das Instrument - darauf kommt es an) fuer beide Zweige stabilisieren oder fuer beide Zweige mit DERSELBEN unstabilisierten Spannung versorgen. wendelsberg
Klar, darf man :-) Es geht sich um die Tankanzeige eines Bootes, bestehend aus einem Kreuzspulinstrument sowie einer digitalen Anzeige an anderer Stelle im Boot, die vom selben Geber ihr Signal bekommen sollen. Dabei gibt es drei Probleme: 1) Das Signal des einen Gebers muß zeitgleich auf zwei Instrumente verteilt werden. 2) Momentan gibt es keine Dämpfung, d.h. die Nadel des mech. Instruments pendelt extrem hin und her. Das digitale Instrument kommt mit dem Signal überhaupt nicht klar. Es muß also eine Dämpfung her. 3) Der Tank ist asymetrisch aufgebaut, die untere Hälfte läuft stark konisch zusammen. Da der Geber die Füllhöhe jedoch linear mißt, wird die Anzeige in der unteren Hälfte extrem ungenau. In der Summe ist die Anzeige zur Zeit unbrauchbar. Meine Idee ist nun, das Signal des Gebers in einen Picaxe einzulesen und ein korrigiertes Ausgangssignal auf die Anzeigen zu schalten.
Achim K. schrieb: > Es geht sich um die Tankanzeige eines Bootes, > 2) Momentan gibt es keine Dämpfung, Wie bei meinem KFZ. Zwar ist das Zeigerinstrument gedämpft, aber durch Schwappen im Tank schwankt die Anzeige um bis zu ein Viertel. Dazu kommt daß in Steigungen und Linkskurven mehr angezeigt wird als bei den Gegenparts. > 3) Der Tank ist asymetrisch aufgebaut, So auch bei mir. Per Mikrocontroller, Softwaredämpfung und abschnittsweiser Linearisierung bekam ich das so genau, daß ich den Tank bis auf die letzten km leerfahren kann, ohne befürchten zu müssen vorzeitig stehen zu bleiben. Das brauchte nur 3-4 Iterationen mit Auslitern und SW anpassen. Allerdings zeige ich den Tankinhalt auf LCD, das originale Instrument habe ich nicht angefasst und dient nur noch als Plausibilitätskontrolle. Die Ausgabe aufs Zeigerinstrument finde ich eine gute Idee, muss mir mal überlegen ob ich das bei mir auch noch einbauen will. 8bit-PWM halte ich für vollkommen ausreichend (bzgl. Deiner Frage im µC-Teil), so genau lässt sich so ein Instrument eh nicht ablesen. Schreib doch mal gelegentlich, wie Du vorankommst, das interessiert mich. Gutes Gelingen, Micha
Auch wenn es nicht unbedingt nötig ist, wäre es günstig wenn der µC beide Spulen ansteuert. Damit sollte auch ein geringerer Stromverbrauch möglich sein - weil nie beide Spulen gleichzeitig volle Leistung brauchen. Bei der Ansteuerung sollte unbedingt noch eine Freilaufdiode mit rein.
Rein theoretisch müsste es ja klappen, wenn man die eine Spannung des Gebers an den DA-Wandler anschließt und aus der andren die Referenzspannung des Wandlers herleitet. Dann hat man wieder einen ratoiometrisch gewonnenen Wert.
Eigentlich müsste es ja klappen, wenn man die eine Spannung des Gebers an den DA-Wandler anschließt und aus der andren die Referenzspannung des Wandlers herleitet. Dann hat man wieder einen ratoiometrisch gewonnenen Wert. Aus dem kann dann eine digitale Anzeige versorgt werden, als Prozent- oder als Balkenanzeige.
Achim K. schrieb: > Der Vorteil eines Kreuzspulinstruments ist, daß es trotz schwankender > Betriebsspannung stabil anzeigt. Da Du diesen "Kreuzspuleffekt" ja nicht benötigst, wird es das einfachste sein, beide Spulen parallel zu schalten. Gruss Harald
Harald Wilhelms schrieb: > Da Du diesen "Kreuzspuleffekt" ja nicht benötigst, wird es das > einfachste sein, beide Spulen parallel zu schalten. Meinst du das funktioniert? Soviel ich weiss misst das Messwerk den Quotienten der beiden Stroeme
Helmut Lenzen schrieb: >> beide Spulen parallel zu schalten. > Meinst du das funktioniert? Soviel ich weiss misst das Messwerk den > Quotienten der beiden Stroeme Ich bin mir da auch nicht ganz sicher. Versuch macht kluch. Alternativ kommt eine Spule an die 5V und die Versorgung für den AD-Wandler auch. Gruss Harald
Helmut Lenzen schrieb: > Harald Wilhelms schrieb: >> Da Du diesen "Kreuzspuleffekt" ja nicht benötigst, wird es das >> einfachste sein, beide Spulen parallel zu schalten. > > Meinst du das funktioniert? Natürlich nicht. Nicht umsonst heißt so ein Instrument auch Quotientendrehspulmesswerk. Gruß, Micha
http://www.onsemi.com/PowerSolutions/product.do?id=CS4122 Die funktionieren ganz gut. Habe ich noch paar Stk. von, wenn du die mal probieren willst.
Ich verfolge zum dem Thema 2 Überlegungen. 1) Da letztendlich ein µC die Steuerung übernehmen soll, besteht die Möglichkeit den Fehler softwareseitig zu kompensieren, was ich mir aber zugegebenermaßen als recht knifflig vorstelle. 2) Das Instrument funktioniert auch gut mit 9V und sogar auch mit nur noch 8V, wobei die Nadel lediglich etwas träger, kraftloser reagiert. Es wäre also noch Platz, mit aus dem 12V-Bordnetz stabilisierten 9V zu arbeiten. Danke trotzdem für Dein Angebot :-)
Wirklich stabilisiert werden muss die Spannung nicht. Es sollten sich nur die beiden Ströme gleich verhalten. Da hilft es wenn beide Ströme über den µC per PWM gesteuert werden - das macht es auch einfacher beide Grenzwerte zu erreichen - wenn eine Spule fest einen Strom bekommt wird es halt schwer den anderen wesentlich größer zu bekommen. Falls es am 2. Ausgang scheitern sollte, könnte man die Spulen auch erst einmal in Reihe Schaltung und dann den Mittelabgriff zwischen den beiden Enden hin und her schalten.
Bitte melde dich an um einen Beitrag zu schreiben. Anmeldung ist kostenlos und dauert nur eine Minute.
Bestehender Account
Schon ein Account bei Google/GoogleMail? Keine Anmeldung erforderlich!
Mit Google-Account einloggen
Mit Google-Account einloggen
Noch kein Account? Hier anmelden.

