Hallo zusammen, ich steh gerade komplett auf der Leitung. Wie im Anhang zu sehen, habe ich die Hardware rechts von den Anschlussklemmen gegeben. Diese will ich weiterhin verwenden (bzw. kann sie nicht ändern). Nun meine Frage: Wenn ich den DAC benutze um mein Signal auszugeben, nachgeschaltet ein Impedanzwandler als Treiber, ist es dann möglich dass der ADC rein die Spannung vom DAC misst? Oder bekomme ich da über Querströme oder ähnlichem irgendwelche komischen Effekte? Schöns Grüßle, Wostl
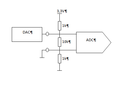
Was ist mit der Widerstandskette? Ist das ein frei stehender unabhängiger Spannungsteiler? Denn da sind ja keine Verbindungspunkte nirgendwo.
Ist wohl am einfachsten zu beantworten, wenn du den DAC als ideale Spannungsquelle und Widerstand modellierst.
Wilhelm F. schrieb: > Was ist mit der Widerstandskette? Ist das ein frei stehender > unabhängiger Spannungsteiler? Denn da sind ja keine Verbindungspunkte > nirgendwo. Alle Kreuzungen sollen Verbindungen sein... Aber korrekterweise müssten Verbindungspunkte eingezeichnet sein, da muss ich dir recht geben...
Das sieht nicht gut aus. Was fuer eine 3.3 V Spannungsquelle ist das? Der DAC gibt auch wine Spannung aus --> nicht gut.
Eingangswiderstand des ADCs, Ausgangsimpedanz des OPs bzw. DACs (Alles aus Datenblatt) und dann das Widerstandsnetzwerk zeichnen und Spannungabfälle einzeichen sollte ja nicht so schwierig sein. Dann kannst du noch die Samplefrequenz und die Sample und Hold Kapazität betrachten usw.
Mich beschäftigt warum dort Zwei Masssen vorhanden sind bzw. der untere Widerstand keine Funktion hat. Wenn das ein Differentielle ADC ist hat der untere Anschluß nun Masse Potential, dies war in der Vorherigen verdrahtung mit dem Widerstandsnetzwerk nicht der Fall. Schaltung her sonst kann dir keiner helfen ... du scheinst sowas nicht alzu oft zu machen.
Schaltung habe ich leider keine, nur die Information, dass das Gerät intern so aufgebaut ist... Und ja, bisher habe ich sowas noch nicht allzu oft gemacht, aber irgendwann muss man ja mal anfangen... Die Beschaltung links von den Klemmen, also der Masseanschluss und der Anschluss des DACs, sind meine erste Idee gewesen. Natürlich kann das auch kompletter Quatsch sein... Die Daten des "linken" Gerätes sollen halt über den alten analogen Eingang des "rechten" Gerätes transportiert werden, deswegen wollte ich das so in etwa lösen...
Ich sehe das Problem nicht? Du schliesst ein neues Gerät mit eigener Stromversorgung an die beiden Klemmen an. Brauchst da nur die 10kOhm berücksichtigen. Habe ich etwas übersehen?
Habe Spice gefragt. Behauptet auch, die 3,3 Volt haben keinen Einfluss. Man braucht nur die 10k berücksichtigen.
Kein Name schrieb: > Habe Spice gefragt. Behauptet auch, die 3,3 Volt haben keinen Einfluss. > Man braucht nur die 10k berücksichtigen. Das mit der Spice Simulation probiere ich doch glatt mal aus.. Warum bin ich da auch nicht selbst draufgekommen?...? Kannst du mir noch einen gefallen tun und simulieren, wenn beide Spannungsversorgungen gleich sind? Danke!!
Verdammt. Innenwiderstand der beiden Spannungsquellen muss man simulieren! V1 und V3 sind gleich. Steigen von 0 ... 3,3 Volt. Bei 0 Volt fliessen durch V1 1,6mA (Rote Linie). Bei V3 0mA (Türkise Linie). Wegen den (angenommenen) 100 Ohm Innenwiderstand des DAC kann er die Eingansspannung des ADC nich auf 0Volt ziehen (Blaue Linie).
Das sollte in etwa die Konfiguration meiner Schaltung sein: Laut LTSpice würde der ADC nach einer Einschwingzeit genau die anliegende Spannung messen...
Keine eigene Spannungsversorgung? Die Verbindung der beiden Massen überbrückt R3. Hast du überprüft, ob der ADC ohne R3 funktioniert?
Da hab ich mich leider zu früh gefreut.. Funktioniert doch nicht... Hat von euch wer noch eine Idee, wie ich die Daten in gegebenen System mit Hilfe eines DACs übertragen kann? Vielleicht mit einer spannungsgesteuerten Stromquelle und einem Widerstand?
Wenn man mit der Masse aufpasst, funktioniert es mit einem idealen OpAmp. Jetzt noch einen finden, der mit 3,3 Volt arbeitet. Wenn du sowieso 2 Netzgeräte brauchst, die Masse gar nicht verbinden, nur die beiden Klemmen anschliessen.
Und noch 2 Schaltungen mit eigenem Netzteil. Einmal mit Rail-To-Rail OpAmp. Dann mit virtueller Masse. Funktioniert es so?
Bitte melde dich an um einen Beitrag zu schreiben. Anmeldung ist kostenlos und dauert nur eine Minute.
Bestehender Account
Schon ein Account bei Google/GoogleMail? Keine Anmeldung erforderlich!
Mit Google-Account einloggen
Mit Google-Account einloggen
Noch kein Account? Hier anmelden.






