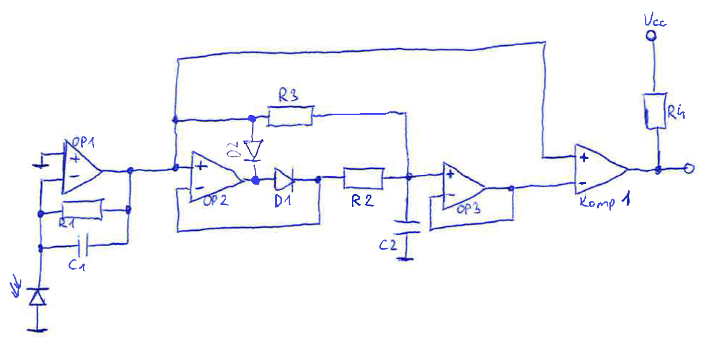
Hallo zusammen, ich bin neu hier im Forum, habe aber schon viele hilfreiche Sachen aus verschiedenen Themen hier rauslesen können, nun habe ich aber selbst mal eine Frage und hoffe das mir geholfen werden kann. Ich möchte mit Hilfe einer Photodiode den genauen Mittelpunkt eines Lasers bestimmen. Dazu habe ich mir schon durch verschiedenste Beiträge eine Schaltung zusammengebaut. Diese besteht aus einem Transimpedanzverstärker der den Photodiodenstrom verstärkt und in Spannung umwandelt, einem dahinter geschalteten Spitzenwertdetektor und zum Schluss einem Komperator der die Signale vergleicht. Die Schaltung, die auch oben angefügt ist, funktioniert nach viel Tüfftelei auch ganz gut, nur sind allein Bauteile verbaut die ich in meinem Vorrat hatte. Für die Widerstände habe ich 100k verwendet. Die OPV's sind LP324N, der Komperator ein LM2901M, die Dioden 1N4007, C1=2,2uF, C2=10pF. Das Ziel ist es den Laserstrahl so schnell wie möglich über die Photodiode zu bewegen und trotzdem ein sehr exaktes, d.h. schnelles Ausgangssignal zu bekommen. Ich habe mal überschlagen das das Ausgangssignal dem Eingangssignal mit max. 0,4ms Verzögerung folgen soll. Aber je schneller desto besser. Zuerst hatte ich C1 weggelassen, jedoch schwingt die Diode recht stark. Dann habe ich mich so langsam an die 2,2uF herangetastet und bin mit dem Ergebniss recht zufrieden. Nur weiß ich nun nicht ob ich meine Schaltung damit verlangsamt habe. Allgemein stellt sich bei mir die Frage welche anderen (besseren) Bauteile kann ich einsetzen um mein Ziel zu erreichen, bzw. was passiert wenn ich die z.B. R2 ändere (oder R3 oder C2...) Vielleicht kann mir jemand erklären welche Wirkung die einzelnen Widerstände und Kondensatoren haben und wie ich diese optimieren kann. Auch wäre ich über Vorschläge über andere OPV'S, Komperatoren oder Photodioden dankbar. Viele Grüße Dominik
Es scheint gerade in Mode zu sein, schnelle Spitzenwertdetektoren zu suchen Beitrag "Schneller Peak-Detector (Spitzenwertspeicher)" Nein, der billigste der billigen OpAmps tut es nicht.
@ Dominik (Gast) >Transimpedanzverstärker der den Photodiodenstrom verstärkt und in >Spannung umwandelt, einem dahinter geschalteten Spitzenwertdetektor und >zum Schluss einem Komperator der die Signale vergleicht. Prinzipiell OK. >Für die Widerstände habe ich 100k verwendet. Die OPV's sind LP324N, der Also die langsamste Gurke, seit erfindung der Dampfmaschine ;-) >>Komperator ein LM2901M, die Dioden 1N4007, C1=2,2uF, C2=10pF. 1N4007 ist eine 50 Hz Diode! Die LANGSAM! Nimm 1N4148. >Das Ziel ist es den Laserstrahl so schnell wie möglich über die >Photodiode zu bewegen und trotzdem ein sehr exaktes, d.h. schnelles >Ausgangssignal zu bekommen. Ich habe mal überschlagen das das >Ausgangssignal dem Eingangssignal mit max. 0,4ms Verzögerung folgen Eine Ewigkeit. >soll. Aber je schneller desto besser. Wie schnell? 1us? 1ns? >Zuerst hatte ich C1 weggelassen, jedoch schwingt die Diode recht stark. Logisch, siehe http://www.mikrocontroller.net/articles/Lichtsensor_/_Helligkeitssensor#Photodiode >Dann habe ich mich so langsam an die 2,2uF herangetastet und bin mit dem >Ergebniss recht zufrieden. Nur weiß ich nun nicht ob ich meine Schaltung >damit verlangsamt habe. Und wie! 2,2uF ist VIEL ZU VIEL!!! Dort sind im Normalfall ein paar Dutzend bis hundert PICOfarad dran! >Vielleicht kann mir jemand erklären welche Wirkung die einzelnen >Widerstände und Kondensatoren haben und wie ich diese optimieren kann. >Auch wäre ich über Vorschläge über andere OPV'S, Komperatoren oder >Photodioden dankbar. Kommt auf dein Ziel an. Welche bandbreite (Geschwindigkeit) soll erreicht werden? Wie lange läuft der Laserstrahl über die Photodiode? Wenn der Puls meinetwegen 100us lang ist, kommt man mit dem OPV und dem Komparator hin, allerdings muss man die anderen Komponenten anpassen.
Noch ein Tip. Bauteilwerte gehören in den Schaltplan, sonst wird man wahnsinning. Schaltplan richtig zeichnen
@Falk erstmal vielen Dank für deine Antwort. Ich wollte das erstmal auf einem Steckbrett austesten ob ich die Funktion an sich hinbekomme. Deswegen habe ich erstmal Bauteile aus einem zugegebenermaßen alten Fundus benutzt. Aber ich werde mir jetzt mal aufgrund deiner Vorschläge die Bauteile beschaffen. Die Schnelligkeit ist so eine Sache ich möchte wie gesagt mit dem Laserstrahl über die Fotodiode fahren und möglichst exakt den Mittelpunkt finden. Später soll das ganze mal per Roboter funktionieren und mit diesem sind hohe Geschwindigkeiten möglich. Wichtig ist mir, dass ich bei erreichen der höchsten Intensität einen Impuls an die Robotersteuerung weiterliefere und damit meinen Nullpunkt des Lasers bestimmt habe. D.h. je schneller der Roboter verfährt desto weiter bin ich vom idealen Nullpunkt entfernt (bei gleichbleibender Schaltgeschwindigkeit). Ich wäre aber schon mit einer Impulsdauer von 20us zufrieden. Beim Kondensator in der Rückkopplung vom TIA habe ich den erwähnten Artikel auch schon gelesen und die Rechnungen angewendet. Den Wert für den Kondensator habe ich auch ausgetestet. Jedoch hat das überhaupt keine Änderung in der Schwingung gebracht. Dann habe ich so langsam die Kapazitäten erhöht bis ich bei 2,2uF war. Da wurde das ganze dann bedämpft. Mit dem Schaltplan tut mir leid, das ist natürlich klar das das unübersichtlich ist. Seht es mir nach, ich werde mich bessern. @Krangel was bewirkt die umgesetzte Diode, bzw. was ist an der ursprünglichen falsch? Gruß
Hi, die Diode verhindert ein Übersteuern des OP2 bei negativen Eingangssignalen. Rückkopplung zum Pluseingang wäre eine Mitkopplung, die ist hier allerdings wirkungslos da sie auf den Ausgang des OP1 führt. Eventuell kommt da auch deine Schwingung her. Grüße
@Krangel hab das jetzt mal so aufgebaut wie du, jedoch keine Änderung im Schaltverhalten sowie im Schwingungsverhalten.
@ Dominik (Gast) >Robotersteuerung weiterliefere und damit meinen Nullpunkt des Lasers >bestimmt habe. D.h. je schneller der Roboter verfährt desto weiter bin >ich vom idealen Nullpunkt entfernt (bei gleichbleibender >Schaltgeschwindigkeit). >Ich wäre aber schon mit einer Impulsdauer von 20us zufrieden. Klingt machbar. Der Komparator ist schnell genug, LM393 reicht, dort sind nur 2 drin. Der OPV könnte knapp werden, muss man mal rechnen und probieren. Man braucht ja kein Signal mit mehreren Volt, 100-200mV reichen für den Komparator. >Beim Kondensator in der Rückkopplung vom TIA habe ich den erwähnten >Artikel auch schon gelesen und die Rechnungen angewendet. Den Wert für >den Kondensator habe ich auch ausgetestet. Jedoch hat das überhaupt >keine Änderung in der Schwingung gebracht. Deine Schwingung hat andere Ursachen. Möglicherweise fehlen Entkoppelkondensatoren, möglicherweise kommen Störungen vom Netzteil. http://www.mikrocontroller.net/articles/Kondensator#Entkoppelkondensator
Ein anderes Problem das bei der Schaltung auftritt ist, dass die Photodiode schnell in Sättigung geht. Der Laser hat eine Ausgangsleistung von 120mW bei einer Wellenlänge von 635nm. Die Fotodiode eine Verlustleistung von 150mW, ihre maximale spektrale Empfindlichkeit ist bei 850nm. Bei 635nm hat sie nur noch ca. 65%. Kann man das so rechnen das sie bei 635nm nur noch 65% der Leistung verbraucht und dadurch mit diesem Laser in Sättigung geht. Oder bin ich da komplett auf dem Holzweg? Und wenn ja, wie kann man den mit den Daten aus dem Datenblatt vom Laser die passende Photodiode aussuchen, bzw. welche Parameter sind dafür interessant? Ich hoffe dazu kann mir auch noch mal jemand helfen. Dankeschön :)
Bitte melde dich an um einen Beitrag zu schreiben. Anmeldung ist kostenlos und dauert nur eine Minute.
Bestehender Account
Schon ein Account bei Google/GoogleMail? Keine Anmeldung erforderlich!
Mit Google-Account einloggen
Mit Google-Account einloggen
Noch kein Account? Hier anmelden.



