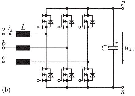
Hallo, Bitte nehmt mich nicht auseinander, ich bin noch jung und unerfahren. :-) Folgendes: Ich habe eine Simulation für einen dreiphasigen PFC-Gleichrichter erstellt. Die läuft auch soweit. Jetzt habe ich bei 4kHz Schaltfrequenz der IGBTS einen deutlichen Stromrippel, dieser macht soweit ich weiß gewaltige EMV-Probleme, weshalb man Filter vorschaltet. Bin über LC-Filter gestolpert. Ich habe mal die Gleichrichter-Topologie und den LC-Filter als Bilder angehangen. Wie dimensioniert man einen solchen Filter? Ich stelle mir das eigentlich wie einen Tiefpass vor, der die hochfrequenten "Oberschwingungen" filtern soll, aber wieso nimmt man dann eine Induktivität und einen Kondensator? Bildet das einen Tiefpass 2. Ordnung?
Nym schrieb: > Hallo, > > Bitte nehmt mich nicht auseinander, ich bin noch jung und unerfahren. > :-) > > Folgendes: Ich habe eine Simulation für einen dreiphasigen > PFC-Gleichrichter erstellt. Die läuft auch soweit. Jetzt habe ich bei > 4kHz Schaltfrequenz der IGBTS einen deutlichen Stromrippel, dieser macht > soweit ich weiß gewaltige EMV-Probleme, weshalb man Filter vorschaltet. > Bin über LC-Filter gestolpert. > > Ich habe mal die Gleichrichter-Topologie und den LC-Filter als Bilder > angehangen. > > Wie dimensioniert man einen solchen Filter? > Ich stelle mir das eigentlich wie einen Tiefpass vor, der die > hochfrequenten "Oberschwingungen" filtern soll, aber wieso nimmt man > dann eine Induktivität und einen Kondensator? Bildet das einen Tiefpass > 2. Ordnung? Allgemeine Antwort: Ein LC Filter bildet einen Tiefpass 2. Ordnung. Aufgrund der -40dB/Dekade kannst du also die Eckfrequenz höher Ansetzen und trotzdem die dominierenden Oberwellen unterdrücken. Durch die höhere Eckfrequenz kannst du die Größe der Spule und des Kondensators verkleinern. Mit einem einfachen LR oder RC Filter hast du nur -20dB/Dekade und musst die Eckfrequenz deutlich niedriger ansetzen. Ferner hast du mit einem LC Filter niedrigere Verluste.
Bitte melde dich an um einen Beitrag zu schreiben. Anmeldung ist kostenlos und dauert nur eine Minute.
Bestehender Account
Schon ein Account bei Google/GoogleMail? Keine Anmeldung erforderlich!
Mit Google-Account einloggen
Mit Google-Account einloggen
Noch kein Account? Hier anmelden.

