Auf (die überaschende) Nachfrage von Teilnehmern aus den WELEC Oszilloskop Threads mache ich hier mal einen Thread zum Thema Restaurierung von alten Röhrenradios auf. Ich dokumentiere in einzelnen Schritten meine Erfahrungen mit dem 9-Röhren Superhet Ela1012b von 1939, der auf U-Booten und U-Bootjägern im 2. Weltkrieg eingesetzt wurde. Eigene Erfahrungen mit anderen Empfängern sind ebenfalls willkommen. Gegenüber der Technik mit der wir uns sonst beschäftigen, die SMD-Bauteile in Stecknadelkopfgröße enthält, wirkt die alte Röhrentechnik geradezu grobschlächtig. Trotzdem übt diese Technik aus vergangenen Tagen eine gewisse Faszination aus. Wie das Gerät in seiner ursprünglichen Umgebeung aussieht kann man im Horchraum des U995 in Laboe bewundern. Das U-Boot ist vom Typ VII C/41. Sehr interessante Bilder und auch Panorama-Schwenks gibt es hier: http://www.photo-show.net/index.php?option=com_content&view=article&id=76&Itemid=79 http://peters-bilderhp.de.tl/U_995-_-ein-Technikmuseum-Teil-2.htm http://www.photo-show.net/images/stories/panoramen/Tour/U995/ Das Gerät wurde wie ich herausgefunden habe auch im Typ IX (U 505 -> Chicago, siehe Wikipedia) eingebaut. Mein Gerät befindet sich seit über 50 Jahren in Familienbesitz und fristete die letzten 30 Jahre ein trauriges Dasein in einer Kellerecke bei meiner Mutter. Als ihr das große schwere Teil im Wege herumstand und Gefahr lief im Sperrmüll zu enden habe ich mich seiner angenommen und es Stück für Stück restauriert. Leider befindet sich das Gerät nicht im Originalzustand. Es wurden einige "Verbesserungen" vorgenommen. So wurden Handgriffe angebaut, die Drehknöpfe ausgetauscht, der Überspannungsschutz im Antenneneingang (Glimmregler) entfernt und auch ein Saugkreis/Sperrkreis wegoptimiert. Das magische Auge wurde gegen eine modernere Version getauscht. Diese Änderungen wurden schon vor 50 Jahren vorgenommen, aber einige Teile haben sich dennoch wieder angefunden und werden wohl auch noch den Weg ins Gerät zurück finden. Auf den Bildern im Horchraum kann man sehen wie es im Originalzustand ausgesehen hat. Weitere Beiträge zur Restaurierung folgen. Schreibt gerne auch über Eure Erfahrungen. Gruß Hayo
Nach dem Intro noch einige Fakten und Daten. Das Gerät hat zwei KW-Bereiche einen MW-Bereich und einen LW-bereich. UKW war damals noch nicht aktuell. Es besitzt keinen eingebauten Lautsprecher. Der Lautsprecherausgang arbeitet mit der direkten Ausgangsspannung der EL12 Endstufenröhre (ca. 270V) und muß daher mit einem Übertrager betrieben werden, der die Spannung heruntertransformiert und eine Impedanzanpassung vornimmt. Bei mir tut es aber auch ein einfacher Trafo der 240V Primär- und 15V Sekundärspannung aufweist. Welche Funktion der Ela 1012a/b hatte, beschreibt dieser Auszug aus Blitz und Anker: Weniger bekannt ist der Telefunken Super-Ela1012a/b, ein 9-Röhren-7-Kreis-Vorstufen-Superhet mit 2KW/MW/LW, Bandbreitenregler, Sprach- Musikumschaltung und Leistungsverstärker EL-12. Er scheint aus der zivilen 800er-Reihe des Jahres 1939 abgeleitet zu sein und war Bestandteil der Lautsprecherkommandoanlage PF-1 der Kriegsmarine, die z.B. an Bord von U-Jägern, Vorpostenbooten und U-Booten installiert war. Ein Super-Ela1012/a kam auch in U995 bei Laboe nach Restaurierung des Funkraumes wieder zu Ehren. Zur PF-1 Anlage gehörte ein Verstärker (WA-22m von TE KA DE), ein Schaltgerät, ein Plattenspieler und mehrere Lautsprecher. Alle Geräte wurden im FT-Raum in einem Ela-Gestell zusammengefasst, das außerdem noch einen Spind für ca. 100 Schallplatten hatte. Der Betrieb dieser Anlage musste genau geregelt werden, damit es keine Überschneidungen der Kommandodurchsagen mit dem Musikbetrieb gab. Das Brückenmikrofon zum Besprechen des Kommandoverstärkers hatte deshalb Vorrang. Vom Steuerstand konnten über einen Wahlschalter im Mikrofon alle Stationen über und unter Deck angesprochen werden. Im Ela-Gestell im Funkraum war das Kommandogerät installiert, die zentrale Schalt- und Verteilerstelle. Hier liefen die Ein- und Ausgänge des Verstärkers auf , die Ausgänge des Rundfunkgerätes (Ela 1012), das zweite Mikrofon im FT-Raum, das Brückenmikrofon, usw.. Der Funker konnte über Kippschalter das Rundfunkprogramm zum Kommandanten, in die O-Messe, zu den PUO’s, Unteroffizieren und Mannschaften durchschalten, wobei mittels L- oder T-Regler die Darbietung vor Ort in der Lautstärke geregelt werden konnte. Doch selbst bei abgeregelter Lautstärke ermöglichte eine Schaltung, die Kommandos in voller Lautstärke zu übertragen. 1937/38 hatte die Marine immer noch Vorbehalte gegen die Überlagerungs- empfänger, obwohl 5-6 verschiedene Typen mit Abstimmungen über Regler im Betrieb an Bord ihre Qualitäten bereits nachgewiesen hatten. Aber die durch den Raummangel auf den Schiffen bedingte Nähe der Empfangs- zu den Sendeantennen führte zur Bildung von unerwünschten Mischprodukten in den Empfangsfrequenzen. Außerdem gab es die Befürchtung, dass die Oszillatorfrequenz ungewollt abgestrahlt und vom Gegner empfangen werden konnte sowie das Problem der Mehrdeutigkeit einer Empfangsfrequenz (Spiegelfrequenz) durch die damals verwendeten Zwischenfrequenzen. (Quelle Blitz und Anker) Was mich wirklich erstaunt hat, ist dass ich nach kurzer Recherche im Internet einen kompletten Schaltplan zu dem Gerät aufstöbern konnte. Auch zu den Röhren gibt es mengenweise Datenblätter. So gestaltete sich die Restaurierung weniger schwierig als ich dachte. Auf diversen Internetseiten gibt es gute Tips zum Umgang mit alten renovierungsbedürftigen Röhrenradios. Die ersten Schritte der Restaurierung folgen in Kürze Hayo
Ich habe mal einen Tfk T40 restauriert, der spielte wie neu. Man kommt sich dann vor wie Jesus, der Tote auferstehen lässt.
Also da musste ich erst mal Googeln... T40 - Das ist wirklich ein echtes Schätzchen. Ja Dein Jesus-Vergleich ist nicht schlecht, man empfindet schon eine tiefe Zufriedenheit bei der Arbeit an diesen Geräten. Für mich mich war auch der krasse Gegensatz zu meinen sonstigen Projekten faszinierend. Während ich in der Zeit davor mit dem Mikroskop SMD-Bauteile verlötet habe und sich die Spannungen an den Bauteilen zwischen 1,8 und 3,3V bewegten, kann ich die Bauteile im alten Röhrenradio im Halbdunklen noch aus 100m Entfernung erkennen ;-). Die Spannungen bewegen sich im Bereich von 100 - 300V und sind bei Messungen am offenen Herzen mit äußerster Vorsicht zu genießen. Wenn man die alten Bauteile genauer in Augenschein nimmt fühlt man sich in die alten Zeiten zurückversetzt und versucht sich vorzustellen, dass das damals Hightech war. Als nächstes Projekt wartet noch ein Nordmende Röhrenradio aus den 50iger Jahren bei mir im Keller auf ein neues Leben. Das war bei meinen Eltern im Wohnzimmer bis in die 80iger Jahre in Betrieb und funktioniert immer noch! Allerdings werden sicherlich einige Bauteile wie z.B. Kondensatoren schon am Limit sein. Das Gehäuse könnte auch eine Auffrischung vertragen, aber da werde ich mich nochmal schlau machen, wie man da am besten rangeht. Tips sind willkommen. Gruß Hayo
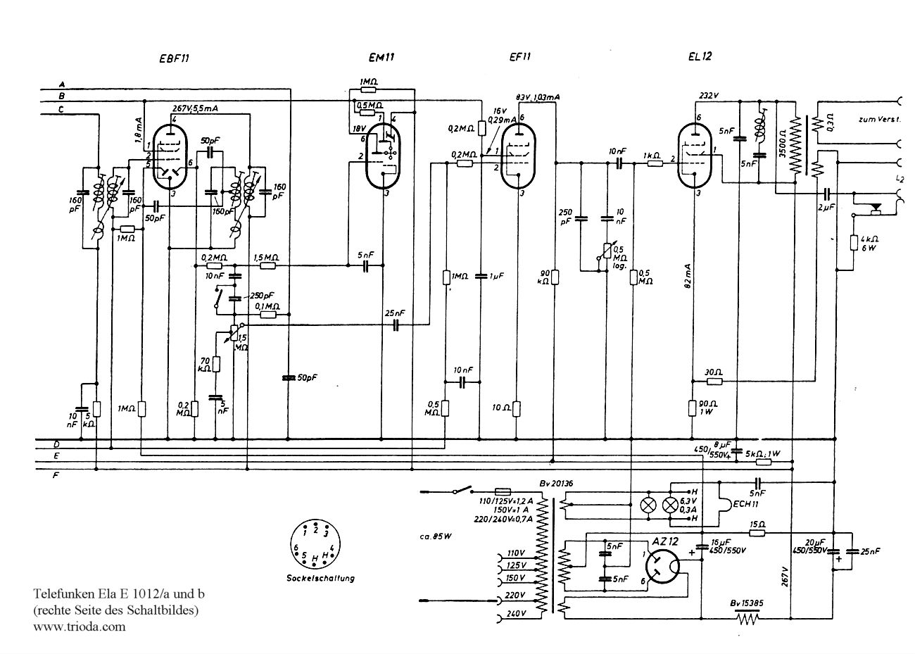
So wie versprochen die nächsten Schritte. Erst mal die Bedienelemente an der Frontseite entfernt, die Schrauben der Bereichswahlmechanik gelöst und dann die Rückwand abgenommen. Das Chassis ist von unten schwimmend (wegen der Vibrationen an Bord) am Holzgehäuse verschraubt. Als Vibrationsdämpfer dienen Filzstreifen und Buchsen. Nach dem Lösen der Schrauben an der Unterseite kann man das Chassis ein Stückchen herausziehen und dann die Klemmschraube der Skalennadel lösen. Diese ist nicht am Chassis befestigt, sondern läuft auf einer Schiene am Gehäuse. Der Drahtseilzug mit Antrieb ist jedoch am Chassis angebracht. Das Chassis kann man nun herausziehen und dann das Bodenblech entfernen. Es bietet sich ein recht aufgeräumtes Bild, alle Bauteile sind mit bloßem Auge zu erkennen :-). Eine erste grobe Sichtprüfung ergibt folgende Punkte: - im Inneren sind einige Bauteile korrodiert und sehen etwas mitgenommen aus. Das betrifft, wie zu erwarten, die Teerkondensatoren. Diese müssen eigentlich fast immer in alten Radios ausgetauscht werden, da sie durch die Alterung zu Leckströmen neigen. - einige Kabel auf dem Chassis-Oberteil sind spröde und haben Risse (speziell die Versorgungsleitungen am Trafo) - der Glaskolben der Endstufen-Röhre EL12 hängt lose in der Fassung und scheint nicht mehr in Ordnung zu sein (Drähte in der Fassung abgerissen) - die meisten Bauteile sehen erstaunlich gut aus - überall ist Schmutz, es muss auf jeden Fall gründlich gereinigt werden um Kriechströme zu vermeiden Um systematisch vorgehen zu können habe ich ein Foto vom Inneren des Chassis gemacht, alle Bauteile durchnummeriert und im Schaltplan eingetragen. Um sicher zu gehen habe ich mich entschlossen alle Kondensatoren auszutauschen. Also habe ich erst einmal alle benötigten Bauteile in der richtigen Spannungsfestigkeit bestellt. Da gibt es ein recht großes Angebot in der Bucht, was darauf hindeutet, dass das Hobby der Röhrenradiorestauration recht verbreitet ist. Mir hat es die Beschaffung der Bauteile sehr erleichtert. Damit waren die Vorbereitungen erst mal erledigt. Bis dann dann die Bauteile eingetroffen sind....
....habe ich mich um das Gehäuse gekümmert. Da mussten noch alle verbliebenen Teile abgebaut werden (Haltegriffe, Beschriftungsplaketten, innen angeschraubte Drähte, das magische Auge etc. Insbsondere beim Ausbau der Skalenscheibe ist Vorsicht geboten. Nach dem Lösen der Metallhalterungen lösen sich die völlig verhärteten Gummieinlagen nur sehr schlecht und man muss acht geben, dass es keinen Glasbruch gibt. Mit dem leeren Gehäuse und einer Schleifmaschine ging es dann in den Garten wo ich dann die Farbschichten fast komplett bis auf die unterste Schicht (originales Grau) runtergeschliffen habe. Für den neuen Anstricht wurde wieder das originale helle Marinegrau gewählt. Während die Farbe trocknete habe ich erstmal die spröden rissigen Kabel gegen aktuelle sichere Exemplare getauscht. Hierbei war mir die Sicherheit wichtiger als ein besonders authentisches Aussehen. Danach habe ich dann das Chassis gründlich mit Scheibenreiniger vom Schmutz befreit. Das war's erst mal wieder. Details zu den Bauteilen und einige Tricks beim Restaurieren kommen denächst in diesem Kino... Gruß Hayo
Schönes Projekt - wenn man sowas auf dem Dachboden findet, kann ich gut verstehen, das man dieses Schätzchen wieder zum Laufen bekommen möchte. Hatte hier auch gerade 'Boat Anchor Ware' von Rhode und Schwarz, allerdings aus den 50er Jahren als Überbleibsel des guten alten RIAS Berlin. Was mich interessiert: Weisst du, wie die Geräte auf den U-Booten gespeist wurden? Die Schaltpläne sprechen ja für klassischen Wechselstrom mit 220V, aber gab es den überhaupt an Bord? Hatten die Dieselmaschinen neben den Gleichstromgeneratoren zum Laden der Fahrbatterien auch noch Wechselstromgeneratoren? Oder wurden etwa Zerhacker benutzt?
Hier ist ein Link zu einem Panoramafoto des Funkraumes des Museumsbootes U995: http://www.photo-show.net/images/stories/panoramen/Tour/U995/U995-10.html Die Ansicht der Schalttafel im Funkraum läßt erkennen, daß es neben dem Bordnetz mit 110 Volt Gleichspannung auch mehrere (rotierende) Umformer verschiedener Leistungsklassen gab, die 220 Volt Wechselspannung für Geräte in Funk- und Horchraum erzeugten.
Mikrowilli schrieb: > Hier ist ein Link zu einem Panoramafoto des Funkraumes des Museumsbootes > U995: > http://www.photo-show.net/images/stories/panoramen/Tour/U995/U995-10.html Vielen Dank für diesen interessanten Link! Es scheint, als ob im achteren Torpedoraum über den E-Maschinen einiges montiert ist, das mit der Stromversorgung zu tun hat. Zumindest ist über der Backbordmaschine ein 'Spannungsregler' zu sehen in Form eines grossen Handrades und darüber Spannungs- und Stromanzeigen für den 110V Kreis.
Moin, Mikrowilli schrieb: > Die Ansicht der Schalttafel im Funkraum läßt erkennen, daß es neben dem > Bordnetz mit 110 Volt Gleichspannung auch mehrere (rotierende) Umformer > verschiedener Leistungsklassen gab, die 220 Volt Wechselspannung für > Geräte in Funk- und Horchraum erzeugten. Ja das kann ich bestätigen. Mein Vater hatte auch noch jahrelang so einen rotierenden Umformer bei sich auf seinem Boot im Einsatz (Umrichter gab es damals nur zentnerschwer und sch... teuer) den er von irgendeinem anderen U-Boot ergattert hatte. Dieser Umformer machte allerdings aus 12V= -> 110V=. Damit hat er seinen uralten Philips Rasierer betrieben (mit rotierenden Scherköpfen). Der Empfänger ist allerdings nur für Wechselspannung ausgelegt. Auf den Fotos kann man erkennen, dass der Einsatzbereich von 110V~ bis 240V~ möglich war. Ich betreibe ihn jetzt in der 240V Einstellung. Neben dem Trafo kann man die Gleichrichterröhre AZ12 erkennen. Gruß Hayo
Hi, ich werde diese Woche noch meinen alten, bislanbg unrestaurierten TFK898 entholzwurmen. Falls gewünscht, kann ich dann gern Vergleichsbilder vom zivilen Gerät einstellen. Besondere Wünsche des TOs nehme ich gern entgegen. mfg Maik
Hallo Maik, auf jeden Fall hier berichten! Mit Bildern natürlich. Ich habe mir erstmal die Schaltpläne runtergeladen und auch einige sehr schöne Bilder auf einer russischen Webseite gefunden. Man sieht auf den ersten Blick am Chassis die Verwandschaft des 1938iger TFK898 mit der 1939iger Militärversion Ela E 1012. Auch der Schaltplan zeigt viel Bekanntes. Für mein noch zu restaurierendes Nordmenderadio suche ich ja noch nach Tips um das Gehäuse optisch wieder auf Vordermann zu bringen vielleicht kann ich da von Deinen Erfahrungen profitieren. Ansonsten werde ich noch einige meiner Bauteilerestaurierungen beim Ela E 1012 hier posten. Vielleicht hilft Dir ja das eine oder andere auch weiter. Gruß Hayo
Ich verstehe nur eines nicht : Kennt Ihr nicht die GFGF, Gesellschaft der Freunde der Geschichte der Funktechnik o.ä. siehe entsprechende Webseite. Da findet Ihr doch tonnenweise Information zur Restaurierung alter Geräte. Man muss das Rad doch nicht immer neu erfinden.
Klar kenne ich die. Von da habe ich auch schon Schaltpläne runtergeladen. Das spricht aber doch nicht dagegen sich hier darüber auszutauschen. Offensichtlich gibt es doch einige, die nicht nur Hardcoreröhrenfreaks und Sammler sind, sondern sich - wie ich - neben moderner Elektronikprojekte einfach nebenbei auch mal mit der altehrwürdigen Technik befassen. Was die Sache mit meinem Gehäuse angeht, da habe ich auch schon etwas recherchiert, aber noch nicht so ganz das gefunden was mir weiterhilft, da diese oft nicht so im Vordergrund der Restaurationen stehen. Ansonsten gibt sicherlich keine echten Geheimnisse zu lüften, aber der eine oder andere Trick oder Lösung für bestimmte Probleme sind sicherlich ganz interessant. Ich hatte übrigens vor der Restaurierung intensiv recherchiert was das Ela E 1012 angeht, aber keine Berichte darüber gefunden, die mir weitergeholfen hätten. Also keine "Radneuerfindung", sondern nur Erfahrungsaustausch. Hayo
Sooo, nach längerer Pause habe ich mich mal wieder durchgerungen hier weiter zu machen. Eigentlich besteht die Restauration neben der Aufarbeitung des Gehäuses und der Reinigung des Chassis mit Glasreiniger im wesentlichen im Austausch der Teerkondensatoren und Elkos. Die Elkos kann man ruhig gegen Typen mit größerer Kapazität tauschen, bei den anderen Kondensatoren sollte man sich möglichst an die Originalwerte halten. Wenn die Austauschkondensatoren es von der Größe zulassen, kann man zur Wahrung des authentischen Aussehens selbige in das alte Gehäuse der Teerkondensatoren einpflanzen. Dazu habe ich den alten Kondensator mit einem Heißluftgebläse erwärmt. Sobald der Teer weich genug ist kann man den Aluminiumwickel aus der Röhre herausdrücken. Den neuen Kondensator habe ich dann in die leere Röhre gesteckt und mit Kunstharz eingegossen oder mit Kunstharzspachtel verschlossen. Wenn das erledigt ist, hat man das Wichtigste geschafft.
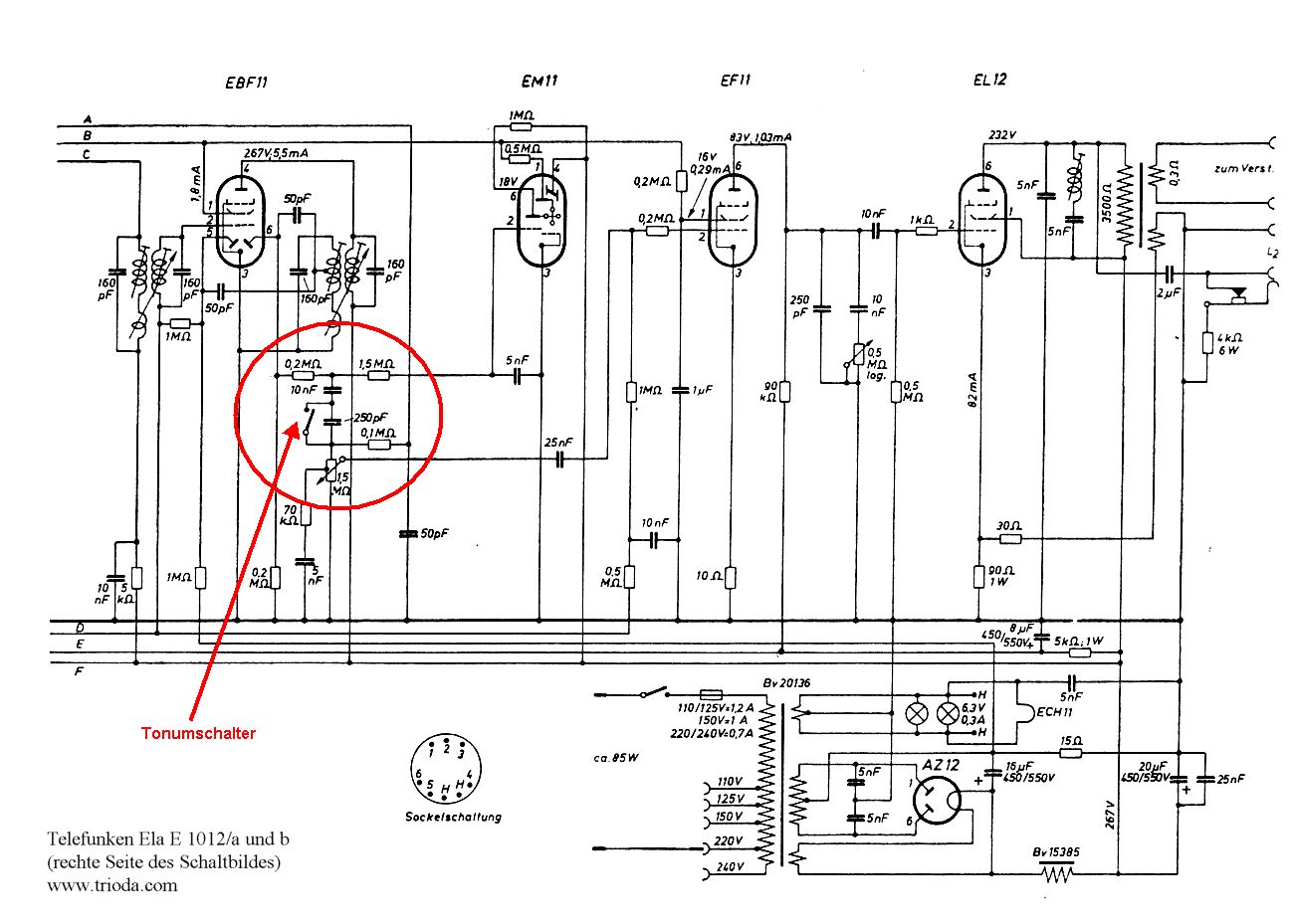
Jetzt kann man sich um die Feinheiten kümmern. So war mir z.B. im Schaltplan eine Klangverstellung Sprache/Musik aufgefallen, die ich aber an meinem Gerät nirgends entdecken konnte. Ich ahnte schon, dass diese Funktion wegoptimiert wurde. Also habe ich das Gerät nochmals genau inspiziert. Dabei fiel mir die komische Achse des Lautstärkepotis auf. Diese ist durch das Poti hindurchgeführt und war am Ende durch eine umgebogene, gelochte Blechlasche gegen herausrutschen gesichert. Nach kurzem Grübeln ging mir dann ein Licht auf. Die Blechlasche war vorher die Halterung eines Schalters und mit der Achse des Lautstärkepotis konnte man diesen Schalter durch Herauziehen oder Reindrücken betätigen. Also kurz die Grabbelkiste durchwühlt und einen Schalter ausgegraben. In den Schaltknebel habe ich dann mit der Metallsäge einen Schlitz gesägt. Die Lasche wieder in die richtige Position gebogen und mit WD40 und Fett die Poti-Achse wieder schön leichtgängig gemacht. Da ich keine abgeschirmten Originalleitungen mehr hatte, wurde der Anschluss mit modernen abgeschirmten Audioleitungen gemacht. Obwohl die eigentliche Funktion nur darin besteht einen Kondensator zu überbrücken ist tatsächlich eine ganz passable Klangverstellung möglich.
Da die EL12 bei mir mechanisch beschädigt war, habe ich mir erstmal einen Ersatz mit einer EL84 gebastelt. Die recht einfache Beschaltung gab es bei bei Jogis Röhrenbude. Hier findet man eine ganze Menge Umsockelanleitungen - sehr hilfreich. Eine gebrauchte EL12 in gutem Zustand hat mich dann später knappe 20,- Euro gekostet. Ebenso gibt es die Möglichkeit die AZ12 Gleichrichterröhre durch eine Kombination aus zwei Dioden und zwei Widerständen zu ersetzen. Man könnte die Bauteile z.B. in den Sockel einlöten und den Glaskolben wieder draufkleben, so dass es wie das Original aussieht. Werde ich wohl auch machen wenn meine AZ12 ihr Leben aushaucht. Alle anderen Röhren sind auch nach über 70 Jahren immer noch in Ordnung. Bei meinem Gerät ist ein magisches Band EM84 eingebaut. Original ist hier eine EM11 (magisches Auge) verbaut. Diese habe ich in der Bucht für 27,- Euronen ersteigert und habe sie auch schon im Parallelbetrieb zur EM84 getestet. Der Einbau erfolgt aber irgendwann später. Man braucht hierfür eine spezielle Klammer zur Befestigung (Dank an Ralf vom GfGF für den Tip). Neue Skalenlampen mit der Röhrenheizspannung von 6,3V gibt es erstaunlicherweise auch problemlos in der Bucht. Bei der Reinigung der Skalenscheibe sollte man sehr vorsichtig sein, da sonst der Aufdruck mit der Frequenzskala unwiederbringlich verschwindet.
Nach dem Zusammenbau bzw. vorher beim Testlauf funktionierte das Gerät sofort auf Anhieb. Der Betrieb mit selbstgebauten Loopantennen für Kurz- und Mittelwelle ist einer Langdrahtantenne vorzuziehen, da die Schmalbandigkeit der abstimmbaren Antennen wie ein Preselektor wirkt und die geringere Trennschärfe der alten Geräte wieder ausgleicht. Ebenfalls gute Erfahrungen habe ich mit selbstgebauten abstimmbaren Aktivantennen gemacht, die mit Ferritstäben bestückt sind (LW/MW). Im direkten Vergleich mit meinem JRC NRD525 mit Langdrahtantenne schlägt sich das alte Schätzchen ganz wacker. Was das Aussehen im abgedunkelten Zimmer angeht ist so ein altes Röhrengerät mit seinem geheimnisvollen Glimmen und der Skalenbeleuchtung einfach viel schöner als ein Gerät der heutigen Zeit. Da fühlt man sich direkt in alte Zeiten zurückversetzt. Kommentare und weitere Beiträge sind willkommen Gruß Hayo
Ja und es geht noch weiter, allerdings etwas offtopic - mit Bezug auf den Beitrag zum rotierenden Umformer etwas weiter oben. Da mir das mit dem Umformer noch eine Zeitlang durch den Kopf ging habe ich mit meinem Vater noch einmal darüber gesprochen und siehe da, den Umformer gab es noch. Inzwischen hat er seinen Weg zu mir gefunden und ich wollte ihn hier nur mal kurz vorstellen (mir fiel kein anderer Thread dazu ein). Wie ich jetzt weiß hat er eigentlich die Spezifikation 24V=/250V= und ist ein Einanker-Umformer. Er wurde bei uns nur mit 12V betrieben, was dann ca. 120V= ergab. Laut Aussage meines Vaters kann man damit alle Arten von Maschinen mit Kollektormotor betreiben (z.B. Bohrmaschinen), allerdings nur ohne elektronische Regelung, da die unter Umständen nicht mit der Gleichspannung klarkommt. Dieses Gerät wurde hergestellt von der Carl Lorenz AG, die eigentlich im zweiten Weltkrieg Sendeanlagen gebaut hat. Das Gerät war wohl auf einem U-Boot installiert und wurde dann nach dem Krieg bei Atlas-Elektronik in Bremen im Labor für Testzwecke verwendet. Als es dort dann ausgemustert wurde landete es bei uns. Als es hier ankam hatte ich natürlich nichts Besseres zu tun als es sofort zu testen. Also direkt an mein selbstgebautes Powerlabornetzteil angeschlossen und - nix! Der Strom ging sofort in den 20A Begrenzer. Ok ich weiß, es steht 32,5 A auf dem Typenschild, aber doch unter Last dachte ich. Na gut, den Begrenzer also abgeschaltet und der Strom schoss sofort auf 60A aber der Rotor fing an sich zu drehen. Meine Laborleitungen wurden ganz schön warm, aber der Strom pendelte sich dann bei etwas über 25A ein. Das Geräusch war ein ganz schön lautes Singen bzw. fast schon Pfeifen, wenn ich mir vorstelle, das auf den U-Booten mehrere davon liefen muss da ein ganz schöner Lärm gewesen sein. Das Ding läuft also nach all der Zeit immer noch ohne Probleme. Damals wurde halt noch solide gebaut! Gruß Hayo
Hallo Hayo Endlich hab ich die radio wieder gefunden die ich in mein jugendzeit hatte! Alles kommt mir so bekannt vor ,jedes teil hab ich in mein hand gehabt. Ich dachte soll keine mehr wissen von diese radio? Leider ist bei mir nichts mehr davon uebrich. Damals hatte ich kein ahnung um es gut zu behalten,und die unterzuchlust war gross .... Ich bin gluecklich dein artikel hab gefunden. vielleicht hoer ich nog etwas, Gruesse und ein gesundes 2018 Harry
Hayo W. schrieb: > 1937/38 hatte die Marine immer noch Vorbehalte gegen die Überlagerungs- > empfänger, obwohl 5-6 verschiedene Typen mit Abstimmungen über Regler im > Betrieb an Bord ihre Qualitäten bereits nachgewiesen hatten. Aber die > durch den Raummangel auf den Schiffen bedingte Nähe der Empfangs- zu den > Sendeantennen führte zur Bildung von unerwünschten Mischprodukten in den > Empfangsfrequenzen. Außerdem gab es die Befürchtung, dass die > Oszillatorfrequenz ungewollt abgestrahlt und vom Gegner empfangen werden > konnte sowie das Problem der Mehrdeutigkeit einer Empfangsfrequenz > (Spiegelfrequenz) durch die damals verwendeten Zwischenfrequenzen. Dass diese Sorge nicht unberechtigt war, zeigte sich einige Jahre später bei dem Naxos-Gerät. Das Teil strahlte so viel Störstrahlung ab, dass die Bomber ihre Radarsender sogar abschalten abschalten konnten und das U-Boot direkt anfliegen konnten. Das hat etlichen U-Boot Besatzungen das Leben gekostet. Ob der Grund dafür technisches Unvermögen der Entwickler war, oder ob Sabotage im Spiel war, wurde m.W. nie aufgeklärt. https://de.wikipedia.org/wiki/Naxos_(Radardetektor)
nachtmix schrieb: > > Dass diese Sorge nicht unberechtigt war, zeigte sich einige Jahre später > bei dem Naxos-Gerät. > Das Teil strahlte so viel Störstrahlung ab, dass die Bomber ihre > Radarsender sogar abschalten abschalten konnten und das U-Boot direkt > anfliegen konnten. > Das hat etlichen U-Boot Besatzungen das Leben gekostet. > Ob der Grund dafür technisches Unvermögen der Entwickler war, oder ob > Sabotage im Spiel war, wurde m.W. nie aufgeklärt. > https://de.wikipedia.org/wiki/Naxos_(Radardetektor) Für das Naxos Gerät ist das wohl eher eine Legende, siehe Schaltplan: http://www.cdvandt.org/M-%20Dv-291-%20Funkmessgeraetekunde.pdf S.59. Der Naxos-Empfänger besteht aus Antenne, Hochpass, Detektor und NF-Verstärker. Was soll da denn strahlen? Da müsste schon der NF-Verstärker schwingen, und Frequenzen um 3 GHz erzeugen, um im Frequenzbereich der Antenne zu bleiben (Dipol oder rotierender dielektrischer Stielstrahler). Das scheint mir physikalisch unmöglich. Auch A. Bauer berichtet nichts darüber: http://www.cdvandt.org/Naxos95nw.pdf
Das war nicht "Naxos", sondern das "Metox" Gerät.
Neben dem Einsatz von neuerem cm-Radar führte aber hautptsächlich die
Einpeilung des regen Funkverkehrs der Boote zu deren erfolgreichen
Bekämpfung ("Huff-Duff" d.h. HF-Kreuzpeilung). Einmal grob eingepeilt
(20sm Radius), hatten die keine Chance mehr.
Bitte melde dich an um einen Beitrag zu schreiben. Anmeldung ist kostenlos und dauert nur eine Minute.
Bestehender Account
Schon ein Account bei Google/GoogleMail? Keine Anmeldung erforderlich!
Mit Google-Account einloggen
Mit Google-Account einloggen
Noch kein Account? Hier anmelden.





















































