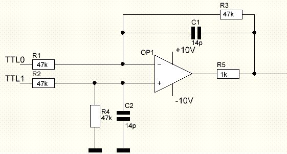
Hallo :) folgende Schaltung soll zwei TTL-Signale addieren und entweder +5V oder -5V ausgeben und das mit einer Flankensteilheit von 1,5us zwischen 10% und 90% des Pegels und das ganze mit einer Geschwindigkeit von 100 kBit/s. Bei wikipedia habe ich gelesen, dass für die Rise/Fall Time bei einem Tiefpass 1. Ordnung (das ist doch ein Tiefpass 1. Ordnung, oder?) ein Richtwert von 2,2 Tau angenommen werden kann. Deshalb habe ich mich für die RC-Kombination 47kOhm und 14pF entschieden. 1. Ist meine Herangehensweise richtig? Kann man das wirklich so rechnen? 2. Kann mir vielleicht jemand erklären, wie genau die beiden RC-Kombinationen letztendlich die Flanken des Ausgangssignals beeinflussen? (Liegt das an der Tiefpasswirkung? Spielt die Grenzdrequenz hierbei eine Rolle?) Schonmal vielen Dank für Eure Hilfe. :) LG
1.Na so ganz einfach wird es wohl nicht werden? 2.Deine TTL-Signale werden kaum genau 5V haben? 3.Schon gelesen? https://www.mikrocontroller.net/articles/Operationsverst%C3%A4rker-Grundschaltungen 4.Deine 14pF scheinen mir nicht ganz optimal WENN man den Typ nicht kennt. 5.Es gibt je nach Aufbau auch noch Schaltungskapazitäten ... 6.Ein kleiner Test mit dem Lötkolben bringt viele neue Erkenntnisse.
Mark G. schrieb: > folgende Schaltung soll zwei TTL-Signale addieren Wohl eher subtrahieren. > (das ist doch ein Tiefpass 1. Ordnung, oder?) Im interessierenden Frequenzbereich näherungsweise ja, sofern der Opamp schnell genug ist, d.h. dessen Zeitkonstante deutlich kleiner als 1,5 µs ist. Nimmst du bspw. einen Opamp mit 10 MHz, ist seine Zeitkonstante 1/(2·π·10MHz) = 16 ns, so dass er die Anstiegszeiten kaum beeinflussen wird. > ein Richtwert von 2,2 Tau Ja, der theoretische Faktor ist ln(9). > Deshalb habe ich mich für die RC-Kombination 47kOhm und 14pF > entschieden. Ein paar pF kommen schnell durch parasitäre Kapazitäten zustande. Ich würde deswegen eher 4,7 kΩ und 140 pF (oder 150 pF, denn die gibt es auch zu kaufen ;-) ) nehmen. Mark G. schrieb: > 2. Kann mir vielleicht jemand erklären, wie genau die beiden > RC-Kombinationen letztendlich die Flanken des Ausgangssignals > beeinflussen? > (Liegt das an der Tiefpasswirkung? Spielt die Grenzdrequenz hierbei eine > Rolle?) Ja. Du siehst das sofort, wenn du die komplexen Übertragungsfunktionen des Subtrahierers (Quotient aus R3||ZC1 und R1) und eines passiven Tiefpasses aus R3 und C1 (Spannungsteilerformel) miteinander vergleichst. Die Formeln unterscheiden sich nur um den konstanten Faktor R3/R1 (der DC-Verstärkung des Subtrahierers), der in diesem Fall ohnehin 1 ist. Somit hat der Subtrahierer tatsächlich die Zeitkonstante R3·C1. R1 beeinflusst nur die Verstärkung, aber nicht die Grenzfrequenz. Damit der Subtrahierer auch ordentlich subtrahiert (das Ausgangssignal also nur von der Differenz der Eingangsspannungen abhängt), muss wie üblich gelten: (R3||ZC1) / R1 = (R4||ZC2) / R2 Aber das ist in deiner Schaltung ja der Fall, da oben und unten jeweils die gleichen Bauteilwerte verwendet werden. Du kannst das Ganze auch in Spice simulieren, um bspw. ein Gefühl dafür zu bekommen, welchen Einfluss die GBW des Opamp auf die Anstiegszeiten hat.
Bitte melde dich an um einen Beitrag zu schreiben. Anmeldung ist kostenlos und dauert nur eine Minute.
Bestehender Account
Schon ein Account bei Google/GoogleMail? Keine Anmeldung erforderlich!
Mit Google-Account einloggen
Mit Google-Account einloggen
Noch kein Account? Hier anmelden.
