Hallo, ich bin am Überlegen mir das im Betreff genannte, günstige Labor-Schaltnetzteil von Pollin zu bestellen. Es handelt sich um ein regelbares 0-30V 0-3A Schaltnetzteil. Ein 0-15V 0-2A Linearnetzteil, welches ich bereits besitze, kostet dort das gleiche. Hat ein Schaltnetzteil irgendeinen gravierenden Nachteil, gegenüber dem Linearnetzteil? Bisher bin ich mit dem Lineatnetzteil über mehrere Jahre gut ausgekommen: Hauptsächlich habe ich damit Akkus geladen. Aber auch kleine Experimente/Funktionstests stelle ich schon mal damit an. Lediglich der Spannungsbereich nur bis 15V stört mich, da ich manchmal 24V benötige. Deshalb überlege ich das Linearnetzteil durch genanntes Schaltnetzteil zu ersetzen und frage mich, was die Nachteile sind? Bin für jeden Tipp dankbar, Dominik
siehe hier: http://www.hed-radio.com/de/unterschied-linear-schaltnetzteil.html oder hier: http://meanwell-schaltnetzteil.de/konventionelle-netzteile.html
Die in den Links genannten grundsätzlichen Vor- und Nachteile sind mir soweit schon bekannt und gehen mehr über das Netzteile selbst (grundsätzlicher Natur). Wenn ich rein die Anwendung der Ausgangsspannung betrachte, habe ich da irgendwelche Nachteile konkret bei so einem günstigen regelbarten Schaltnetzteil von Pollin? Ist es genauso Kurzschlussfest (bis zu 3A) oder geht bei einem SNT vielleicht schnell die Elektronik kaputt durch Kurzschlüsse? Bricht die Spannung schneller/langsamer ein, bzw. gibt es einen höheren oder niedrigeren Peakstrom-Impuls beim Auftreten eines Kurzschlusses? Ist PWM mit der Ausgangsspannung des SNT in allen PWM-Frequenzen problemlos (kurze Strompeaks)? Wie ist die galvanische Trennung bei einem Labor-SNT (Regelschleife über Optokoppler?) und gibt es kapazitive Kopplungen zum 50Hz Netz (Y-Kondensatoren?)... Also meine Frage sollte eher konkret auf das Pollin-Netzteil oder eines der vielen nahezu baugleichen Typen die unter verschiedenen Namen auf dem Markt sind beziehen. Hat jemand Erfahrung damit? Hier wurde beispielsweise das NT schon mal erwähnt von Thiecom für 50EUR. Beitrag "[S] Labornetzteil 0-12V ca. 2A"
> Also meine Frage sollte eher konkret auf das Pollin-Netzteil oder eines > der vielen nahezu baugleichen Typen die unter verschiedenen Namen auf > dem Markt sind beziehen. welches denn? Das hier: http://www.pollin.de/shop/dt/NDc1ODQ2OTk-/Stromversorgung/Netzgeraete/Regelbare_Netzgeraete/Regelbares_Labornetzgeraet_QUATPOWER_LN_3003_0_30_V_0_3_A.html oder dieses: http://www.pollin.de/shop/dt/NTc2ODQ2OTk-/Stromversorgung/Netzgeraete/Regelbare_Netzgeraete/Regelbares_Labornetzgeraet_PS_3003_0_30_V_0_3_A.html Ich hab leider keines von beiden. > oder geht bei einem SNT vielleicht schnell die Elektronik kaputt durch > Kurzschlüsse? die interessante Frage nach der Kurzschlußfestigkeit kann ich Dir leider nicht beantworten. Ich könnte mir vorstellen, daß aufgrund der vielen Schaltvorgänge am Ende der Garantiezeit ;-) ein Bauteil in die Knie gehen wird. Schaltplan gibts ja leider nicht dazu, dann wüßte man wie gut die galvanische Trennung ist.
Berlin-Fanclub schrieb: >> Also meine Frage sollte eher konkret auf das Pollin-Netzteil oder eines >> der vielen nahezu baugleichen Typen die unter verschiedenen Namen auf >> dem Markt sind beziehen. > welches denn? > Das hier: > http://www.pollin.de/shop/dt/NDc1ODQ2OTk-/Stromversorgung/Netzgeraete/Regelbare_Netzgeraete/Regelbares_Labornetzgeraet_QUATPOWER_LN_3003_0_30_V_0_3_A.html > oder dieses: > http://www.pollin.de/shop/dt/NTc2ODQ2OTk-/Stromversorgung/Netzgeraete/Regelbare_Netzgeraete/Regelbares_Labornetzgeraet_PS_3003_0_30_V_0_3_A.html > Ich hab leider keines von beiden. Ich vermute mal, dass es technisch eh keinen Unterschied zwischen den beiden gibt. Letzteres wurde ja schon mal in dem anderen Beitrag hier genannt und wird unter mehreren Labels vertrieben. Vielleicht findet sich ja noch jemand mit Erfahrungswerten. Soweit erst mal vielen Dank, Dominik
Ich hatte mir auch schon Gedanken über dieses Netzteil gemacht und ich bin zu dem Entschluss gekommen, dass ich lieber die Finger davon lasse. Eine reine Vermutung ist, dass man mit dem NT nur ohmsche Lasten oder schwach induktive Verbraucher betreiben kann, weil es bei höheren Stromspitzen oder Rückspeisung spontan explodieren würde. Ich bin mit meinem uralten Voltcraft 2x30V/2x3A sehr zufrieden. Und wenn ich mal einen größeren Verbraucher dran habe, wird mir wenigstens nicht kalt ;)
Man sollte wissen, WOZU man das Netzteil braucht. Die mV Restwelligkeit sind nicht angegeben. Es könnte sein, daß Deine Hifi-Teile oder Ohren es merken, wenn Du sie da betreibst.
Ich habe mir ein QUAT POWER LN3003 Netzteil gekauft (0-30V 0-3A). Die Restwelligkeit hat mich dann doch interessiert. Also habe ich mein Oszilloskop repariert (ein im Gewühl unter der Anzeigeröhre versteckter Tantalkondensator mit Kurzschluss war Schuld). Bei 30 V habe ich ca. 170 mV Peak to Peak gemessen, in Paketen zu 5 bis sechs sinusförmigen Wellenzügen mit abklingender Amplitude. Die Welligkeit ist bei geringerer Ausgangsspannung kleiner (50 mV bei 12 V). Bei Belastung steigt die Restwelligkeit, aber mehr als die in der Beschreibung genannten 200 mV habe ich aber nicht gemessen. Ein 1 µF Kondensator halbiert die Restwelligkeit in etwa (Leerlauf)). Die Frequenz der Restwechselspannung liegt bei 0,4-0,5 MHz. Der Konstantstrombetrieb bringt keine Überraschungen, die Restwelligkeit liegt im gleichen Bereich wie im Konstantspannungsbetrieb.
> Die Frequenz der Restwechselspannung liegt bei 0,4-0,5 MHz 170mVss sind doch etwas viel. Aber die Restwelligkeit lässt sich durch einen nachgeschalteten Filter leicht um den Faktor 10 reduzieren. Einfach mit einer 3µ4 Spule und einen 100µF/50V lowESR // 0µ47/63V Folie einen Tiefpass nachschalten. Bauteile: http://www.pollin.de/shop/dt/MzM4OTk3OTk-/Bauelemente_Bauteile/Passive_Bauelemente/Kondensatoren/Folienkondensator.html http://www.pollin.de/shop/dt/NDA2OTQ3OTk-/Bauelemente_Bauteile/Passive_Bauelemente/Spulen_Filter/Drossel_3_4_H.html http://www.pollin.de/shop/dt/MTkyOTg3OTk-/Bauelemente_Bauteile/Passive_Bauelemente/Elkos_Goldcaps/Elko_JAMICON.html Lässt sich eventuell sogar auch direkt einbauen. Grüße Löti
Hab mir das NT gekauft in der Hoffnung das als nette/billige Basis für Modifikationen verwenden zu können. Meine Ergebnisse bisher: - Verdammt sauberer Aufbau (abgesehen von einigen Angst-Cs an den Klemmen) - Sollte einfachst modifizierbar sein da (fast) alles Wichtige gesteckt ist - Verwendet netterweise 08/15 ICs auf einer eigenen Regelungs-Platine - Alles was man haben will ist drinnen (Thermal Cutout, Lüfter für lineare Nachregelung,...) Zur angedachten Modifikation: Lineare Nachregelung - der PWM-Regler bekommt eine ca 2V höher Soll-Spannung wie per Poti eingestellt - NMos als Folger+OP für den Rest Remote-Steuerbarkeit - Analog-SW/Relais schalten einfach auf einen DAC um für U/I Sollwerte - von USB versorgter 08/15 PL2303- USB/232 Wandler + Optokoppler auf kleinen uC Nachhaltigkeitsänderungen - NoName Elkos gegen Rubycon/TDK/... tauschen ;) Will hier einer sich mitärgern bei dem Mod ? 73
Das Ding wurde schon vor Jahren auf Fingers Welt verbastelt http://www.fingers-welt.de/phpBB/backup/94/39509_1.htm?q=Chinaware&art=r#b0
> Zur angedachten Modifikation: > > Lineare Nachregelung > - der PWM-Regler bekommt eine ca 2V höher Soll-Spannung wie per Poti > eingestellt > - NMos als Folger+OP für den Rest > > Nachhaltigkeitsänderungen > - NoName Elkos gegen Rubycon/TDK/... tauschen ;) > > Will hier einer sich mitärgern bei dem Mod ? Hallo Hans, ich finde Deinen Vorschlag einer linearen Nachregelung sehr gut. Scheint ja recht einfach zu sein. Was hälst Du davon, wenn Du einen Schaltplan lieferst? Ich würde dann das Layout erstellen. Gruss Willi
Da ich mir jetzt auch das besagte Netzteil zugelegt habe, wollte ich mal fragen, ob es hier Neuigkeiten / Nachahmer bzgl. der erwähnten Modifikationen gibt. Ich bin übrigens trotz allem positiv überrascht, hatte z.B. üblen Chemie-Geruch und starkes Pfeifen erwartet (ok, dass ich kaum Pfeifen höre könnte auch daran liegen, dass ich ein alter Sack bin, aber riechen tue ich eigentlich noch ganz gut ;-) Gerade mal die Spannung (30V unbelastat) mit dem Oszilloskop betrachtet: besonders glatt ist sie nicht, das Signal rauscht um 90mV mit einzelnen Spitzen-Ausreißern bis zu 150mV. Dominante Frequenzanteile dabei sind um 78khZ, 370..450kHz (und irgendwas ganz schwaches um die 23..35MHz). Felix
Felix N. schrieb: > Gerade mal die Spannung (30V unbelastat) mit dem Oszilloskop betrachtet: > besonders glatt ist sie nicht, das Signal rauscht um 90mV mit einzelnen > Spitzen-Ausreißern bis zu 150mV. Dominante Frequenzanteile dabei sind um > 78khZ, 370..450kHz (und irgendwas ganz schwaches um die 23..35MHz). Und genau deswegen will ich auf dem Basteltisch kein Schaltnetzteil sehen. Ewig her, hat mich sowas mal in der Firma angeschissen, bei der nächsten Inventur wurde es leider vermisst, über das Gerät brauchte sich niemand mehr ärgern.
ich kann mich auch nach wie vor nicht damit anfreunden, es fägnt schon damit an den gewünschten Wert einzustellen, dermaßen träge wie das geht...und meist ein Fetter Elko am Ausgang..absoluter Murks. Lieber ein mittelmäßiges Linearnetzteil udn ein Schaltnetzteil extra als Dampframme falls man hohe Strome/Spannungen benötigt Und ja der Beitrag ist alt, geht spielen die damit ein Problem haben
Tach die Herren, ich finde das Konzept eines geschalteten Netzteils mit nachgeregeltem Linearregler ganz brauchbar. Haben mitlerweile einige Hersteller im Portfoilio. Die "Rauschen" halt wie Linearregler und sind dabei relativ Energiespaarend. Aber generell geht nichts über ein ordentliches Analoges Gerät! - Ich hatte nur leider das Problem, das ich auch "Hochstromige Baugruppen" kontrolliert ernbrennen durfte... Da waren die analogen schnell an ihrer thermischen Grenze und reine SNTs waren wie oben schon angemerkt zu rippelig - erst die Mischung machte es. Solche NTs gibt es u.A. von Delta, TTI und Hameg...
Hallo an alle, wie so etwas aussieht, wenn es fertig ist, seht ihr im Anhang. Klappt hervorragend. Achtung! an Nachbauer. Einige Werte wurden später noch optimiert. Alternativbestückung: R16 oder V21, V22, R52 Interessenten an Layout bitte melden. Gruss Willi
Wumpus schrieb: > Aber generell geht nichts über ein ordentliches Analoges Gerät! - Ich > hatte nur leider das Problem, das ich auch "Hochstromige Baugruppen" > kontrolliert ernbrennen durfte... Da waren die analogen schnell an ihrer > thermischen Grenze und reine SNTs waren wie oben schon angemerkt zu > rippelig - erst die Mischung machte es. Dafür gibts bei guten, lineargeregelten Labornetzteilen eine Thyristorregelung.
Willi S. schrieb: > wie so etwas aussieht, wenn es fertig ist, seht ihr im Anhang. > Klappt hervorragend. Danke für die Rückmeldung! Das sieht sehr professionell aus! Ich habe definitiv Interesse an mehr Informationen! Gibt es dazu vielleicht schon eine Projektbeschreibung? Platinen sind nicht zufällig noch welche übrig? Felix
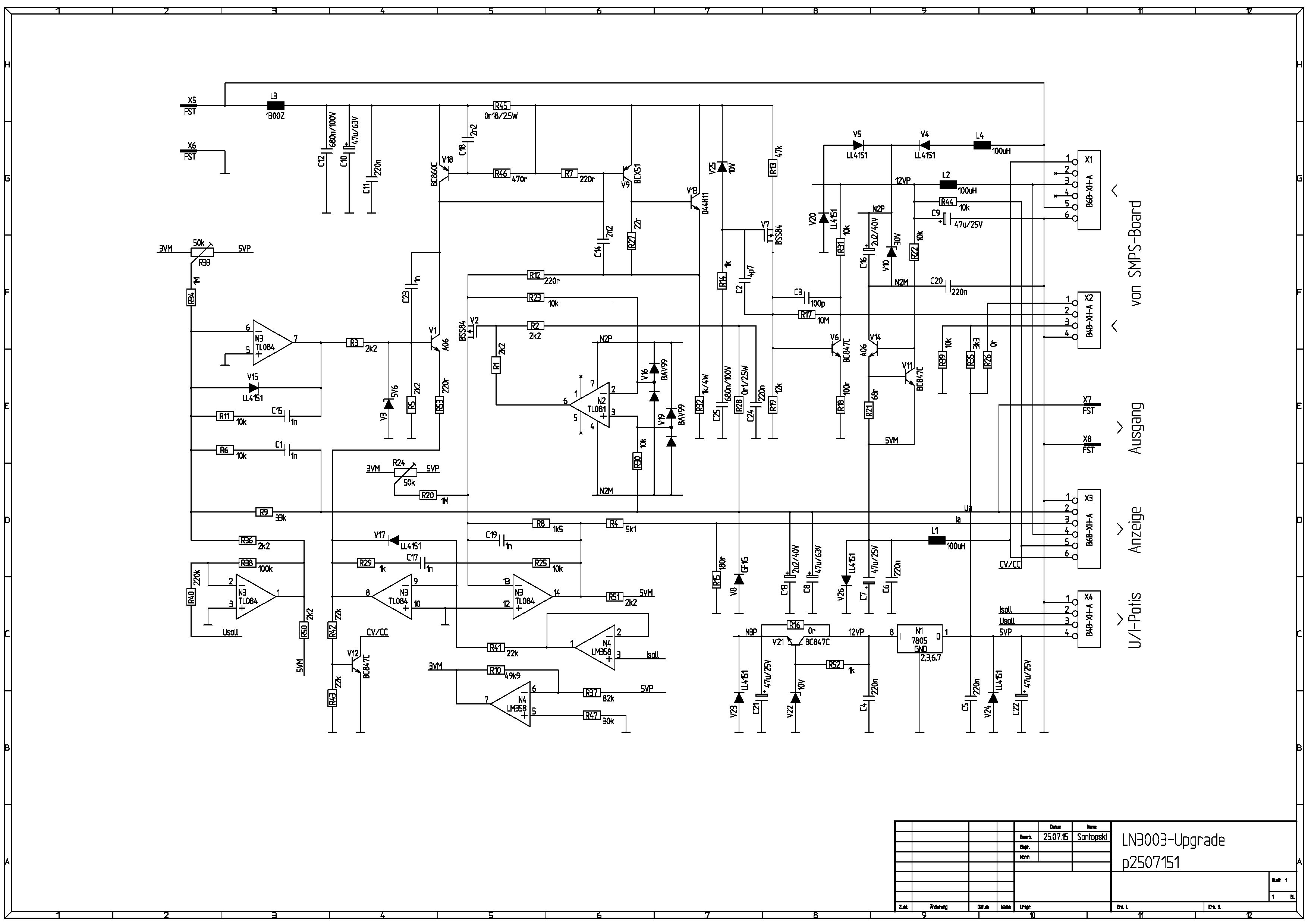
Hallo Felix, es gibt keine weitere Projektbeschreibung und auch keine leeren Leiterplatten. Hier einige Hinweise: Die Entwickler des LN-3003 haben für den geforderten Preis einen super Job abgeliefert. Es ist eine tolle Leistung, ein primärgetaktetes SNT mit den Daten 0-30V/0-3A unter allen Spannungs- und Lastbedingungen stabil hinzukriegen. . Das muß erst einmal einer von den vielen Kritikern besser machen!!!! Um auch bei kleinen Ausgangsspannungen und hohen Ausgangssrömen noch einen erträglichen Rippel zu haben, braucht man (leider) eine sehr große Ausgangskapazität und die entpuppt sich schnell als Killer so mancher Versuchsschaltung, da sich erst die Energie dieser Kapazität in die Versuchsschaltung entlädt, bevor die Stromregelung anspricht. Diese Nachteile bügelt meine Schaltung aus. Die ist noch bei einer Ausgangskapazität von min. 2 uF stabil, besser sind aber 47 uF. Meine Schaltung steuert den primär getakteten Teil so, dass am Längsregler V13 immer ca. 2 - 3 V abfallen. Dies reduziert erheblich die Verlustleistung, ist aber ausreichend um entsprechend reagieren zu können. Eine wesentliche Herausforderung ist, hier befinden sich zwei Regelkreise mit sehr unterschiedlicher Karakteristik in Serie und das ganze soll möglichst schnell und unter allen Lastbedingungen stabil sein. Da ist dann Feintuning ( Pspice ) an den Zeitkonstanten nötig. Ich möchte auch darauf hinweisen, dass sich auf der verbauten Anzeige- und Steuer-LP ein PIC Microkontroller (PIC 16F676) befindet, dessen Soft- und Hardware so ihre Eigenheiten hat. Außerdem muß der Indikator CV/CC angesteuert werden. Wenn ich all diese Erkenntnisse, Simulationen und Meßergebnisse in einer kompletten Projektbeschreibung darlegen würde, entstünde wohl ein mittelpächtiges Buch und ehrlich gesagt, dazu habe ich im Moment keine Lust. Hier noch einige Hinweise: C14=4n7; R26, R2, V21, V22, R52 entfällt. Gruss Willi
Hallo Willi, vielen Dank für die Infos, und Hut ab, das ist eine respektable Leistung und sehr interessant! Ich bin noch nicht sicher, ob und wann ich die Schaltung nachbaue, aber ich würde sie gerne verstehen. Magst Du mir noch ein paar weitere Fragen beantworten und würdest Du Netz- und Bauteileliste sowie evtl. Simulator-Dateien zur Verfügung stellen? Am Layout wäre ich natürlich auch interessiert, wenn ich mich zum Nachbau entschließe. Wie schwierig ist es denn die Schaltung zum Laufen zu bekommen, wenn man die Platine einfach mit den Bauteilen bestückt hat einbaut? Was ist denn die Pin-Belegung der Stecker (insb. X1 und X2)? Wo hast Du die Bauteile bezogen und die Platine machen lassen? Einige Teile finde ich nicht oder kann sie aufgrund ihrer Bezeichnung nicht zuordnen (A06 dürfte ein FMPS-A06 oder MPS-A06 sein?). Auf welchen Betrag komme ich hier ohne Platine beim Einzelkauf etwa? Was wird an den Potis (R33, R24) eingestellt? Was ist L3 für eine Spule (1300Z)? Ich nehme an 5VP, 5VM und 3VM steht für +5V, -5V und -3V. Was sind denn N2M, N3P und M? Kannst Du noch ein paar Worte zur den wesentlichen Schaltungsteilen verlieren (es muss ja nicht gleich ein Buch werden). Abgesehen von den beiden LM385 und dem 7805 fehlt es mir an Erfahrung in analoger Schaltungstechnik, aber ich will mal sehen, wie weit ich komme und was Neues dazulernen. Felix
Hallo Felix, die Leiterplatte wird 1:1 zwischen der Anzeige-/Poti-LP und der Power-LP geschaltet. Die Signale auf den Steckverbindern kannst Du in Deinem Gerät nachmessen. Was die Anzeige-/ Poti-LP liefert und benötigt ist schon deutlich komplizierter. Dasselbe gilt für die Power-LP. Wenn man meine LP dazwischenschaltet, ist eigentlich nur die Spannungs- und Stromanzeige auf der Anzeige fein abzugleichen. Da sind zwei Trimmer auf der Anzeige-LP. Der Power-Transistor V13 benötigt eine Isolierscheibe und wird mit derselben Schraube wie der Power-Transistor des Power-Teils befestigt. Eventuell muß Du noch die Kalibriertaste auf der Anzeig-LP betätigen. Das wars dann eigentlich, wenn, ja wenn die Schaltung stabil arbeitet. Ich habe die Phasenkompensationen sehr eng ausgelegt, damit die Schaltung auf Lastschwankungen möglichst schnell reagiert. Das hat aber leider zur Folge, dass es zu HF-Schwingungen in der Endstufe kommen kann. Da ich selbst nur ein Muster aufgebaut habe, müßtest Du dies bei Deiner Schaltung überprüfen und die Kompensation eventuell etwas anpassen. Und jetzt habe ich ein Problem. Ich kenne nicht Deine Ausbildung, Dein Kenntnisstand und Dein Meßgerätepark. Wenn Du mehr wissen möchtest, kontaktier mich bitte über meine e-mail Adresse (wsontopski@gmx.de) und beantworte mir meine obigen Fragen, dann weiß ich, auf welchem Niveau ich mit Dir diskutieren kann. Zur Klarstellung: Ich habe kein finanzielles oder persönliches Intresse. Was ich so mache, findest Du unter Willi Sontopski, Woltersdorf (Google). Hier noch einige Antworten: Die Bauteile hatte ich hier rumliegen, sollten aber nicht mehr als 3 Euro kosten. Leiterplatte von Fischer. A06 = MPSA06 1300Z = SMD-Ferrit 3A, 1825, 1300 Ohm (Impedanz) N2P, N2M = Versorgungsspannung für N2 (muß floaten) N3P = positive Versorgungsspannung von N3. Falls Du hier einen Rail2Rail einsetzen willst, muß Du V21, V22, R52 bestücken. Mit R24, R33 stellst Du den Nullpunkt für U und I ein (Offsetkompensation). Sie meisten R + C's sind 1206, also recht gut zum Basteln. LM385?? ist wohl nur ein Schreibfehler von Dir. Bitte paß auf, im Gerät sind hohe Spannungen und primär besteht eine galvanische Verbindung zum Netz. In der Bastelphase wäre ein Trenntrafo sehr vorteilhaft. Gruss Willi
Hallo zusammen, ich bin gerade dabei Willis Schaltung etwas modifiziert nachzubauen und in mein Netzgerät zu integrieren. Die Platinenfertigung hat etwas mehr ausgespuckt als ich selbst benötige. Daher meine Frage hier in die Runde, ob jemand Interesse an der Platine. Sollte Interesse an Bauteilen ebenfalls bestehen, könnten eventuell Mengenrabatte bei dem Distri zustande kommen. Grundsätzliches zur Platine. Die Bauteile sind im 0805, SO8/14 und SOT23 Format und recht eng bestückt. Es empfiehlt sich daher ein Reflow Ofen oder ein Heißluftlötgerät. Sollten einzelne eine fertig bestückte Platine haben wollen, wäre das u.u. gegen eine kleine Aufwandsentschädigung auch drin. Die Befestigung wird zur Hälfte mit dem schon vorhandenen Material im Netzteil bewältigt und die andere Hälfte einfach aus Schraube und Mutter, oder mit selbstklebenden Abstandhaltern (je nach dem wie sauber man es mag). Modifikationen am Netzgerät sind nur sehr geringe nötig. Ein Widerstand muss u.u. getauscht werden und die Montageplatte leicht verschoben werden. Sonst ist es Plug and Play. Die Selbstkosten wären 1€ pro Platine, ca. 5€ für alle Bauteile (muss ich noch ausrechnen, aber so in dem Rahmen spielt es sich ab) und Versand kommt natürlich noch drauf, sollte aber auch mit 2€ gedeckt sein. Bei Interesse bitte eine kurze Mail an DanielSteffen [ä] gmx [,] net und alles weitere wird dann auf dem Weg besprochen. Gruß --Daniel
Felix N. schrieb: > ok, dass ich kaum Pfeifen > höre könnte auch daran liegen, dass ich ein alter Sack bin, aber riechen > tue ich eigentlich noch ganz gut ;- Riechen tust du auch schon? Hoffentlich ist das nicht schlimmer geworden. Oder meintest du, dass du noch ganz gut riechen kannst?
Danke für alle Beiträge - hab irgendwo den für mich entscheidenen Tipp gelesen: AUF DER DISPLAYPLATINE IST EIN TASTER zum Nullsetzen des angezeigten Messstroms!! Einmal tippen bei Nulllast und schon zeigt das Teilwieder brav null. Der Strom-Nullwert driftete bei mir nämlich gröber, Gerät ca 2 Jahre alt, zeigte inzwischen einen offset von 0,200 A - unbrauchbar... Wofür genau die 2 Potis genau sind konnte ich nicht feststellen - das eine ist ganz nach links gedreht und ändert nix an angezeigten Werten, das andere ist anscheinend ein Offset für die Ausgangsspannung LG
Bei mir hat das Netzteil von Anfang an falsche Werte angezeigt. Der Strom zeigt inzwischen einen Offset von 0,5A. Der Taster hat überhaupt keinen Effekt. Dafür ist due Spannung jetzt halbwegs genau, die früher auch daneben war... Das Netzteil ist ohne zusätzliches Meßgerät nicht vertrauenswürdig. Chilli
Bitte melde dich an um einen Beitrag zu schreiben. Anmeldung ist kostenlos und dauert nur eine Minute.
Bestehender Account
Schon ein Account bei Google/GoogleMail? Keine Anmeldung erforderlich!
Mit Google-Account einloggen
Mit Google-Account einloggen
Noch kein Account? Hier anmelden.



