Wenn ein paar meiner Gesellen mitlesen sollten, dann liegt meine lange Inaktivität daran das ich mir beide Handgelenke gebrochen hatte am nächsten Tag meines letzten Beitrags im "Laserharfe" - Thread. Das ganze ist auf einen Motorradunfall zurückzuführen. So viel dazu... Inzwischen kann ich meine Hände auch wieder nutzen. Schmerzen tut es immer noch & habe große Probleme beim löten wegen der Hitzeentwicklung (Warmes/Heißes ist mir sehr unangenehm seit dem Unfall). Ich habe nun vor mir 2 gefräste Platinen. Eine ist der Verstärker die andere der Ton-Generator. Beide sind mit Bauteilen bestückt und funktionieren wunderbar. (BILDER FOLGEN). Nun habe ich ein weiteres Problem: Wir mussten bis heute ursprünglich einen Technik-Ordner abgeben der eine Bauteileliste, eine Funktionsbeschreibung, und die Schaltpläne/Entwürfe enthällt. Ich konnte problemlos ersteres und letzteres machen. Ich hänge aber total an den Funktionsbeschreibungen fest. Ich verstehe wirklich NULL wieso es so ist wie es ist. Was ich weiß: Im Ton-Generator haben wir einen Astabilen Multivibrator. Und im Verstärker einen Negativ-Positiv Effekt der bewirkt das die Transistoren nie ganz ausgehen was durch die 2 Dioden ermöglicht wird. Damit decken wir den oberen und unteren Berech eines Oszilloskops ab. Wie soll ich anfangen es zu erklären? Habe am 14.05.2014 um 7:45 Uhr die Technik-Prüfung in der muss ich erklären wie die Bauteile funktionieren & miteinander interagieren. Sprich: Eine mündliche Funktionsbeschreibung abliefern. Werde wohl im Ordner eine 5 erhalten da die Funktionsbeschreibung fehlt... Keine Rücksicht von meinem Lehrer :(... Ich hoffe jemand kann mir bis dahin helfen :D!!
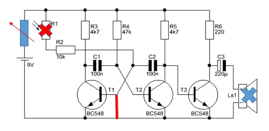
EDIT: In der ersten Schaltung urde der LDR verschoben und durch eine Leiterbahn ersetzt. Verschoben wurde er an die Basis von T1 und Emitter (Roter Strich). Ein POTI habe ich auch hinzugefügt um verschiedene Tonlagen zu erreichen. In der zweiten Schaltung dem Verstärker habe ich 4x 26R1 Widerstände zu je 2 parallelgeschaltet an die Emitter der Transistoren welche bei mir der BD136 (unten) und BD135 (oben) ist. Der andere Transistor ist ein nor.aler BC337. Diese Widerstände dämpfen die Höhen & Tiefen denke ich mal. Man erlangt ein saubereres Klangbild mit weniger rauschen?
Hallo Erol, Google, 2 Minuten: http://elektroniktutor.de/analogverstaerker/astabil.html Für den Verstärker findest Du auch zahlreiche Beschreibungen. Hast Du kein Unterricht gehabt? Gruss Klaus.
Mit 2 Gebrochenen Handgelenken lässt sich kein Unterricht machen :D Ich kontne gerademal so mit Mühe die Prüfungen letzte Woche schreiben können. Unterricht hatte ich nur die letzten 2 Wochen. Ansonsten lag ich nur im Krankenhaus die ersten 2 Wochen. Dann war ich bei einer Spezial-Gymnastik wegen den Handgelenken das hat auch 2 Wochen in Anspruch genommen. Und ansonsten war ich nur zu Hause habe geschlafen, Musik gehört & "Spaß" gehabt... Ehrlich gesagt kam mir gar nicht in den Sinn etwas für die Schule zu machen oder gar für Technik... ( Ich bereue es zutiefst ) Wie ein Astablier Multivibrator funktioniert weiß ich ja... Aber nicht wie er funktioniert mit den anderen Bauteilen sprich dem LDR der zwischen Basis und Emitter von T1 hängt... usw...
Klaus frog: >Hast Du kein Unterricht gehabt? Erol schrob: >.. dann liegt meine lange >Inaktivität daran das ich mir beide Handgelenke gebrochen hatte am >nächsten Tag meines letzten Beitrags im "Laserharfe" - Thread. Das ganze >ist auf einen Motorradunfall zurückzuführen. MfG Paul
Mit Funktionsbeschreibung meine ich so etwas: http://dieelektronikerseite.de/Lections/Astabiler%20Multivibrator%20-%20Eine%20unruhige%20Schaltung.htm Da steht wirklich in Schritten erklärt für Laien wie das funktioniert. Wie übernehme ich das aber auf den Generator oder den Verstärker? Es sollte ja nicht lang sein max 0,5 Seite pro Schlatung wie der Strom fließt usw..
Muss gucken ob ich noch weitere Bilder finde.. Hatte eigentlich mehrere gemacht... Finde sie momentan nicht & habe den "Unfertigen" Ordner & das Werkstück bereits abgegeben. Brauche immernoch hilfe bei der Funktionsbeschreibung. Am Mittwoch muss ich es mündlich präsentieren. Was mein Werk kann & Wie es funktioniert usw...
So hier die Bilder... Habe sie gefunden^^ Jeweils Vorder & Rückseite....
Wurde das Projekt eigentlich zu Ende gebracht? alles fertig & funktioniert??
Bitte melde dich an um einen Beitrag zu schreiben. Anmeldung ist kostenlos und dauert nur eine Minute.
Bestehender Account
Schon ein Account bei Google/GoogleMail? Keine Anmeldung erforderlich!
Mit Google-Account einloggen
Mit Google-Account einloggen
Noch kein Account? Hier anmelden.






