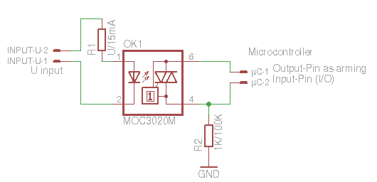
Hallo Zusammen, ich habe da mal ein wenig mit einem MOC3020 rumgebastelt. Hatte mir neulich mal 20 Stück bei Reichelt bestellt und dabei nicht bedacht, dass das ja kein 'normaler' Optokoppler ist, sondern einer mit Diac-Ausgang für die Ansteuerung von Triacs und Thyristoren im 220V-Bereich. Kann man das Ding als 'normalen' Optokoppler verwenden? Nach meiner Erfahrung: JA. Seht euch mal den Schaltplan an. Entscheidend ist irgendwie R2. 1. Variante: R2=1K Dabei fließen durch das Diac bei 5V dann 5mA. Da scheint der Diac noch zu arbeiten. Macht man die LED mal an, schaltet der Diac durch und bleibt an. Deswegen dachte ich mir: Leg ihn an einen MC-Ausgang, mit dem man ihn dann wieder abschalten kann. Somit funktioniert die Sache dann als Latch, der das Ereignis der eingeschalteten LED speichert. 2.Variante R2=100k Das funktionierte bei mir schon ab 20K aufwärts. Der Diac-Strom scheint dabei so gering zu werden, dass er nicht mehr arbeitet. Aber die Empfängerelektronik für die LED arbeitet noch. Also µC-1 an +5V und ich kann den Ausgang (µC-2) munter zwischen high und low mit der LED schalten. LED an: Ausgang an. LED aus: Ausgang aus. Kann das alles so richtig sein? Oder habe ich nur Glück gehabt? Wer sich, wie ich, mal ein paar MOC's mehr gekauft hat für die derzeitigen 0,29€, kann das ja mal ausprobieren. Ich versuche damit jetzt auch noch mal einen Nulldurchgangsdetektor zu bauen. Wenn es geht, sage ich euch bescheid. Gruß und viel Spaß beim Basteln, Andreas
Andreas Klafft schrieb: > Kann das alles so richtig sein? Oder habe ich nur Glück gehabt? Der Haltestrom ist typ. 100µA, mit 100k bist max. bei der Hälfte.
Andreas Klafft schrieb: > sondern einer mit Diac-Ausgang für die Ansteuerung von Triacs und > Thyristoren im 220V-Bereich. Nein, natürlich nicht, 320V Spitzenspannung sind für den 400V Chip zu viel, keinerlei Reserven mehr, die den im normalen Stromnetz absolut notwendigen Schutz mit einem VDR ermöglichen. Der billige MOC3020 taugt nur für 115V der USA, wir sollten den MOC3062 nehmen.
MaWin schrieb: > Der billige MOC3020 taugt nur für 115V der USA, wir sollten den MOC3062 > nehmen. Fragt man sich, wer TI geritten habt, dass sie im Datenblatt als Feature herausgestellt haben: "Output Driver Designed for 220 Vac"
Dann bin ich mal gespannt, wann der durchbrennt. Habe da einen MOC3020 zum Ein- und Ausschalten eines Kühlschrankkompressors mit einem TIC246 benutzt. Bisher funzt der klaglos. Trotzdem Danke für die Hinweise zum MOC. Gruß Andreas
Mike schrieb: > Fragt man sich, wer TI geritten habt, dass sie im Datenblatt als Feature > herausgestellt haben: "Output Driver Designed for 220 Vac" Na ja, Marketing. Der Unterschied zwischen Wunsch und Wirklichkeit hat dann den MOC3040 und MOC3060 erschaffen.
Bitte melde dich an um einen Beitrag zu schreiben. Anmeldung ist kostenlos und dauert nur eine Minute.
Bestehender Account
Schon ein Account bei Google/GoogleMail? Keine Anmeldung erforderlich!
Mit Google-Account einloggen
Mit Google-Account einloggen
Noch kein Account? Hier anmelden.
