Forum: Analoge Elektronik und Schaltungstechnik Photowiderstand in SMD gesucht


von Peter Z. (Gast)


Lesenswert?

Hallo allerseits,
ich suche LDR Photowiderstände in SMD.
Eine Photodiode kann ich nicht gebrauchen, es geht um eine Schaltung in 
der die Phasenschiebung eines Allpasses gesteuert werden soll.

Leider habe ich nur dieses gefunden:
http://de.aliexpress.com/item/free-shipping-50pcs-lot-light-dependent-resistor-LDR-smd-0805-photoresistor/840516741.html
Ist das eventuel kein Photowiderstand sondern eine Photodiode, die 
Zeichnung jedenfalls gehört zu einer LED.
Hat da schon mal jemand aus Deutschland bestellt?

von oszi40 (Gast)


Lesenswert?

> der die Phasenschiebung eines Allpasses gesteuert
Auf Dauer ist ein Fotowiderstand nicht die stabilste Lösung. Wird wohl 
nicht so 
einfach.http://de.rs-online.com/web/c/?searchTerm=Fotowiderstand

von Kein Troll (Gast)


Lesenswert?

Photowiderstaende sollte man vermeiden, da Cadmium. Zwar nur Mikrogramm, 
aber trotzdem RoHS. Dh nach End-of-Life muss das Entsorgungsteam 
anfahren. Das wird teuer.

von Sabine W. (sabine_w)


Lesenswert?

Warum wird solch ein Tratra um Cadmium im geringen Milligramm-Bereich 
gemacht, während es z.B. mit frei erhältlichen NiCd-Akkus eine viel 
größere Umweltgefährdung gibt?

von Toni (Gast)


Lesenswert?

>Photowiderstaende sollte man vermeiden, da Cadmium. Zwar nur Mikrogramm,
>aber trotzdem RoHS. Dh nach End-of-Life muss das Entsorgungsteam
>anfahren. Das wird teuer.

Ja und deshalb ist z.B. beim AVRbutterfly board der Foto Widerstand 
nicht bestückt - der Umwelt zu liebe. Ein umwelt bewusster Elektro 
Bastler verzichtet auf dieses Teufels Zeug ebend falls.

von oszi40 (Gast)


Lesenswert?

Toni schrieb:
> verzichtet auf dieses Teufels Zeug

Der Teufel steckt im Detail. CdS-Teile altern bei Licht.

von Schimanski (Gast)


Lesenswert?

>es geht um eine Schaltung in der die Phasenschiebung eines Allpasses >gesteuert 
werden soll.

DAS baut man heute immernoch so???

von Andreas S. (Firma: Schweigstill IT) (schweigstill) Benutzerseite


Lesenswert?

In der Annahme, dass Du den Fotowiderstand auf der Leiterplatte mit 
einer Lichtquelle kombinieren willst, empfehle ich die fertigen 
Optokoppler von Silonex, die speziell für den Audiobereich gebaut 
werden:

http://ex-en.alliedelec.com/silonex/

Der Begriff "photo cell" ist nicht mit Fotozelle (=Minisolarzelle) zu 
übersetzen, sondern durchaus mit Fotowiderstand.

Man beachte, dass der Rechtsnachfolger von Silonex offenbar die 
Produktion von LDR-Optokopplern eingestellt hat, so dass nur nur noch 
Restbestände erhältlich sind.

von Schmunzler (Gast)


Lesenswert?

Sabine W. schrieb:
> Warum wird solch ein Tratra um Cadmium im geringen Milligramm-Bereich
> gemacht

Weil wir hier im von Angst, Untertanengeist und Kleinkariertheit 
besetzten Deutschland sind.


Peter Zz schrieb:
> es geht um eine Schaltung in
> der die Phasenschiebung eines Allpasses gesteuert werden soll.

Das kann man auch mit gematchten Opto FETs machen.
zB. H11F1M, H11F2M, H11F3M

Schaltung siehe zB.
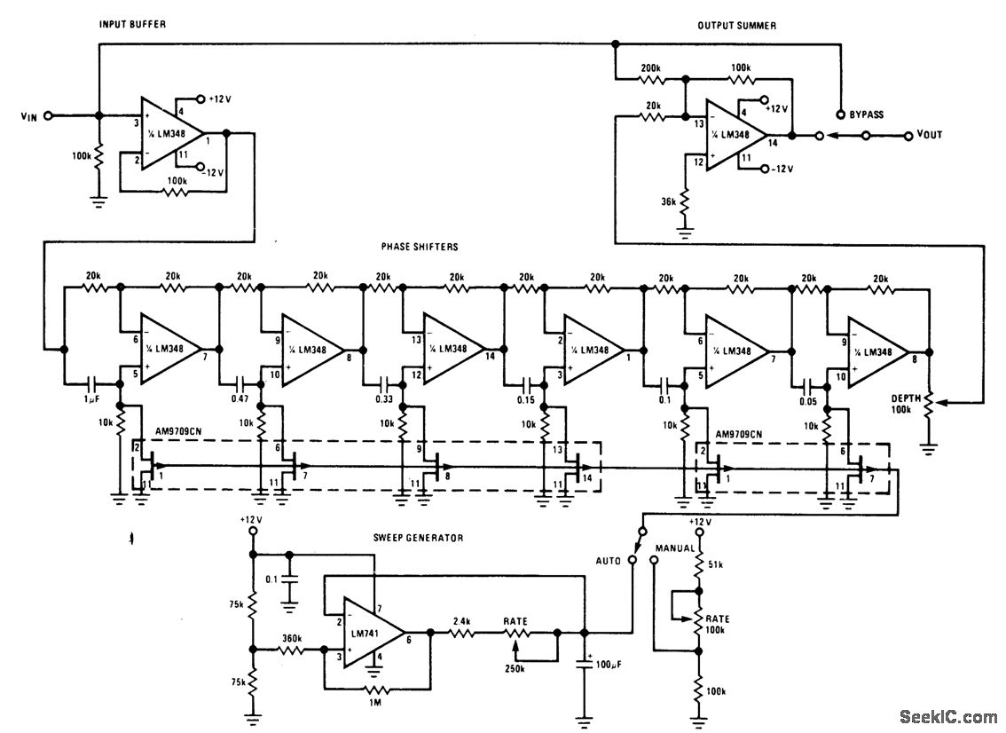
http://www.seekic.com/uploadfile/ic-circuit/20097203828816.gif

von Mike (Gast)


Lesenswert?

Peter Zz schrieb:
> Eine Photodiode kann ich nicht gebrauchen, es geht um eine Schaltung in
> der die Phasenschiebung eines Allpasses gesteuert werden soll.

Schimanski schrieb:
> DAS baut man heute immernoch so???

Seit den 70er Jahren des vorigen Jahrhunderts hat sich in der Elektronik 
wahrlich einiges geändert. Selbst Radioempfänger arbeiten inzwischen ab 
ZF mit digitalen Schaltungen. Dann sollte damit doch auch ein Allpass zu 
realisieren sein. Wie sehen denn die Specs für das Teil aus?
Oder geht es explizit um den Nachbau eines Museumsstückes. Dann wäre 
IMHO ein SMD-LDR aber nicht authentisch.

von Schmunzler (Gast)


Lesenswert?

Schmunzler schrieb:
> Das kann man auch mit gematchten Opto FETs machen.

Es geht in der Anwendung hier natürlich auch mit ganz normalen (J)FETs.

Bitte melde dich an um einen Beitrag zu schreiben. Anmeldung ist kostenlos und dauert nur eine Minute.
Bestehender Account
Schon ein Account bei Google/GoogleMail? Keine Anmeldung erforderlich!
Mit Google-Account einloggen
Noch kein Account? Hier anmelden.